Manual Técnico

Manutenção de Equipamentos Odontológicos

1 Cadeira Odontológica:

  Cadeira Odontológica com estrutura totalmente construída em aço maciço, com aplicação de tratamento superficial anticorrosivo, pintura epóxi de alto brilho e super resistente. Acabamentos de poliestireno de alto impacto, base fabricada em aço maciço, estável e com formato que facilita a aproximação do profissional. Acionamento do encosto, assento, refletor, volta a zero, programações de trabalho e parada emergencial através de pedal de comando móvel ou membranas.

  Encosto de cabeça removível, bi-articulável, anatômico e com regulagem de altura.

  Braços fabricados em aço ou alumínio, com apoios de espuma injetada e revestido com material laminado sem costura, projetados para facilitar o acesso do paciente.

  Estofamentos anatômicos, confeccionados em espuma de alta resistência, injetada sobre material rígido e revestido com material laminado sem costura, o que garante melhor assepsia.

  Os sistemas de elevação e encosto são acionados por moto-redutores, isentos de óleo, proporcionando suavidade nos movimentos e baixo nível de ruído. A capacidade máxima de levantamento está de acordo com Norma NBR ISO 6875.

  Todas as Cadeiras Odontológicas MZ, possuem sistema de proteção de sobrecorrente com 2 (dois) fusíveis para alimentação e 2(dois) fusíveis para os moto-redutores.

Cadeira MÁXIMUS / WINNER:

Cadeira COMPACT:

Cadeira PERFECT / PERFECT ORTO:

Cadeira PERFECT QUALITY:

Especificações técnicas:

  • Alimentação: 127 / 220 V
  • Chave geral: Liga / Desliga
  • Moto redutor: 24 V
  • Frequência: 50 / 60 Hz
  • Potência consumida p/ 127 V: 161 W
  • Potência consumida p/ 220 V: 79 W
  • Corrente p/ 127 V: 2A
  • Corrente p/ 220 V: 0,98A
  • Número de fases: monofásico
  • Grau de proteção: Tipo B
  • Tipo de proteção contra choque elétrico: Classe I
  • Proteção contra penetração nociva de água: Equipamento comum
  • Capacidade máxima de levantamento: Conforme Norma NBR ISO 6875
  • Peso Líquido: 88,850 Kg  
  • Peso Bruto: 128,500 kg
  • Tipo de corrente: AC (alternada)
  • Dimensões
  • Diagrama elétrico
  • Fusíveis de proteção: 6A para equipamentos 127 V 3A para equipamentos 220 V 8A para cada motor
  • Regime de trabalho contínuo: 1 minuto em funcionamento e 4 minutos em descanço.
  • Peso máximo admissível: 150 Kg

Operação e manutenção das cadeiras:

  A fim de facilitar as manutenções nas cadeiras e evitar algum tipo de acidente, se faz necessário liberar todos os seus movimentos. Sendo assim, favor seguir as orientações abaixo:

  1. Antes de ligar a chave geral da Cadeira, segure pressionado o botão de acionamento do Refletor localizado no Pedal.;
  2. Ligue a chave geral da Cadeira;
  3. Libere o botão de acionamento do Refletor;
  4. Assim que ouvir o bip, a cadeira estará com todos os seus movimentos liberados.

  Isso se faz necessário porque quando se liga a cadeira que possui posição de trabalho pela primeira vez (quando a chave geral é desligada), e aciona-se qualquer botão, ela automaticamente executa o volta a zero e, em alguns casos, este movimento não pode ocorrer.

  Após o término da manutenção, desligar a chave geral da cadeira e ligar novamente. Acione qualquer tecla e a Cadeira automaticamente vai executar o volta a zero e soar um bip e estará pronta para ser utilizada normalmente.

Observação: no Manual do Proprietário orientá-se o profissional, ao final de cada expediente, primeiro executar o volta zero e só depois desligar a chave geral da Cadeira.

Fixação do assento estofado:

  • Posicione o assento estofado sobre a cadeira;
  • Com auxílio de uma chave de fenda e uma chave fixa 5/16”, fixa o assento estofado conforme figura abaixo:

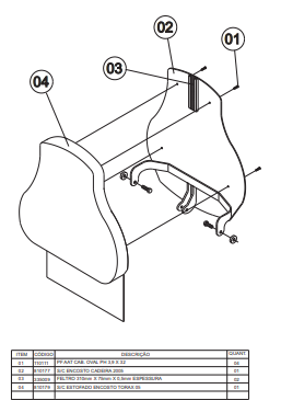
Fixação do encosto de cabeça do estofado:

  • Posicione o encosto de estofado (1) sobre a chapa do suporte do encosto (2);
  • Com auxílio de uma chave Phillips”, fixa o encosto estofado conforme figura abaixo:

Fixação do encosto estofado:

  • Posicione o encostoto estofado (1) sobre o encosto da cadeira (2);
  • Com auxílio de uma chave Phillips” fixa o encosto estofado, conforme figura abaixo:

Fixação do braço estofado:

  • Posicione o estofado (1) sobre o da cadeira (2);
  • Com auxílio de uma chave Phillips”, fixa o estofado conforme figura abaixo:

Troca de fusíveis:

  •   Para trocar o fusível (1), basta desenroscar a tampa do porta fusível (2) e fazer a substituição.

Troca chave geral:

  • Com auxílio de uma chave phillips, solte os parafusos da tampa de acabamento (1), em seguida desconect os cabos da chave geral (2), pressione a chave no sentido em que mostra a figura (3);
  • Para colocar a chave novamente pressione-a no sentido em que mostra a figura (4).

Acionamento do pedal cadeira:

  • Acionamento do Pedal para as cadeiras com posição de trabalho, no início das atividades, o profissional técnico deverá seguir as seguintes instruções: 

a) Pressionar o botão de acionamento do Refletor localizado no Pedal;

b) Ligar a chave geral da cadeira;

c) Após ouvir o bip, os demais movimentos poderão ser executados normalmente.

  Este procedimento, se faz para liberar os movimentos dos motores sem a necessidade de dar a volta a zero.

 

Acionamento do encosto da cabeça:

  • Para inclinar o encosto de cabeça solte a trava (1), que encontra-se na parte traseira do encosto e coloque na posição desejada (2).

Acionamento das membranas unidade de água:

Acionamento do fotopolimerizador:

  • Para acionar o foto aperte o (1). botão Tempo programável de 10 em 10 segundos, até 50 segundos, com bip sonoro a cada 10 segundos;
  • Para interromper o funcionamento basta apertar o (1).

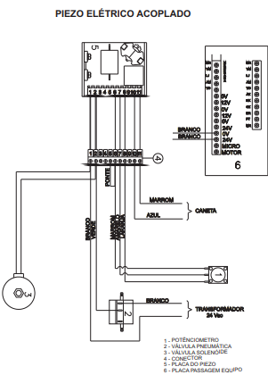
Acionamento do piezo elétrico:

  • O acionamento do piezo fica na parte inferior da caixa do equipo (1);
  • Para controlar a da caneta gire o knob (2);
  • Para controlar a abertura e o fechamento da gire o knob (3).

Tempo de uitização:

  Dispositivo é destinado a um uso não contínuo e o tempo de utilização varia segundo a condição de uso.

  • Com água e mínima potência: máximo 22 minutos ligado / mínimo 10 minutos desligado;
  • Sem água e mínima potência: máximo 6 minutos ligado / mínimo 10 minutos desligado;
  • Com água e máxima potência: máximo 5 minutos ligado / mínimo 10 minutos desligado;
  • Sem água e máxima potência: máximo 4 minutos ligado / mínimo 10 minutos desligado.

 

Atenção:

  O fabricante deste aparelho orienta para não fazer o uso do mesmo em pacientes que usam marca passo. 

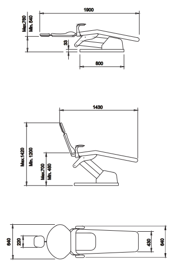
Dimensões:

  •   Cadeira WINNER / COMPACT / MÁXIMUS:
  •   Cadeira PERFECT:
  •   Cadeira PERFECT QUALITY:

Diagrama elétrico:

  •   Cadeira MÁXIMUS:
  •   Cadeira WINNER:
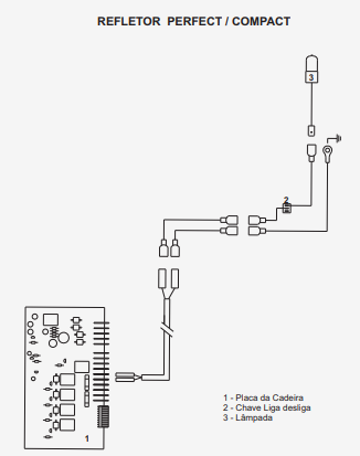
  •   Cadeira COMPACT:
  •   Cadeira PERFECT:

MOTO-REDUTOR:

  •   Cadeira MÁXIMUS / WINNER / COMPACT:
  •   Cadeira PERFECT:

 

Pedal de comando MÁXIMUS:

  O Pedal de Comando é dividido em 4 partes sendo:

  1. Borracha de acabamento do Pedal;
  2. Borracha da base do Pedal;
  3. Placa eletrônica dos comandos do Pedal;
  4. Isolante fenolite do Pedal.

  Todos os movimentos da Cadeira são executados através do Pedal de Comando, inclusive o acionamento do Refletor, volta a zero e programações de trabalho.

Pedal de comando WINNER:

Pedal de comando COMPACT:

Pedal de comando PERFECT:

Regulagens e reparos:

   Manutenção da placa de CI:

  • Com auxílio de uma chave phillips, solte os parafusos da tampa de acabamento (1), em seguida com uma chave remova a caixa suporte da placa (2).
  • Com auxílio de uma chave phillips, solte os parafusos da parte inferior da caixa da placa (3);
  • Retire a tampa de acabamento (4), em seguida com a mesma chave phillips remova os parafusos que prende a placa ao fundo da caixa (5) e faça a manutenção de acordo com a necessidade.

Funcionamento:

  Placa eletrônica da cadeira: COMPACT / MÁXIMUS / WINNER.

  As Placas Eletrônicas das cadeiras MZ são fabricadas dentro de rígidas normas de segurança e qualidade, acondicionadas dentro de uma caixa de ABS de auto impacto que garante total proteção aos circuitos. As conexões são todas pela parte superior da caixa e identificadas, não permitindo equívocos na hora da ligação.

  Placa eletrônica da cadeira: PERFECT L/ PERFECT ORTO.

  

  • Imprevisto: Cadeira totalmente inoperante.
  • Causas: Falta de energia elétrica ou plug desconectado da tomada ou chave geral desligada ou fusível queimado.
  • Soluções: Aguardar reestabelecimento da energia elétrica, conectar plug na tomada ou ligar chave geral ou substituir fusível.

 

  • Imprevisto: Um dos movimentos da Cadeira (subida e descida do assento ou subida e descida do encosto) não funciona.
  • Causa: Relê que comanda um desses acionamentos deve estar “colado”. Isso geralmente ocorre quando no local onde está instalado o consultório, há grande oscilação de tensão.
  • Solução: Substituir a Placa. Porém, nestes casos não adianta somente substituir a Placa, é necessário orientar o cliente da necessidade da aquisição e instalação de um estabilizador de voltagem. Sem este Estabilizador com certeza o problema vai voltar a ocorrer. Todas as Cadeiras MZ saem de fábrica, entre outras orientações, a da necessidade de estabilizador de voltagem para regiões onde há grandes oscilações de tensão.

Equipo:

  Os Equipos odontológicos MZ são construídos em estrutura de aço tubular e chassi em chapas de aço ou Poliuretano liso de alta densidade (somente para Equipos Continental), as tampas de acabamento são fabricadas em poliestireno de alto impacto. Pintura lisa de alto brilho à base de epóxi e com tratamento superficial contra corrosão. Os braços possuem movimentos suaves, no sentido horizontal ou horizontal e vertical dependendo do modelo, com travamento mecânico ou pneumático. Os equipos são compostos por seringa tríplice, terminal duplo e terminal triplo, variando a quantidade de pontas conforme o modelo, podendo ainda terem como opcionais: Fotopolimerizadores e Clareadores, Scaler Piezoelétrico e Ponta com Fibra Óptica.

  O Equipo Máximus Continental vem equipado com membranas de acionamento para os movimentos da Cadeira, inclusive com programações de trabalho, acionamento do porta copo e água da cuspideira. Todas as mangueiras são lisas e atóxicas. Os modelos Winner e Máximus são equipados com manômetros que possibilitam ao profissional verificar a pressão de trabalho e ao técnico regular a pressão das pontas.

 

  Equipo PERFECT:

  Opcionais:

Equipo PERFECT KART:

Equipo COMPACT:

 Opcionais:

Equipo PERFECT ORTO:

Equipo COMPACT KART:

Equipo WINNER FLEX:

Equipo WINNER CONTINENTAL:

Equipo MÁXIMUS FLEX:

Equipo MÁXIMUS CONTINENTAL:

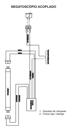
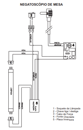
Negatoscópio acoplado 110/220V:

Negatoscópio de mesa:

Instalação negatoscópio:

  • Primeiro passo retirar a tampa do equipo (1);
  • Segundo passo direcionar a chapa de do (2) até a bandeja do equipo (3), fixar com 4 arruelas, 2 porcas e 2 parafuso .

Opcional nos equipamentos:

  • Perfect Orto / Perfect / Perfect Kart;
  • Compact / Compact Kart;
  • Winner Flex.

  Fotopolimerizador acoplado:

Dimensões:

  Equipo WINNER COMPACT PERFECT:

  Equipo MÁXIMUS:

  Equipo KART:

Operação e funcionamento:

  Conexões na caixa de ligação:

  Como colocar água no reservatório:

  • Gire o reservatório no sentido horário e faça a sua reposição; 
  • Depois recoloque girando-o no sentido anti-horário; 
  • Use sempre água filtrada ou produtos assépticos.

  Acionamento do freio pneumático:

  • Para acionar o freio pneumático, coloque o braço na posição desejada e aperte o botão de acionamento (1);
  • Para destravar o braço basta acionar o botão novamente (1).

 

Imprevistos e como resolvê-los:

  Válvula do pedal do equipo: 

  Uma mola mantém o êmbolo pressionado no fundo da válvula evitando a passagem do ar. Quando o pedal é acionado, o êmbolo é deslocado contra as molas permitindo a passagem do ar até as micro válvulas. Cessando o acionamento o êmbolo volta a posição inicial, interrompendo a passagem de ar e a despressurização se dá por orifícios laterais na parte superior da válvula.

  • Imprevisto: Passagem de ar sem o pedal estar acionado.
  • Causas: Anel o’ring danificado ou mola do êmbolo danificada ou mola da tampa do pedal danificada.
  • Solução: Substituir anel o’ring ou substituir a mola do êmbolo ou substituir mola da tampa do pedal.

 

  • Imprevisto: Êmbolo da válvula não volta a posição inicial, permitindo passagem de ar.
  • Causa: Mola danificada.
  • Solução: Substituir mola.
  • Imprevisto: Passagem de ar sem o pedal estar acionado Imprevisto: Vazamento de ar na base da válvula.
  • Causa: Anel o’ring danificado ou falta de aperto nos parafusos da base do pedal.
  • Solução: Substituir anel o’ring ou reapertar parafusos da base do pedal.

  Válvula reguladora de ar:

  A função da válvula reguladora de ar, como o nome já diz, é de regular a pressão ideal de trabalho do ar que vem do compressor para a seringa e reservatório.

  • Imprevisto: Não consegue regular pressão do ar.
  • Causas: Anéis o’ring danificados ou sujeira no interior da válvula ou êmbolo da base da mola de regulagem quebrado.
  • Soluções: Substituir anéis o’ring ou abrir válvula e efetuar limpeza ou substituir base da mola de regulagem.

 

  Micro válvula I:

  Com o terminal (duplo ou triplo) alojado no suporte de pontas, o êmbolo da válvula é mantido pressionado dentro da sede da válvula contra a entrada de ar (entrada “A”), não permitindo a passagem do ar comprimido. Ao retirar a peça de mão do suporte de pontas, a mola empurra o êmbolo para frente liberando a passagem de ar comprimido (saída ”B”) para a válvula pneumática e em seguida para as peças de mão.

  • Imprevisto: Passagem de ar pela micro válvula, mesmo com os terminais alojados no suporte de pontas.
  • Causas: Borracha de assentamento danificada ou anel o’ring danificado ou resíduo no interior da válvula ou válvula solta do complemento do suporte de pontas.
  • Solução: Trocar êmbolo ou substituir anel o’ring ou desmontar e limpar válvula ou soltar parafusos do complemento do suporte de pontas e fixar válvula novamente.

 

  • Imprevisto: Êmbolo da válvula não volta quando os terminais são retirados do suporte de pontas.
  • Causas: Mola danificada.
  • Solução: Substituir mola.

  Micro válvula II:

  Com o terminal (duplo ou triplo) alojado no suporte de pontas, o êmbolo da válvula é mantido pressionado dentro da sede da válvula contra a entrada de ar (entrada “A”), não permitindo a passagem do ar comprimido. Ao retirar a peça de mão do suporte de pontas, a mola empurra o êmbolo para frente liberando a passagem de ar comprimido (saída ”B”) para a válvula pneumática e em seguida para as peças de mão.

 

  • Imprevisto: Passagem de ar pela micro válvula, mesmo com os terminais alojados no suporte de pontas.
  • Causas: Borracha de assentamento danificada ou anel o’ring danificado ou resíduo no interior da válvula ou válvula solta do complemento do suporte de pontas.
  • Solução: Trocar êmbolo ou substituir anel o’ring ou desmontar e limpar válvula ou soltar parafusos do complemento do suporte de pontas e fixar válvula novamente.

 

  • Imprevisto: Êmbolo da válvula não volta quando os terminais são retirados do suporte de pontas.
  • Causas: Mola danificada.
  • Solução: Substituir mola.

  Válvula pneumática dupla:

  As funções da Válvula Pneumática dupla é de regular a passagem de ar para o spray e para as turbinas. A água pressurizada entra na conexão “A” e deriva internamente saindo pela conexão “B”. A interrupção da passagem da água é feita por uma mola que pressiona o êmbolo contra a sede da válvula.

  O ar comprimido entra pela conexão “C” e aciona o diafragma, seguindo internamente e passando pelas agulhas de regulagem do fluxo de ar do spray, conexão “D” e da turbina, conexão “E”. Ao acionar o diafragma, este desloca o êmbolo contra uma mola, abrindo a passagem da água da conexão “A” para a conexão “F”. Cessando a alimentação de ar pela conexão “C” o êmbolo volta a posição inicial por ação da mola, interrompendo a passagem da água.

  • Imprevisto: Passagem de ar pela conexão “D” sem acionar a válvula.
  • Causa: Diafragma furado.
  • Solução: Substituir diafragma.

 

  • Imprevisto: Passagem de água pela conexão “F” sem acionar a válvula.
  • Causa: Anel o’ring danificado ou mola danificada ou sujeira obstruindo a vedação.
  • Solução: Substituir anel o’ring ou substituir mola ou desmontar e limpar válvula.

 

  • Imprevisto: Vazamento de água entre o corpo e a tampa da válvula.
  • Causa: Diafragma rompido.
  • Solução: Substituir diafragma.

 

  • Imprevisto: Vazamento de água nas agulhas de regulagem.
  • Causa: Anel o’ring danificado.
  • Solução: Substituir anel o’ring.

 

  • Imprevisto: Não sai água quando a válvula é acionada.
  • Causa: Diafragma não está acionando o êmbolo por estar sem elasticidade.
  • Solução: Substituir diafragma.

 

  Válvula pneumática dupla:

  Válvula freio do braço do equipo:

  Esta válvula tem como objetivo bloquear e liberar o ar que aciona o freio do braço do Equipo. Uma mola mantém afastado o eixo do botão de acionamento da sede da válvula, permitindo que o ar tenha passagem livre da conexão “A” para a conexão “B”, o que mantém o braço do Equipo freado. Ao acionar o botão, o eixo é deslocado contra a sede da válvula interrompendo a passagem do ar e liberando o ar que estava freando o braço do Equipo. O ar sai pela parte superior do botão.

  • Imprevisto: Passagem de ar através da conexão “B” sem acionar o botão.
  • Causa: Anel o’ring danificado ou sujeira na válvula.
  • Solução: Substituir anel o’ring ou abrir e limpar válvula.

 

  • Imprevisto: Botão não retorna a posição inicial após seu acionamento.
  • Causa: Mola danificada.
  • Solução: Substituir mola.

  Freio pseumático do equipo:

   O freio pneumático bloqueia os movimentos do braço do Equipo, fazendo com que o mesmo fique em uma posição estável durante os procedimentos clínicos e se ajustando à posição ideal de trabalho do profissional. A liberação ou bloqueio do freio do braço é feito através de um leve toque na válvula do freio.

  • Imprevisto: Vazamento de ar entre o bloco do freio pneumático e o êmbolo do bloco.
  • Causa: Anel o’ring danificado.
  • Solução: Substituir anel o’ring.

 

  • Imprevisto: Vazamento de ar na conexão do bloco do freio pneumático.
  • Causa: Anel o’ring danificado.
  • Solução: Substituir anel o’ring.

  Membrana do equipo:

  A membrana localizada no equipo proporciona ao profissional a opção de efetuar todos os movimentos da cadeira, inclusive as programações de trabalho e acionar o porta copo e a água da cuspideira. Os contatos são feitos através de sinal elétrico de baixíssima tensão e as conexões são todas através de “flat cable”

  • Imprevisto: Danificada externamente por material cortante.
  • Causa: Mau uso. Solução: Substituir membrana.

Atenção:

  Para manutenção interna no equipo, tomar os devidos cuidados para não danificar ou romper o flat cable da membrana.

  Válvula de retenção:

  A função desta válvula é de não permitir o retorno do ar que aciona o manômetro. Quando as pontas estão sendo utilizadas, o ar deriva em mangueiras dentro do equipo e aciona o manômetro que indica a pressão de trabalho.

 

  • Imprevisto: Manômetro não acusa pressão de trabalho.
  • Causas: Anel o’ring danificado ou sujeira retida no anel ou mola danificada.
  • Solução: Substituir anel o’ring ou abrir e limpar válvula ou substituir mola.

 

  Válvula interruptora:

  Com as hastes do equipo na posição de descanço, o êmbolo da válvula é mantido pressionado dentro da sede da válvula contra a entrada de ar (entrada “A”), não permitindo a passagem do ar comprimido. Ao acionar a haste no sentido de trabalho, a mola empurra o êmbolo para frente liberando a passagem de ar comprimido (saída ”B”) para a válvula pneumática e em seguida para as peças de mão.

 

  • Imprevisto: Passagem de ar pela válvula interruptora, mesmo com as hastes na posição de descanso.
  • Causas: Anel o’ring danificado ou resíduo no interior da válvula solta do complemento da torre.
  • Solução: Substituir anel o’ring ou desmontar e limpar válvula ou soltar parafusos do complemento da torre e fixar válvula novamente.

 

  • Imprevisto: Êmbolo da válvula não volta quando as hastes são acionadas para o trabalho.
  • Causas: Mola danificada.
  • Solução: Substituir mola.

 

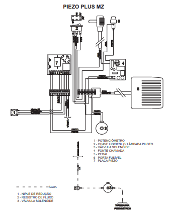
  Piezoelétrico:

  Este produto opcional tem como função principal executar procedimentos de Périodontia, Dentística e Prótese. Trabalha com frequência máxima de 30.000 Hz. Seu funcionamento se dá com o acionamento do pedal do equipo, sendo desnecessário o uso de pedal exclusivo para o Piezoelétrico.

  Quando o pedal é acionado o ar é liberado para a micro válvula, e quando o transdutor é retirado do suporte de pontas o ar é liberado para uma válvula pneumática dentro do equipo. Nesta válvula o ar aciona um êmbolo que por sua vez aciona um micro switch que dará passagem da corrente elétrica para um circuito eletrônico onde, através de um potenciômetro é feito o ajuste da frequência. Boa parte dos procedimentos clínicos com o Piezoelétrico são feitos com irrigação. No mesmo painel que se encontra o potenciômetro, temos um registro de água para controlar o fluxo da mesma durante os procedimentos irrigados. Está água é derivada do reservatório de água pressurizado. Tensão de trabalho: 24 volts.

 

Atenção:

O fabricante deste aparelho orienta para não fazer uso do mesmo em pacientes que usam marca-passo.

  • Imprevisto: Água cotejando no transdutor com o registro fechado.
  • Causa: Anel o’ring do registro danificado ou sujeira no interior do registro impedindo a vedação da água.
  • Solução: Substituir anel o’ring danificado ou abrir corpo da registro e limpar.

 

  • Imprevisto: Freqüência de trabalho muito baixa.
  • Causa: Potenciômetro não ajustado.
  • Solução: Ajustar potenciômetro para a potência desejada.

  Fotopolimerizador e ou clareador:

  Os Fotos de LED MZ oferecem uma nova tecnologia em fotopolimerização e clareamento através da transmissão de luz emitida por LED (diodo emissor de luz). A energia gerada pelo LED proporciona alta eficácia na polimerização e em diversos procedimentos clínicos, tais como:

  • Clareamento dental (compatível com gel clareador à base de peróxido de hidrogênio 35%);
  • Restaurações diretas;
  • Restaurações indiretas;
  • Colagem de brackets;
  • Ativação de materiais fotoativáveis;

  A luz fria e azul é gerada na faixa de 455nm a 460nm, indicado para polimerizar materiais ativados pela canforoquinona.

  • A fonte dos fotos acoplados é alimentada com 12 volts, com a tomada de força direta da placa da cadeira;
  • A potência do LED varia de 3 Watts (para polimerização e clareamento);
  • A vida útil do LED pode chegar a 100.000 horas;
  • Os Fotos são programados para emitir um sinal sonoro (bip) de 10 em 10 segundos até 50 segundos;
  • As ponteiras são confeccionadas em polímero polido e de alta resistência.

 

  • Imprevisto: Não está polimerizando ou tempo excessivo para polimerizar.
  • Causa: Ponteira suja (poeira, gordura ou resina).
  • Solução: Limpar e/ou lavar ponteira com sabão neutro e secar com tecido seco e não abrasivo.

 

  • Imprevisto: LED não acende.
  • Causa: Cabos desconectados ou placa danificada.
  • Solução: Conectar cabos ou substituir placa.

  Fotopolimerizador e ou clareador 5W:

  O foto MZ LED oferece uma nova tecnologia de fotopolimerização, através da transmissão de luz emitida por LED 5 Watts (diodo emissor de luz) de alta eficácia na polimerização das resinas mais utilizadas. Esta tecnologia permite total concentração de luz emitida nos comprimentos de onda desejáveis de 460 a 470 nm, ao contrário dos aparelhos halógenos. A alta energia gerada pelo LED de 5 Watts, permite aplicação em diversos procedimentos clínicos:

  • Clareamento dental (ativação do gel clareador e polimerização de barreira gengivais, compatível com gel clareador à base de peróxido de hidrogênio 35%);
  • Restaurações diretas (resinas compostas, ionômeros e adesivos);
  • Restaurações indiretas (cimentação adesiva de laminados, inlays, pinos e coroas estéticas);
  • Colagem de brackets e acessórios ortodônticos;
  • Ativação de materiais fotoativados (selantes, cimentos cirúrgicos e bases de forramento);

  Caneta de aplicação fabricado em alumínio anodizado trazendo maior conforto no manuseio do usuário e facilitando sua assepsia.

  Ponteira de acrílico com formato cônico.

  Protetor ocular que protege os olhos contra a luminosidade refletida.

  O foto MZ LED dispensa o uso de filtros. LED de longa vida útil e durabilidade superior a lâmpada halógena, sem perda de potência e qualidade da luz. Controle de operação na própria caneta. Sinalizador sonoro com bip curto a cada 10 segundos e bip longo ao término do ciclo de 90 segundos.

  Luz fria devido à baixíssima produção de calor, o foto MZ LED elimina o risco de danos ao tecido pulpar e o desconforto causado pelo aumento de temperatura no campo de trabalho.

  • Imprevisto: Não está polimerizando ou tempo excessivo para polimerizar.
  • Causa: Ponteira suja (poeira, gordura ou resina).
  • Solução: Limpar e/ou lavar ponteira com sabão neutro e secar com tecido seco e não abrasivo.

 

  • Imprevisto: LED não acende.
  • Causa: Cabos desconectados ou placa danificada.
  • Solução: Conectar cabos ou substituir placa.

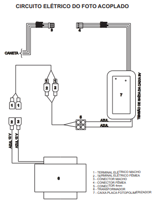
  Instalação fotopolimerizador acoplado ao equipo:

  • Primeiro passo fixar a caixa da placa do foto (1) no chassi do equipo (2);
  • Segundo passo ligar os fios (3) da caixa da placa do foto de um conector (4), com os fio paralelo (5) que atravessa todo o (6) e conecta com os cabos que vem do transformador (7);
  • Finalizando, conectar o cabo da caneta (8) ao cabo da caixa da placa do foto.

  Fotopolimerizador instalação fotopolimerizador acoplado à unidade MÁXIMUS:

  • Primeiro passo fixar a caixa da placa do foto (1) no chassi da unidade (2);
  • Fixar a placa da membrana da unidade (3) ao suporte (4);
  • Ligar os fios da caixa da placa do foto (5) na placa da membrana da unidade (3); 
  • Conectar o cabo da caneta (6) ao cabo da caixa da placa do foto (7).

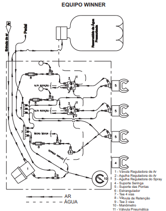
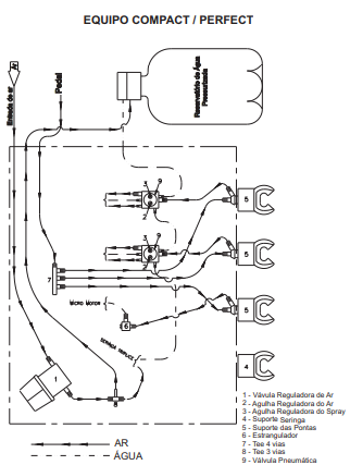
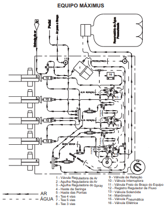
Diagrama hidráulico e pneumático:

  Circuito hidráulico e pneumático do equipo:

  1. O ar vem do compressor com uma pressão de 80 lbf/pol2 e alimenta a válvula reguladora de ar que está dentro do Equipo e o pedal do Equipo. A válvula reguladora de ar diminui a pressão para 40 lbf/pol2 e está pressão irá se derivar para pressurizar o reservatório e alimentar a seringa.
  2. Ao acionar o pedal, o ar passa por ele e segue para as micro válvulas alojadas nos suportes de pontas.
  3. Retirando-se a peça de mão do suporte o ar, é liberado para a válvula pneumática dupla e segue derivando-se dentro dela passando pelas agulhas de regulagem de fluxo.
  4. O ar sai da válvula pneumática dupla com a pressão regulada, conforme especificações e alimenta a peça de mão.
  5. A água pressurizada sai do reservatório, entra na válvula pneumática dupla e deriva internamente saindo para alimentar as outras válvulas e a seringa.
  6. Ao acionar a válvula pneumática dupla com o ar do pedal, esta libera água pressurizada para formar spray na peça de mão. 

Diagrama de ligação de periféricos:

Unidades auxiliares MZ:

  As Unidades Auxiliares MZ são construídas em estrutura de aço tubular e chassi em chapas de aço ou Poliuretano liso de alta densidade (somente para Unidades Máximus Flex ou Continental), as tampas de acabamento são fabricadas em poliestireno de alto impacto. Pintura lisa de alto brilho à base de epóxi e com tratamento superficial contra corrosão.

  Todas as Unidades possuem movimento articulado lateral, o que facilita o acesso do auxiliar para procedimentos clínicos que se fizerem necessários e melhorar a ergonomia. As Unidades podem ser compostas por seringa tríplice, sugador venturi, sugador de alta potência, fotopolimerizadores e/ou clareadores, porta copo e negatoscópio. Estes itens podem ser de série ou opcionais, dependendo do modelo.

  A Unidade Máximus Continental vem equipada com membranas de acionamento para os movimentos da cadeira, acionamento do porta copo e água da cuspideira. Todas as mangueiras são lisas e atóxicas. As cubas podem ser de porcelana ou resina na cor do estofamento, também dependendo do modelo. Em ambos os casos as cubas são removíveis e acompanha ralo para retenção dos sólidos. Filtros de sólidos individuais, de fácil localização e removíveis para limpeza. Na Unidade Auxiliar Máximus estão instaladas duas válvulas solenóides para liberação da água da cuba e água do porta copo, estas solenóides são acionadas pelas membranas da Unidade Auxiliar Máximus ou do Equipo Máximus. E com fluxo de água ajustável na própria válvula.

Dimensões das unidades de água:

Funcionamento dos componentes da unidade auxiliar:

  Registro de Água:

  Todas as Unidades Auxiliares possuem registro de água, com exceção da Unidade Máximus, onde a água é acionada pela válvula solenóide. Quando o registro está fechado, a haste fica pressionada contra a sede, não permitindo a passagem da água da conexão “A” para a conexão “B”. Abrindo-se o registro, a haste afasta-se da sede, permitindo a passagem da água da conexão “A” para a conexão “B”. Neste tipo de válvula o fluxo é regulável.

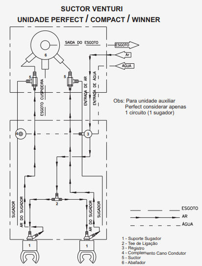
  Suctor venturi:

  O ar vem do compressor e fica retido na micro válvula que esta alojada no suporte do sugador. Removendo-se o sugador do suporte, o ar é liberado pela micro válvula e passa pelo suctor venturi, provocando assim a sucção no sugador. Saliva, sangue e outros resíduos sugados pelo sugador seguem até o filtro, onde ficam retidos os resíduos sólidos, o restante passa pelo suctor, pelo abafador e vão para o esgoto. 

  • Imprevisto: Baixa potência na sucção.
  • Causas: Filtro sujo ou suctor entupido ou mangueira dobra ou pouca pressão de ar.
  • Soluções: Abrir e limpar filtro ou desmontar e desentupir suctor ou desdobrar mangueira ou reestabelecer pressão adequada de ar do compressor.

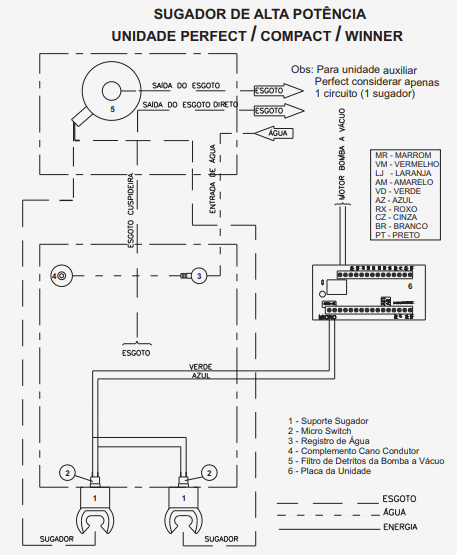
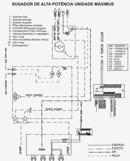
  Sugador de alta potência:

  Os sugadores de alta potência podem ser de sangue ou saliva, dependendo da necessidade do cliente. A Bomba a Vácuo é acionada quando da retirada dos sugadores dos suportes por um micro switch, que está instalado dentro do suporte. O contato elétrico deste micro switch aciona um relê, que por sua vez envia energia para ligar a Bomba a Vácuo. Este sistema evita que tenhamos alta tensão na parte superior do equipamento. Os sugadores são de material autoclavável e com registro de regulagem de fluxo. O sangue, saliva e outros detritos sugados, vão para o filtro onde os resíduos sólidos ficam retidos e o restante segue para o esgoto.

  • Imprevisto: Quando o sugador é retirado do suporte, a Bomba a Vácuo não liga.
  • Causa: Plug da Bomba a Vácuo desconectado da tomada ou relê não está acionando a Bomba a Vácuo.
  • Solução: Conectar plug na tomada ou substituir relê.

 

  • Imprevisto: Baixa potência na sucção.
  • Causas: Filtros sujos ou vazão de água na Bomba está inadequada ou mangueiras obstruídas.
  • Soluções: Remover e limpar filtros ou regular vazão de água na Bomba á Vácuo ou limpar as mangueiras com solução enzimática.

 

  • Imprevisto: Potência de sucção alta demais.
  • Causa: Fluxo de água está alto demais.
  • Solução: Feche um pouco o registro do suctor ou diminua o fluxo de água até atingir a potência de sucção desejada.

 

  • Imprevisto: Bomba a Vácuo funciona mas não suga.
  • Causa: Fluxo de água foi interrompido ou o coletor de sólidos (filtro) não foi recolocado após a limpeza.
  • Solução: Desligue a Bomba imediatamente e aguarde o reestabelecimento do fluxo de água ou recoloque o filtro.

 

  Válvula solenóide:

  As válvulas solenóides são usadas nas Unidades Auxiliares Máximus. Quando acionadas, liberam água para a cuba ou para o porta copo. O acionamento é feito através da membrana do Equipo Máximus ou da membrana da Unidade Auxiliar Máximus, um toque libera a água, outro toque interrompe a água. Tensão de trabalho das solenóides: 24 volts. Potência: 9 Watts.

  Uma mola pressiona o êmbolo contra a sede do corpo da válvula evitando que a água passe. Quando energizada a bobina, o êmbolo é puxado para cima contra a mola, liberando a passagem da água. A operação inversa bloqueia a água novamente.

  O fluxo de água pode ser regulado pelo parafuso central da válvula, soltando-se a porca e girando o parafuso no sentido horário ou anti-horário conforme o caso.

  • Imprevisto: Passagem de água para a cuba ou porta copo com a bobina desernegizada.
  • Causas: Anel o’ring danificado ou resíduo no corpo da válvula impedindo que o êmbolo vede a passagem da água ou mola danificada.
  • Soluções: Substituir anel o’ring ou desmontar e limpar válvula ou substituir mola.

 

  • Imprevisto: Válvula Solenóide não abre.
  • Causas: Bobina da Válvula queimada ou fios da bobina desconectados ou parafuso de regulagem do fluxo está totalmente fechado.
  • Solução: Substitua a bobina ou conecte os fios ou solte a porca na parte superior da bobina, e com auxílio de uma chave de fenda regule o parafuso.

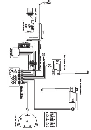
Diagrama de ligação:

  Caixa de ligação:

  Membrana da unidade:

Refletores Odontológicos Mz:

  Os Refletores Odontológicos MZ são construídos em aço tubular, com acabamento totalmente liso, pintura de alto brilho à base de epóxi e tratado superficialmente contra corrosão. Os cabeçotes são de alumínio fundido, com acabamento liso e cantos arredondados. Os pegadores podem ser laterais ou central com manopla autoclavável, dependendo do modelo, espelhos multifacetados com tratamento Multicoating que gera inúmeras fontes de luz branca e fria, não provocando sombras causadas pela interposição das mãos do profissional.

  Sistema elétrico de 12 Volts e 55 Watts. Intensidade de luz de 20.000 lux para as famílias Perfect e Compact e até 25.000 lux para as famílias Winner e Máximus, estas com potenciômetro para regulagem da intensidade de luz.

  Descrição Técnica:

  • Luminosidade: 20.000 lux (Compact e Perfect) Até 25. 000 lux (Winner e Máximus);
  • Tensão entrada: 127 / 220 Volts – 50 / 60 Hz;
  • Tensão de saída: 12 Volts;
  • Potência: 55 Watts;
  • Lâmpada: Halógena H3 12V / 55W;
  • Corrente: 4,5 A;
  • Distância de uso recomendada entre cabeçote e campo operatório: 70 à 80 cm.

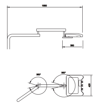
Dimensões dos refletores:

Diagrama de ligação:

Operação e manutenção:

  Como regular o braço:

  • Remova a capa superior fig.(1), com o auxílio de uma chave de 7/16” gire o parafuso fig.(2) no sentido horário ou anti-horário para aumentar ou diminuir a pressão da mola. Após regulado, recoloque a capa superior.

  Substituição da lâmpada: REFLETOR WINNER / COMPACT / PERFECT MÁXIMUS.

  • Desligue seu aparelho da tomada no momento de substituir a lâmpada, espere esfriar.
  • Em seguida remova o protetor e o defletor ( 1 ), solte o parafuso ( 2 ) e remova a tampa traseira ( 3 ).
  • Desconecte os fios ( 4 ) e gire levemente a lâmpada, em seguida .

 Atenção:

  Nunca toque o bulbo da lâmpada com os dedos. Faça-o com um lenço de papel ou flanela.

  Como montar o cabeçote no braço:

  1. Passe os fios (1) que levam tensão para lâmpada, inclusive o fio com conector do potenciômetro (2), quando se tratar de Refletor Winner ou Máximus, pelo furo da articulação dianteira (3).
  2. Posicione a chaveta (4) de maneira que o centro da mesma fique na direção do parafuso allen (5).
  3. Encaixe o cabeçote (6) na articulação, tomando os devidos cuidados para que a chaveta não caia e nem saia da posição.
  4. Fixe o cabeçote pelo parafuso allen e movimente o mesmo a fim de verificar se o giro está livre, caso contrário, desmonte novamente, limpe o canal e o furo da articulação onde se encaixa o cabeçote e repita os passos de 1 à 3.
  1. Conecte os fios do cabeçote conforme mostrado na ilustração.
  2. Conecte os fios da Placa (7) nos fios do refletor (8).
  3. Conecte os fios do cabeçote (9).
  4. Teste o Refletor.
  • Imprevisto: Refletor não liga.
  • Causas: Falta de energia ou Plug desconectado ou fusível queimado ou lâmpada queimada ou fio solto em um dos conectores ou oxidação na base ou no suporte da lâmpada.
  • Soluções: Aguardar reestabelecimento da energia ou conectar plug ou substituir fusível ou substituir lâmpada ou verificar conector ou lixar o local oxidado.

 

  • Imprevisto: Lâmpada oscila.
  • Causas: Mal contato no terminal da lâmpada ou parafuso solto no conector, ou mal contato em algum terminal de conexão.
  • Soluções: Trocar o terminal ou apertar parafuso, ou reapertar conexão.

2 Roteiro de Instalação:

Consultórios WINNER COMPACT PERFECT:

  • Certifique-se de que as instalações hidráulicas, elétricas e pneumáticas estão de acordo com a planta de instalação MZ.
  • Desembale cuidadosamente os equipamentos, de maneira a não riscalos e nem causar danos ao consultório.
  • Posicione a Cadeira no local onde será montada, observando os locais de pega da mesma (figura 1).
  • Conecte a tomada de força (figura 2).
  • Movimente o assento da Cadeira para cima.
  • Monte a coluna do Refletor no suporte da Cadeira (figura 3).
  • Monte a coluna do Equipo no suporte da coluna do Refletor (figura 4).
  • Monte o Equipo na respectiva coluna, fazendo com que as mangueiras e cabos, quando for o caso, passem pelo diâmetro interno da coluna (figura 5).
  • Monte o suporte do reservatório com a tampa no local indicado (figura 6).
  • Abasteça o reservatório com água filtrada e conecte no local (figura 7).
  • Conecte a mangueira de pressurização do reservatório (figura 8).
  • Monte a Unidade Auxiliar encaixando o tubo no eixo do suporte do Refletor (figura 9).
  • Monte o Refletor na coluna, fazendo com que os fios passem pelo diâmetro interno (figura 10).
  • Fixe a caixa de ligação pelos locais indicados (figura 11).
  • Instale o abafador e faça as ligações dos suctores e mangueira do esgoto.
  • Com os disjuntores desligados e registros de água e ar fechados, faça as ligações hidráulicas, elétricas e pneumáticas dos equipamentos na caixa de ligação (figura12)

Planta de instalação :

Planta de instalação ergonômica:

  • Ligue o compressor, assim que a pressão de ar estiver adequada, teste os sugadores, peças de mão e seringa e verifique se há algum vazamento.
  • Certifique-se de que todas as conexões entre mangueiras, tees e niples estejam bem vedadas, caso haja vazamentos, elimine-os.
  • Todas as conexões elétricas deverão estar com suas respectivas tensões identificadas pela fábrica. Caso isso não tenha ocorrido, com o auxílio de um Multímetro, cheque as tensões antes de fazer as conexões.
  • Conecte os terminais elétricos do Refletor e, caso haja, do Fotopolimerizador e Negatoscópio nos locais indicados.
  • Teste o funcionamento do Refletor, Fotopolimerizador e Negatoscópio.
  • Caso o Consultório esteja equipado com Scaler Piezoelétrico e/ou Caneta de Fibra Óptica, conecte os terminais elétricos nos locais indicados.
  • Teste o funcionamento do Piezoelétrico e Caneta de Fibra Óptica.
  • Caso algum destes produtos não esteja funcionando, checar se há energia, se há mal contato nas conexões elétricas, fusíveis, lâmpadas e chave geral se está ligada.
  • Se o problema persistir, cheque a continuidade no sistema elétrico do item que apresentou problema, inclusive entrada e saídas do transformador e identifique o local da não conformidade.
  • Elimine o problema.
  • Após seguir todos os passos acima e ainda não foi possível eliminar o problema, comunique imediatamente a fábrica.
  • Monte o estofamento do assento.
  • Nivele o Equipo e Refletor pelos parafusos indicados (figura 13):
  • Confira todos os itens, acessórios e funcionamento do consultório.
  • Para programar as posições de trabalho (Cadeira Winner e Compact):

a) Posicione a cadeira na altura e inclinação do encosto desejadas para o trabalho;

b) Mantenha pressionado o botão do pedal que indica a posição de trabalho (posição 1 ou posição 2); 

c) Após ouvir o bip, aproximadamente 3 segundos, a cadeira já está programada para aquela posição;

d) Para testar, coloque a cadeira em uma posição aleatoriamente. Em seguida pressione o botão da posição de trabalho previamente programada;

e) A cadeira automaticamente, retorna para a posição programada.

  • Para programar em outra posição, repita estes procedimentos. O sistema de memória das cadeiras estará lendo sempre a última posição programada.
  • Após tudo estar devidamente testado e checado, o profissional dentista deve ser orientado sobre todo o funcionamento do equipamento, os cuidados que devem ser tomados com relação a limpeza, conservação e manuseio. 
  • Mostrar para o profissional dentista o Manual do Proprietário com as indicações pertinentes ao seu equipamento.
  • Orienta-lo sobre a importância de manutenções preventivas.
  • Preencher corretamente o certificado de garantia e remete-lo para a fábrica imediatamente após a instalação do equipamento.
  • Não se esqueça de limpar completamente o consultório, removendo para local apropriado as embalagens e demais itens que serão descartados para lixo.
  • Há locais onde há separação de lixo orgânico, vidros, papéis e demais categorias de despejos. Procure informar-se sobre isso.

Consultórios MÁXIMUS:

  • Certifique-se de que as instalações hidráulicas, elétricas e pneumáticas estão de acordo com a planta de instalação MZ.
  • Desembale cuidadosamente os equipamentos, de maneira a não riscalos e nem causar danos ao consultório.
  • Posicione a Cadeira no local onde será montada, observando os locais de pega da mesma.
  • Lembramos que, para os Consultórios Máximus a Cadeira deverá ser fixada no piso. Caso o profissional dentista não concorde com a fixação da Cadeira, o mesmo deverá, de maneira formal, isentar a empresa e a Assistência Técnica MZ que efetuou a montagem, da responsabilidade sobre qualquer irregularidade quanto à estabilidade do equipamento.
  • Marque as furações de fixação da Cadeira.
  • Faça os furos no piso e coloque as buchas.
  • Fixe a Cadeira no piso (figura 14).
  • Conecte a tomada de força .
  • Movimente o assento da Cadeira para cima.
  • Monte a Unidade Auxiliar, fixando o suporte na estrutura do assento da cadeira (figura 15).
  • Todas as conexões hidráulicas, pneumáticas e elétricas deverão estar na parte inferior da unidade auxiliar e já identificadas pela fábrica.
  • Fixe a coluna menor (Equipo) no suporte de alumínio da Unidade Auxiliar (figura 16).
  • Fixe a coluna maior (Refletor) no suporte de alumínio da Unidade Auxiliar (figura 17).
  • Monte o suporte do reservatório de água com a tampa no local indicado (figura 18).
  • Conecte a mangueira de pressurização do reservatório (figura 19).
  • Abasteça reservatório com água filtrada e conecte no local.
  • Monte o Equipo na coluna menor, fazendo com que as mangueiras e cabos, passem por dentro da coluna (figura 20).
  • Todas as conexões hidráulicas, pneumáticas e elétricas já deverão estar identificadas pela fábrica.
  • Monte o Refletor na coluna maior, fazendo com que os fios passem por dentro da coluna (figura 21).
  • Fixe a caixa de ligação pelos locais indicados (figura 11).
  • Instale o abafador e faça as ligações dos suctores e mangueira do esgoto.
  • Com os disjuntores desligados e registros de água e ar fechados, faça as ligações hidráulicas, elétricas e pneumáticas dos equipamentos na caixa de ligação (figura 12).
  • Faça as ligações de todas as conexões entre Unidade Auxiliar, Equipo e Refletor.
  • Ligue o compressor, assim que a pressão de ar estiver adequada, teste os sugadores, peças de mão e seringa, e verifique se há algum vazamento.
  • Certifique-se de que todas as conexões entre mangueiras, tees e niples estejam bem vedadas, caso haja vazamentos, elimine-os.
  • Todas as conexões elétricas deverão estar com suas respectivas tensões identificadas pela fábrica. Caso isso não tenha ocorrido, com o auxílio de um Multímetro, cheque as tensões antes de fazer as conexões.
  • Teste o Refletor e as variações de intensidade de luz pelo potenciômetro (figura 22).
  • Teste o funcionamento do Fotopolimerizador.
  • Teste o funcionamento do Piezoelétrico.
  • Teste todos os movimentos da Cadeira, inclusive as programações de trabalho, utilizando o pedal de comando.
  • Teste todos os movimentos da Cadeira, inclusive programações de trabalho, acionamento da água da cuspideira e porta copo, através das membranas do Equipo.
  • Teste todos os movimentos da Cadeira, acionamento da água da cuspideira e porta copo, através das membranas da Unidade Auxiliar.
  • Nos casos da Unidade Auxiliar estar equipada com sugadores de alta potência, teste o funcionamento da bomba a vácuo.
  • Caso algum dos itens testados não esteja funcionando, checar se há energia, se há mal contato nas conexões elétricas, fusíveis, lâmpadas e chave geral se está ligada.
  • Se o problema persistir, cheque a continuidade no sistema elétrico do item que apresentou problema, inclusive entrada e saídas do transformador e identifique o local da não conformidade.
  • Elimine o problema.
  • Após seguir todos os passos acima e ainda não foi possível eliminar o problema, comunique imediatamente a fábrica.
  • Monte o estofamento do assento.
  • Nivele o Equipo e Refletor pelos parafusos indicados (figura 23).
  • Confira todos os itens, acessórios e funcionamento do consultório.
  • Para programar as posições de trabalho:

a. Posicione a cadeira na altura e inclinação do encosto desejadas para o trabalho;

b. Mantenha pressionado o botão do pedal ou da membrana do Equipo que indica a posição de trabalho (posição 1 ou posição 2);

c. Após ouvir o bip, aproximadamente 3 segundos, a cadeira já está programada para aquela posição;

d. Para testar, coloque a cadeira em uma posição aleatoriamente. Em seguida, pressione o botão da posição de trabalho previamente programado;

e. A cadeira automaticamente, retorna para a posição programada.

  • Para programar em outra posição, repita os procedimentos acima.
  • Posições de cuspir:

a. Posicione a cadeira na altura do assento e inclinação do encosto desejada para o trabalho;

b. Pressione o botão da posição 3 do pedal ou da membrana do Equipo;

c. O Refletor irá se apagar, a água da cuba é acionada e o encosto se posiciona em uma posição já pré-programada para cuspir;

d. Pressionando o botão 3 novamente, o encosto volta para a posição inicial, a luz do Refletor se acende e a água da cuba é interrompida automaticamente.

  • O sistema de memória das cadeiras estará lendo sempre a última posição programada.
  • Após tudo estar devidamente testado e checado, o profissional dentista deve ser orientado sobre todo o funcionamento do equipamento, os cuidados que devem ser tomados com relação a limpeza, conservação e manuseio.
  • Mostrar para o profissional dentista o Manual do Proprietário com as orientações pertinentes ao seu equipamento.
  • Orientá-lo sobre a importância de manutenções preventivas.
  • Preencher corretamente o certificado de garantia e remetê-lo para a fábrica imediatamente após a instalação do equipamento.
  • Não se esqueça de limpar completamente o consultório, removendo para local apropriado as embalagens e demais itens que serão descartados para lixo.
  • Há locais onde há separaçaõ de lixo orgânico, vidros, papéis e demais categorias de despejos. Procure informa-se sobre isso.

  Observação: Os valores da Tabela acima são orientativos e podem variar de acordo com recomendações dos fabricantes (tanto de equipamento como das peças de mão).

Simbologia:

Prováveis imprevistos que possam ocorrer e como resolvê-los:

  • Imprevisto: Peça de mão pingando água sem acionar o pedal.
  • Causas: Anel o’ring da válvula pneumática dupla danificado ou sujeira retida no anel ou mola da válvula pneumática danificada.
  • Soluções: Substituir anel o’ring ou desmontar e limpar a válvula ou substituir mola.

 

  • Imprevisto: Após tirar o pé do pedal, continua um jato de água no spray da alta rotação por alguns segundos.
  • Causa: Válvula Pneumática Dupla com deficiência na pressão de ar que forma o spray (spray desregulado).
  • Solução:Com o auxílio de uma chave de fenda, gire a agulha de regulagem da válvula pneumática dupla no sentido anti-horário até atingir o spray desejado.

 

  • Imprevisto: Alta rotação apresenta um spray deficiente (pouca água).
  • Causa: Excesso de ar no spray.
  • Solução: Com o auxílio de uma chave de fenda, gire a agulha de regulagem da válvula pneumática no sentido horário até atingir o spray desejado.

 

  • Imprevisto: Peça de mão funcionando, sem acionar o pedal.
  • Causas: Anel de vedação da válvula do pedal danificado ou mola da válvula do pedal danificada ou sujeira na sede da válvula do pedal.
  • Soluções: Substituir anel de vedação ou substituir mola danificada ou abrir válvula e fazer a limpeza.

 

  • Imprevisto: Ao retirar a peça de mão do suporte, a micro válvula não atua.
  • Causa: Êmbolo da micro válvula está travado ou mola da micro válvula danificada.
  • Solução: Solte a micro válvula e libere o êmbolo ou substitua a micro válvula ou substitua a mola.

 

  • Imprevisto: Ao retirar a peça de mão do suporte, a micro válvula II não atua.
  • Causa: Êmbolo da micro válvula II está travado ou mola da micro válvula danificada.
  • Solução: Solte a micro válvula II e libere o êmbolo, ou substitua a micro válvula II ou substitua a mola.
  • Imprevisto: Falta de torque nas peças de mão.
  • Causa: Deficiência na pressão do ar.
  • Solução: Confira a pressão com manômetro especial. Com o auxílio de uma chave de fenda, gire a agulha de regulagem da válvula pneumática no sentido anti-horário até atingir a pressão ideal.

 

  • Imprevisto: Peça de mão com muita vibração durante o funcionamento.
  • Causa: Excesso de pressão de ar.
  • Solução: Confira a pressão com manômetro especial. Com o auxílio de uma chave de fenda, gire a agulha de regulagem da válvula pneumática no sentido horário, até atingir a pressão ideal.

 

  • Imprevisto: Presença de água no ar que aciona as peças de mão.
  • Causa: Diafragma da válvula pneumática dupla furado.
  • Solução: Desmonte a válvula pneumática dupla e substitua o diafragma.

 

  • Imprevisto: Não sai água no terminal da peça de mão.
  • Causa: Diafragma da válvula pneumática dupla não está acionando o êmbolo por estar sem elasticidade.
  • Solução: Desmonte a válvula pneumática dupla e substitua o diafragma.

 

  • Imprevisto: Movimento do braço pneumático mantém-se travado ao acionar a válvula do freio.
  • Causas: Anel o’ring da válvula do freio está danificado ou sujeira retida no bloco do freio.
  • Solução: Substituir anel o’ring ou desmontar freio pneumático e efetuar a limpeza.

Encosto de cabeça cadeira MÁXIMUS WINNER PERFECT:

Encosto de cabeça cadeira PERFECT QUALITY:

Encosto cadeira MÁXIMUS WINNER COMPACT:

Encosto cadeira PERFECT QUALITY:

Base cadeira MÁXIMUS:

Base cadeira WINNER:

Base cadeira COMPACT:

Base cadeira PERFECT:

Base cadeira PERFECT QUALITY:

Assento cadeira MÁXIMUS / WINNER:

Assento cadeira COMPACT:

Assento cadeira PERFECT:

Assento cadeira PERFECT QUALITY:

Encosto cadeira PERFECT: