Exercícios-Leitura e Interpretação de Desenho Técnico Mecânico

Leitura e Interpretação de Desenho Técnico Mecânico

1 Exercícios-Leitura e Interpretação de Desenho Técnico Mecânico

Complete, à mão livre, as projeções das peças apresentadas e coloque nome em cada uma das vistas.

Complete, à mão livre, as projeções das peças apresentadas e coloque nome em cada uma das vistas.

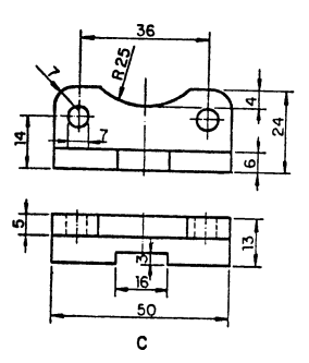
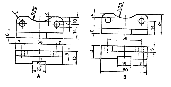
Complete, à mão livre, as projeções das peças apresentadas.

Desenhe, à mão livre, as plantas e as vistas laterais esquerdas das peças apresentadas.

Complete, à mão livre, as plantas e as vistas laterais esquerdas das peças apresentadas.

Desenhe a mão livre as projeções das peças apresentadas.

Identifique e numere as projeções correspondentes a cada peça apresentada em perspectiva.

Identifique e numere as projeções correspondentes a cada peça apresentada em perspectiva.

Identifique as vistas de frente, de cima e as laterais esquerda e direita nas projeções apresentadas.

Identifique as vistas de frente, de cima e as laterais esquerda e direita nas projeções apresentadas.

Coloque em baixo de cada vista, as iniciais correspondentes:

VF - Vista de Frente

VS - Vista Superior

VLE - Vista Lateral Esquerda

VLD - Vista Lateral Direita

Desenhe, à mão livre, a terceira vista das projeções apresentadas.

Procure nos desenhos abaixo as vistas que se relacionam entre si, (Elevação e Planta) e coloque os números correspondentes como no exemplo nº 1.

Procure nos desenhos abaixo as vistas que se relacionam entre si, (Elevação e Planta) e coloque os números correspondentes como no exemplo nº 1.

Complete as projeções abaixo desenhando a vista lateral direita.

Escreva, junto às cotas dos desenhos abaixo, as tolerâncias ISO-ABNT de acordo com os tipos de ajuste indicados.

Em qual dos três desenhos a colocação das cotas está de acordo com as normas?