Leitura e Interpretação de Desenho Técnico Mecânico

Leitura e Interpretação de Desenho Técnico Mecânico

1 Identificação de vistas

Uma peça que estamos observando ou mesmo imaginando, pode ser desenhada (representada) num plano. A essa representação gráfica se dá o nome de “Projeção”.
O plano é denominado “plano de projeção” e a representação da peça recebe, nele, o nome de projeção. Podemos obter as projeções através de observações feitas em posições determinadas. Podemos então ter várias “vistas” da peça.
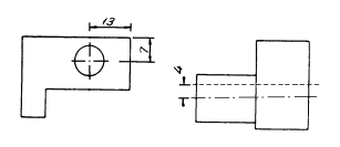
Tomemos por exemplo uma caixa de fósforos. Para representar a caixa vista de frente, consideramos um plano vertical e vamos representar nele esta vista. A vista de frente é, por isso, também denominada projeção vertical e/ou elevação.
Reparemos, na figura abaixo, as projeções verticais ou elevações das peças. Elas são as vistas de frente das peças para o observador na posição indicada.
Voltemos ao exemplo da caixa de fósforos. O observador quer representar a caixa, olhando-a por cima. Então usará um plano, que denominaremos de plano horizontal, e a projeção que representa esta “vista de cima” será denominada projeção horizontal vista de cima ou planta.
A figura abaixo representa a projeção horizontal, vista de cima ou planta das peças, para o observador na posição indicada.
O observador poderá representar a caixa, olhando-a de lado. Teremos uma vista lateral, e a projeção representará uma vista lateral que pode ser da direita ou da esquerda.
Reparemos que uma peça pode ter, pelo que foi esclarecido, até seus vistas; entretanto, uma peça que estamos vendo ou imaginando, deve ser representada por um número de vistas que nos dê a ideia completa de peça, um número de vistas essenciais para representá-la a fim de que possamos entender qual é a forma e quais as dimensões da peça. Estas vistas são chamadas de “vistas principais”.
Ao selecionar a posição da peça da qual se vai fazer a projeção, escolhe-se para a vertical, aquela vista que mais caracteriza ou individualiza a peça; por isso, é comum também chamar a projeção vertical (elevação) de vista principal.
As três vistas, elevação, planta e vista lateral esquerda, dispostas em posições normalizadas pela ABNT nos dão as suas projeções. A vista de frente (elevação) e a vista de cima (planta) alinham-se verticalmente.
A vista de frente (elevação) e a vista de lado (vista lateral esquerda) alinham-se horizontalmente.
Finalmente, temos a caixa de fósforos desenhada em três projeções.
Por esse processo podemos desenhar qualquer peça.
Na vista lateral esquerda das projeções das peças abaixo, existem linhas tracejadas. Elas representam as arestas não visíveis.
Nas projeções abaixo, aparecem linhas de centro.
Nas projeções abaixo, foram empregados eixos de simetria.
As projeções desenhadas anteriores apresentaram a vista lateral esquerda, representando o que se vê olhando a peça pelo lado esquerdo, apesar de sua projeção estar à direita da elevação.
Nos casos em que o maior número de detalhes estiver colocado no lado direito da peça, usa-se a vista lateral direita, projetando-a à esquerda da elevação, conforme exemplos abaixo:
Os desenhos abaixo mostram as projeções de várias peças com utilização de apenas uma vista lateral. De acordo com os detalhes a serem mostrados, foram utilizadas as laterais esquerda ou direita.
Em certos casos, porém, há necessidade de se usar duas laterais para melhor esclarecimento de detalhes importantes. Quando isso acontece, as linhas tracejadas desnecessárias podem ser omitidas, como nos exemplos abaixo.

2 Supressão de vistas

Quando representamos uma peça pelas suas projeções, usamos as vistas que melhor identificam suas formas e dimensões. Podemos usar três ou mais vistas, como também podemos usar duas vistas e, em alguns casos, até uma única vista.

Nos exemplos abaixo estão representadas peças com duas vistas. Continuará havendo uma vista principal - vista de frente - sendo escolhida como segunda vista aquela que melhor complete a representação da peça.
Nos exemplos abaixo estão representadas peças por uma única vista. Neste tipo de projeção é indispensável o uso de símbolos.

3 Identificação e Leitura de Cotas, Símbolos e Materiais

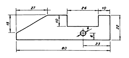
Para execução de uma peça, torna-se necessário que se coloque no desenho, além das projeções que nos dão ideia da forma da peça, também as suas medidas e outras informações complementares. A isto chamamos Dimensionamento ou Cotagem.
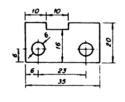
A Cotagem dos desenhos tem por objetivos principais determinar o tamanho e localizar exatamente os detalhes da peça. Por exemplo, para execução da peça ao lado necessitamos saber as suas dimensões e a exata localização do furo.
Para a Cotagem de um desenho são necessários três elementos:
Linhas de Cota
Linhas de Extensão
Valor Numérico da Cota
Como vemos na figura acima, as Linhas de Cota são de espessura fina, traço contínuo, limitadas por setas nas extremidades. As linhas de extensão são de espessura fina, traço contínuo, não devem tocar o contorno do desenho da peça e prolongam-se um pouco além da última linha de cota que abrangem.
• o número que exprime o valor numérico da cota pode ser escrito:
• acima da linha de cota, equidistante dos extremos;
• em intervalo aberto pela interrupção da linha de cota.
No mesmo desenho devemos empregar apenas uma destas duas modalidades. O valor numérico colocado acima da linha de cota é mais fácil e evita a possibilidade de erros.

Regras de Cotagem

Em desenho técnico, normalmente, a unidade de medida é o milímetro, sendo dispensada a colocação do símbolo junto ao valor numérico da cota.
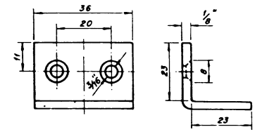
Se houver o emprego de outra unidade, coloca-se o respectivo símbolo ao lado do valor numérico, conforme figura ao lado.
As cotas devem ser colocadas de modo que o desenho seja lido da esquerda para a direita e de baixo para cima paralelamente à dimensão cotada.
Cada cota deve ser indicada na vista que mais claramente representar a forma do elemento cotado. Deve-se evitar a repetição de cotas.
As cotas podem ser colocadas dentro ou fora dos elementos que representam, atendendo aos melhores requisitos de clareza e facilidade de execução.
Nas transferências de cotas para locais mais convenientes, devemos evitar o cruzamento das linhas de extensão com linhas de cota.
As linhas de extensão são traçadas perpendicularmente à dimensão cotada ou, em caso de necessidade, obliquamente, porém paralelas entre si.
Evite a colocação de cotas inclinadas no espaço hachurado a 30º
Não utilize as linhas de centro e eixos de simetria como linhas de cota. Elas substituem as linhas de extensão.
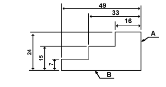
Cotagem por meio de faces de referência (Fase A e B)
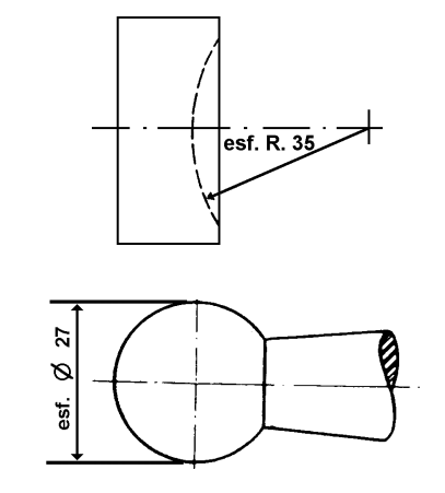
Cotagem de elementos esféricos

4 Cotagem de Detalhes

As linhas de cota de raios de arcos levam setas apenas na extremidade que toca o arco.
Conforme o espaço disponível no desenho, os ângulos podem ser cotados assim:
A Cotagem de Chanfros se faz como indicam as figuras abaixo. Quando o chanfro for de 45º, podemos simplificar a cotagem usando um dos sistemas apresentados na figura abaixo.
A Cotagem de Círculos se faz indicando o valor de seu diâmetro por meio dos recursos apresentados nas figuras abaixo, que são adotados conforme o espaço disponível no desenho.
Para cotar em espaços reduzidos, colocamos as cotas como nas figuras abaixo:

5 Símbolos e Convenções

A ABNT (Associação Brasileira de Normas Técnicas), em suas Normas NB-8 e NB-13, recomenda a utilização dos símbolos abaixo, que devem ser colocados sempre antes dos valores numéricos das cotas.
Estas duas linhas finas cruzadas indicam que se trata de superfície plana.
Quando, nas vista cotada, for evidente que se trata de diâmetro ou quadrado, os respectivos símbolos podem ser dispensados. Exemplos:

Símbolos em Materiais Perfilados

Os símbolos abaixo, devem ser colocados sempre antes da designação da bitola do material.

Convenções para Acabamento de Superfícies

Quando todas as superfícies de uma peça tiverem o mesmo acabamento, o respectivo sinal deve ficar em destaque.
Se, na mesma peça, houver superfícies com graus de acabamento diferentes dos da maioria, os sinais correspondentes serão colocados nas respectivas superfícies e também indicados entre parênteses, ao lado do sinal em destaque.
Exemplo de aplicação dos símbolos e convenções

6 Indicação de estado de superfície

O desenho técnico, além de mostrar as formas e as dimensões das peças, precisa conter outras informações para representá- las fielmente. Uma dessas informações é a indicação dos estados das superfícies das peças.

Acabamento

Acabamento é o grau de rugosidade observado na superfície da peça. As superfícies apresentam-se sob diversos aspectos, a saber: em bruto, desbastadas, alisadas e polidas.
Superfície em bruto é aquela que não é usinada, mas limpa com a eliminação de rebarbas e saliências.
Superfície desbastada é aquela em que os sulcos deixados pela ferramenta são bastante visíveis, ou seja, a rugosidade é facilmente percebida.
Superfície alisada é aquela em que os sulcos deixados pela ferramenta são pouco visíveis, sendo a rugosidade pouco percebida.
Superfície polida é aquela em que os sulcos deixados pela ferramenta são imperceptíveis, sendo a rugosidade detectada somente por meio de aparelhos.
Os graus de acabamento das superfícies são representados pelos símbolos indicativos de rugosidade da superfície, normalizados pela norma NBR 8404 da ABNT, baseada na norma ISO 1302.
Os graus de acabamento são obtidos por diversos processos de trabalho e dependem das modalidades de operações e das características dos materiais adotados.

Rugosidade

Com a evolução tecnológica houve a necessidade de se aprimorarem as indicações dos graus de acabamento de superfícies. Com a criação de aparelhos capazes de medir a rugosidade superficial em µm (micrometro; 1µm = 0,001mm), as indicações dos acabamentos de superfícies passaram a ser representadas por classes de rugosidade.
Rugosidade são erros microgeométricos existentes nas superfícies das peças.
A norma ABNT NBR 8404 normaliza a indicação do estado de superfície em desenho técnico por meio de símbolos.

Símbolos com indicação da característica principal da rugosidade Ra

Símbolos com indicações complementares

Estes símbolos podem ser combinados entre si ou com os símbolos apropriados.

Símbolos para direção das estrias

Quando houver necessidade de definir a direção das estrias, isto é, a direção predominante das irregularidades da superfície, deve ser utilizado um símbolo adicional ao símbolo do estado de superfície.
A tabela seguinte caracteriza as direções das estrias e os símbolos correspondentes.

Símbolos para direção das estrias

A ABNT adota o desvio médio aritmético (Ra) para determinar os valores da rugosidade, que são representados por classes de rugosidade N1 a N12, correspondendo cada classe a valor máximo em µm, como se observa na tabela seguinte.

Tabela - Característica da rugosidade Ra

Exemplos de aplicação

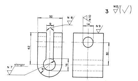
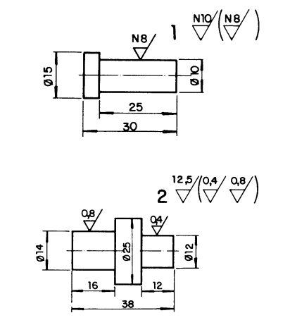
Interpretação do exemplo a

1 é o número da peça.

Interpretação do exemplo b

2 é o número da peça.
N6 corresponde a um desvio aritmético máximo de 0,8µm (0,0008mm) e N9 corresponde a um desvio aritmético máximo de 6,3µm (0,0063mm).
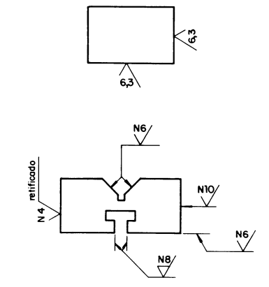
Os símbolos e inscrições devem estar orientados de maneira que possam ser lidos tanto com o desenho na posição normal, como pelo lado direito.
Se necessário, o símbolo pode ser interligado por meio de uma linha de indicação.
O símbolo deve ser indicado uma vez para cada superfície e, se possível, na vista que leva a cota ou representa a superfície.

Qualidade da superfície de acabamento

7 Informações complementares

Interpretação

O símbolo dentro dos parênteses representa, de forma simplificada, todos os símbolos de rugosidade indicados nas projeções.

Disposição das indicações do estado de superfície no símbolo

8 Tolerância

Tolerância é o valor da variação permitida na dimensão de uma peça. Em termos práticos é a diferença tolerada entre as dimensões máxima e mínima de uma dimensão nominal.

A tolerância é aplicada na execução de peças em série e possibilita a intercambiabilidade delas.

Conceitos na aplicação de medidas com tolerância

Medida nominal: é a medida representada no desenho.

Medida com tolerância: é a medida com afastamento para mais ou para menos da medida nominal.

Medida efetiva: é a medida real da peça fabricada.

Dimensão máxima: é a medida máxima permitida.

Dimensão mínima: é a medida mínima permitida.

Afastamento superior: é a diferença entre a dimensão máxima permitida e a medida nominal.

Afastamento inferior: é a diferença entre a dimensão mínima permitida e a medida nominal.

Campo de tolerância: é a diferença entre a medida máxima e a medida mínima permitida.

Indicações de tolerância

Afastamentos, indicados junto das cotas nominais.
Afastamentos gerais, indicados abaixo do desenho.
As tolerâncias podem ser representadas por afastamentos ou pela norma ISO adotada pela ABNT.

Tolerância ISO (International Organization for Standardization)

O sistema de tolerância ISO adotado pela ABNT, conhecido como sistema internacional de tolerância, consiste numa série de princípios, regras e tabelas que permitem a escolha racional de tolerâncias na produção de peças. A unidade de medida para tolerância ISO é o micrômetro (µm = 0,001mm).
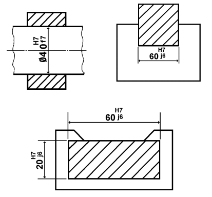
A tolerância ISO é representada normalmente por uma letra e um numeral colocados à direita da cota. A letra indica a posição do campo de tolerância e o numeral, a qualidade de trabalho.

Campo de tolerância

É o conjunto dos valores compreendidos entre as dimensões máxima e mínima. O sistema ISO prevê 28 campos representados por letras, sendo as maiúsculas para furos e as minúsculas para eixos:

Furos

A, B, C, CD, D, E, EF, F, FG, G, H, J, JS, K, M, N, P, R, S, T, U, V, X, Y, Z, ZA, ZB, ZC

Eixos

a, b, c, cd, d, e, ef, f, fg, g, h, j, js, k, m, n, p, r, s, t, u, v, x, y, z, za, zb, zc

Qualidade de trabalho

A qualidade de trabalho (grau de tolerância e acabamento das peças) varia de acordo com a função que as peças desempenham nos conjuntos.
O sistema ISO estabelece dezoito qualidades de trabalho, que podem ser adaptadas a qualquer tipo de produção mecânica.
Essas qualidades são designadas por IT 01, IT 0, IT 1, IT 2... IT 1.6 (I - ISO e T = tolerância).

Grupos de dimensões

O sistema de tolerância ISO foi criado para produção de peças intercambiáveis com dimensões compreendidas entre 1 e 500mm. Para simplificar o sistema e facilitar sua utilização, esses valores foram reunidos em treze grupos de dimensões em milímetros.

Grupos de dimensões em milímetros

9 Ajustes

O ajuste é a condição ideal para fixação ou funcionamento entre peças executadas dentro de um limite. São determinados de acordo com a posição do campo de tolerância.

Para não haver diversificação exagerada de tipos de ajustes, a tolerância do furo ou do eixo é padronizada. Geralmente, padroniza-se o furo em H7.

A origem dos termos furo e eixo provém da importância que as peças cilíndricas têm nas construções mecânicas. Na prática, porém, os termos furo e eixo são entendidos como medida interna e medida externa, respectivamente.

Para estabelecer a tolerância, usa-se a tabela a seguir:

Cotagem com indicação de tolerância

Peças em geral.
Peças que serão montadas.
Nos desenhos de conjuntos, onde as peças aparecem montadas, a indicação da tolerância poderá ser feita do seguinte modo:

Símbolos, inscritos e interpretação sobre o desenho

Este é um resumo da norma proposta pela ABNT. As tolerâncias de forma e posição podem ser adicionadas às tolerâncias de dimensões para assegurar melhor função e intercambiabilidade das peças.
As tolerâncias de forma limitam os afastamentos de um dado elemento em relação à sua forma geométrica ideal.
As tolerâncias de posição limitam os afastamentos da posição mútua de dois ou mais elementos por razões funcionais ou para assegurar uma interpretação inequívoca. Geralmente um deles é usado como referência para a indicação das tolerâncias. Se for necessário, pode ser tomada mais de uma referência.
O elemento de referência deve ser suficientemente exato e, quando necessário, indica-se também uma tolerância de forma.
As tolerâncias estão relacionadas à dimensão total dos elementos, a não ser no caso de exceções, indicadas no desenho (por exemplo: 0,02/100 significa que a tolerância de 0,02mm é aplicada numa extensão de 100mm de comprimento, medida em posição conveniente no elemento controlado). Se a indicação ou o triângulo de referência devem ser colocados sobre a linha de cota.
Caso a identificação esteja relacionada como uma superfície ou linha de contorno, a seta de identificação ou o triângulo de referência não devem ser colocados sobre a linha de cota.