Instalação Hidráulica

Manutenção Predial

1 Saneamento ambiental

Conceito, Importância, Objetivos e Campos de Ação

Conjunto de ações socioeconômicas que têm por objetivo alcançar níveis crescentes de saúde pública, por meio do abastecimento de água potável, coleta e disposição sanitária dos resíduos líquidos, sólidos e gasosos, promoção de disciplina sanitária do uso e ocupação do solo, drenagem urbana, controle de vetores e reservatórios de doenças transmissíveis e demais serviços e obras especializados, tudo com a finalidade de proteger e melhorar as condições de vida, tanto nos centros urbanos, quanto nas comunidades rurais e propriedades rurais mais carentes.
É, portanto, o conjunto de atividades institucionais formadas por: abastecimento de água, esgotamento sanitário, drenagem urbana, resíduos sólidos e controle de vetores. Até algum tempo atrás, era chamado de Saneamento Básico e compunha-se apenas das duas primeiras atividades.
Dessas atividades, é incumbência do SAMAE, por Lei, o desempenho dos serviços de abastecimento de água e esgotamento sanitário, assim decompostos:
• Abastecimento de água – os serviços de abastecimento de água potável abrangem as atividades, com respectivas infra-estruturas e instalações operacionais, de: captação, adução de água bruta, tratamento de água, adução, reservação e distribuição de água tratada.
• Esgotamento sanitário – os serviços de esgotamento sanitário abrangem as atividades, com respectivas infra-estruturas e instalações operacionais, de: coleta, afastamento, transporte, tratamento e disposição final de esgotos sanitários.

2 A água na natureza e o ciclo hidrológico

A Água na Natureza

A água é o constituinte inorgânico mais abundante na matéria viva: no homem, mais de 60% do seu peso é constituído por água, e, em certos animais aquáticos, essa percentagem sobe para 98%. A água é fundamental para a manutenção da vida, razão pela qual é importante saber como ela se distribui no planeta e como ela circula de um meio para outro.
A água abrange quase 4 /5 da superfície terrestre; desse total, 97% referem-se aos mares e os 3% restantes às águas doces. Dentre as águas doces, 2,7% são formadas por geleiras, vapor de água e lençóis existentes em grandes profundidades (mais de 800m), não sendo economicamente viável seu aproveitamento para o consumo humano.
Em consequência, constata-se que somente 0,3% do volume total de água do planeta pode ser aproveitado para nosso consumo, sendo 0,01% encontrada em fontes de superfície (rios e lagos) e o restante, ou seja, 0,29%, em fontes subterrâneas (poços ou nascentes).
A água subterrânea vem sendo acumulada no subsolo há séculos e somente uma fração desprezível é acrescentada anualmente através de chuvas ou retirada pelo homem. Em compensação, a água dos rios é renovada cerca de 31 vezes, anualmente.

O Ciclo Hidrológico

Também conhecido como “O Ciclo da Água”, é o contínuo movimento da água em nosso planeta. É a representação do comportamento da água no globo terrestre, incluindo: ocorrência, transformação, movimentação e relações com a vida humana. É um verdadeiro retrato dos vários caminhos da água em interação com os demais recursos naturais.
Na figura seguinte, apresentamos o ciclo hidrológico de forma simplificada. Nele, distinguem-se os seguintes mecanismos de transferência da água:
• precipitação: compreende toda a água que cai da atmosfera na superfície da Terra, nas formas de chuva, neve, granizo e orvalho;
• escoamento superficial: quando a precipitação atinge a superfície ela tem dois caminhos por onde seguir: escoar pela superfície ou infiltrar no solo. O escoamento superficial é responsável pelo deslocamento da água sobre o solo, formando córregos, lagos e rios e, eventualmente, chegando ao mar;
• infiltração: corresponde à porção de água que, ao chegar à superfície, infiltra-se no solo, formando os lençóis d’água;
• evaporação: transferência da água superficial do estado líquido para o gasoso; a evaporação depende da temperatura e da umidade relativa do ar;
• transpiração: as plantas retiram a água do solo pelas raízes; a água é transferida para as folhas e, então, evapora.

Ciclo do Uso da Água

Além do ciclo da água no globo terrestre (ciclo hidrológico), existem ciclos internos, em que a água permanece em sua forma líquida, mas tem suas características alteradas em virtude de sua utilização. Na figura abaixo, mostra-se um exemplo de um ciclo típico do uso da água. Nesse ciclo, a qualidade da água é alterada em cada etapa do seu percurso.

3 Sistema de abastecimento de água

Constitui-se no conjunto de obras, instalações e serviços, destinado a produzir e a distribuir água a uma comunidade, em quantidade e qualidade compatíveis com as necessidades de população, para fins de consumo doméstico, serviços, consumo industrial, entre outros usos. Tecnicamente, podemos descrever um Sistema como sendo formado pelas seguintes etapas: captação, adução de água bruta, tratamento, reservação, distribuição da água tratada, medição/fornecimento ao usuário.

Captação e Adução de Água Bruta

▪ Captação – entende-se por captação, obras de captação, o conjunto de estruturas e dispositivos construídos ou montados junto a um manancial com a finalidade de criar condições para que dali seja retirada água em quantidade capaz de atender ao consumo. Existem duas principais formas: captação de águas subterrâneas e captação de águas superficiais. A primeira se dá através de poços rasos, profundos, tubulares ou escavados. Já as captações superficiais recolhem água de mananciais de superfície como rios, lagos, barragens, sendo que a captação pode ser: direta, por barragem de nível, por canal de regularização, por canal de derivação, por torre de tomada, por poço de derivação e por reservatório de regularização. Em nossa cidade, a maioria da água captada provém de reservatórios de regularização (Barragens do Faxinal e Maestra).

▪ Adução de Água Bruta – antes de definir “adução de água bruta”, cabe definir ”adutoras”, isto é, canalizações dos sistemas de abastecimento de água destinadas a conduzir água entre as diversas unidades do sistema. Então, “adução de água bruta” é o conjunto de canalizações e equipamentos destinados a conduzir água desde o ponto de captação até a unidade de tratamento.

Tratamento de Água

Conjunto de processos físicos e químicos destinados a transformar água bruta, in natura, em água potável, adequando-a ao consumo humano e atendendo aos padrões legais de potabilidade. Em nossa cidade, o SAMAE utiliza, em suas Estações de Tratamento de Água (ETA’s), o tratamento do Tipo Convencional, que é comumente aplicado ao tratamento de águas de captações superficiais, geralmente turvas e/ou coloridas. Este tipo de tratamento é subdividido nas seguintes etapas: coagulação, floculação, decantação, filtração e desinfecção.

Conceitos Básicos

• Água Bruta - é a água in natura retirada de rio, lago, lençol subterrâneo ou outro manancial, possuindo, cada uma, determinada qualidade.

• Água Tratada - é a água que, após a captação, sofre transformações através dos processos de tratamento, vindo a se adequar aos usos a que está prevista.

• Água Potável - é a água adequada ao consumo humano, e que, portanto, pode ser ingerida com segurança pela população. Para isto, deve apresentar características físicas, químicas, biológicas e organolépticas em conformidade com a legislação específica (Padrões de Potabilidade).

Não se deve confundir água potável com água pura ou mesmo com água limpa. Água pura, isto é, sem nenhuma substância dissolvida, só pode ser “fabricada” em laboratório através de processos de destilação. Já na água potável são permitidos, sendo até necessária, a presença de algumas substâncias químicas dissolvidas (sais minerais, por exemplo), só que em concentrações limitadas, obedecendo sempre à legislação. Por sua vez, a água que chamamos de limpa, por sua aparência cristalina, não pode, por si só, ser considerada potável, uma vez que dentro dela podem existir muitos microrganismos, invisíveis a olho nu, que podem causar doenças.

Água para Consumo Humano – Parâmetros

A água pode ser representada através de diversos parâmetros, que traduzem suas principais características físicas, químicas e biológicas. Esses parâmetros são utilizados na definição de distintos Padrões, que fixam diferentes valores para, por exemplo, águas de abastecimento, águas para balneabilidade, águas residuárias, entre outras. No caso de água para o consumo humano, os parâmetros físicos, químicos e biológicos devem seguir um padrão predeterminado chamado de Padrão de Potabilidade, definido pela Portaria 518/2004 do Ministério da Saúde.

Tratamento Convencional da Água

O tratamento de Água denominado de Convencional é normalmente aplicado às águas que possuem partículas finamente divididas em suspensão e partículas coloidais e que necessitam de tratamento químico capaz de propiciar sua deposição, com um baixo período de detenção. O tratamento convencional é subdividido nas seguintes etapas, que se sucedem hidraulicamente:

• Coagulação: processo onde a adição de sulfato de alumínio ou sulfato ferroso, entre outros, através de mistura rápida, provoca a coagulação, formando compostos químicos. Esses compostos, formados através de choques com as partículas de impurezas, são por elas absorvidos e provocam desequilíbrio das cargas elétricas superficiais, o que irá propiciar a posterior união destas partículas na etapa seguinte

• Floculação: os compostos químicos, já misturados anteriormente, vão reagir com a alcalinidade da água formando compostos que tenham a propriedade da adsorção, que é a capacidade de atrair partículas com cargas elétricas contrárias. Essas partículas são chamadas de flocos e têm cargas elétricas superficialmente positivas, enquanto que as impurezas presentes na água, como as matérias suspensas, as coloidais, alguns sais dissolvidos e bactérias, têm carga elétrica negativa, sendo assim retidas pelos flocos. É aqui, no compartimento da floculação, que se inicia a formação dos flocos, que irão crescendo (em tamanho) à medida que se dirigem para o decantador.

• Decantação: também denominado de sedimentação, é o fenômeno pelo qual os flocos do coagulante, que já agregaram a si as impurezas, começam o processo de sedimentação e consequente clarificação da água. Esse fenômeno ocorre porque os flocos, que são mais pesados do que a água e devido à baixa velocidade da mesma na grande área do decantador, afundam pela ação gravitacional, ficando depositados no fundo do tanque, deixando a água superficial mais clara, ao longo do fluxo, e apta a seguir escoando para a próxima etapa.

• Filtração: a maioria das partículas ficou retida no decantador, porém uma parte persiste em suspensão; e é para remover essa parte que se procede à filtração. Hidraulicamente, faz-se a água traspassar uma camada filtrante, constituída por um leito arenoso, com granulometria predimensionada, sustentada por uma camada de cascalho, de modo que as impurezas, as partículas, a maioria das bactérias, entre outros, fiquem retidos e a água filtrada seja límpida.

• Desinfecção: a filtração bem executada elimina as partículas e quase todas as bactérias; entretanto, as bactérias têm que ser totalmente eliminadas. Para isso, recorre-se à desinfecção, que é feita pela adição de produtos químicos, dos quais o mais usado é o cloro. A cloração, como é chamada, é feita através de dosadores que aplicam cloro à água, desinfectando-a.

Distribuição de Água

Destina-se a conduzir a água tratada, através de tubulações, aos diversos pontos de consumo da comunidade. É formada, basicamente, por malhas hidráulicas compostas por tubulações de adução, subadução, redes distribuidoras e ramais prediais, que juntos disponibilizam a água tratada na entrada do imóvel do consumidor. Em muitos casos, essas malhas possuem também grandes reservatórios de distribuição, estações de bombeamento para regiões mais elevadas, além de outros equipamentos de controle que garantam a continuidade da distribuição.

Medição de Água

A medição da água, quando essa chega ao ponto de consumo, passando por um medidor e ficando, a partir dali, disponível para utilização, leva o nome de micromedição.
A micromedição é a forma de medir e permitir a justa cobrança do consumo de cada ramal, atendendo, assim, à legislação que regulamenta a matéria, bem como consagrando a idéia de que o consumidor deva pagar somente o que realmente consumir. A micromedição é também uma grande aliada para o combate ao desperdício, pois antes dela, ou mesmo onde ela ainda não exista, os consumos individuais médios ficam superiores aos de áreas micromedidas. Seu uso racionaliza a distribuição e evita problemas de falta de água nos pontos de mais difícil abastecimento.
A unidade de medida comumente utilizada para a medição da água potável que chega ao consumidor é o volume, normalmente expresso em m 3 (metros cúbicos) e o instrumento responsável pela micromedição mais comum é o hidrômetro.

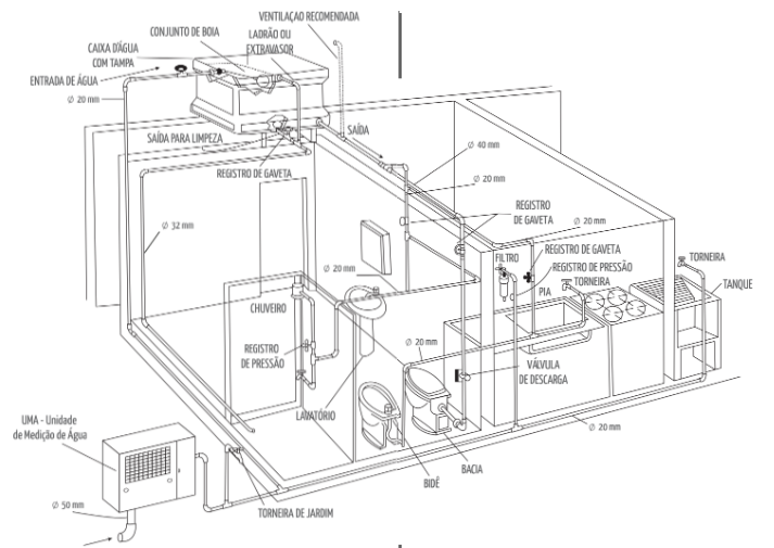
Instalação Predial de Água

Conjunto de canalizações, aparelhos, equipamentos e dispositivos hidráulicos empregados na distribuição de água em um determinado prédio. A instalação aqui definida se inicia no ramal predial e estende-se até os pontos internos de consumo.

4 Sistema de esgotamento sanitário

Constitui-se no conjunto de obras, instalações e serviços, destinados a coletar, tratar e afastar os esgotos (águas usadas) produzidos por uma comunidade, tendo como principal objetivo a disseminação da saúde pública e a conservação do meio ambiente natural. Tecnicamente, podemos descrever um Sistema como sendo formado pelas seguintes etapas: coleta, afastamento, transporte, tratamento e disposição final de esgotos sanitários.

5 Instalações hidráulicas para saneamento

Podem ser assim definidas todas as instalações, de natureza hidráulica, que se destinam a produzir, armazenar, conduzir, distribuir e registrar as águas dos Sistemas de Abastecimento levadas até os consumidores, bem como de coletar, afastar e tratar as águas que já serviram aos consumidores e que voltam ao Ciclo de Uso em forma de esgotos.

Na prática, as instalações hidráulicas para saneamento são as unidades de tratamento de água, as canalizações de água, os reservatórios, as estações elevatórias (bombas de recalque), os ramais prediais de água, até o cavalete com o hidrômetro. São também as canalizações coletoras de esgoto sanitário, as canalizações de drenagem pluvial e as unidades que compõem os processos de tratamento do esgoto.

Com base nas necessidades de executarem-se serviços de instalações, consertos e manutenções destas “instalações hidráulicas”, o SAMAE criou o cargo de Instalador Hidráulico.

Orientações Técnicas Gerais

Neste subitem serão descritos procedimentos e atividades de infra-estrutura, destinados a dar suporte às instalações hidráulicas, que serão destacadas posteriormente.

• Vala: é a abertura feita no solo, por processo mecânico ou manual, com determinada seção transversal, destinada a receber tubulações. Devem ser considerados os seguintes aspectos:

- Escavação: consiste na remoção do solo, desde a superfície natural do terreno até a cota especificada no projeto; sob pavimentação, deve-se prever a demolição da via de circulação, com pré-cortes das bordas da vala, para evitar a destruição das partes vizinhas. Nesta situação, a largura é ligeiramente superior à da vala. A abertura da vala é geralmente realizada com a ajuda de uma retroescavadeira, cujas características devem ser adaptadas ao diâmetro do tubo, ao meio e à profundidade do assentamento;

- Largura: a largura da vala é em função do diâmetro nominal da tubulação, da natureza do terreno, da profundidade de assentamento, do método de escoramento e da compactação. No momento da execução, é necessário: estabilizar as paredes da vala, seja por talude, seja por escoramento; eliminar os vazios do declive para evitar as quedas de blocos de terra ou de pedra; e acomodar o material retirado, deixando um corredor de 0,80m de largura;

- Profundidade: é a diferença de nível entre o fundo da vala e a superfície do terreno. Salvo indicação contrária, a profundidade mínima da vala é aquela que resulta em uma altura de recobrimento não inferior a 0,80m, a partir da geratriz superior do tubo;

- Fundo da Vala: é a parte inferior da vala, sobre a qual a tubulação é apoiada diretamente ou através de um berço adequado. O fundo da vala deve ser nivelado conforme o perfil ao longo da canalização e livre de todo o material rochoso ou de entulho; deve ser assegurado que o apoio do tubo sobre o solo seja regularmente distribuído em todo o seu comprimento; o conduto deve ficar bem apoiado no fundo da vala; para tanto, deve ser feito um rebaixamento para alojamento da bolsa ou encunhamento do conduto, de forma a evitar que a tubulação fique apoiada nas bolsas.

- Escoramento: é toda a estrutura destinada a manter estáveis os taludes e as paredes das valas escavadas. O escoramento deve ser realizado nos casos previstos pela regulamentação em vigor ou, de uma maneira geral, quando a natureza do terreno exige. O escoramento da parede das valas depende de numerosos fatores: tipo da vala, profundidade, características do solo, intervalo de tempo durante o qual a vala ficará aberta, presença de carga importante nas imediações, segurança dos operadores e dos equipamentos de construção, etc. As técnicas de escoramento mais usadas são: painéis em madeira feitos com elementos pré-fabricados, escoramento com caixas de madeira ou metálicas e escoramento por estacas. Para evitar sobrecarga no escoramento, o material escavado deve ser colocado a uma distância mínima de 0,80m da borda ou conforme determinado em projeto;

- Esgotamento: é a operação que tem por finalidade a retirada da água da vala, de modo a permitir o desenvolvimento dos trabalhos em seu interior. A abertura da vala deve ser feita do nível mais baixo em direção ao mais alto, de forma a permitir a auto-evacuação da água do fundo da vala. Quando a vala é realizada em um terreno encharcado de água (lençol freático), pode ser necessário retirar as águas da vala por bombeamento (diretamente na vala ou em um ponto ao lado). Quando for indicada a utilização de dispositivos de bombeamento, devem ser previstas as obras necessárias para a drenagem superficial das águas e também o equipamento de esgotamento mais adequado.

- Reaterro: é a recomposição de solo desde o fundo da vala até a superfície do terreno. O reenchimento é obrigatoriamente manual até 0,50m acima da geratriz superior da tubulação, executado em camadas, utilizando-se soquete manual, mecânico ou outro, cumpridas as condições estipuladas em projeto. O reenchimento e adensamento acima de 0,50m da geratriz superior da tubulação podem ser executados por processos mecânicos. Em ruas pavimentadas, no processo de reaterro da vala, devem ser restabelecidas as condições anteriores de compactação da base e sub-base do pavimento, de modo a conferir a mesma capacidade de suporte anterior à abertura da vala. O reaterro com compactação tem a função de envolvimento de sustentação, realizado com o próprio material retirado da vala ou com material importado e de envolvimento de proteção, efetuado com terra peneirada ou com areia; esta cobertura pode assegurar as duas funções: proteção e manutenção. O reaterro superior é geralmente realizado com o próprio material retirado da vala, não compactado (na calçada), ou por materiais selecionados com compactação (sob pavimentação). As alturas de recobrimento mínimas e máximas dependem das características do tubo e das condições de assentamento. Podem ser distinguidas três zonas em uma vala de assentamento: zona de reaterro(1), zona de reaterro controlado(2) e solo natural(3). A zona (1) varia em função da região do assentamento (rural ou urbano) e deve levar em consideração a estabilidade da pavimentação de ruas e estradas. A zona (2) condiciona a estabilidade e a proteção da canalização, sendo que sua execução deve satisfazer as seguintes variáveis: características dos tubos (rígidos, semi-rígidos ou flexíveis); a cargas externas (altura do reaterro e cargas rodantes) e a natureza rochosa e a heterogeneidade dos terrenos. Normalmente, essa zona é constituída por leito de assentamento e envoltória. A envoltória varia segundo a natureza da canalização. Para tubos flexíveis, deve estender-se até 0,10m acima da geratriz superior do tubo, enquanto que, para tubos rígidos e semi-rígidos, poderá ir até a altura do diâmetro horizontal da canalização.

• Assentamento da Tubulação: o fundo da vala constitui a zona de base do tubo. Nos casos onde o solo é relativamente homogêneo, é possível o assentamento direto do tubo sobre o fundo da vala. É conveniente assegurar-se do perfeito apoio do tubo, principalmente nos casos de grandes diâmetros. Quando um fundo de vala não serve para assentamento direto, deve-se executar um leito de brita ou areia, com espessura na ordem de 10cm, como no desenho ao lado.

• Reposição da Pavimentação: há dois tipos de repavimentação: no leito da via pública, geralmente executado em asfalto, paralelepípedo ou concreto e, no passeio público, geralmente executado em concreto, pedras regulares ou irregulares, cerâmicas e outros. A reposição da pavimentação deve objetivar o restabelecimento das condições anteriores à abertura da vala.

• Sinalização: a sinalização compreende a colocação, manutenção e remoção de todos os dispositivos de proteção, segurança e sinalização ao trânsito de veículos e pedestres, diurno e noturno, que deverão atender ao que estabelecem as normas regulamentadoras, dos diferentes órgãos de trânsito, devendo ser instalada antes do início dos serviços e somente removida após a conclusão geral da obra.

Abastecimento de Água – Instalações Hidráulicas

Para um melhor entendimento este item será subdividido em duas partes. Na primeira serão apresentadas instalações hidráulicas pertinentes ao âmbito geral do Sistema de Abastecimento de Água, no caso adutoras, reservatórios, redes distribuidoras, entre outros. Já na segunda parte serão abordadas instalações hidráulicas no âmbito individual, no caso ligações prediais, cavaletes, entre outros. Tal diferenciação se deve ao fato de que apesar de as duas modalidades terem igual importância dentro do Sistema, a primeira tem grande porte e não sofre influência do usuário, ao contrário da segunda, onde a maioria das instalações são de menor gama, mas que dependem fisicamente da vontade do consumidor.

Conceitos

Adução – nos sistemas de abastecimento, é a operação de trazer água desde o ponto de captação até a rede de distribuição.

Adutora – é o conjunto de tubulações, peças especiais e obras de arte, destinados a conduzir água entre as unidades que precedem a rede distribuidora, podendo estar dispostas entre:

- a Captação e a Estação de Tratamento de Água;

- a Captação e o Reservatório de Distribuição;

- a Captação e a Rede de Distribuição;

- a Estação de Tratamento de Água e o Reservatório de Distribuição;

- a Estação de Tratamento de Água e a Rede de Distribuição.

As adutoras não possuem derivações para alimentar distribuidores de rua ou ramais prediais. As adutoras podem ser classificadas de acordo com:

- a natureza da água transportada:

a) adutora de água bruta: transporta a água desde a captação ate a Estação de Tratamento de Água;

b) adutora de água tratada: transporta a água desde a Estação de Tratamento de Água até os Reservatórios de Distribuição, e destes às Redes de Distribuição.

- a energia utilizada para o escoamento da água:

6 Instalações Hidráulicas Para Saneamento Parte 2

a) adutora por gravidade: quando aproveita o desnível natural existente entre o ponto inicial e o final da adução;
b) adutora por recalque: quando utiliza de um meio elevatório introduzido na linha para gerar energia hidráulica, um conjunto motor-bomba e seus acessórios;
c) adutora mista: quando se utiliza, para o escoamento, parte por recalque, e parte por gravidade.
- o modo de escoamento:
a) adutora em conduto livre: mantém a superfície sob o efeito da pressão atmosférica. A água ocupa apenas parte da seção de escoamento e não funcionam a seção plena. Os condutos podem ser abertos (canais) ou fechados;
b) adutora em conduto forçado: a água ocupa a seção do conduto por inteiro, mantendo a pressão interna superior à pressão atmosférica. Permite à água movimentar-se, quer em sentido descendente por gravidade, quer em sentido ascendente por recalque, graças à existência de uma carga hidráulica.
Subadutora – é a canalização e seus acessórios que partem da adutora, em forma de derivação, para levar água a outros pontos fixos do sistema, mantendo as mesmas características da adutora principal. Suas classificações são idênticas às da adutora.
Reservação – é feita pelos reservatórios e tem por finalidades: atender às variações de consumo ao longo do dia; promover a continuidade do abastecimento no caso de paralisação da produção de água; manter pressões adequadas nas redes de distribuição e até garantir uma reserva estratégica em casos de incêndio.
Reservatório de Distribuição – é a instalação hidráulica construída nos sistemas de abastecimento de água, que tem por finalidade reservar água, disponibilizando-a à rede distribuidora nos picos do consumo. São, normalmente, construídos nos seguintes tipos de materiais: concreto armado, aço, fibra de vidro, alvenaria, argamassa armada, entre outros. A capacidade de reservação deve levar em conta o volume consumido no dia de maior consumo, devendo, conforme recomendações usuais, ser igual ou superior a 1 /3 daquele volume. Para evitar contaminação, os reservatórios devem, em sua construção, ter previsto: estrutura adequada, tubo de ventilação, impermeabilização, cobertura, sistema de drenagem, abertura para limpeza, registro de descarga, ladrão e indicador de nível. A limpeza e a desinfecção devem ser realizadas rotineiramente.
Os reservatórios podem ser classificados em dois principais tipos:
- de acordo com sua localização:
a) Reservatório de Montante: situado no início da rede de distribuição, sendo sempre o fornecedor de água para a rede;
b) Reservatório de Jusante: situado no extremo ou em pontos estratégicos do sistema, podendo receber ou fornecer água da rede de distribuição.
- de acordo com sua forma construtiva:
a) Reservatório Elevado: construído acima do nível do solo, sobre colunas, sempre que há necessidade de aumentar a pressão em conseqüência de condições topográficas;
b) Reservatórios Apoiados, Enterrados e Semi-enterrados: aqueles construídos com o fundo em contato com o terreno.
Estação Elevatória – também chamada de estação de bombeamento, é o conjunto de instalações hidráulicas, mecânicas e elétricas destinadas a transportar e elevar a água. Os principais elementos que a compõem são a bomba (normalmente centrífuga), o motor elétrico, as tubulações de sucção e recalque, dispositivos auxiliares e órgãos acessórios. Estações elevatórias são utilizadas, principalmente, para: captar água de mananciais de superfície ou poços rasos e profundos; aumentar a pressão nas redes, levando a água a pontos mais elevados ou mais distantes ou ambos; aumentar a vazão de adução ou distribuição.
Rede de Distribuição de Água – é constituída por um conjunto de tubulações, conexões, válvulas e peças especiais destinados a distribuir a água de forma contínua, a todos os usuários do sistema. Essas tubulações caracterizam-se pelas numerosas derivações que possuem (pontos de consumo) e por sua disposição “em rede”, derivando daí o seu nome. Quanto ao tipo, as redes de distribuição são classificadas em:
- rede ramificada – consiste em uma tubulação principal, da qual partem tubulações secundárias. Tem como fator inconveniente o de ser alimentada por um só ponto.
- rede malhada sem anel – neste tipo, da tubulação principal partem tubulações secundárias que se intercomunicam, evitando extremidades mortas.
- rede malhada com anel – consiste de tubulações mais grossas que formam “anéis”, que circundam determinada área a ser abastecida e alimentam redes secundárias. As redes em “anéis” permitem a alimentação de um mesmo ponto por diversas vias, reduzindo as perdas de carga.

Tipos de Materiais Utilizados

Neste subitem serão apresentados os tipos de materiais das tubulações que são mais utilizados na implantação de adutoras, subadutoras e redes distribuidoras. No caso das adutoras e subadutoras será feita uma distinção em “alta”, “média” e “baixa” pressões, sendo consideradas “altas” as pressões acima de 10kg/cm2 . Alguns materiais podem atender a mais de uma das classes de pressão e, nesses casos, serão descritos apenas na de maior pressão.

a) Para adutoras e subadutoras de “alta” pressão

Os tipos mais empregados de materiais das tubulações e de seus acessórios são: Ferro Fundido Dúctil (FºFº); Aço Carbono; Polietileno de Alta Densidade (PEAD); Plástico Reforçado com Fibra de Vidro (PVC+PRFV), sendo que, no SAMAE, o mais empregado é o primeiro dos citados.
• Ferro Fundido Dúctil (FºFº) - é obtido da fundição de compostos de minerais de ferro (no caso a ferrita e a perlita), silício, com a adição de grafita, que é carbono puro. A forma com que se apresenta a grafita determina o “tipo do Ferro Fundido”. No caso, recebe o nome de ferro dúctil aquele em que a grafita se apresenta em forma esferoidal. Os tubos são obtidos após a fundição, por centrifugação dos elementos que o formam. Já as conexões são produzidas pela injeção do material fundido em moldes específicos. As tubulações deste material têm como características: resistência a impactos, resistência à corrosão, resistência a altas pressões internas, resistência à fração e à fadiga. Internamente, são revestidos com argamassa de cimento, que também é aplicada por centrifugação. São especificados por seu diâmetro nominal (DN) e usados, normalmente, em diâmetros superiores a 150mm.
• Aço Carbono - as tubulações e os acessórios são fabricados com chapas de aço carbono, que vão sendo moldadas com curvaturas espiraladas, formando cilindros ocos. Durante este processo, ou após o mesmo, são executadas soldagens internas e externas, formando o tubo. Para os acessórios, são previamente cortadas as chapas ainda planas, com a configuração da peça a fabricar e, posteriormente, estes moldes são curvados ou dobrados para, a seguir, serem soldados e formar o acessório projetado. São revestidos interna e externamente com pinturas especiais em Epóxi, tinta de alcatrão de hulha, entre outros. Suas principais características são: resistência a impactos, resistência à tração e à fadiga, resistência a altas pressões internas (bastando variar a espessura da chapa), boa flexibilidade e leveza (comparandose com outros materiais rígidos). São especificados por seu diâmetro nominal (DN) e, normalmente, são utilizados em diâmetros superiores a 300mm.
• Polietileno de Alta Densidade (PEAD) - as tubulações e os acessórios são fabricados por processos de extrusão do polietileno de alta densidade, que é um termoplástico oriundo de processos petroquímicos. São, normalmente, fabricados em bobinas e assim fornecidos para pequenos diâmetros. Têm como principais características: flexibilidade, leveza, resistência a impactos, imunidade à corrosão, baixa rugosidade interna, entre outros. São, normalmente, especificados por seu diâmetro externo (DE). Nas altas pressões são utilizados, normalmente, em diâmetros acima de 150mm.
• Plástico Reforçado com Fibra de Vidro (PVC + PRFV) - são tubulações e acessórios fabricados a partir de tubos de PVC, que servem como estrutura interna. Os mesmos vão sendo revestidos por camadas sucessivas de resina com fios de vidro não contínuos, intercalados com camada de fios de vidro contínuos e mais resina, dando resistência ao tubo à medida que é reforçado. Suas principais características são: baixa rugosidade interna, imunidade à corrosão, resistência mecânica, leveza, entre outros. São especificados por seu diâmetro nominal (DN) e são mais utilizados em diâmetros acima de 150mm.

b) Para adutoras e subadutoras de média e baixa pressões

Os tipos de materiais mais empregados das tubulações e de seus acessórios são: PVC com diâmetro externo de Ferro Fundido (PVC DEFOFO); Polietileno de Alta Densidade (PEAD); Ferro Fundido Dúctil (FºFº); Plástico Reforçado com Fibra de Vidro (PVC + PRFV). No SAMAE, o primeiro dos citados é atualmente o mais empregado e sobre o qual ampliaremos as informações. Para os demais, valem as informações referidas no subitem anterior.

7 Instalações Hidráulicas Para Saneamento Parte 3

• PVC de Diâmetro Externo de Ferro Fundido (PVC DEFOFO) - são tubos fabricados em PVC (cloreto de polivinila), mas que possuem diâmetros externos iguais aos tubos de ferro fundido dúctil, inclusive as conexões são de ferro fundido, permitindo intercambiabilidade e oferecendo uma opção mais barata, nas médias e baixas pressões, em relação ao uso dos tubos de FºFº. Seu processo de fabricação é o mesmo das tubulações normais de PVC e será explicado no próximo bloco. Tem por peculiaridade a cor azul e suas principais características são: maior leveza, baixa rugosidade, imunidade à corrosão, facilidade de manuseio e de manutenção, intercambiabilidade, entre outros. São especificados por seu diâmetro nominal (DN) e os diâmetros mais utilizados são: DN 200, DN 150 e DN 100.

c) Para redes de distribuição

Os tipos mais empregados de materiais das tubulações e de seus acessórios são: Cloreto de Polivinila (PVC) e Polietileno de Alta Densidade (PEAD). A maioria das redes instaladas em nossa cidade é do primeiro deles, que será detalhado a seguir. Já, para o PEAD, valem as informações referidas no subitem “a”, sendo que sua utilização é mais recente e, por isso, ainda em pequenos percentuais das redes nos diâmetros DE 63, DE 75, DE 90 e DE110.
• Cloreto de Polivinila (PVC) - as tubulações são fabricadas por processos de extrusão do cloreto de polivinila, que é uma resina plástica oriunda de processos petroquímicos, enquanto as conexões são obtidas pelo processo de injeção da mesma resina. No entanto, uma vez obtida esta resina não basta simplesmente colocá-la em uma máquina para obter os produtos finais (tubos e conexões). Antes, é preciso adicionar certos ingredientes, a fim de simplificar o procedimento e melhorar o desempenho do produto final. Os principais aditivos acrescentados ao cloreto de polivinila são: os lubrificantes, que, em conjunto com os estabilizantes, têm por função básica eliminar o atrito entre o PVC e a máquina durante o processamento. Esses lubrificantes têm como característica a de migrarem para as partes externas e internas das peças, sendo os responsáveis pelo brilho tão característico das mesmas; os pigmentos que se prestam para dar a coloração aos produtos, permitindo a diferenciação das diversas linhas e para protegê-los contra os ataques dos raios ultravioletas (sol). Temos, entre outros, os seguintes exemplos:
Nas Redes de Distribuição de água, o tipo de PVC mais empregado é o tipo Ponta, Bolsa e Anel (PBA), que é fornecido na cor marrom. Suas principais características são: maior leveza, baixa rugosidade, imunidade à corrosão, facilidade de manuseio e de manutenção, baixo custo de implantação, entre outros. São especificados por seu diâmetro nominal (DN) e os principais diâmetros utilizados são DN 100, DN 75, DN 50.

Tipos de Juntas Utilizadas nas Tubulações

Podemos aqui, para fins de entendimento, definir “junta” como a forma ou o mecanismo de união entre tubulações da mesma espécie ou entre estas e suas conexões acessórias. Neste subitem, serão apresentadas as modalidades de juntas mais empregadas nas montagens e manutenções das tubulações que foram abordadas anteriormente e que são as mais empregadas nos sistemas de abastecimento de água. Lembrando que cada tipo de material é fornecido com um determinado tipo de junta e que a escolha de uma junta que facilite e agilize as montagens é um fator que deve ser levado em consideração quando da escolha do material a ser empregado. Além de serem apresentados os principais tipos de juntas, serão descritas algumas formas de execução, cuidados, materiais necessários à execução, etc. Para isso, serão utilizadas informações, fotos e ilustrações oriundas de catálogos dos principais fabricantes.
• Junta Elástica - são utilizadas em tubos com ponta e bolsa e constituem-se de um anel de borracha de formato especial que fica comprimido, num alojamento próprio, entre a ponta de um tubo e a bolsa do outro, proporcionando a junção dos mesmos de forma vedada. Os materiais que utilizam esse tipo de junta, dentre os mais empregados nas adutoras e redes de abastecimento de água, são: FºFº; Aço Carbono; PVC/PRFV; PVC DEFOFO e PVC/PBA. Os anéis de borracha variam conforme o tipo de tubo e o seu respectivo sulco de alojamento. Os dois tipos mais conhecidos são: o deslizante e o rolante.
As grandes vantagens da utilização desta forma de junta são a rapidez e a facilidade na montagem e a flexibilidade de deflexões propiciada por esta forma de união. A seguir, serão apresentados desenhos e/ou fotos das juntas elásticas das tubulações citadas anteriormente.

Formas de execução, cuidados, materiais necessários à execução de Junta Elástica:

a) Ferro Fundido:
Princípio de Funcionamento: a vedação da junta elástica em tubulações de ferro fundido é obtida, no momento de montagem, pela compressão radial do anel de borracha. Como este tipo de tubulação é rígido e de peso elevado, e por isso de difícil manuseio, deve-se atentar detalhadamente aos procedimentos de montagem, demonstrados a seguir.
Procedimentos de Montagem: a montagem da junta é realizada pela simples introdução da ponta do tubo na bolsa. A instalação dessa junta é simples e rápida, se for seguida corretamente a seqüência apresentada.
Na montagem da junta de flanges, começa-se por fazer os seus furos coincidirem, colocando-se, a seguir, nas devidas posições, a arruela de borracha e os parafusos, nos quais são colocadas as porcas. Por fim, vai-se apertando gradualmente os parafusos, como se faz com uma roda de automóvel, ou seja, apertando um parafuso e, em seguida, o que lhe fica diametralmente oposto, operações que se repetem até o aperto final.
Os tubos e conexões com flanges são empregados, geralmente, em instalações não enterradas e em montagens especiais, dentro de caixas ou câmaras que abriguem válvulas. A precisão de montagem deste tipo de junta, bem como sua possibilidade de desmontagem, torna-a especialmente indicada para alguns tipos de instalações hidráulicas, por exemplo:
• Estações de Bombeamento;
• Reservatórios;
• Câmaras de válvulas;
• Travessias aéreas.
Os flanges têm seus furos, seja na disposição, seja na quantidade, obedecendo ao que chamamos de “gabarito de furação”, que é definido internacionalmente por Normas Técnicas. Os materiais que utilizam este tipo de junta, dentre os mais empregados nas adutoras e redes de abastecimento de água, são: FºFº; Aço Carbono e PVC+PRFV. As grandes vantagens no uso destas juntas, como já mencionamos, são: a facilidade na montagem e desmontagem; a grande precisão nas medidas; a resistência às pressões internas, entre outras.

8 Instalações Hidráulicas Para Saneamento Parte 4

Formas de execução, cuidados e materiais necessários à execução de Junta de Flanges:

a) Ferro Fundido:
A junta com flanges permite facilmente a montagem e a desmontagem de uma canalização (reparação, inspeção, manutenção). Por isso, é importante respeitar a ordem e o torque de aperto dos parafusos e não submeter a tubulação à tração no momento do aperto dos parafusos.
b) Aço Carbono:
As montagens de flanges nas tubulações de Aço Carbono seguem os mesmos padrões do F°F°. Porém, a maioria das junções entre tubos de aço são feitas através de juntas de montagem (também confeccionadas em aço carbono), o que será demonstrado abaixo. As juntas de montagem são elementos de fácil e rápida união para tubos, dispensando flanges, soldas, roscas, etc. Consistem, basicamente, em um cilindro intermediário, dois flanges de aperto com seus parafusos e porcas em aço carbono e dois anéis elásticos de elastômero. Apertando-se as porcas dos parafusos, os flanges de aperto juntam-se, comprimindo, assim, os anéis de vedação nos espaços formados entre o cilindro intermediário, flanges de aperto e na superfície externa da tubulação, proporcionando vedação total e flexibilidade. As juntas de montagem liberam forças originadas pela pressão interna, razão pela qual devem ser instaladas entre pontos fixos.
A seguir, será demonstrada a execução de uma soldagem por termofusão do tipo solda de topo. Os demais processos (solda de soquete e solda de sela) utilizam os mesmos procedimentos e seguem a mesma sequência de operações, guardadas as especificidades de cada uma.

Controle de Soldas:

O controle de soldas de topo baseia-se no rigoroso controle da obediência dos procedimentos determinados e do respeito aos parâmetros de soldagem; Os parâmetros de soldagem são levantados em laboratório e checados através de ensaios de tração e pressão hidrostática, entre outros. Uma vez determinados esses parâmetros, os mesmos devem ser rigorosamente seguidos pelo soldador; No campo, a formação do bulbo de solda é o melhor indicador da qualidade da mesma; Em uma solda bem feita, o bulbo de solda apresenta-se uniforme em largura e altura em toda a periferia do tubo, rolado e sem incidência de bolhas. Abaixo são apresentadas algumas formações de bulbos de solda e sua interpretação.

Principais Acessórios e sua Instalação

Neste subitem serão mostrados os principais acessórios que são instalados para garantir o funcionamento e facilitar a manutenção e a operação das adutoras, subadutoras e redes distribuidoras.

9 Instalações Hidráulicas Para Saneamento Parte 5

Cavaletes Simples

Pelo regulamento do SAMAE, o cavalete é propriedade do usuário e este deve fornecê-lo quando da ligação de água. Atualmente, dentre as Normas Brasileiras, existem três que fixam condições mínimas exigíveis para recebimento e montagem de cavaletes simples, são elas: - NBR 14122/1998; NBR 10925/1989; e NBR 11304/1990, cada uma delas em um tipo de material, respectivamente: - em Galvanizado (tubo de aço/conexões em ferro maleável); - em PVC (tubos e conexões); - em polipropileno (PP). Nossa regulamentação permitirá a utilização de qualquer uma das três opções, desde que as dimensões dos modelos sejam comuns e padronizadas, estes e outros detalhes específicos a serem resguardados, para cada modelo, serão apresentados a seguir.

Cavalete Simples – Modelo Galvanizado

Deve ser construído em tubos de aço galvanizado nas medidas pré-determinadas e atendendo a NBR 5580/2002, e tendo as conexões em ferro maleável galvanizado atendendo a NBR 6943/2002. Os tubetes e porcas para conexão do hidrômetro serão de liga de cobre conforme a NBR 8194//1997. A válvula de bloqueio será do tipo válvula de esfera, em liga de cobre conforme a NBR 14788/2001. O adaptador para ligar o cavalete ao ramal externo será em polipropileno conforme NBR 9798/1997. Apresenta-se, no ANEXO 01 deste material, o desenho com dimensionais e a relação de peças para este modelo de cavalete.

Cavalete Simples – Modelo em PVC

Deve ser construído com tubos de PVC, nas medidas pré-determinadas, e conexões em PVC blindadas, ambos conforme NBR 5648/1999. Os tubetes e porcas para conexão do hidrômetro serão de liga de cobre conforme a NBR 8194/1997. A válvula de bloqueio será do tipo válvula de esfera, em liga de cobre conforme a NBR 14788/2001. O adaptador para ligar o cavalete ao ramal externo será em polipropileno conforme NBR 9798/1997. Apresenta-se, no ANEXO 02 deste material, o desenho com dimensionais e a relação de peças para este modelo de cavalete.

Cavalete Simples – Modelo em Polipropileno (PP)

Deve ser construído com tubos, nas medidas pré-determinadas, e conexões em polipropileno, que atendam à NBR 11304. Os tubetes e porcas para conexão do hidrômetro serão de liga de cobre conforme a NBR 8194/1997. A válvula de bloqueio será do tipo válvula de esfera, em liga de cobre conforme a NBR 14788/2001. O adaptador para ligar o cavalete ao ramal externo será em polipropileno conforme NBR 9798/1997. Apresenta-se, no ANEXO 03 deste material, o desenho com dimensionais e a relação de peças para este modelo de cavalete.

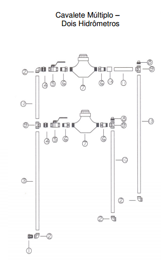
Cavaletes Múltiplos

O Decreto Municipal 11.645/04, que regulamenta os serviços do SAMAE, nada estipula quanto a cavaletes múltiplos, por isto, há uma Normatização Interna baseada no Projeto de Norma ABNT 02:143.56-040, que trata do assunto. Serão permitidos cavaletes múltiplos para sustentar dois, três e até quatro hidrômetros no máximo. Como exemplo, verifica-se no item seguinte o cavalete múltiplo para dois hidrômetros.

Cavalete Múltiplo – Dois Hidrômetros

Deve ser construído com tubos de aço galvanizado, nas medidas pré-determinadas, e atendendo a NBR 5580, e tendo as conexões em ferro maleável galvanizado atendendo a NBR 6943. Os tubetes e porcas para conexão de cada hidrômetro serão de liga de cobre conforme a NBR 8194/1997. As válvulas de bloqueio serão do tipo válvula de esfera, em liga de cobre conforme a NBR 14788/2001. O adaptador para ligar o cavalete ao ramal externo será em polipropileno conforme NBR 9798/1997. Apresenta-se, no ANEXO 04 deste material, o desenho com dimensionais e a relação de peças para este modelo de cavalete.

Importância do Cavalete do Hidrômetro

Os hidrômetros que compõem os cavaletes, sendo aparelhos de bastante precisão e de custo relativamente elevado, necessitam ser utilizados tomando-se as precauções necessárias para uma operação conveniente e prolongada. Defeitos ou falta de cuidados na instalação podem prejudicar a exatidão das indicações e motivar danos altamente prejudiciais ao aparelho.
Por estes motivos, na instalação de hidrômetros, devem-se observar as seguintes recomendações:
• O hidrômetro deve ser instalado na posição horizontal e sem inclinação para os lados, devendo, também, observar a seta indicadora do sentido de fluxo, evitando-se, assim, a instalação do medidor na posição invertida.
• A instalação deve ser em local acessível para possibilitar a leitura e a retirada do aparelho sem dificuldades.

Observações

• Em todos os cavaletes descritos, o hidrômetro será lacrado ao conjunto “porca e tubete” em ambos os lados, quando de sua instalação. Na eventualidade de ter-se que romper um dos lacres para execução de algum serviço no cavalete, após a conclusão de dito serviço, a lacração deve ser refeita.
• Para ligações de água destinadas ao uso industrial, ou comercial de grande porte ou condominial com um único medidor, tanto o hidrômetro como seu cavalete serão dimensionados com base na previsão de consumo ou no número de economias, a serem fornecidos pelo proprietário, nestes casos a caixa de proteção poderá ter suas dimensões alteradas, desde que guardando as mesmas características das regulamentadas.

Regulamentação Interna para Caixas de Proteção

Este item trata das formas permissíveis de construção das caixas de proteção do hidrômetro, que, em alguns casos, também são chamados de “nichos de instalação do hidrômetro”. A construção de tais dispositivos de proteção são de incumbência e responsabilidade do usuário, a existência dos mesmos é exigida na Portaria nº246 do INMETRO, no seu Item 9 - “Condições de Utilização do Hidrômetro”. A seguir, serão apresentados os modelos de caixas de proteção para cavaletes simples e múltiplos, com suas dimensões, que passaram a ser padrão.

Para Cavalete Simples

A caixa de proteção deverá estar embutida ao muro, conforme detalhes e medidas contidas no ANEXO 05, tanto para muros frontais como para muros laterais. Sua confecção poderá ser no mesmo material do muro, ou em outro material, desde que mantenha as mesmas dimensões e características. A caixa deverá ser dotada de portinhola inteiriça ou vazada, com dispositivo para receber cadeado padrão, devendo também permitir que se faça a leitura do hidrômetro sem ter que abrir a portinhola. O cavalete, na parte da tubulação anterior ao hidrômetro, deverá obedecer a um aterramento com profundidade não inferior a 300mm e não superior a 400mm.

Caixa de Proteção Não Embutida

Quando o imóvel não possuir muro, seja frontal ou lateral, para construir a caixa de forma embutida, deverá ser construída caixa, em alvenaria, com o fim específico de abrigar o(s) hidrômetro(s) e seu(s) respectivo(s) cavalete(s). Se o usuário optar em fazer uma caixa múltipla, para também abrigar medidor de energia elétrica, gás e/ou telefone, poderá fazê-lo, desde que as dimensões e características da caixa de proteção do hidrômetro sejam preservadas.

Caixa de Proteção Provisória

Quando a ligação de água destinar-se a prédio em construção, o usuário deverá providenciar a construção de caixa provisória de proteção do cavalete, que poderá ficar em uso até a conclusão da obra, tendo, posteriormente, que ser substituída por um dos modelos aceitos pelo SAMAE. Tal caixa provisória de proteção deverá ser confeccionada em madeira atendendo as dimensões e detalhes construtivos constantes no ANEXO 6, deste material. Esta caixa deverá ser instalada sobre uma das divisas laterais, na confluência desta com a divisa frontal. Mesmo neste caso o cavalete, na parte da tubulação anterior ao hidrômetro, deverá obedecer a um aterramento com profundidade não inferior a 300mm e não superior a 400mm.

Regulamentação Interna para Posicionamento do Cavalete no Imóvel

Este item trata das localizações permissíveis para o hidrômetro, seu cavalete e caixa de proteção, dentro dos limites do terreno, com o objetivo de facilitar ao leiturista o acesso à leitura. Os posicionamentos definidos a seguir deverão valer tanto para ligações definitivas como provisórias, e caberá ao usuário escolher, quando do pedido de ligação, qual a localização de sua preferência, cabendo, também a ele, as providências civis necessárias à instalação.

Posicionamento Frontal ao Imóvel

Quando o imóvel possui, ou irá possuir muro frontal, recomenda-se este tipo de instalação, onde a caixa de proteção do hidrômetro fica paralela ao passeio, sobre o limite do lote e o passeio. A instalação poderá ser feita tanto no lado direito como no esquerdo, desde que junto ao limite lateral do lote. O ANEXO 7 demonstra e detalha a instalação no lado direito, enquanto o ANEXO 8 no lado esquerdo.

Posicionamento Lateral ao Imóvel

Recomendado para instalações que não tenham muro frontal. Nesta opção, a caixa de proteção fica perpendicular ao passeio, instalado sobre o limite do lote e o lote vizinho, sendo que o centro do hidrômetro poderá ficar a uma distância máxima de 400mm (40cm) do limite frontal do lote. A instalação poderá ser feita tanto no lado direito como no esquerdo do lote, desde que obedecidos os detalhamentos apresentados no ANEXO 9, para ligações no lado direito e no ANEXO 10, para ligações no lado esquerdo do imóvel.

Tipos de Junta Utilizadas nas Tubulações

Neste subitem serão apresentadas as modalidades de juntas mais empregadas nas diversas etapas das instalações prediais. Na descrição dos materiais utilizados, vista no item anterior, já foram citadas estas modalidades que agora serão descritas nas suas formas de execução, cuidados, materiais necessários à execução, etc. Para isto serão utilizadas informações, fotos e ilustrações oriundos de catálogos dos principais fabricantes. Lembramos, outra vez, que cada tipo de material é fornecido com um determinado tipo de junta, e que a escolha de uma junta que facilite e agilize as montagens é um fator que deve ser levado em consideração quando na escolha do material a ser empregado.

10 Instalações Hidráulicas Para Saneamento Parte 6

Esgoto Sanitário

Para um melhor entendimento este item será subdividido em duas partes. Na primeira serão apresentadas as instalações hidráulicas no âmbito individual, no caso ligações prediais, caixa de inspeção, entre outros. Já, na segunda parte, serão abordadas as instalações pertinentes ao âmbito geral do Sistema de Esgotamento Sanitário, no caso redes coletoras, interceptores, emissários, etc.

Conceitos

• Instalação Predial de Esgoto: também chamado de “rede coletora interna”, é o conjunto de canalizações, equipamentos e dispositivos instalados pelo proprietário no imóvel, que se estende até à caixa de inspeção externa, situada no passeio público.
• Caixa de Gordura: caixa instalada no terreno do imóvel que retém gorduras das águas servidas evitando o encaminhamento de grandes quantidades das mesmas ao sistema público de esgotamento sanitário, a exemplo dos restaurantes, hotéis, cozinhas residenciais e industriais.
• Caixa de Retenção de Sólidos: caixa instalada no terreno de imóvel com atividades hospitalares, laboratoriais, industriais de pequeno porte, postos de gasolina, açougues, etc., que objetiva reter os sólidos das águas servidas, evitando o encaminhamento de grandes quantidades de matérias graxas ao sistema de esgotamento sanitário.
• Caixa de Inspeção Interna: caixa de inspeção cuja instalação é opcional, instalada pelo proprietário do imóvel na parte interna do mesmo, sendo recomendada para a finalidade de desobstrução do subcoletor.
• Subcoletor: canalização compreendida entre a caixa de gordura, caixa de inspeção interna (opcional) e a caixa de inspeção externa.
• Caixa de Inspeção Externa: caixa situada na calçada da via pública, em frente ao imóvel, que tem por finalidade a inspeção e a desobstrução das canalizações de esgoto. É operada pela empresa de saneamento.
• Coletor Predial de Esgoto: canalização compreendida entre a caixa de inspeção externa, situada no passeio público e a rede coletora pública de esgotamento sanitário

Materiais de Maior Utilização e seus Tipos de Junta

Conceitos

• Rede Coletora de Esgoto: também chamada de “coletor secundário”, é o conjunto de canalizações, que se situam na via pública, e que se destinam a receber os esgotos dos imóveis (casas e outras edificações) oriundos dos coletores prediais, transportando-os aos coletores tronco.
• Coletor Tronco: é a principal tubulação coletora de uma sub-bacia de esgotamento, que recebe apenas a contribuição de esgoto dos coletores secundários, conduzindo esta contribuição a um emissário ou a um interceptor.
• Interceptor: canalização que recebe coletores tronco ao longo de seu comprimento, sendo a responsável pelo transporte dos esgotos gerados na sub-bacia, evitando que os mesmos sejam lançados nos corpos d’água. Normalmente, os interceptores correm nos fundos de vale, margeando cursos de água ou canais. Geralmente, possuem diâmetro maior do que o coletor tronco em função da maior vazão que transportam.
• Emissário: canalização destinada a conduzir os esgotos a um destino conveniente (estação de tratamento e/ou lançamento). Sendo similar ao interceptor, diferencia-se apenas por não receber contribuição ao longo do percurso.
• Poço de Visita (PV): trata-se de câmara de alvenaria e/ou concreto, cujas finalidades principais são: permitir a inspeção da rede, propiciando a desobstrução e limpeza da mesma e possibilitar a “mudança de direção”. Os locais normalmente indicados para sua instalação são: no início da rede, nas junções, em longos trechos de tubulação, nos pontos onde se faça necessária a mudança de direção, onde se tenha que mudar de declividade ou mudar de diâmetro, ou mesmo do tipo de material.
• Estação Elevatória de Esgoto: conjunto de instalações destinadas a transferir, por bombeamento, os esgotos de um nível inferior para um nível mais elevado (superior). Estas instalações se fazem necessárias quando as profundidades das tubulações tornam-se demasiadamente elevadas, quer devido à baixa declividade do terreno, quer devido à necessidade de se transpor uma elevação, ou outra barreira topográfica, tornando-se necessário bombear os esgotos para um nível mais elevado. A partir desse ponto, os esgotos podem voltar a fluir por gravidade.
• Estação de Tratamento de Esgotos (ETE): conjunto de instalações constituído de equipamentos e dispositivos que permitem receber resíduos complexos de esgoto e através de processos físicos, químicos e, principalmente, biológicos, transformá-los em resíduos mais simples e em condições de serem absorvidos pelo meio ambiente. Resumindo, a estação de tratamento depura os esgotos, extraindo deles os poluentes, devolvendo o líquido depurado aos cursos d’água.
• Disposição Final: ao final do tratamento, a parte líquida dos esgotos, já depurada, pode ser lançada (ou devolvida) ao corpo d’água receptor ou, eventualmente, aplicada no solo. As tubulações que transportam estes esgotos já depurados são chamadas de “emissário de efluente”. Os sólidos retirados no processo de tratamento são dispostos em “leitos de secagem” e transformam-se em matéria inerte que pode ser distribuída no solo.

Materiais de Maior Utilização e seus Tipos de Junta

Os materiais comumente utilizados na implantação de redes coletoras, interceptores e emissários de esgoto sanitário são: Cloreto de Polivinila (PVC), Ferro Fundido Dúctil (FºFº), Manilha Cerâmica (de Grês) e Concreto Armado. Até pouco tempo atrás, utilizavam-se, também, tubulações de Fibrocimento, mas que deixaram de ser fabricadas, restando, porém, uma grande quantidade de redes já instaladas neste tipo de material. O SAMAE tem utilizado, nos projetos atuais, apenas PVC, porém as redes implantadas na década de 70 e que somam pouco mais de 4km são de Fibrocimento.

11 Instalações Hidráulicas Para Saneamento Parte 7

Principais Acessórios e sua Utilização

12 Referências bibliográficas

Catálogo da empresa Polierg Indústria e Comércio Ltda.
Catálogo da empresa PVC Brazil Indústria de Tubos e Conexões Ltda.
Catálogo de Válvulas Barbará, 1994.
Catálogo geral da empresa Companhia Metalúrgica Barbará, 1998.
Catálogo Saint Gobain Canalizações.
Catálogos gerais da empresa Tigre S/A – Tubos e Conexões.
DACACH, Nelson Gandur. Sistemas urbanos de água. Rio de Janeiro: Livros Técnicos e Científicos, 1979.
Manual do Instalador de Redes de Esgoto Sanitário. Abes, 1978.
Manual do Instalador de Redes Públicas de Água. Volumes II, III e IV. Abes, 1978.
Manual Técnico - Tupy Conexões – Indústria de Fundição Tupy Ltda.
Manual Técnico da empresa Mercantil e Industrial Aflon Artefatos Plásticos e Metálicos Ltda.
NBR 12266. Projeto e execução de valas para assentamento de tubulação de água, esgoto ou drenagem urbana. Rio de Janeiro: ABNT, 1992.
NETTO, José M. de Azevedo et. al. Técnica de abastecimento e tratamento de água. 2ª ed. São Paulo: CETESB/ASCETESB, 1987.
Ordem de Serviço nº 02/2007, de 30de abril de 2007, Normatização Interna SAMAE (NIS 001).
VON SPERLING, M. Princípios do tratamento biológico de águas residuárias. Volume 1: Introdução à qualidade das águas e ao tratamento de esgotos. 2ª ed. Belo Horizonte: Departamento de Engenharia Sanitária e Ambiental – UFMG, 1996.

13 Anexos