INSTALAÇÕES PREDIAIS DE ÁGUA FRIA

Encanador e Bombeiro Hidráulico

1 CONSIDERAÇÕES GERAIS

Uma instalação predial de água fria (temperatura ambiente) constitui-se no conjunto de tubulações, equipamentos, reservatórios e dispositivos, destinados ao abastecimento dos aparelhos e pontos de utilização de água da edifi cação, em quantidade sufi ciente, mantendo a qualidade da água fornecida pelo sistema de abastecimento. O desenvolvimento do projeto das instalações prediais de água fria deve ser conduzido concomitantemente com os projetos de arquitetura, estrutura, fundações e outros pertinentes ao edifício, de modo que se consiga a mais perfeita compatibilização entre todos os requisitos técnicos e econômicos envolvidos.

A norma que fi xa as exigências e as recomendações relativas a projeto, execução e manutenção da instalação predial de água fria é a NBR 5626, da Associação Brasileira de Normas Técnicas (ABNT). De acordo com a norma, as instalações prediais de água fria devem ser projetadas de modo que, durante a vida útil do edifício que as contém, atendam aos seguintes requisitos:

  • Preservar a potabilidade da água (devem-se tomar todas as providências para garantir a qualidade da água fornecida pela concessionária local).
  • Garantir o fornecimento de água de forma contínua, em quantidade adequada e com pressões e velocidades compatíveis com o perfeito funcionamento de aparelhos sanitários, peças de utilização e demais componentes.
  • Promover economia de água e energia.
  • Possibilitar manutenção fácil e econômica.
  • Evitar níveis de ruído inadequados à ocupação do ambiente.
  • Proporcionar conforto aos usuários, prevendo peças de utilização adequadamente localizadas, de fácil operação, com vazões satisfatórias e atendendo às demais exigências do usuário.

2 PARTES CONSTITUINTES DE UM SISTEMA PREDIAL DE ÁGUA FRIA

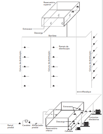
A seguir, são apresentadas, em desenho esquemático, as principais partes constituintes de um sistema predial de água fria: ramal predial, cavalete, alimentador predial, reservatório inferior, conjuntos elevatórios, tubulações de sucção e recalque, reservatório superior, barrilete, colunas e ramais de distribuição.

3 ENTRADA E FORNECIMENTO DE ÁGUA FRIA

Uma instalação predial de água fria pode ser alimentada de duas formas: pela rede pública de abastecimento ou, quando esta não estiver disponível, por um sistema privado.

Quando a instalação for alimentada pela rede pública, a entrada de água no prédio será feita por meio do ramal predial, executado pela concessionária pública responsável pelo abastecimento, que interliga a rede pública de distribuição de água à instalação predial.

Antes de solicitar o fornecimento de água, porém, o projetista deve realizar uma consulta prévia à concessionária, visando obter informações sobre as características da oferta de água no local de execução da obra. É importante obter informações a respeito de eventuais limitações de vazão, do regime de variação de pressões, das características da água, da constância de abastecimento, e outros que julgar relevantes.

4 MEDIÇÃO DE ÁGUA INDIVIDUALIZADA

A medição de água por meio de um único hidrômetro, em edifícios multifamiliares, está sendo gradativamente substituída pela medição de água individualizada que constitui sinônimo de economia de água e justiça social (o consumidor paga efetivamente pelo seu consumo). O sistema consiste na instalação de um hidrômetro no ramal de alimentação de cada unidade habitacional, de modo que seja medido todo o seu consumo, com a fi nalidade de racionalizar o seu uso e fazer a cobrança proporcional ao volume consumido. Atualmente, esse tipo de medição desperta o interesse de muitos arquitetos e projetistas, bem como dos administradores de condomínios e concessionárias (empresas) de abastecimento de água para combater a inadimplência. A medição individual de água em condomínios prediais é importante por várias razões, dentre as quais destacam-se: redução do desperdício de água e, consequentemente, do volume efl uente de esgotos; economia de energia elétrica, em decorrência da redução do volume bombeado para o reservatório superior; redução do índice de inadimplência; além de facilidade para identifi cação de vazamentos de difícil percepção.

Medição individualizada (com reservatório superior)

Medição individualizada (com reservatório inferior e superior).

5 SISTEMA DE DISTRIBUIÇÃO INDIRETO

No sistema indireto, adotam-se reservatórios para minimizar os problemas referentes a intermitência ou a irregularidades no abastecimento de água e a variações de pressões da rede pública. No sistema indireto, consideram-se três situações, descritas a seguir.

Sistema indireto sem bombeamento

Este sistema é adotado quando a pressão na rede pública é suficiente para alimentar o reservatório superior. O reservatório interno da edificação ou do conjunto de edificações alimenta os diversos pontos de consumo por gravidade; portanto, deve estar sempre a uma altura superior a qualquer ponto de consumo.

Obviamente, a maior vantagem desse sistema é que a água do reservatório garante o abastecimento interno, mesmo que o fornecimento da rede pública seja provisoriamente interrompido, o que o torna o sistema mais utilizado em edificações de até três pavimentos (9 m de altura total até o reservatório).

Sistema indireto com bombeamento

Este sistema, normalmente, é utilizado quando a pressão da rede pública não é suficiente para alimentar diretamente o reservatório superior – como, por exemplo, em edificações com mais de três pavimentos (acima de 9 m de altura).

Neste caso, adota-se um reservatório inferior, de onde a água é bombeada até o reservatório elevado, por meio de um sistema de recalque. A alimentação da rede de distribuição predial é feita por gravidade, a partir do reservatório superior.

Sistema indireto hidropneumático

Este sistema de abastecimento requer um equipamento para pressurização da água a partir de um reservatório inferior. Ele é adotado sempre que há necessidade de pressão em determinado ponto da rede, que não pode ser obtida pelo sistema indireto por gravidade ou, quando, por razões técnicas e econômicas, não se constrói um reservatório elevado.

É um sistema que demanda alguns cuidados especiais. Além do custo adicional, exige manutenção periódica. Além disso, caso falte energia elétrica na edificação, ele fica inoperante, necessitando de gerador alternativo para funcionar.

Sistema hidropneumático utilizando reservatório elevado.

Sistema hidropneumático com reservatório superior de emergência

6 SISTEMA DE DISTRIBUIÇÃO MISTO

No sistema de distribuição misto, parte da alimentação da rede de distribuição predial é feita diretamente pela rede pública de abastecimento e parte pelo reservatório superior.

Este sistema é o mais usual e vantajoso que os demais, pois algumas peças podem ser alimentadas diretamente pela rede pública, como torneiras externas, tanques em áreas de serviço ou edícula, situados no pavimento térreo. Neste caso, como a pressão na rede pública quase sempre é maior do que a obtida a partir do reservatório superior, estes pontos de utilização de água terão maior pressão.

7 ALIMENTADOR PREDIAL

É a tubulação compreendida entre o ramal predial e a primeira derivação ou válvula de flutuador do reservatório (inferior ou superior). O alimentador predial pode ser enterrado, ficar aparente ou ser embutido. No caso de ser enterrado, deverá ser afastado de fontes poluidoras e, havendo lençol freático próximo, deverá estar localizado em cota superior a esse lençol.

Alimentador predial (sistema indireto sem bombeamento)

Alimentador predial (sistema indireto com bombeamento)

8 SISTEMA ELEVATÓRIO

Como foi visto, quando a pressão da rede pública não é suficiente para alimentar diretamente o reservatório superior – como em edificações com mais de três pavimentos (acima de 9 m de altura), adota-se um reservatório inferior, de onde a água é bombeada até o reservatório elevado, por meio de um sistema de recalque, ou seja, de bombas.

Existem muitos tipos de bombas, como centrífugas, de êmbolo (pistão), injetoras, ar comprimido, carneiro hidráulico etc. Entretanto, a mais utilizada atualmente nos sistemas prediais é a bomba centrífuga.

O conjunto elevatório é composto por duas bombas centrífugas (sendo uma de reserva); motores elétricos de indução (um para cada bomba); tubulação de sucção e de recalque; registro de gaveta; válvulas de retenção na tubulação de sucção (“válvula de pé”, com crivo) e na tubulação de recalque; comando automático (automático de boia) e quadros elétricos de comando.

A instalação elétrica de bombeamento deverá permitir o funcionamento automático da bomba e, eventualmente, a operação de comando manual direto.

O comando automático é realizado com dispositivos conhecidos por automático de boia ou por controle automático de nível.

Instala-se um automático de boia superior e um inferior, a bomba será comandada pelo automático do reservatório superior. Caso o nível no reservatório inferior atinja uma situação abaixo da qual possa vir a ficar comprometida a aspiração, pela entrada de ar no tubo de aspiração, o automático inferior deverá desligar a bomba, embora ainda não tenha atingido o nível desejado no reservatório superior.

O comando boia pode ficar em uma das câmaras do reservatório superior, com cabo suficiente para ser instalado na outra câmara quando necessário, pois as duas câmaras funcionam como vasos comunicantes, ou seja, o nível da água é o mesmo nas duas câmaras, por isso, o comando pode estar somente em uma delas.

9 VAZÃO DA BOMBA DE RECALQUE

O sistema elevatório deverá ter uma vazão mínima horária igual a 15% do consumo diário, ou seja, o sistema deverá funcionar durante 6,66 horas por dia. Na prática, adota-se o valor de 20%. Então, a bomba funcionaria, no máximo, cinco horas por dia.

A vazão da bomba será:

Q = 0,20 × Cd ou Q = Cd / T

onde:

Cd = consumo diário, em litros;

T = tempo de funcionamento da bomba

A vazão (Q) da bomba pode ser expressa em várias unidades, sendo as mais empregadas:

Litros por Segundos; Metro Cúbico por sergundo

Litros por Hora; Metro Cúbico por hora

Exemplo de um sistema elevatório

10 RESERVATÓRIOS

Enquanto, em alguns países da Europa e nos Estados Unidos, o abastecimento de água é feito diretamente pela rede pública, as edificações brasileiras, normalmente, utilizam um reservatório superior, fazendo com que as instalações hidráulicas funcionem sob baixa pressão. Os reservatórios domiciliares têm sido comumente utilizados para compensar a falta de água na rede pública, em virtude das falhas existentes no sistema de abastecimento e na rede de distribuição.

Em resumo, sabe-se que, em uma instalação predial de água, o abastecimento pelo sistema indireto, com ou sem bombeamento, necessita de reservatórios para garantir sua regularidade e que o reservatório interno alimenta os diversos pontos de consumo por gravidade; dessa maneira, está sempre a uma altura superior a qualquer ponto de consumo.

Os reservatórios devem ser fechados e cobertos de modo a não permitirem a entrada de luz natural ou de elementos que possam poluir ou contaminar as águas. Devem possibilitar fácil acesso ao seu interior para inspeção, limpeza e conservação da qualidade da água.

Os reservatórios deverão ser projetados e executados prevendo a instalação dos seguintes itens:

  • Limitadores de nível de água, com a finalidade de impedir a perda de água por extravasamento;
  • Tubulação de limpeza situada abaixo do nível de água mínimo;
  • Extravasor dimensionado de forma que possibilite a descarga da vazão máxima que alimenta o reservatório;
  • Deve ser previsto um espaço livre acima do nível máximo de água, adequado para a ventilação do reservatório e colocação dos dispositivos hidráulicos e elétricos;
  • Em reservatório inferior (cisterna) deve ser previsto um ramal especial com instalação elevatória para limpeza, sempre que não for possível projetar esse ramal por gravidade;
  • Não havendo possibilidade de utilização de reservatório superior, para garantir o abastecimento contínuo em condições ideais de pressão e vazão, sugere-se a utilização de instalação hidropneumática.

Tipos de reservatório

Nas edificações, podem ser utilizados reservatórios de fabricação em série (fibras, pré-moldados etc.) ou moldados no local. Os reservatórios possuem diversos tamanhos e formatos. Entre os modelos mais populares estão os fabricados em polietileno e polipropileno e é possível encontrar caixas pequenas ou com grandes capacidades.

A escolha do reservatório depende da necessidade de armazenamento da edificação. Outras variáveis, como condições do local de instalação, características de abastecimento da região, manutenção e preço também podem influenciar na escolha.

Reservatórios moldados in loco

São considerados moldados in loco os reservatórios executados na própria obra. Podem ser de concreto armado, alvenaria etc. São utilizados, geralmente, para grandes reservas, e construídos conjuntamente com a estrutura da edificação, seguindo o projeto específico. Podem ser encontrados em dois formatos: o cilíndrico e o de paralelepípedo.

Sempre que possível, devem ser dimensionadas duas células de abastecimento, possibilitando a manutenção, sem interromper o abastecimento de água.

A quantidade de água que o reservatório receberá deve estar de acordo com o projeto do empreendimento, assegurando uma reserva de emergência e de incêndio nas células instaladas dentro do reservatório.

Os reservatórios de concreto devem ser executados de acordo com a NBR 6118 – projeto de estruturas de concreto – procedimento. Alguns cuidados com a impermeabilização também são importantes. Para tanto, deve ser consultada a NBR 9575 – impermeabilização – seleção e projeto.

Para o dimensionamento de reservatórios moldados in loco, utiliza-se a fórmula:

V = A × h

onde:

V = volume = capacidade do reservatório (metro cúbico);

A = área do reservatório (metro quadrado );

h = altura do reservatório (metro).

Reservatórios industrializados

Os reservatórios industrializados são construídos basicamente de polietileno, poliéster reforçado, fibra de vidro, metal etc. Normalmente, são usados para pequenas e médias reservas (capacidade máxima em torno de 1.000 litros a 2.000 litros). Em casos extraordinários, podem ser fabricados sob encomenda para grandes reservas (principalmente os reservatórios de aço).

Esses reservatórios vêm sendo muito utilizados nas instalações prediais, em virtude de algumas vantagens que apresentam em relação aos demais reservatórios: pelo fato de sua superfície interna ser lisa, acumulam menos sujeira que os demais, sendo, portanto, mais higiênicos; são mais leves e têm encaixes mais precisos, além da facilidade de transporte, instalação e manutenção. Outra vantagem desses reservatórios é que são fabricados também para médias e grandes reservas, ocupando muito menos espaço que os convencionais, de menor capacidade.

Na compra de um reservatório industrializado, devem ser verificadas sempre as especificações das normas pertinentes.

As normas da ABNT para caixas d’água plásticas são: NBR 14799 – reservatório poliolefínico para água potável – requisitos; NBR 14800 – reservatório poliolefínico para água potável – instalações em obra.

11 ALTURA DO RESERVATÓRIO

A altura do reservatório é determinante no cálculo das pressões dinâmicas nos pontos de utilização. Dessa maneira, independentemente do tipo de reservatório adotado (industrializado ou moldado in loco), deve-se posicioná-lo a uma determinada altura, para que as peças de utilização tenham um funcionamento perfeito. A altura do barrilete deve ser calculada pelo engenheiro hidráulico e, depois, compatibilizada com a altura estabelecida no projeto arquitetônico. É importante lembrar que a pressão não depende do volume de água contido no reservatório, e sim da altura.

Reservatório sob o telhado (< pressão no chuveiro).

Reservatório sobre o telhado (> pressão no chuveiro).

12 LOCALIZAÇÃO DO RESERVATÓRIO

Além da altura, a localização inadequada do reservatório no projeto arquitetônico também pode interferir na pressão da água nos pontos de utilização. Isso se deve às perdas de carga (veja a Seção Perda de carga nas canalizações) que ocorrem durante o percurso da água na rede de distribuição. Quanto maior a perda de carga em uma canalização, menor a pressão dinâmica nos pontos de utilização.

Dessa maneira, deve-se reduzir o número de conexões, além de encurtar o comprimento das canalizações, sempre que possível, caso se pretenda aumentar a pressão no início das colunas e nos pontos de utilização.

O reservatório deve ser localizado o mais próximo possível dos pontos de consumo, para que não ocorra perda exagerada de cargas nas canalizações, o que acarretaria uma redução da pressão nos pontos de utilização.

Na Figura, observa-se um posicionamento distante do reservatório superior em relação aos pontos de consumo. Levando em consideração os conceitos de perda de carga, quando esse posicionamento é inevitável, por razões arquitetônicas ou estruturais, deve-se posicionar o reservatório a uma determinada altura (Figura a seguir), para compensar essas perdas, para que não ocorra um comprometimento das pressões dinâmicas nos pontos de utilização.

O ideal seria localizá-lo em uma posição equidistante dos pontos de consumo, reduzindo, consequentemente, as perdas de carga e a altura necessária para compensar essas perdas. Cabe ao arquiteto compatibilizar os aspectos técnicos para o posicionamento da caixa-d’água e sua proposta arquitetônica.

O reservatório e seus equipamentos também devem ser localizados de modo adequado em função de suas características funcionais, tais como: espaço, iluminação, ventilação, proteção sanitária, operação e manutenção.

Reservatório distante dos pontos de consumo (< pressão no chuveiro).

Reservatório distante dos pontos de consumo (solução correta).

13 RESERVAÇÃO DE ÁGUA FRIA

De acordo com NBR 5626 – instalação predial de água fria–, a capacidade dos reservatórios deve ser estabelecida levando-se em consideração o padrão de consumo de água no edifício e – onde for possível obter informações – a frequência e duração de interrupções do abastecimento.

Os reservatórios deverão ser dimensionados de forma a garantir o abastecimento contínuo e adequado (vazão e pressão) de toda a edificação. O volume de água reservado para uso doméstico deve ser, no mínimo, o necessário para 24 horas de consumo normal do edifício, sem considerar o volume de água para combate a incêndio.

No caso de residência pequena, recomenda-se que a reserva mínima seja de 500 litros. Para o volume máximo, a norma recomenda que sejam atendidos dois critérios: garantia de potabilidade da água nos reservatórios no período de detenção médio em utilização normal; atendimento à disposição legal ou ao regulamento que estabeleça volume máximo de reservação.

Em alguns casos, tendo em vista a intermitência do abastecimento da rede pública, e na falta de informações, é recomendável dimensionar reservatórios com capacidade suficiente para dois dias de consumo. Essa capacidade é calculada em função da população e da natureza da edificação.

Consumo médio diário nas edificações

O consumo de água pode variar muito, dependendo da disponibilidade de acesso ao abastecimento e de aspectos culturais da população, entre outros. Alguns estudos mostram que, por dia, uma pessoa no Brasil gasta de 50 litros a 200 litros de água. Portanto, com 200 litros por dia utilizados de forma racional, vive-se confortavelmente.

Para calcular o consumo diário de água dentro de uma edificação, é necessária uma boa coleta de informações: pressão e vazão nos pontos de utilização; quantidade e frequência de utilização dos aparelhos; população; condições socioeconômicas e clima, entre outros. O memorial descritivo de arquitetura também deve ser convenientemente estudado, pois algumas atividades básicas e complementares, como piscina e lavanderia, podem influenciar no consumo diário.

Na ausência de critérios e informações, para calcular o consumo diário de uma edificação, utilizam-se tabelas apropriadas: verifica-se a taxa de ocupação de acordo com o tipo de uso do edifício e o consumo per capita. O consumo diário (Cd) pode ser calculado pela seguinte fórmula:

Cd = P × q

onde:

Cd = consumo diário (litros/dia);

P = população que ocupará a edificação;

q = consumo per capita (litros/dia).

Taxa de ocupação de acordo com a natureza do local.

Consumo predial diário (valores indicativos).

14 CAPACIDADE DOS RESERVATÓRIOS

A capacidade calculada (item “Consumo médio diário nas edificações”) refere-se a um dia de consumo. Recomenda-se, entretanto, adotar o consumo de dois dias no mínimo. Então, a quantidade total de água a ser armazenada será:

CR = 2 × Cd

onde:

CR= capacidade total do reservatório (litros);

Cd = consumo diário (litros/dia).

Para os casos comuns de reservatórios domiciliares, recomenda-se a seguinte distribuição, a partir da reservação total (CR):

Reservatório inferior: 60% CR;

Reservatório superior: 40% CR.

Esses valores são fixados para aliviar a carga da estrutura, pois a maior reserva (60%) fica no reservatório inferior, próximo ao solo. A reserva de incêndio, usualmente, é colocada no reservatório superior, que deve ter sua capacidade aumentada para comportar o volume referente a essa reserva

15 REDE DE DISTRIBUIÇÃO

A rede de distribuição de água fria é constituída pelo conjunto de canalizações que interligam os pontos de consumo ao reservatório da edificação.

Para traçar uma rede de distribuição, é sempre aconselhável realizar uma divisão dos pontos de consumo. Dessa forma, os pontos de consumo do banheiro devem ser alimentados por uma canalização, e os pontos de consumo da cozinha e da área de serviço por outra.

Tal fato se justifica por dois motivos: canalização mais econômica e uso não simultâneo. Quanto menor for o número de pontos de consumo de uma canalização, tanto menor será seu diâmetro e, consequentemente, seu custo.

Toda a instalação de água fria deverá ser projetada de modo que as pressões estáticas e dinâmicas se situem dentro dos limites estabelecidos pelas normas, regulamentações, características e necessidades dos equipamentos e materiais das tubulações especificadas em projeto.

Em virtude do fato de as tubulações serem dimensionadas como condutos forçados é necessário que fiquem perfeitamente definidos no projeto hidráulico, para cada trecho da canalização, os quatro parâmetros hidráulicos do escoamento: vazão, velocidade, perda de carga e pressão.

Para a determinação dessas variáveis, utilizam-se as fórmulas básicas da hidráulica, disponibilizadas em ábacos convenientes para facilitar os cálculos.

Parâmetros hidráulicos do escoamento (NBR 5626).

As tubulações suspensas deverão ser fixadas em suportes específicos, posicionados e dimensionados de modo a não permitir a sua deformação física. Devem ser observadas as seguintes condições das tubulações:

  • Dilatação térmica da tubulação: quando sujeita a exposição de raios solares, ou quando embutida em parede de alvenaria sujeita a raios solares de alta intensidade.
  • Resistência mecânica: quando a tubulação for enterrada ou estiver sujeita a cargas externas permanentes ou eventuais que possam danificá-la. Podem ser projetados reforços para garantir a integridade das tubulações.
  • Absorção de deformações: quando as tubulações estiverem posicionadas em juntas estruturais.

A passagem de tubulações por vigas e lajes só poderá ser feita após avaliação do projetista da estrutura. Não será permitida, em hipótese alguma, a passagem de tubulações por pilares.

16 BARRILETE

Barrilete é o conjunto de tubulações que se origina no reservatório e do qual derivam as colunas de distribuição. O barrilete pode ser: concentrado ou ramificado. O tipo concentrado tem a vantagem de abrigar os registros de operação em uma área restrita, facilitando a segurança e o controle do sistema, possibilitando a criação de um local fechado, embora de maiores dimensões. O tipo ramificado é mais econômico, possibilita uma quantidade menor de tubulações junto ao reservatório, os registros são mais espaçados e colocados antes do início das colunas de distribuição.

Barrilete concentrado

Barrilete ramificado

17 COLUNAS, RAMAIS E SUB-RAMAIS

As colunas de distribuição de água fria derivam do barrilete, descem na posição vertical e alimentam os ramais nos pavimentos que, por sua vez, alimentam os sub-ramais das peças de utilização.

Cada coluna deverá conter um registro de gaveta posicionado à montante do primeiro ramal.

Deve-se utilizar coluna exclusiva para válvulas de descarga para evitar interferências com os demais pontos de utilização. Entretanto, em razão da economia, muitos projetistas utilizam a mesma coluna, que abastece a válvula para alimentar as demais peças de utilização. Isso deve ser evitado, principalmente, quando for utilizado aquecedor de água, jamais se deve ligá-lo a ramal servido por coluna que também atenda a ramal com válvula de descarga, pois o golpe de aríete acabará por danificar o aquecedor.

A NBR 5626 recomenda que, nos casos de instalações que contenham válvulas de descarga, a coluna de distribuição deverá ser ventilada. Entretanto, é recomendável a ventilação da coluna independentemente de haver válvula de descarga na rede. A ventilação é importante para evitar o risco de contaminação da instalação em decorrência do fenômeno chamado retrossifonagem. Outra razão para ventilar a coluna de distribuição é que, nas tubulações, sempre ocorrem bolhas de ar, que normalmente acompanham o fluxo de água, causando a redução das vazões das tubulações. Com a ventilação da coluna essas bolhas serão expelidas, melhorando o funcionamento das peças de utilização. Também nas ocorrências de esvaziamento da rede por falta de água, quando, no retorno do abastecimento, o ar fica “preso” na tubulação, dificultando a passagem da água, a ventilação permitirá a expulsão desse ar acumulado.

Colunas de distribuição

18 MATERIAIS UTILIZADOS

Uma escolha adequada dos materiais, dispositivos e peças de utilização é condição básica para o bom funcionamento das instalações, pois, mesmo existindo um bom projeto, na etapa de construção poderá ocorrer uma série de erros que pode comprometer a qualidade da edificação.

O conhecimento de alguns aspectos tecnológicos das instalações prediais, visando à sua adequação aos sistemas construtivos, é de fundamental importância para o projetista

Para a escolha dos materiais, é fundamental a observância da NBR 5626, que fixa as condições exigíveis, a maneira e os critérios pelos quais devem ser projetadas as instalações prediais de água fria, para atender às exigências técnicas de higiene, segurança, economia e conforto dos usuários.

Existem vários componentes empregados nos sistemas prediais de água fria: tubos e conexões, válvulas, registros, hidrômetros, bombas, reservatórios etc. Os materiais mais comumente utilizados nos tubos são: cloreto de polivinila (PVC rígido), aço galvanizado e cobre.

Normalmente, as tubulações destinadas ao transporte de água potável são executadas com tubos de plástico (PVC), imunes à corrosão. Existem vários fabricantes de tubos e conexões de PVC. Para uso em instalações prediais de água fria, a Tigre, por exemplo, produz dois tipos: o PVC rígido soldável marrom, com diâmetros externos que variam de 20 mm a 110 mm, e o PVC rígido rosqueável branco, com diâmetros que vão de 1/2” a 4”.

As principais vantagens dos tubos e conexões de PVC em relação aos outros materiais são: leveza e facilidade de transporte e manuseio; durabilidade ilimitada; resistência à corrosão; facilidade de instalação; baixo custo e menor perda de carga. As principais desvantagens são: baixa resistência ao calor e degradação por exposição prolongada ao sol.

Os tubos metálicos apresentam como vantagens: maior resistência mecânica; menor deformação; resistência a altas temperaturas (não entram em combustão nas temperaturas usuais de incêndio). As desvantagens são: suscetibilidade à corrosão; possibilidade de alteração das características físico-químicas da água pelo processo de corrosão e de outros resíduos; maior transmissão de ruídos ao longo dos tubos e maior perda de pressão.

Os tubos e conexões de ferro galvanizado, geralmente, são utilizados em instalações aparentes e nos sistemas hidráulicos de combate a incêndios. As conexões, principalmente os cotovelos, são muito utilizadas nos pontos de torneira de jardim, pia, tanque etc., por serem mais resistentes.

Os tubos e conexões de cobre são tradicionalmente utilizados nas instalações de água quente, mas também podem ser utilizados nas de água fria. As tubulações de cobre proporcionam menores diâmetros no dimensionamento, entretanto, seu custo é maior que as de PVC.

Qualquer que seja o material escolhido para a instalação, é importante verificar se obedecem a alguns parâmetros fixados pelas normas brasileiras. Portanto, ao comprar tubos e conexões, deve-se verificar se contêm a marcação com o número da norma ABNT correspondente e a marca do fabricante.

A falta de observância das normas, bem como deficiências no material e na mão de obra, aliadas à eventual negligência dos projetistas e construtores, pode comprometer a qualidade da obra e gerar vícios construtivos.

19 DISPOSITIVOS CONTROLADORES DE FLUXO

São dispositivos destinados a controlar, interromper e estabelecer o fornecimento da água nas tubulações e nos aparelhos sanitários. Normalmente, são confeccionados em bronze, ferro fundido, latão e PVC, satisfazendo as especificações das normas vigentes.

Os mais importantes dispositivos controladores de fluxo utilizados nas instalações hidráulicas são: torneiras, misturadores, registros de gaveta (que permitem a abertura ou fechamento de passagem de água por tubulações); registros de pressão (utilizados em pontos em que se necessita de regulagem de vazão, como chuveiros, duchas, torneiras etc.); válvulas de descarga (presentes nas instalações de bacias sanitárias); válvulas de retenção (utilizadas para que a água flua somente em um determinado sentido na tubulação); válvulas de alívio ou redutoras de pressão (que mantêm constante a pressão de saída na tubulação, já reduzida a valores adequados).

Dispositivos controladores de fluxo.

20 INSTALAÇÃO DE REGISTROS

Depois de escolher o modelo de registro adequado ao tipo de tubulação da instalação (soldável ou roscável) o projetista deve estudar o posicionamento e altura de cada registro dentro do compartimento.

A altura padrão do registro de gaveta é de 180 cm em relação ao piso acabado. O seu posicionamento na parede depende do detalhe isométrico de água fria e quente e das interfaces com o leiaute do compartimento.

A colocação de registros de pressão dentro do box deve ser estudada de maneira que os registros do chuveiro possam ser abertos e fechados sem que a pessoa se molhe. Isso é muito importante principalmente no inverno, quando a água fria causa maior desconforto. A altura ideal desses registros deve estar compreendida entre 100 e 110 cm em relação ao piso acabado.

Com relação ao registro de pressão para banheira de hidromassagem, a altura é variável, pois depende das dimensões especificadas pelo fabricante. Além disso, o arquiteto pode posicionar a banheira em um nível mais alto do que o nível do piso do banheiro.

Posições possíveis do registro geral.

21 DESENHOS DAS INSTALAÇÕES

Os desenhos das instalações baseiam-se no projeto arquitetônico; portanto, um projeto bem resolvido, com as peças sanitárias e os equipamentos corretamente definidos e localizados, pontos de água devidamente cotados com a utilização do sistema de eixos longitudinais e transversais, ao longo das paredes e/ou pilares, é condição básica para que se consiga um leiaute adequado para a futura elaboração do projeto de instalações.

Os desenhos dos projetos das instalações devem seguir basicamente as normas brasileiras para desenho técnico, no geral, atendendo também às especificidades de cada projeto: água fria, água quente, incêndio, esgoto e águas pluviais.

Atualmente, existem diversos programas computadorizados no mercado, que auxiliam a elaboração dos projetos de hidráulica e seu desenho, inclusive as perspectivas isométricas.

Alternativas de leiaute de banheiro.

Alternativas de leiaute de banheiro II

Alternativas de leiaute de banheiro III

22 DETALHES ISOMÉTRICOS

Para melhor visualização da rede de distribuição de água fria, desenham-se os compartimentos sanitários em perspectiva isométrica. Os detalhes isométricos, geralmente, são elaborados nas escalas 1:20 ou 1:25. Desenham-se com traços finos os contornos das paredes e marca-se a posição das portas e janelas. As cotas são dispensáveis.

Os aparelhos sanitários são representados por suas convenções em traços de maior espessura, bem como as tubulações, os registros e outros detalhes. A seguir é apresentado um roteiro simplificado para o desenho de isométricos.

a) Traça-se a planta cega do compartimento com esquadro de 60°.

b) Locam-se os eixos dos pontos de consumo de água (lavatório, bacia sanitária, ducha higiênica, chuveiro etc.).

c) Traça-se uma linha pontilhada do eixo das peças até a altura dos pontos de consumo.

d) Traçam-se os ramais internos, unindo os pontos de consumo.

e) Indicam-se, nos ramais e sub-ramais, os diâmetros correspondentes.

23 ALTURA DOS PONTOS

O posicionamento dos pontos de entrada de água e a posição de registros e outros elementos pode variar em função de determinados modelos de aparelhos. Porém, as alturas mais utilizadas para diversos tipos de aparelhos são:

  • BS – bacia sanitária c/ válvula h = 33 cm
  • BCA – bacia sanitária c/ caixa acoplada h = 20 cm
  • DC – ducha higiênica h = 50 cm
  • BI – bidê h = 20 cm
  • BH – banheira de hidromassagem h = 30 cm
  • CH – chuveiro ou ducha h = 220 cm
  • LV – lavatório h = 60 cm
  • MIC – mictório h = 105 cm
  • MLR – máquina de lavar roupa h = 90 cm
  • MLL – máquina de lavar louça h = 60 cm
  • PIA – pia h = 110 cm
  • TQ – tanque h = 115 cm
  • TL – torneira de limpeza h = 60 cm
  • TJ – torneira de jardim h = 60 cm
  • RP – registro de pressão h = 110 cm
  • RG – registro de gaveta h = 180 cm
  • VD – válvula de descarga h = 110 cm

Detalhe isométrico (banheiro)

Detalhe isométrico (cozinha)

Detalhe isométrico (área de serviço).

Detalhe isométrico (barrilete).

24 DIMENSIONAMENTO DAS TUBULAÇÕES DE ÁGUA FRIA

A NBR 5626 fixa as exigências e os critérios para o dimensionamento das canalizações de água fria.

Cada peça de utilização necessita de uma determinada vazão para um perfeito funcionamento. Essas vazões estão relacionadas empiricamente com um número convencionado de peso das peças (ver Tabela 1.4). Esses pesos, por sua vez, têm relação direta com os diâmetros mínimos necessários para o funcionamento das peças.

Tendo em vista a conveniência sob o aspecto econômico, toda a instalação de água fria deve ser dimensionada trecho a trecho. O dimensionamento do barrilete, assim como das colunas, dos ramais de distribuição e dos sub-ramais que alimentam as peças de utilização, deverá ser feito por trechos por meio de tabelas apropriadas.

Em virtude de as tubulações serem dimensionadas como condutos forçados, é necessário que fiquem perfeitamente definidos no projeto hidráulico, para cada trecho da canalização, os quatro parâmetros hidráulicos do escoamento: vazão, velocidade, perda de carga e pressão.

Portanto, para o dimensionamento das canalizações de água fria, é primordial a elaboração de um projeto hidráulico.

Pesos relativos nos pontos de utilização, identificados em função do aparelho sanitário e da peça de utilização (NBR 5626).

Ábaco simplificado (somatórios de 0 a 100).

Normograma de pesos, vazões e diâmetros

Parâmetros hidráulicos do escoamento (NBR 5626).

Exemplo de dimensionamento

Calcular os diâmetros das tubulações de uma instalação de água fria que abastece as seguintes peças de utilização: 1 bacia sanitária com válvula de descarga, 1 ducha higiênica, 1 lavatório (torneira ou misturador, 1 chuveiro elétrico, 1 pia (torneira ou misturador), 1 tanque e 1 torneira de jardim.

Dimensionamento das tubulações.

Peças de utilização

  • 1 Bacia sanitária com válvula
  • 1 Ducha higiênica
  • 1 Lavatório (torneira ou misturador)
  • 1 Chuveiro elétrico
  • 1 Pia (torneira ou misturador) 
  • 1 Tanque (torneira) 
  • 1 Torneira de jardim 

Cada trecho (ramal) terá o peso e seu diâmetro correspondente, em função dos aparelhos que alimentam, conforme mostra na figura a seguir

Dimensionamento dos trechos.

Quanto aos sub-ramais (trechos que alimentam cada peça de utilização separadamente), verifica-se o peso de cada peça e seu diâmetro correspondente.

25 PRESSÕES MÍNIMAS E MÁXIMAS

Nas instalações prediais, consideram-se três tipos de pressão: a estática (pressão nos tubos com a água parada), a dinâmica (pressão com a água em movimento) e a pressão de serviço (pressão máxima que se pode aplicar a um tubo, conexão, válvula ou outro dispositivo, quando em uso normal).

As pressões são medidas em kgf/cm² (quilograma força por centímetro quadrado), entretanto existem outras formas de expressar medidas de pressão; a mais usual nas instalações prediais de água fria é o m.c.a (metro de coluna d’água). Com relação à equivalência entre ambas, 1 kgf/cm² é a pressão exercida por uma coluna d’água de 10 m de altura.

O Brasil adota o Sistema Internacional de Medidas, segundo o qual a unidade de pressão é o Pa (pascal).

26 PRESSÃO ESTÁTICA

Com relação à pressão estática, a norma NBR 5626 diz o seguinte: “Em uma instalação predial de água fria, em qualquer ponto, a pressão estática máxima não deve ultrapassar 40 m.c.a. (metros de coluna d’água).”

Isso significa que a diferença entre a altura do reservatório superior e o ponto mais baixo da instalação predial não deve ser maior que 40 metros.

Uma pressão acima desse valor ocasionará ruído, golpe de aríete e manutenção constante nas instalações. Dessa maneira, devem-se tomar alguns cuidados com edifícios com mais de 40 m de altura, normalmente edifícios com mais de treze pavimentos convencionais (pé-direito de 3 m × 13 = 39 m). Como, então, projetar uma instalação de água fria em um edifício com mais de 40 metros de altura?

A solução mais utilizada pelos arquitetos e projetistas, por ocupar menos espaço, é o uso de válvulas redutoras de pressão. Esses dispositivos regulador.

O valor da pressão estática menos as perdas de cargas distribuídas e localizadas corresponde ao valor da pressão dinâmica.

Pressão estática (sem escoamento).

27 PRESSÃO DINÂMICA

Com relação à pressão dinâmica, de acordo com a NBR 5626, em qualquer ponto da rede predial de distribuição, a pressão da água em regime de escoamento não deve ser inferior a 0,50 m.c.a. Esse valor visa a impedir que o ponto crítico da rede de distribuição, geralmente o ponto de encontro entre o barrilete e a coluna de distribuição, possa obter pressão negativa.

Por outro lado, uma pressão excessiva na peça de utilização tende a aumentar desnecessariamente o consumo de água. Portanto, em condições dinâmicas, os valores das pressões nessas peças devem ser controlados, para resultarem próximos aos mínimos necessários.

Para que as peças de utilização tenham um funcionamento perfeito, a pressão da água nos pontos de utilização (pressão dinâmica) não deve ser inferior a 1 m.c.a., com exceção do ponto da caixa de descarga, onde a pressão pode ser menor, até um mínimo de 0,50 m.c.a. O fabricante deve definir os valores limites da pressão dinâmica para as peças de utilização de sua produção, respeitando sempre as normas específicas.

Pressão dinâmica (com escoamento).

28 PRESSÃO DE SERVIÇO

Com relação à pressão de serviço, a norma NBR 5626 fala o seguinte:

“o fechamento de qualquer peça de utilização não pode provocar sobrepressão em qualquer ponto da instalação que seja maior que 20 m.c.a. acima da pressão estática nesse ponto”.

Isso significa que a pressão de serviço não deve ultrapassar a 60 m.c.a., pois é o resultado da máxima pressão estática (40 m.c.a.) somada à máxima sobrepressão (20 m.c.a.).

Alguns profissionais da construção civil que executam instalações em prédios com grandes alturas utilizam tubos metálicos, pensando que estes são mais resistentes que os tubos de PVC. É importante ressaltar que o conceito de pressão máxima independe do tipo de tubulação, pois a norma não faz distinção quanto ao tipo de material. Dessa forma, a pressão estática máxima de 40 m.c.a. deve ser obedecida em qualquer caso, independente dos materiais dos tubos (PVC, cobre ou ferro) que serão utilizados nas instalações de água fria e quente.

29 DISPOSITIVOS CONTROLADORES DE PRESSÃO

As peças de utilização são projetadas de modo a funcionar com pressões estática ou dinâmica (máximas e mínimas) preestabelecidas pelos fabricantes dos tubos, dispositivos e aparelhos sanitários. Portanto, uma das maiores preocupações nas redes hidráulicas é a pressão nos pontos de utilização.

Atualmente, existem no mercado dispositivos que elevam ou reduzem a pressão da água nas canalizações. Quando falta pressão na rede, o pressurizador é um recurso eficiente; quando a pressão é elevada (acima de 40 m.c.a), utilizam-se válvulas reguladoras de pressão.

PRESSURIZADOR

Um dos problemas mais comuns em todo tipo de edificação é a falta de pressão de água do reservatório (ver item “Altura dos reservatórios”). Para resolvê-lo, geralmente são utilizados pressurizadores para aumentar e manter a pressão nas redes. Além do custo reduzido, esses dispositivos praticamente não exigem manutenção. São encontrados em diversos modelos no mercado e podem ser utilizados: em residências, apartamentos, hotéis, motéis, hospitais, restaurantes etc. Também podem ser utilizados em indústrias, para alimentar máquinas, equipamentos etc., dispensando a construção de torres para caixa-d’água. No meio rural, para o abastecimento de residências, irrigação etc.

Cada modelo apresenta suas vantagens. Antes de escolher o equipamento, no entanto, deve-se consultar os catálogos dos fabricantes e os revendedores autorizados.

Alguns fabricantes mais conscienciosos recomendam alguns cuidados com relação à instalação desses equipamentos, principalmente quanto à localização e à prevenção de ruídos.

O pressurizador deverá estar localizado o mais distante possível de locais onde é necessário silêncio (dormitórios, escritórios, salas de reunião). Para que não haja ruído devido a vibrações, deverá ser evitada a instalação diretamente sobre lajes, principalmente sobre as de grandes dimensões e pequena espessura – quando for colocado sobre lajes, deverá haver base provida de amortecedores.

Pressurizador em residência domiciliar.

VÁLVULAS REDUTORAS DE PRESSÃO

Nos edifícios mais altos, o reservatório de água instalado sobre a cobertura, geralmente sobre a caixa de escada, gera diferentes pressões.

Quanto maior a diferença de cota do ramal em relação ao reservatório, maior a pressão. Isso implica dizer que, nos pavimentos mais baixos, maior será a pressão da água nos pontos de consumo.

Quando a pressão na rede predial for alta demais, particularmente nos edifícios com mais de treze pavimentos (considerando-se um pé-direito de 3 m), com pressão estática acima de 40 m.c.a, utilizam-se válvulas automáticas de redução de pressão, as quais substituem os reservatórios intermediários, que reduzem a pressão da rede hidráulica a valores especificados em projeto. Em geral, os edifícios possuem uma estação central de redutores de pressão, com dois equipamentos de grande porte instalados (de 2” a 3”). A válvula redutora de pressão (VRP) pode ser instalada a meia altura do prédio ou no subsolo.

Para prédios que adotam a medição individualizada de água adota-se a instalação de um redutor de pressão, de menor porte para limitar e regular a entrada de água nos vários pavimentos do edifício, a fim de que cada apartamento receba a água com pressão adequada, normalmente 3 bar. Cada bar de pressão equivale a 1 kgf/cm quadrado ou 10 m.c.a. Além de diminuir a pressão, os redutores otimizam o consumo de água e evitam o desgaste prematuro das instalações hidráulicas.

Embora a norma não faça distinção sobre qual ou quais materiais devem compor as instalações com pressão estática acima de 40 m.c.a, devem-se adotar tubos mais resistentes e tomar cuidados redobrados quanto às emendas e conexões.

Solução com reservatórios intermediários.

Solução com válvulas redutoras de pressão.

30 VELOCIDADE MÁXIMA DA ÁGUA

A NBR 5626 (ABNT) recomenda que as tubulações sejam dimensionadas de modo que a velocidade da água, em qualquer trecho, não ultrapasse valores superiores a 3 m/s. Acima desse valor, ocorre um ruído desagradável na tubulação, devido à vibração das paredes ocasionada pela ação do escoamento da água.

31 RUÍDOS E VIBRAÇÕES EM INSTALAÇÕES PREDIAIS

As instalações de água fria devem ser projetadas e executadas de maneira a atender às necessidades de conforto do usuário, com relação aos níveis de ruído produzidos ou transmitidos pela própria instalação, bem como evitar que as vibrações venham a provocar danos à instalação.

A transmissão do ruído em instalações prediais de água fria é bastante complexa, porém essa ocorrência, assim como de vibrações, está bastante associada a edifícios altos e instalações pressurizadas. A movimentação da água (sob pressão relativamente elevada) nas tubulações, nos aparelhos hidráulicos (válvulas de descarga, conexões, torneiras, torneiras de boia, bombas de recalque, peças de utilização etc.) e em bombas de recalque gera ruído de impacto, que se propaga pela canalização e, daí, pela estrutura e pelas paredes (elementos normalmente solidários), que, por sua vez, irradiam o ruído para as adjacências, incomodando os ocupantes da edificação. Em alguns projetos, os cuidados com relação aos níveis de ruído devem ser redobrados, sendo necessário um tratamento acústico para os locais.

Um fenômeno muito conhecido, que ocorre, principalmente, nos prédios mais antigos e causa ruídos extremamente desagradáveis, é o “golpe de aríete”. Ele acontece quando a água, ao descer com muita velocidade pela canalização, é bruscamente interrompida, ficando os equipamentos e a própria canalização sujeitos a choques violentos.

Para amenizar esse problema, podem ser usados alguns recursos, como válvulas de descarga e registros com fechamento mais suave, limitação da velocidade nas tubulações etc. Principalmente em prédios, é preferível utilizar caixas de descarga, pois além de consumirem menor quantidade de água, não provocam golpe de aríete.

O uso de tecnologias construtivas mais novas pode ajudar em outros casos. O polietileno reticulado (ver “Sistema PEX – Tubos flexíveis de polietileno reticulado”, na Parte 2), por exemplo, por ser menos rígido e permitir que a água passe por trajetos curvos de forma mais suave, tende a diminuir os ruídos. Existem também outras medidas simples, que podem minimizar, ou até mesmo resolver, o problema dos ruídos – projetar as instalações de forma que as prumadas não passem por paredes de ambientes com mais exigência de ocupação, por exemplo.

Para conforto dos moradores com relação aos níveis de ruído provocados pelas instalações, uma distribuição correta dos cômodos também é de fundamental importância. A seguir, são apresentadas algumas recomendações construtivas, que devem ser observadas para evitar ou impedir o aparecimento de ruído nas edificações.

  • Locar as peças de utilização na parede oposta à contígua aos ambientes habitados ou, na impossibilidade disso, utilizar dispositivos antirruído nas instalações.
  • Não utilizar tijolos vazados de cerâmica ou concreto nas paredes que suportem (ou tragam embutidas) tubulações de água de alimentação com ramais para válvula de descarga ou sob pressurização pneumática.
  • Deixar um recobrimento mínimo de 50 mm (tijolo maciço, argamassa, ou tijolo + argamassa) na face voltada para dormitórios, sala de estar, sala íntima, escritórios e home theater.
  • Utilizar vasos sanitários acoplados à caixa de descarga, em vez de válvulas de descarga.

Ruído em canalizações.

Golpe de aríete.

32 PERDA DE CARGA NAS CANALIZAÇÕES

Quando um fluido escoa, existe um movimento relativo entre suas partículas, resultando daí um atrito entre elas. Essa energia é dissipada sob a forma de calor. Assim, a perda de carga em uma canalização pode ser entendida como a diferença entre a energia inicial e a energia final de um líquido, quando ele flui em uma canalização de um ponto ao outro.

As perdas de carga poderão ser: distribuídas (ocasionadas pelo movimento da água na tubulação) ou localizadas (ocasionadas por conexões, válvulas, registros etc.).

Dois fatores são determinantes para que ocorra uma maior ou menor perda de carga: a viscosidade e a turbulência. Portanto, maior comprimento de tubos, maior número de conexões, tubos mais rugosos e menores diâmetros geram maiores atritos e choques e, consequentemente, maiores perdas de carga e menor pressão nas peças de utilização.

É importante lembrar que na prática não existe escoamento em tubulações sem perda de carga. O que deve ser feito é reduzí-la aos níveis aceitáveis para que não ocorra uma diminuição de pressão nas peças de utilização. Os tubos de PVC, por terem paredes mais lisas, oferecem menores perdas de carga.

Tubo liso, tubo rugoso e perda de carga localizada.

33 CÁLCULO DA PERDA DE CARGA E DA PRESSÃO DINÂMICA

Para calcular a pressão dinâmica em qualquer ponto da instalação se faz necessário calcular as perdas de carga do sistema (distribuídas e localizadas).

As perdas distribuídas (ao longo de um tubo) dependem do seu comprimento e diâmetro interno, da rugosidade da sua superfície interna e da sua vazão. De acordo com a NBR 5626, “para calcular o valor da perda de carga nos tubos, recomenda-se utilizar a equação universal, obtendo-se os valores das rugosidades junto aos fabricantes dos tubos”.

Na falta dessas informações podem ser utilizadas as expressões de Fair-Whipple-Hsiao indicadas na figura:

As perdas localizadas (perdas pontuais), ocorridas nas conexões, registros etc. pela elevação da turbulência da água nesses locais são obtidas através da Tabela de Perda de Carga Localizada NBR 5626 que fornece as perdas localizadas, diretamente em “comprimento equivalente de canalização”.

Portanto, a perda de carga total do sistema será a somatória das perdas distribuídas e localizadas.

Para calcular a pressão dinâmica em qualquer ponto da instalação, utiliza-se a seguinte fórmula:

Pd = Pe – hf

Onde

Pd = pressão dinâmica

Pe = pressão estática

hf = perda de carga total

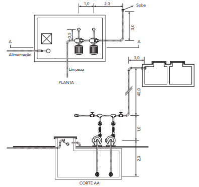
Cálculo da pressão disponível no chuveiro (ducha).

  1. o nível mínimo de água do reservatório está localizado na cota 40,00 m
  2. a perda de carga total entre o reservatório e o chuveiro é de 2,0 m.c.a
  3. a pressão mínima recomendada para o funcionamento do chuveiro elétrico é de 1 m.c.a

Com base nessas informações e na figura 1.46, calcula-se a pressão dinâmica no ponto do chuveiro

Solução:

Pd = Pe – hf

Pd = (40,00 – 35,00) – 2,00

Pd = 5,00 – 2,00 = 3 m.c.a

Conclui-se que a pressão é satisfatória, pois Pd > 1 m.c.a

Observação importante

Quando a pressão no ponto do chuveiro for inferior a 1 m.c.a, o projetista deve adotar algumas medidas, tais como: aumentar a altura do reservatório, diminuir as perdas de cargas ou pressurizar a rede de distribuição.

Ábaco de Fair-Whipple-Hsiao para tubulações de aço galvanizado e ferro fundido.

Ábaco de Fair-Whipple-Hsiao para tubulações de cobre e plástico.

Perdas de carga localizados – sua equivalência em metros de tubulação de PVC rígido.

Planilha de cálculo de instalações prediais de água fria.