Procedimentos básicos da instalação hidráulica

Encanador e Bombeiro Hidráulico

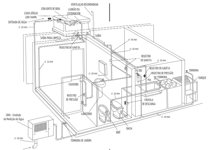
1 Esquema de Instalação Hidráulica

Residencial

A instalação hidráulica é um dos componentes mais importantes para a nosso dia a dia,pois o tempo todo estamos tomando água,usando o chuveiro e ela está ali,transportando água quente ou fria e por isso ela se torna tão importante.

Abaixo você verá alguns procedimentos básicos ,dicas de compras e materiais usados na instalação hidráulica.

 

Na compra de tubos de PVC, para instalação predial de água fria, você deve verificar se constam as seguintes informações:

a marca do fabricante,norma de fabricação dos tubos,o número que identifica o diâmetro do tubo e é aconselhado você usar tubos e conexões do mesmo fabricante.

 

Exemplos de alguma conexões:

Tabela de equivalência (polegada x milímetro)

Os tubos e conexões são comercializados em mm,conforme NBR 5680. (* NBR 5680 é uma norma que padroniza as dimensões de tubos de PVC rígido, pela Associação Brasileira de Normas Técnicas - ABNT).

A tabela de equivalência serve como consulta e facilitará a compra do tubo.

Armazenagem

Para armazenar os tubos e conexões, você deve tomar os seguintes cuidados:
Guardar os tubos sempre na posição horizontal, e as  conexões em sacos ou caixas em locais sombreados, livres da ação direta do sol. 
Livre do contato direto com o solo, produtos químicos ou de esgotos:
 

Materiais e ferramentas para a execução dos serviços de instalação:

Maneira de Instalar

Como você deve executar uma junta soldável:

Verificar se a bolsa e a pontados tubos a serem unidos estão perfeitamente limpas.
Por meio de uma lixa n.o 100,tirar o brilho das superfícies a serem soldadas, com o objetivo de melhorar a aderência
(“colagem”).

Limpar as superfícies lixadas com a solução limpadora, eliminando as impurezas que poderiam impedir a posterior ação do adesivo.

Aplicar com o pincel chato uma camada bem fina de adesivo na parte interna da bolsa, cobrindo apenas um terço da mesma, e outra
camada na parte externa da ponta do tubo.

Juntar as duas peças,forçando o encaixe até o fundo da bolsa, sem torcer.

Remover o excesso de adesivo e deixar secar.

Deixe passar água pela Tubulação somente depois de decorridas 24 horas após a execução da instalação.

Instalando registro ou aparelhos como torneira ou chuveiro

Aplicação da fita veda rosca:

a.Examinar a qualidade da peça e da rosca.
b. Colocar a ponta da fita sobre a superfície da rosca.
c. Cobrir a rosca.
Enrolar camadas suficientes de fita em toda a rosca e não deixar sobras de fita nas extremidades da rosca.

d. Cortar e apertar a fita epuxar a fita até romper (Fig.3)

e. Pressionar os dedos sobre a fita, para que fique bem apertada. (Fig.4).

Como você deve enroscar:

A forma de enroscar é simples, porém muito importante, e quando bem feita evita danos na rosca e vazamentos.

Atenção: A vedação não é obtida com aperto excessivo.

Técnica de Instalação

a. Enroscar com a mão.
b. Encaixar a rosca, girando da esquerda para a direita.
c. Apertar somente com a mão.

Os cuidados na Instalação

Evite a passagem da tubulação pelo piso, porque,no caso de eventual vazamento em junta, torna-se difícil sua localização e se faz necessária a quebra do piso. É aconselhável passar a tubulação pelo muro ou parede.

Eventualmente, se houver a necessidade de se instalara tubulação no piso, observe se ela, na vala, foi envolvida em material sem pedras ou corpos estranhos que possam danificá-la e, principalmente, se a vala foi bem compactada.(socada).

Nunca utilize fogo para curvar ou abrir a bolsa na tubulação, porque isso pode danificar o PVC. Utilizar sempre conexões, tais como curvas, joelhos e luvas.

Quando se conectam registros, torneiras, chuveiros metálicos e outros aparelhos, recomenda-se a utilização de roscas de bucha de latão.

Não cruze e nem encoste a tubulação de água fria com a tubulação de água quente. Evite também que elas sejam instaladas próximas uma das outra ou próximas à chaminés (lareiras).

Recomenda-se sempre a colocação de registros de gavetas em cada ambiente (banheiro, cozinha, área de serviço etc.), para facilitar a manutenção e evitar perda de água no caso de vazamentos em qualquer aparelho.

2 Esquema das Instalações Principais

Observação:Quando o imóvel possuir válvulas de descarga, a tubulação para alimentação de água deve ter diâmetro nominal DN 40 (1.1/2’’)

Tubulação de entrada da caixa dágua e de alimentação

1 - Tubo roscado ou soldável DE 20 (3/4’’)

2 - Curva 90o roscada ou soldável DE 20 (3/4’’)

3 - Registro de gaveta de latão para saneamento DNR 20 (3/4’’)

4 - Flange para caixa d’água com tubo roscado
e extremidade roscada ou soldável para ligação
DE 20 (3/4’’)

5 - Torneira boia para caixa d’água DNR 20 (3/4’’)

6 - Flange para caixa d’água com tubo roscado de extremidade roscada ou soldável para ligação DE 25 (1’’)
7- Tubo roscado ou soldável DE 25 (1’’)
8- Curva de 90o roscada ou soldável DE 25 (1’’)
9- Registro de gaveta de latão para saneamento

10- Tê 90o roscado ou soldável DE 25 (1’’)
 

Os registros de gaveta e a torneira (registro) boia devem ser instalados com tubulações roscadas.

Observação:Quando o imóvel possuir válvulas de descarga,a tubulação para alimentação de água deve ter diâmetro nominal de 40 (1.1/4).

Outros aparelhos utilizados numa instalação hidráulica.

 

Atenção: Modelo meramente ilustrativo em casas térreas.