Automação de sistemas elétricos de potência

Instrumentação e Automação Industrial

1 Introdução dos Sistemas de Potência

Os sistemas de potência são divididos em três zonas funcionais para fins de planejamento, operação e análise: geração, transmissão e distribuição,. Estas zonas podem ser combinadas em níveis hierárquicos.

lustrativa da divisão funcional dos sistemas de potência

Representação Esquemática de Sistemas de Potência

Os símbolos para representação dos componentes elétricos são:

Características dos Sistemas Elétricos de Potência

• Normalmente são trifásicos;

• Apresentam um grande número de componentes;

• Possuem transformadores que particionam o sistema em seções de diferentes níveis de tensão;

Representação do Sistema Elétrico

Os sistemas elétricos podem ser representados graficamente através de:

• Diagramas Unifilares

• Diagramas Multifilares

• Diagrama Equivalente por Fase

Diagrama Unifilar

• Representa os principais componentes por símbolos e suas interconexões com a máxima simplificação e omissão do condutor neutro.

• Representa apenas uma fase do sistema.

• Representam sistemas monofásicos ou trifásicos.

Proteção

Cada elemento de um sistema elétrico deve ser protegido através de um sistema de proteção.

Diagrama Multifilar

  • Os diagramas multifilares podem ser bifásicos ou trifásicos.
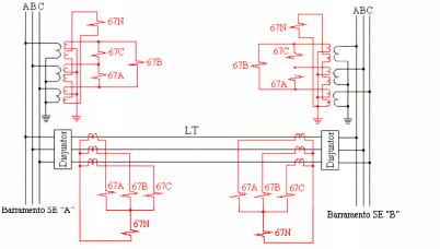
  •  As Figuras a seguir ilustram um diagrama trifilar, representando um circuito de saída de linha e uma linha de transmissão interligando subestações, respectivamente.

Saída de um circuito de uma subestação de sub-trasmissão.

Diagrama trifilar de uma LT interligando subestações com proteção sobrecorrente direcional função 67.

Diagrama Equivalente Por Fase

  • Representa as grandezas normalizadas.
  • Simplifica a análise numérica.
  • Elimina o efeito particionador dos transformadores.
  •  Usado para mostrar os dados de impedância de geradores, linhas, transformadores, capacitores, cabos, etc.

Diagrama unifilar de sistema elétrico de potência.

Diagrama de Impedâncias

As impedâncias são usadas para cálculos de queda de tensão, curto circuito, carregamento de circuitos, etc.

2 Sistemas digitais para automação elétrica

Os sistemas digitais são utilizados para a automação da geração, transmissão e distribuição de energia elétrica. Empregados para: supervisão, comando, controle e proteção.

Classificação quanto a processos:

a - Sistemas de supervisão do sistema de potência.

b - Sistema de automação de subestações.

c - Sistema de automação de usinas.

d - Sistema de automação da distribuição.

Sistemas de supervisão e controle do sistema de potência

Também denominado Sistema de Supervisão e Controle (SSC), ou Despacho de Carga, ou Sistema de Gerenciamento da Energia (EMS: Energy Management System), provê os meios para coordenação da operação e da manutenção do sistema elétrico de uma forma global.

O SSC é composto por vários níveis hierárquicos de ação.

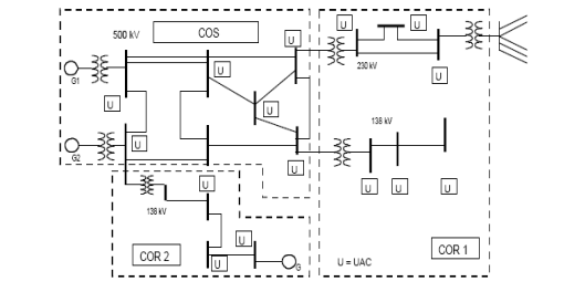
a - UAC- Unidade de Aquisição de Dados e Controle.

b - COR- Centro de Operação Regional

c - COS- Centro de Operação do Sistema

SSC - Sistema de supervisão e controle: níveis hierárquicos

As UACs são instaladas nas usinas geradoras e nas subestações. Fazem a aquisição de dados do processo e o comando de manobra de equipamentos. Neste nível encontram-se a interface com o processo. As funções são:

a - Entrada de Dados de Variáveis Analógicas:

Aquisição de valores de tensão, corrente, temperaturas, níveis de reservatório, dentre outros.

b - Entrada de Dados de Variáveis Digitais:

Aquisição de informação sobre o estado ou posição de disjuntores (aberto ou fechado), de chaves, ou de equipamento ligado ou desligado.

c - Saídas Digitais:

Mudança de posição de contato aberto/fechado permitindo assim o telecomando de equipamentos e dispositivos (chaves, disjuntores etc.)

d - Saídas Analógicas:

Fornecimento de valores contínuos para ajuste da referência (set point) de componentes eletrônicos dedicados de controle, como os reguladores de tensão e de velocidade de geradores, e sinais para medidores analógicos tipo amperímetros.

Sistema de potência e SSC

SSC com outras funções hierárquicas

 

Obs:Os SSC citados trocam informações entre si, visto que todos os sistemas de transmissão são interligados e portanto, interdependentes.

Sistema de Automação de Subestações

Dois níveis hierárquicos:

a - O nível interface com o processo e aquisição de dados:

Unidades de aquisição de dados (UAC) e os outros equipamentos dedicados como os reles de proteção (digital ou não), os equipamentos de oscilografia, as unidades para intertravamento, e os controladores e equipamentos tipo compensador estático por exemplo.

b -O nível de comando e supervisão também denominado Sistema Central.

Principais Funções:

Sinalização ou monitoração de estado (status) de equipamentos, medição, proteções (de linha, de transformador, de barra, de reator, por perda de sincronismo, etc.), monitoração das proteções, religamento automático, estimativa de localização de falta na linha, telecomando, proteção por falha de disjuntor, controle de equipamentos de chaveamento,(intertravamento), sequência automática de chaveamentos, monitoração de sobrecarga em transformadores, controle local de tensão e fluxo de reativo, corte seletivo de cargas (load shedding), sincronização, alarmes, indicação e registro de sequência de eventos, oscilografia, interface homem-máquina, impressão de relatórios, interface com COR/COS e outros sistemas, autodiagnose etc.

Sistema genérico típico de automação de subestação (Jardini) normalmente composto por vários microcomputadores ou estações de trabalho (workstation) ligados em rede de área local (LAN : Local Area Network). Os equipamentos digitais do nível de interface com o processo, se ligam ao Sistema Central diretamente na rede local ou através de processadores de comunicação encarregados de receber as informações e transmiti-las para a rede.

Configuração do sistema central:

Em uma UAC ainda existem dois blocos: fonte e borneira.

Entradas Digitais: São cartões ligadas as entradas digitais (contatos) passando por acopladores ópticos e proteções (varistores). Um cartão pode acomodar desde 4 até 48 entradas digitais.

Saídas Digitais: cada qual possuem também um endereço na UAC. Nas figuras são mostradas as liga ções esquem áticas de entradas, feita por via direta ou via rele auxiliar e de saída.

a)Comando convencional

b)Telecomando digital