Introdução aos Sistemas para Automação e Controle Industrial

Instrumentação e Automação Industrial

1 Introdução aos Sistemas para Automação e Controle Industrial

Introdução

Comumente o engenheiro está envolvido na criação de novas coisas e, em diversos momentos, tem a responsabilidade global sobre o desenvolvimento de sistemas complexos. Para que consiga realizar suas atividades com sucesso é fundamental que este tenha clareza sobre os objetivos a serem alcançados e os meios teóricos e práticos aplicáveis a cada problema. 
 
A observação, perspicácia e instinto de um engenheiro são habilidades que estão continuamente colocadas em uso na tarefa de obter um melhor entendimento da natureza do mundo real. O engenheiro faz isto usando descobertas e teorias científicas, pelo emprego de ferramentas de análise como a matemática e sistemas computacionais e através do projeto e avaliação experimental. 
 
Contudo, o trabalho de engenharia consiste em muito mais do que alcançar a compreensão de como as coisas são. O engenheiro também está envolvido em estabelecer como as coisas podem surgir em função do resultado de decisões e ações tomadas por ele. 
 
Para planejar, analisar e decidir durante uma tarefa de engenharia, é essencial modelar sistemas físicos de tal forma que eles possam ser analisados com base em seu conhecimento prévio. Esta análise pode ser feita pelo próprio profissional ou com o auxílio de ferramentas de engenharia como programas de CAD (Projeto auxiliado por computador), programas para simulação do comportamento, experimentos etc. O processo de modelagem consiste em observar e entender os princípios físicos e está associado à aplicação de uma visão sistêmica ao mundo. 
 
Neste contexto, visando alcançar uma base concreta sobre a atividade de engenharia no projeto e análise de equipamentos e processos, são abordados nos capítulos subsequentes os conceitos fundamentais sobre sistemas e modelos, ancorados em exemplos reais e focando a utilização de representações matemáticas e gráficas comumente aplicadas na engenharia aplicada. 
 

2 Conceituação e Modelagem de Sistemas

Em função da ampliação do conhecimento do homem acerca dos fenômenos físicos e da consequente diversidade de tecnologias, cresce a importância de uma abordagem multidisciplinar para a análise e, principalmente, para o projeto de dispositivos que atendam as necessidades atuais. 
 
A base para tal integração multidisciplinar e multitecnologia está estruturada através da teoria de sistemas a qual enseja um conjunto de conceitos voltados ao desenvolvimento de uma base sistemática para a descrição de relacionamentos gerais no mundo natural e fabricado pelo homem (mundo artificial). 
 

2.1 Definição de Sistema

O termo sistema está relacionado a um conceito primitivo, cujo entendimento é mais intuitivo do que propriamente associado a uma definição exata. O seu uso é difundido em praticamente todas as áreas do conhecimento humano, onde se encontram diferentes definições. 
 
Para o contexto da área tecnológica, é apropriada a definição apresentada em HUBKA & EDER (1988), a qual estabelece que: "Sistema é um conjunto finito de elementos reunidos para formar um todo sob certas regras bem definidas, por meio das quais existem determinadas relações precisas definidas entre os elementos e para com seu ambiente. É possível que um sistema possa conter elementos isolados (i. e. elementos com nenhuma relação com outros), ou grupos isolados de elementos (i. e. o grupo não tem relações com outros elementos ou grupos dentro do conjunto). Os termos elemento e sistema são relativos. Um elemento também pode ser considerado como um sistema, e um sistema pode ser considerado como um elemento dentro de um sistema maior. Assim sendo, os sistemas são hierárquicos”. 
 

Os sistemas, principalmente os estudados nas áreas de automação e controle, mecatrônica e engenharia de software, normalmente podem ser decompostos em diversos subsistemas interrelacionados que, por sua vez, possuem seus próprios subsistemas e assim sucessivamente até alcançar componentes considerados elementares. Estruturas deste tipo estabelecem interações de difícil previsão, exigindo o estudo de partes isoladas a fim de estabelecer o comportamento global com maior segurança. Tais sistemas são caracterizados como complexos no sentido que o todo é mais que a soma das partes, ou seja, dadas as propriedades das partes e as leis de suas interações, não é trivial inferir sobre as propriedades do todo. 
 
A fim de facilitar a análise ou o projeto de sistemas, invariavelmente são realizadas descrições simplificadas que enfatizam certos detalhes ou propriedades enquanto outros são suprimidos. Estas descrições simplificadas dão origem aos modelos. 
 

A construção e utilização de modelos são essenciais dentro das atividades de engenharia, conforme será evidenciado ao longo deste capítulo e dos subsequentes. A fim de tornar a abordagem bastante concreta, apresenta-se na próxima seção um exemplo de descrição de um sistema técnico. As representações utilizadas serão comentadas à medida que conceitos formais sobre modelagem forem inseridos nas seções seguintes. 

2.2 Um exemplo de sistema técnico – Sistema de Controle de Temperatura

Nesta seção apresenta-se a especificação e descrição de um sistema de controle de temperatura (SAM-Temp) empregado em uma unidade de potência e condicionamento hidráulico automática (UPCH), projetada e implementada no LASHIP/EMC/UFSC, destinada à pesquisa aplicada e ao teste normalizado de componentes hidráulicos industriais. Esta unidade de potência, mostrada na figura 2.1, possui as seguintes características: 


-    Técnicas: Pressão máxima de 250 bar e vazão máxima de 100 l/min, controladas através de válvulas proporcionais eletro-hidráulicas a fim de atender as condições operacionais desejadas. Permite a operação convencional, através de painéis de acionamento e monitoração, e informatizada, por meio de interface gráfica em computador; 
 

-     Operacionais: Esta unidade foi desenvolvida de forma a atender aos requisitos impostos pelas normas técnicas que especificam as condições de realização de testes normalizados de componentes hidráulicos, bem como a requisitos técnicos adicionais visando facilitar e flexibilizar a interligação desta unidade com a bancada de testes;

-     Conceituais: Projetada e implementada segundo uma metodologia de desenvolvimento de sistemas automáticos, fundamentada na teoria de sistemas, metrologia e metodologias de projeto de produtos industriais e de software orientado por objetos.

-     Construtivas: para a operação segura e precisa desta unidade são monitoradas continuamente um total de 30 variáveis, tais como posição de válvulas de bloqueio, grau de contaminação dos filtros hidráulicos, temperatura do fluido hidráulico e pressão de trabalho. O software está implementado segundo a metodologia de orientação por objetos incluindo atividades de coordenação, atuação e medição.

2.2.1 Especificações

A especificação de requisitos para o sistema de atuação e medição de temperatura do fluido hidráulico empregado nesta UPCH pode ser expressa como:

-  Especificação em linguagem natural: Sistema destinado ao condicionamento térmico do fluido hidráulico contido no reservatório, mantendo a temperatura deste dentro de uma faixa de dispersão de ±1 °C a ±5 °C em relação à temperatura de referência. A temperatura de referência pode ser ajustada entre 20 e 80 °C, de acordo com os requisitos de utilização da UPCH e compatível com as temperaturas admissíveis de operação dos equipamentos instalados.

-  Especificação gráfica: Estabelecido pela figura 2.2.

2.2.2 Projeto e documentação

Para a solução deste tipo de problema é comum atribuir a um especialista em sistemas hidráulicos a responsabilidade pelo entendimento e representação global do sistema bem como pelo detalhamento das soluções dos problemas envolvendo a área de hidráulica. Este indivíduo deve consultar, conforme necessário, outros especialistas para a identificação das soluções de problemas de outras áreas tecnológicas atuando, desta forma, também como integrador. 
 
A primeira etapa de solução do problema resulta no diagrama de circuito hidráulico representado na figura 2.3, o qual emprega as recomendações das normas ISO 1219-1 (ISO, 1985) e ISO 1219-2 (ISO, 1995) para a representação de símbolos funcionais e de suas interligações. Este tipo de diagrama não considera o arranjo físico dos equipamentos na instalação e deve possibilitar o acompanhamento dos circuitos para todos os movimentos e comandos através das diferentes sequências de um ciclo de trabalho. 
 
A tabela 2.1 complementa o modelo apresentado na figura 2.3 destacando a função a ser desempenhada por cada componente. Esta interligação de funções é concebida pelo projetista de modo a atender a função global que, no caso, é de controlar a temperatura do fluido que está no reservatório. 
 

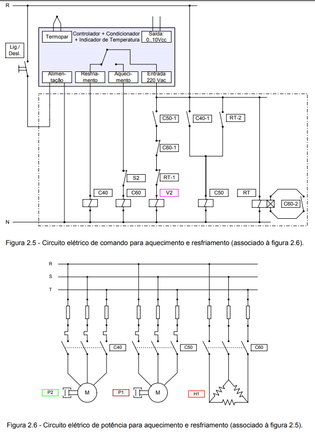
Na figura 2.4 apresenta-se o diagrama trajeto-passo do sistema de atuação em temperatura o qual descreve a sequência com que os componentes presentes na figura 2.3 são ligados ou desligados de acordo com os ciclos de aquecimento e de resfriamento. A decisão de quando aquecer ou resfriar não está representada nestes diagramas pois será aleatória dependendo da operação da UPCH e atendendo a especificação da figura 2.2. Destaca-se na figura 2.4 a existência de um retardo entre a desativação do aquecedor (H1) em relação a bomba hidráulica (P1), procurando evitar a degradação do fluido hidráulico em função do sobreaquecimento junto as paredes do aquecedor.

A concepção do circuito elétrico baseia-se nas informações contidas no circuito hidráulico (figura

2.3) e no diagrama trajeto-passo (figura 2.4). Normalmente há necessidade da participação do especialista em hidráulica/integrador para transmitir as informações não explicitadas nestes diagramas para que o especialista em controle de processos e eletricidade possa adquirir uma visão global do problema. O resultado desta etapa de projeto é uma lista preliminar de especificações de componentes elétricos, bem como do circuito elétrico de aquecimento e resfriamento conforme as figuras 2.5 e 2.6.

Com base nos circuitos concebidos, é realizado o dimensionamento dos componentes hidráulicos e elétricos, incluindo o aquecedor e resfriador. Como exemplo, o dimensionamento do aquecedor e resfriador podem ser efetuados por um especialista da área térmica que, fundamentado nos conceitos da termodinâmica e transferência de calor e de posse de dados repassados pelo especialista em hidráulica como volume do reservatório, geração e dissipação térmica nos componentes hidráulicos da UPCH etc., determina as dimensões do resfriador, a vazão de água necessária, a potência da resistência de aquecimento etc. Nesta etapa do projeto, a transferência de informações entre os especialistas será realizada em linguagem natural, ou seja, listas de especificações conforme a tabela 2.3 que contém os dados empregados no dimensionamento e os resultados obtidos.

Utilizando as informações provenientes dos diagramas de circuitos e do dimensionamento dos componentes hidráulicos e elétricos, da tubulação e da fiação, faz-se o projeto da estrutura mecânica (figura 2.7) incluindo a elaboração de desenhos técnicos para a instalação dos componentes.

A partir da descrição apresentada nesta seção percebe-se a necessidade do emprego de várias formas de especificação, cuja associação deve ser realizada pelo projetista e equipe técnica de montagem e, ao longo da vida útil do equipamento, pela equipe de manutenção.

2.3 Modelagem de sistemas

Conforme visto na seção anterior, durante a análise ou o projeto, invariavelmente são realizadas descrições simplificadas que enfatizam certos detalhes ou propriedades do sistema enquanto outros são suprimidos. Estas descrições simplificadas podem ser denominadas de abstrações. Formalmente, uma abstração pode ser vista como o resultado da aplicação de uma ou mais perspectivas (pontos de vista) ao sistema ou parte dele, de modo que a teoria fornecida pelas perspectivas seja utilizada para criar modelos daquelas porções do sistema incluídas na abstração. Deste modo, pode-se entender que os modelos sejam o meio de explicitar o entendimento acerca de uma abstração.

Deste modo, para a descrição do sistema de controle de temperatura foram utilizados diversos modelos, originados a partir do conhecimento de diferentes teorias e técnicas associadas a correspondentes pontos de vista. Seguindo a sequência apresentada ao longo da seção de projeto (seção 2.2.2), inicialmente foi criado um diagrama de circuito hidráulico, indicando as funções hidráulicas necessárias, num segundo momento foram utilizados dois diagramas trajeto-passo que documentam a sequência operacional para que ocorra o aquecimento ou resfriamento do fluido, em terceiro lugar, os diagramas de circuito elétrico determinam as funções requeridas utilizando-se componentes elétricos e, por último, os desenhos mecânicos estabelecem como o equipamento deve ser estruturado. 
 
Os meios de modelagem aplicados neste exemplo refletem a forma corrente de descrição técnica de sistemas complexos que ocorre nas áreas de projeto de sistemas técnicos, de produtos mecatrônicos e de software, a qual é realizada fundamentalmente segundo as perspectivas estrutural, funcional e comportamental, de tal modo que a junção dos três tipos de modelos correspondentes forneça a descrição completa do sistema. 
 

2.3.1 Perspectiva funcional

A compreensão do conceito de perspectiva funcional ou modelo funcional requer inicialmente a definição do termo função, conforme segue:

Função de um objeto ou sistema é o efeito que este provoca sobre o ambiente externo. A função definida deste modo implica que, se o usuário deseja – tem a intenção de causar – um certo efeito em seu mundo e se um objeto ou dispositivo pode criar este efeito, então o usuário pode atribuir o efeito como sendo uma função do objeto (CHANDRASEKARAN, B. & JOSEPHSON J. R., 2000).

 
A função refere-se, então, a algo perene, particularmente a capacidade, desejada ou existente, de desempenhar uma ação ou um conjunto de ações. Esta capacidade pode não ser assegurada pelo comportamento efetivo do sistema, pois um sistema também pode comportar-se mal ou erroneamente. 
As funções ou efeitos provocados podem ser realizados desde por sistemas elementares até sistemas que podem ser extremamente complexos. Por exemplo, seja o botão ‘liga/desliga’ normalmente aberto (NA) utilizado no circuito elétrico apresentado na figura 2.5. A função do botão é permitir que haja tensão no terminal de saída quando este for acionado pelo operador, desde que haja tensão já aplicada no terminal de entrada. 
 
Assim como o botão, os demais componentes (contatores, relé com temporização, motores, resistência e controlador de temperatura) presentes no circuito elétrico têm suas funções particulares decorrentes da forma como foram construídos, e a interligação adequada destes componentes produz um sistema global cuja função é o controle de temperatura de um fluido, isto é, aquecer e resfriar o fluido em função da temperatura em que se encontra e da temperatura desejada estabelecida pelo operador. 
 

O que se observa é que a função global é desempenhada pela interação de vários dispositivos, cada um desempenhado uma função particular no circuito. Sendo assim, um diagrama de circuito é um modelo funcional, pois estabelece de forma inequívoca a função de cada componente no sistema e a inter-relação entre elas. Este tipo de modelo responde à pergunta ‘O que o sistema faz?’.

2.3.2 Perspectiva estrutural

O termo estrutura designa o arranjo interno, ordem, organização, decomposição, segmentação, conformação, constituição ou construção de um sistema, podendo-se entender que a estrutura é formada por uma rede de elementos. Portanto, um modelo estrutural é aquele que representa o conjunto de elementos em um sistema e o conjunto de relações que conectam estes elementos com outros. Estas relações podem indicar conexões físicas ou de comunicação ou relações hierárquicas para auxiliar as possíveis associações conceituais que podem ser estabelecidas entre os componentes. HUBKA & EDER (1988). Este tipo de modelo responde à pergunta ‘Onde as funções são implementadas?’. 
 
No exemplo descrito na seção 2.2.2, o desenho mecânico e a foto são modelos estruturais. Obviamente que o desenho mecânico é um modelo próprio para a descrição formal do sistema de controle de temperatura, enquanto que a foto apenas ilustra o sistema construído. 
 

2.3.3 Perspectiva comportamental

O comportamento de um sistema é observado por meio de uma perspectiva que responde à pergunta ‘Como ou quando a função do sistema é executada?’. Sabendo-se que a execução de uma função é evidenciada pelos efeitos produzidos para o meio externo, o comportamento estabelece quando estes efeitos aparecem ou como estes efeitos se manifestam ao longo do tempo, normalmente em decorrência de causas externas aplicadas sobre o objeto (sistema). 
 
Observando a válvula direcional (V1) presente na figura 2.3, o comportamento pode ser descrito como: ‘o Fluido proveniente da bomba é direcionado para o resfriador (C1) quando o solenoide está acionado. Quando o solenoide está desenergizado, o fluido é direcionado para aquecedor (H1). 
 
Por sua vez, analisando o equipamento de controle de temperatura como um todo, composto dos circuitos hidráulico e elétrico, o comportamento pode ser descrito observando-se a execução das diferentes funções cumpridas pelos componentes dos circuitos (contatores, motores, bombas etc). O modelo que representa este comportamento é o diagrama trajeto-passo mostrado na figura 2.2, o qual estabelece quando as diferentes funções são executadas em razão de sinais internos ou externos ao processo. 
 
Uma definição mais completa de modelo comportamental requer a caracterização de sinais, conforme a seção seguinte. 
 
 

2.3.3.1Tipos de sinais

Os sinais são variáveis físicas observáveis, cujo estado ou parâmetros associados com o tempo portam informação. Exemplos de estados podem ser: a amplitude e a polaridade (positiva ou negativa) das variáveis; exemplo de parâmetro relacionado ao tempo é a duração de pulso em um sinal PWM (Modulado por largura de pulso). 
 
Alguns exemplos de sinais são: 
-    Flutuações de pressão no ar transportam mensagens que podem ser captadas pelos ouvidos; 
-    A tensão elétrica fornecida por um sensor pressão, cuja amplitude porta a informação acerca da pressão que está ocorrendo no sistema medido; 
-    A posição de um ponteiro de um velocímetro transmite a informação relativa à velocidade do veículo; 
-    Conhecendo-se o deslocamento aplicado a uma mola pode-se saber a quantidade de energia armazenada nesta. 
 

Sob o ponto de vista matemático, os sinais são caracterizados por uma variável dependente relacionada a uma variável independente através de uma função matemática. Uma variável independente é considerada contínua se assumir todos os valores em um intervalo de existência e, considerada discreta, se assumir apenas valores determinados em um intervalo de existência. Da mesma forma as variáveis dependentes são classificadas em contínuas e discretas. 
 
Portanto os sinais são compostos de variável independente e variável dependente. Assim, a classificação dos sinais ocorre da seguinte forma: 


    •     Sinais contínuos (contínuos no tempo): a variável independente, tempo, é contínua 
(figura 2.8). 
o Sinais analógicos: são sinais contínuos com amplitude contínua; o Sinais quantizados: são sinais contínuos com amplitude discreta. 
 

Sinais discretos (discretos no tempo): a variável independente, tempo, não assume todos os valores (figura 2.9).

  • Sinais amostrados: são sinais discretos com amplitude contínua;
  • Sinais digitais ou numéricos: são sinais discretos com amplitude discreta;
    • Sinais binários: são sinais digitais com dois valores discretos de amplitude.

2.3.3.2 Definição de comportamento

Conforme visto anteriormente, a execução de uma função decorre da existência de uma causa que provoca um efeito, ou seja, algum sinal provoca execução da função e outro sinal irá evidenciar o efeito provocado pela função. Ao construir um modelo comportamental de um sistema, os sinais serão enquadrados como entradas, saídas ou estado, de modo que os sinais que causam ou provocam a operação de um sistema são denominados de entradas e os sinais que manifestam o efeito sobre o meio externo são denominados de saídas. O estado de um sistema é definido por um sinal ou um conjunto de sinais que portam a informação acerca das condições operacionais do sistema que afetam o sinal de saída.

Portanto, o comportamento de um sistema pode ser definido como a relação da entrada ou excitação, proveniente do ambiente externo, com o estado interno e com a saída ou influência que exerce sobre o ambiente externo. Os modelos comportamentais possuem uma semântica dinâmica, ou seja, descrevem as mudanças de estado e saída que ocorrem ao longo do tempo. Nos casos em que não há memória (para os sistemas físicos implica em não se considerar o armazenamento de energia) o sistema é visto como instantâneo (comportamento instantâneo) já que a resposta depende somente do valor da entrada, não se identificando variáveis de estado.

 

Conforme visto a seguir, existem diferentes classes de modelos comportamentais, dependendo do tipo dos sinais processados pelo sistema.

  • Modelos a estado contínuo: são modelos que descrevem o sistema, utilizando variáveis de estado, entradas e saídas com amplitude contínua. Nestes sistemas o estado geralmente muda quando o tempo muda.
    • o Modelos contínuos no tempo: neste caso, além da amplitude dos sinais ser contínua, a variável independente também é, ou seja, o sistema opera sobre entradas analógicas e produz saídas e estados analógicos; Matematicamente empregam-se equações diferenciais para descrever a relação entre as variáveis. Sistemas modelados desta forma são denominados sistemas contínuos no tempo;
    • Modelos discretos no tempo: a amplitude dos sinais é contínua, mas a variável independente é discreta, ou seja, as variáveis de entrada, de saída e de estado são modificadas somente em instantes discretos. Sistemas modelados desta forma são denominados Sistemas discretos no tempo e normalmente são expressos através de equações de diferenças.

Nos modelos contínuos e discretos no tempo as variáveis de estado mudam continuamente no tempo. Por esta razão refere-se a tais sistemas como guiados pelo tempo. Destaca-se que a variável ‘tempo’ (‘t’ no tempo contínuo e ‘k’ no tempo discreto) é uma variável independente natural, da qual todas as entradas, saídas e estados são dependentes.

A figura 2.10 apresenta um aquecedor de água utilizado em residência para o fornecimento de água quente. O seu comportamento pode ser modelado como a estado contínuo no tempo aplicando-se princípios de transferência de calor. Considera-se que a água entra no aquecedor a uma temperatura θe igual à temperatura ambiente e que a resistência, quando ligada, produz um fluxo de calor Qin.

                                                                      

 

O comportamento da temperatura de saída da água θs (que é considerada igual à temperatura interna do aquecedor) em função de um fluxo de calor constante a partir do instante inicial (t = 0) é expresso como:

A figura 2.10b é a representação gráfica da função matemática acima.

A figura 2.11 ilustra um exemplo de sistema cujo comportamento pode ser modelado como discreto no tempo. Refere-se a um par de barragens em um projeto para controle de enchentes. O nível da água na barragem 1 em um dado instante ‘tk’ é x1(0) e x2(0) é o nível na barragem 2 no mesmo instante. A quantidade de água coletada no reservatório 1 entre os instantes tk e tk+1 é V0(k). O volume de água que escoa das barragens 1 e 2 durante este período é denotado por V1(k) e V2(k) respectivamente. Em função das dimensões dos reservatórios, o sistema pode ser modelado pelas seguintes equações de diferenças:

A tabela ao lado das equações apresenta os níveis alcançados nas barragens em função dos volumes de água. O instante t0 (k = 0) é o instante inicial.

  • Modelos a estado discreto: são modelos que descrevem o sistema utilizando variáveis de estado, entradas e saídas com amplitude discreta. A mudança de um estado do sistema para outro é denominada de transição de estado e somente se manifesta quando ocorre um evento instantâneo. Exemplos de eventos são: o acionamento de um botão, a detecção de que uma temperatura foi alcançada no processo ou uma ocorrência espontânea ditada pela natureza (p. ex. o início do anoitecer).

Diversos equipamentos utilizados na automação e controle de processos dispõem de um componente que mede o tempo (o relógio interno) como, por exemplo, os microcomputadores. Os eventos podem ou não estar sincronizados com este relógio, de forma que os sistemas podem ser classificados como: o Sistemas (a estado discreto) guiados pelo tempo: são sistemas em que as mudanças de estado são sincronizadas com o tempo, pois, a cada instante marcado pelo relógio, um evento (ou nenhum) é selecionado provocando a transição de estado. O relógio, sozinho, é responsável por qualquer possível mudança de estado;

  • Sistemas (a estado discreto) guiados por eventos: os eventos ocorrem independentemente dos instantes marcados pelo relógio. Logo, eles não são sincronizados com o tempo e nem necessariamente sincronizados entre si (são assíncronos).

O dispositivo de controle de temperatura apresentado na seção 2.2 foi modelado como um sistema a estado discreto guiado por eventos. Por sua vez, as principais funções operacionais de um computador ou de um controlador lógico programável são guiadas pelo tempo. 
 
Ressalta-se que a observação de um sistema como sendo a estado contínuo ou a estado discreto decorre da aplicação de dois tipos de perspectiva comportamental, ou seja, depende de como se observa o sistema e o que se deseja documentar acerca dele. Desta forma nenhum sistema é discreto ou contínuo por natureza, mas, na verdade, faz-se o enquadramento apropriado quando se deseja analisar o comportamento deste. 
 

2.4 Classificação de Modelos segundo a Representação

Porém, conforme já pode ser percebido, existem também diferentes formas de representação dos modelos, dando origem a seguinte classificação[1]:

  • Modelo icônico: É uma representação, corpórea ou não, com alto grau de semelhança com o sistema real. Possui uma equivalência geométrica de forma a preservar as proporções e formas do sistema que se deseja representar. Como exemplos tem-se: mapas, fotografias, plantas, maquetes, desenhos mecânicos etc.
  • Modelo analógico: Consiste em um sistema de manipulação relativamente fácil que possui uma correspondência, normalmente comportamental, com o sistema em estudo ou com variáveis deste. Normalmente há pouca semelhança visual entre modelo e sistema real. Exemplos típicos são: a utilização de circuitos elétricos para representar sistemas mecânicos e modelos físicos para testes em túnel de vento.
  • Modelo simbólico ou matemático: Emprega lógica e matemática para representar, de forma abstrata, as leis físicas que se acredita governarem o comportamento do sistema sob investigação. Utiliza elementos idealizados que possuem as características essenciais dos componentes do sistema e têm seu relacionamento descrito através de uma expressão matemática. Exemplos deste tipo de modelo são as expressões matemáticas de um modo geral, descrições por variáveis de estado e por função transferência, equações Booleanas etc.
  • Modelo diagramático ou esquemático: Composto de um conjunto de linhas e símbolos gráficos que representam características estruturais, comportamentais ou funcionais do sistema real. Normalmente há pouca correspondência visual, tendo a capacidade de descrever aspectos essenciais do sistema concentrando-se em uma única faceta. Exemplos deste tipo de modelo são os diagramas de circuitos hidráulicos, pneumáticos e elétricos, diagramas E/R (entidade/relacionamento), organogramas, gráficos de barras, gráficos X-Y e X-t, diagrama de transição de estados, tabelas de decisão etc.
  • Modelo em linguagem natural: Descrição utilizando linguagem natural para descrever características do sistema. Por exemplo: lista de requisitos.

 

3 Modelos Empregados na Automação e Controle Industrial

3.1 Modelos Funcionais

3.1.1 Diagrama de circuito hidráulico e pneumático

Os diagramas de circuitos são utilizados nas etapas de projeto, construção e manutenção de equipamentos. Neles estão documentados os dispositivos a serem implementados e a forma de interligação destes. Normalmente são acompanhados de uma lista de especificações identificando claramente os componentes utilizados para cumprir as funções requeridas. 
 
De acordo com as normas ISO 1219-1 (ISO, 1991) e ISO 1219-2 (ISO, 1995), os símbolos empregados são denominados símbolos funcionais que estabelecem o tipo de componente a ser empregado sem, no entanto, detalhar a forma construtiva deste componente. 
 
Na figura 3.1 é apresentado um exemplo de diagrama de circuito pneumático e, no quadro em destaque, o significado dos símbolos. Cada componente está desempenhando uma função neste circuito, que é: 
 

•            Unidade de condicionamento 0Z1: filtragem e regulagem de pressão;

•            Válvulas 1S1 e 1S2: Função de sensor – Captam o comando do operador;

•            Válvula 1S3: Função de sensor – Capta a posição do cilindro;

•            Válvula 1V1: Realiza a função lógica ‘ou’;

•            Válvula 1V2: Direciona o ar para o cilindro;

•            Cilindro 1A1: Converte energia pneumática em mecânica.

 

No diagrama hidráulico da figura 3.2 as funções desempenhadas pelos componentes são:

•            Bomba e Motor de acionamento 0P1: Conversão de energia elétrica em energia hidráulica;

•            Válvula 0V1: Limita a pressão máxima do circuito;

•            Válvula 1S3: Função de sensor – direciona o ar segundo a posição do cilindro;

•            Válvula 1V1: Direciona o fluido hidráulico para o cilindro;

•            Válvulas 1V2 e 1V3: Regulam a vazão para o cilindro;

•             Cilindro 1A1: Converte energia hidráulica em mecânica.

3.1.2 Diagrama de circuito elétrico

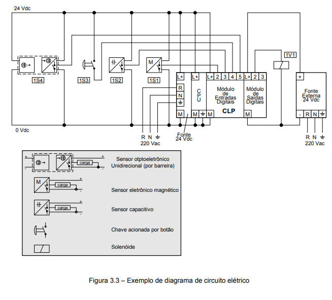
Para a elaboração de diagramas de circuitos elétricos para automação de máquinas não existe uma norma internacional que forneça as recomendações específicas para esta área. Por sua vez, a norma IEC 60617 - partes 1 a 11 (IEC, 1997) apresenta um grande número de recomendações referente a símbolos gráficos para diagramas e que são aplicáveis à automação industrial. A partir desta norma e também da ISO 14617-5 (ISO, 1997) foram extraídos os símbolos empregados no diagrama da figura 3.3, cujas funções desempenhadas pelos componentes são:

•       Sensores 1S1, 1S2 e 1S4: Fechamento de circuito pela detecção de presença de objetos;

•       Sensor 1S3: Fechamento de circuito por comando do operador;

•       Solenoide de válvula 1V1: Acionamento da válvula 1V1;

•       Controlador lógico programável CLP: Acionar o solenoide 1S1 de acordo com o programa implementado e o estado dos sensores;

•       Fonte externa: Alimentação do solenoide 1S1.

3.2 Modelos Estruturais

Basicamente a estrutura de sistemas é descrita através de representações gráficas que incluem os desenhos mecânicos, diagramas entidade/relacionamento (entity/relationship diagrams), diagrama de classes (Desenvolvimento de software Orientado por objetos) e plantas. A seguir apresentam-se dois destes modelos.

3.2.1 Desenho técnico projetivo (Desenho mecânico)

Os desenhos técnicos projetivos são aqueles resultantes de projeções de uma peça sobre um ou mais planos, compreendendo as projeções ortogonais e as perspectivas. Através das vistas ortogonais é possível representar com exatidão a forma do objeto e os seus detalhes (PROVENZA, 19--). Por meio das perspectivas é possível uma percepção mais fácil da forma do objeto. 
 
Como exemplos, na figura 3.4 tem-se uma perspectiva e uma projeção ortogonal de uma válvula direcional proporcional e na figura 3.5 a vista superior de um sistema de manufatura flexível. 
 

3.2.2 Diagrama E/R e Diagrama de Classes

O desenho mecânico mostrado na seção anterior é uma forma de representar como as partes de um equipamento ou estrutura estão unidas entre si. Segundo a classificação apresentada na seção 2.4, este se constitui de um modelo icônico, pois se assemelha à forma do sistema real. 
 
Uma outra forma de especificar a estrutura de um sistema é através de diagramas hierárquicos e de inter-relação entre as partes, como é o caso dos diagramas E/R (Entidade/Relacionamento) utilizado na especificação de bases de dados e os diagramas de classes empregados em engenharia de software (CHEN, 1976). 
 
O diagrama entidade/relacionamento (Diagrama E/R) utiliza como elementos básicos os retângulos, onde se utilizam substantivos para designar as entidades ou objetos e os losangos que estabelecem os relacionamentos entre as entidades. A figura 3.6 descreve formalmente como está constituída a tecnologia de manufatura integrada por computador (CIM) onde, na parte superior há a especificação de cinco classes de tecnologia. Por sua vez, são identificados oito tipos de equipamentos que podem ser utilizados em processos de fabricação discretos e/ou contínuos. 
 

É bastante comum o emprego de notações informais, como a mostrada na figura 3.7 e que descreve o mesmo contexto que o diagrama E/R da figura 3.6. A principal diferença entre representações formais e informais é que as primeiras são prescritivas, isto é, modelam o sistema com exatidão, enquanto que o segundo tipo é ilustrativo, permitindo diferentes interpretações de acordo com a base de conhecimento do observador. 

Na figura 3.8 está apresentado um diagrama de classes (BOOCH et al., 2000) que mostra a estrutura de um programa de controle de um regulador de tensão e velocidade para centrais hidrelétricas. As classes são identificadas pelo nome, atributos e operações que estas realizam, sendo que as interconexões estabelecem como o programa está estruturado (PAES & DE NEGRI, 2002).

3.3 Modelo Comportamental a estado contínuo

Conforme visto anteriormente, a descrição a estado contínuo se subdivide em modelos contínuos no tempo e modelos discretos no tempo. Para os sistemas contínuos no tempo, empregam-se equações diferenciais para a descrição do comportamento ao longo do tempo. No caso de sistemas discretos no tempo, que é o caso típico dos controles através de computador, utilizam-se as equações de diferenças. A partir destas equações são obtidas as funções transferência, diagramas de blocos e a descrição por variáveis de estado.

Nas seções a seguir são apresentados dois tipos de sistemas contínuos no tempo, procurando dar uma visão inicial acerca da modelagem comportamental.

3.3.1 Equações diferenciais e diagramas de blocos

3.3.1.1 Sistemas Mecânicos

Os componentes mecânicos elementares são a mola, o amortecedor e a massa. Na figura 3.9a está mostrada a deflexão sofrida por uma mola de rigidez kx em decorrência da aplicação de uma força a partir do instante t=0. A figura 3.9b modela graficamente o deslocamento da mola ao longo do tempo, mostrando que ocorre um deslocamento de 10 mm em função de uma força de 5 N. 
 
Na figura 3.9c está representado o diagrama de blocos expressando que a posição (saída) decorre da força aplicada (entrada) sobre a mola, a qual está representada pela expressão 1/kx. A equação escrita abaixo do diagrama de blocos é a forma matemática de representar este comportamento. Invertendo-se equação, pode-se determinar qual a força necessária para produzir um determinado deslocamento. 
 

Para um amortecedor (figura 3.10), a aplicação de uma força promove o deslocamento com velocidade constante. Matematicamente, a força e a velocidade estão correlacionadas através do coeficiente de amortecimento viscoso (Bx). A velocidade corresponde à variação do deslocamento com o tempo, isto é, à derivada do deslocamento com o tempo:

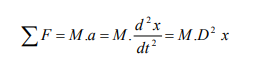
De acordo com a segunda lei de Newton, o somatório das forças externas atuando sobre uma massa é igual ao produto da massa pela aceleração, ou seja:

Para o caso mostrado na figura 3.11, ao aplicar uma força externa de 5 N está sendo provocada uma aceleração de 2 m/s2, de modo que o deslocamento fique cada vez maior. Novamente o diagrama de blocos é equivalente à equação apresentada logo abaixo deste e descreve que o deslocamento (saída) decorre da dupla integração da força (entrada) aplicada sobre a massa.

A combinação destes três componentes mecânicos fundamentais pode formar um sistema massa – mola – amortecedor do tipo mostrado na figura 3.12. Neste caso, a força da mola e força do amortecedor se opõe ao movimento provocado pela força externa aplicada. O somatório de forças atuando sobre a massa é:

O diagrama de blocos e as equações presentes na figura 3.12b modelam implicitamente o comportamento do sistema. Para que se possa observar como este responde no tempo para um determinado tipo de entrada é necessário encontrar a solução da equação diferencial. Para o caso de uma entrada em degrau, uma possível solução (válida para –1 < ξ < 1) é dada pela expressão abaixo:

3.3.1.2 Sistemas Elétricos

Os componentes básicos de um circuito elétrico são o resistor, o indutor e o capacitor. Na figura 3.14a está mostrado um circuito composto de uma fonte de tensão e um resistor através do qual passa uma corrente ‘i’. A figura 3.14b modela graficamente a corrente ao longo do tempo em função de uma tensão constante aplicada a partir do instante inicial (t=0). 

Na figura 3.14c está representado o diagrama de blocos expressando que se aplicando uma diferença de tensão (entrada) há a passagem de corrente (saída) pelo resistor. A equação escrita abaixo do diagrama de blocos é a forma matemática de representar este comportamento, estabelecendo a relação entre a tensão e a corrente dependente da resistência. Invertendo-se equação, pode-se determinar qual a tensão necessária para haja uma determinada corrente no circuito.

Em um indutor (figura 3.15), sabe-se que, quando da aplicação de uma tensão, há o surgimento de uma tensão induzida oposta àquela que foi aplicada externamente. Esta tensão induzida é máxima quando da aplicação da tensão e reduz-se gradativamente de tal modo que a corrente no circuito cresce a uma taxa constante (figura 3.15b). 
 
Matematicamente a corrente é expressa pelo produto do inverso da indutância pela integral da tensão, ou seja: 
 

Por sua vez, ao aplicar um degrau em tensão em um capacitor (figura 3.16) a corrente instantaneamente é máxima e reduz-se para zero em função do capacitor isolar o circuito quando carregado. Se a fonte de tensão for desligada e o polo positivo do capacitor for conectado ao terra haverá um pico de corrente no sentido oposto, descarregando o capacitor. O diagrama de blocos e a equação equivalente apresentados na figura 3.16c descrevem este fenômeno. 
 
Sabendo-se que a carga elétrica (q) é a integral no tempo da corrente, pode-se escrever que: 
 

Para o circuito RLC em série mostrado na figura 3.17, a queda total de tensão (U) é a soma da queda de tensão através do indutor, mas aquela através do resistor e aquela através do capacitor, ou seja:

Conforme mencionando anteriormente, o diagrama de blocos e as equações diferenciais apresentadas modelam implicitamente o comportamento sistema. A observação da resposta no tempo para um determinado tipo de entrada dá-se pela solução da equação diferencial. Para o caso de uma entrada em degrau e supondo uma razão de amortecimento igual a 1 (ξ = 1), a carga em função do tempo é dada por:

A figura 3.18 mostra a resposta no tempo para um sistema com razão de amortecimento de 1 e valores de frequência natural de 30, 60 e 90 rad/s.

3.4 Modelo Comportamental a estado discreto

Para modelagem comportamental a estado discreto podem-se empregar representações como o diagrama funcional (normalizado pela IEC 848 (IEC, 1988) ou DIN 40919-6 (DIN, 1992)) ou o diagrama trajeto-passo, os quais estabelecem objetivamente Como e/ou Quando as funções são executadas. As operações essenciais do diagrama funcional são descritas pela álgebra Booleana que, em muitas situações, também é empregada diretamente para a solução de problemas de automação.

3.4.1 Equações Booleanas, tabela verdade e diagramas lógicos

Considera-se como exemplo uma esteira de transporte de peças (figura 3.19) onde são movimentadas peças longas e curtas numa sequência aleatória. A plataforma articulada é movimentada pelo cilindro pneumático de modo a separar as peças longas e curtas. Três sensores (S1, S2 e S3) são usados para detectar o comprimento das peças: para uma peça longa haverá um curto espaço de tempo em que os três sensores estarão simultaneamente acionados; no caso de uma peça curta, haverá um pequeno instante em que apenas S2 estará acionado.

O comportamento a eventos discretos deste sistema pode ser descrito utilizando a álgebra Booleana cujas operações lógicas básicas são: ‘SIM’, ‘NÃO’, ‘E’ e ‘OU’. A tabela 3.1 apresenta, para cada uma destas operações lógicas, a equação Booleana, o diagrama lógico segundo a IEC 60617-12 (IEC, 1997) e o diagrama lógico segundo a ISA 5.2 (ISA, 1992).

Conforme mostrado na tabela 3.2, a interpretação das operações lógicas ocorre através da tabela verdade que explicita os valores (0 ou 1) da variável de saída em função de todas as combinações possíveis de valores das varáveis de entrada.

Utilizando estas operações, é possível modelar o comportamento do equipamento de separação de peças através da seguinte equação:

Neste caso, a variável A1 corresponde ao acionamento da válvula direcional e, consequentemente, o avanço do cilindro. O diagrama lógico correspondente está mostrado na figura 3.20 utilizando a notação IEC.

3.4.2 Diagrama de contatos

Uma ferramenta bastante empregada na programação de controladores lógico programáveis (CLP) é o diagrama de escada (ou diagrama de contatos ou Ladder Diagram), que equivale à equação Booleana e ao diagrama lógico. Na figura 3.21 está apresentado o diagrama de escada referente ao equipamento de separação de peças.

3.4.3 Grafcet

O Grafcet é um diagrama derivado da Rede de Petri e tornou-se base para norma internacional IEC-848 (IEC, 1988) sob a denominação de diagrama funcional ou SFC (Sequential Function Chart). O Grafcet é um formalismo gráfico para descrição do comportamento de sistemas de controle sequencial e sua inclusão no padrão IEC 1131-3 (IEC, 1993) para programação de CLP fez aumentar a sua utilização.

O Grafcet contém dois tipos básicos de elementos (passos e transições) ligados por arcos orientados. Cada passo é representado por um quadrado e pode estar nas situações ativado e desativado. O passo inicial (que está ativado na situação inicial) é representado por um quadrado duplo (no caso do diagrama da Figura 3.22 corresponde ao passo de número 0). A cada passo pode ser associado uma ação ou comando representado por um retângulo anexo ao passo.

A transição de um passo a outro só ocorrerá (será disparada) se:

•            Todos os passos, ligados à entrada da transição, estiverem ativos;

•            A condição associada à transição for satisfeita.

Além disto, o disparo de uma transição promove a desativação dos passos que a precedem e a ativação dos passos que a sucedem. A condição associada à transição pode envolver uma expressão ou variável lógica. Na Figura 3.22 são mostrados os elementos que compõem o Grafcet. No retângulo que representa a ação existem três campos; o primeiro indica alguma propriedade do sinal que gera a ação, sendo as principais:

•            (S) – Sinal a ser memorizado ao longo de um ou mais passos; •            (D) – Atrasado no tempo;

•            (L) – Limitado no tempo.

No segundo campo é designada a ação e no terceiro é indicado o elemento de sinal que confirma a realização da ação como, por exemplo, o sensor de fim-de-curso (S4) informando que o cilindro A está avançado.

Na figura 3.23 apresenta-se um exemplo de Grafcet, equivalente ao diagrama trajeto-passo mostrado, descrevendo uma sequência em que os cilindros devem ser avançados e recuados. A partir deste diagrama é possível obter um programa completamente estruturado a ser implementado em um CLP.

3.5 Síntese de modelos

A tabela 3.3 apresenta diversos modelos empregados na descrição de sistemas no âmbito das engenharias mecânica, elétrica e de software.

3.6 Exemplo de integração de modelos: sistema pneumático

Nesta seção discute-se a descrição de um sistema pneumático segundo diferentes perspectivas. O circuito pneumático mostrado na figura 3.24 utiliza duas válvulas direcionais acionadas por botão, uma válvula ‘E’, uma válvula direcional pilotada, uma válvula redutora de vazão e um cilindro pneumático. 
 
O comportamento deste sistema pode ser descrito sob dois pontos de vista: Como um sistema a eventos discretos (sistema a estado discreto guiado por eventos) e como um sistema contínuo (sistema estado contínuo). No primeiro caso, é utilizado um diagrama lógico para expressar a dependência do sinal de saída (S1) em relação às entradas (E1 e E2) indicando que, caso a entrada E1 não esteja acionada e a entrada E2 esteja acionada, o cilindro estará acionado. 
 
Porém, sabe-se que o acionamento de um cilindro não ocorre de forma instantânea. A partir do momento em há o sinal em pressão para o comando da válvula direcional principal, haverá um certo atraso até que a válvula abra totalmente. Este atraso está modelado através do primeiro bloco na figura 3.26. Por sua vez, o deslocamento do cilindro a partir da posição recuada até a posição avançada ocorre durante uma fração de segundos, ou mesmo em alguns segundos, em decorrência da compressibilidade do ar nas câmaras do cilindro e tubulações e também devido ao efeito da massa e do atrito junto ao êmbolo. O segundo bloco da figura 3.26 representa matematicamente o comportamento do cilindro. 
 

A resposta do cilindro no tempo pode ser observada na figura 3.27 onde a velocidade do êmbolo parte de zero e, após algumas oscilações, tende a um valor constante. Consequentemente, o deslocamento cresce continuamente até atingir o final de curso.

As figuras apresentadas nesta seção foram extraídas de um aplicativo desenvolvido com o software LABVIEW no qual é possível simular a operação sob o ponto de vista de sistema a eventos discretos e de sistema contínuo no tempo. Complementarmente, o circuito pneumático pode ser montado em uma bancada didática a fim da observação destes comportamentos em condições reais.

4 Sistemas Mecatrônicos

4.1 Introdução

A mecatrônica é entendida como uma tecnologia que une várias disciplinas e tecnologias, buscando promover uma melhor comunicação entre os especialistas e a adoção de soluções inovadoras para muitos problemas de projeto.

Sabe-se que os sistemas construídos para automatizar ou controlar processos ou tarefas geralmente incluem diversas tecnologias tais como mecânica, hidráulica, pneumática, elétrica, eletrônica e informação. Consequentemente, estes sistemas podem ser caracterizados como mecatrônicos.

Neste momento, é importante distinguir os sistemas tratados na área de mecânica de precisão, onde há uma grande união física entre componentes, em relação aos sistemas em que os componentes são interconectados sem modificação significativa de características mecânicas ou elétricas de cada um. A primeira classe de sistemas, denominados de dispositivos mecatrônicos, inclui aparelhos de CD, máquinas fotográficas, fotocopiadoras, caixas de câmbio eletrônicas etc. Na segunda categoria podem-se listar máquinas ferramentas, manipuladores, robôs industriais, controladores de turbina etc. onde é possível identificar sensores e atuadores como dispositivos completos conectados com outros dispositivos por portas físicas como, por exemplo, terminais elétricos, eixos e tubos. Estes são denominados de equipamentos mecatrônicos.

Assim sendo, o foco deste trabalho são os equipamentos mecatrônicos, também denominados de sistemas automáticos, conforme será visto a seguir.

4.2 Sistemas de automação e controle

Os termos automação e controle são bastante comuns na área técnica, sendo empregados para caracterizar equipamentos e processos. Aplicando os conceitos de sinais e sistemas vistos no capítulo 2, é possível a definição dos termos sistema de automação e sistema de controle na seguinte forma:

Sistema de Automação: Emprega-se esta denominação quando se interpreta que um conjunto de componentes interconectados tem como função principal a realização de uma ou mais ações segundo uma lógica pré-determinada e em resposta ao estado em que se encontra o equipamento e à ocorrência de eventos. As ações podem ser o avanço ou recuo de um cilindro, o acionamento ou não de uma ventosa, o acionamento ou parada de um motor elétrico, pneumático ou hidráulico. Os eventos correspondem a sinais decorrentes do término de uma tarefa ou à mudança do estado de um dispositivo, caracterizando-se por serem abruptos e instantâneos. Como exemplos de eventos, pode-se citar o acionamento de botões pelo operador, o fechamento de contatos em chaves fim-de-curso de cilindros e a detecção de presença de peças em um magazine.

A figura 4.1 ilustra uma automação pneumática (comando pneumático) através de seu diagrama de circuito e do diagrama trajeto-passo correspondente.

Os sistemas de automação são também denominados de sistemas de comando, originando a denominação de comandos elétricos, pneumáticos ou hidráulicos. Como se pode observar pelo diagrama trajeto-passo, a simples passagem do tempo não é suficiente para que o sistema evolua; é necessário que ocorram eventos (estímulos), sejam estes internos (fins-de-curso: 1S1, 1S2) ou externos (botão de partida: 1S0). 
Sistema de Controle: Esta denominação é empregada quando se interpreta que um determinado conjunto de componentes interconectados tem como função principal a realização de uma ou mais ações que são observadas ao longo do tempo e cuja modificação decorre da aplicação de sinais de entrada. Estas ações podem ser o controle (ou regulagem) de posição, velocidade ou força em um cilindro, ou de vazão ou pressão em um circuito. O comportamento destas variáveis é observado no tempo, isto é, está-se interessado em verificar, por exemplo, em quanto tempo uma posição é alcançada ou qual a magnitude das oscilações e picos de pressão que estão ocorrendo no circuito. 
 
A figura 4.2 apresenta vários aspectos de um sistema de controle eletro-hidráulico composto de uma Servo válvula, um cilindro hidráulico de duplo efeito, um sistema de medição de posição e um controlador proporcional. 
 

Entende-se que o termo automação tem uma abrangência maior que controle, pois algumas ações lógicas, quando observadas mais detalhadamente, incluem tarefas de controle. Seria o caso se considerasse que o circuito de atuação composto pelo atuador 1A1 + válvula 1V1 (figura 4.1) devesse executar um posicionamento preciso e, para tal, empregasse-se a solução mostrada na figura 4.2 ou uma solução pneumática equivalente. Assim, dentro de um conjunto de ações logicamente encadeadas, ter-se-ia um sistema de controle. 
 
Tem-se adotado o termo sistema automático para designar uma aplicação que envolva automação e/ou controle, ou seja, pode-se observar o problema segundo uma visão lógica ou então de maneira mais aprofundada, avaliando, ao longo do tempo, a resposta da posição, força, velocidade, vazão ou qualquer outra variável. 

Para que se possa projetar, instalar ou realizar a manutenção de um sistema automático, isto é, de um sistema de automação e/ou controle, é importante que se entenda claramente quais suas partes principais e como são interligadas. Para tal, pode-se observar o equipamento ilustrado na figura 4.3 onde se identificam: 

 

  • Cilindros e garras pneumáticas destinados a montagem de peças; 
  • Sensores para detecção de fim-de-curso e presença de peças;
  • Botões e lâmpadas sinalizadoras para interação com o operador;
  • Controlador programável. 
     

Os sensores têm a função de captar informações do equipamento ou processo e enviar para o controlador programável, da mesma forma que os botões, os quais recebem os comandos do operador. Após processar as informações recebidas, o controlador aciona os cilindros por intermédio de válvulas eletropneumáticas e emite, quando necessário, sinais luminosos para o operador.

O que se observa neste exemplo pode ser expandido para todos os sistemas automáticos, independentemente do domínio da aplicação e da complexidade deste. Assim sendo, um sistema automático pode ser decomposto em duas partes: um subsistema de informação e um subsistema energético/material, conforme representado na figura 4.4. O sistema de informação engloba os equipamentos que processam sinais e dados, tais como computadores, controladores lógicos programáveis, controladores analógicos e digitais, válvulas de processamento de sinais (válvulas ‘E’ e ‘OU’), entre outros. Por sua vez, o sistema energético/material (processo) sintetiza as partes das máquinas, os dispositivos e os equipamentos que transformam ou processam energia e/ou matéria.

Um circuito hidráulico pode ser citado como um sistema energético, pois sua operação baseia-se na conversão, transferência e controle de energia hidráulica. Um sistema material pode ser exemplificado através de uma linha de produção, que recebe matéria prima e, após diversas operações como separação, usinagem, transporte, empacotamento etc., fornece o produto acabado

Assim, conforme indicado na figura 4.4, o sistema de informação deve ser capaz de extrair informações da parte energético/material, processá-las e, posteriormente, utilizá-las para alterar o funcionamento deste. Além da troca de informações entre estes dois subsistemas, há também o recebimento e fornecimento de energia (ene), matéria (mat) e informação (inf) em relação ao ambiente externo.

 

Correlacionando-se as figuras 4.3 e 4.4, conclui-se que:

•       Controlador Programável: Pertence ao sistema de informação;

•       Base       da        máquina,          dispositivos      de        fixação etc.:      Constituem       o   sistema energético/material;

•       Operador e equipamentos que fornecem a matéria prima e retiram as peças acabadas: Ambiente externo;

•       Botões = Transferem as informações que vêm do ambiente externo;

•       Sinais luminosos = Correspondem às informações que vão para o ambiente externo;

•       Peças brutas = Correspondem à matéria proveniente do ambiente externo;

•       Peças montadas = Correspondem à matéria que vai para ambiente externo;

Nesta correlação, não foram identificados os sensores e atuadores que, na verdade, são os dispositivos físicos que realizam a troca de informações internas. Como sensores podem-se citar detectores de presença de peças, sensores de temperatura, transdutores de pressão ou vazão etc. De forma geral dentre os atuadores estão os motores elétricos, os cilindros e motores hidráulicos ou pneumáticos e as respectivas válvulas de comando, as resistências elétricas e trocadores de calor etc.

O refinamento da figura 4.4 dá origem ao modelo funcional/estrutural de um sistema automático (figura 4.5) em que são evidenciados os sistemas de medição (SM) e de atuação (SA) que concretizam o fluxo de informações interno. Estes sistemas são os únicos que possuem tanto fluxo energético e/ou material como de informação em suas fronteiras.