Introdução à Instrumentação e Automação Industrial

Instrumentação e Automação Industrial

1 Conceitos Básicos de Sistemas Dinâmicos e Controle

O Conceito de Sistema

“Uma agregação ou montagem de coisas de tal forma combinada pela natureza ou pelo homem que forma um todo integral ou complexo.” [Enciclopédia Americana]

“Um grupo de coisas interatuantes e interdependentes que formam um todo unficado.” [Dicionário Webster's]

“Uma combinação de componentes que agem conjuntamente para completar uma função não possível para quaisquer das partes individuais.” [Dicionário Padrão da

IEEE de Termos Elétricos e Eletrônicos]

O processo de Modelagem de Entrada e Saída

●      Modelo de um Sistema

●      Um dispositivo que simplesmente duplica o comportamento do sistema propriamente dito.

●      Processo de Modelagem

●      Começa por definir um conjunto de variáveis mensuráveis associadas ao sistema.

●      Definidas por funções temporais.

●      O tempo é uma variável independente ● Variáveis de Entrada

●      Subcojunto de variáveis que pode-se fazer variar ao longo do tempo.

●      Variável de entrada: ui(t), 1 ≤ i ≤ m

●      Entrada do sistema: u(t) = [u1(t) ... um(t)]T

●      Variáveis de Saída

●      Subconjunto de variáveis que podem-se medir diretamente enquanto se variam as variáveis de entrada.

●      Variável de saída: yj(t), 1 ≤ j ≤ n

●      Saída do sistema: y(t) = [y1(t) ... yn(t)]T

● Modelagem (matemática)

●      Definição de funções que relacionem entradas e

saídas do sistema.

Conceitos relacionados:

●    Sistemas estáticos e dinâmicos

●    Sistemas variantes no tempo e invariantes no tempo

O Conceito de Estado

●      Estado de um sistema

●      O estado de um sistema no tempo t0 é a informação requerida em t0 tal que a saída y(t), para todo t ≥ t0, é unicamente determinada a partir desta informação e da entrada u(t), para t ≥ t0. ● Variáveis de Estado

●      Subconjunto das variáveis associadas ao sistema que definem seu estado.

●      Variável de Estado: xk(t), 1 ≤ k ≤ p

●      Estado do Sistema: x(t) = [x1(t) ... xp(t)]T ● Espaço de estados do sistema

●      Conjunto de valores que o estado do sistema pode atingir.

O Processo de Modelagem por Espaço de Estados

●      Equações de Estado

●      Equações requeridas para especificar o estado do sistema x(t) para t ≥ t0, dados x(t0) e a função u(t) para t ≥ t0.

●      Equações de Saída

●      Conceitos Relacionados

●      Sistemas Lineares e Não Lineares

●      Sistemas lineares e invariantes no tempo

●      Sistemas a tempo contínuo e sistemas a tempo discreto (sistemas amostrados/discretizados)

●      Sistemas Determinstas e Aleatórios

O Conceito de Controle

●      O sistema destina-se a cumprir a uma determinada função

●      Controlador

●      Aplica uma entrada ao sistema para que este cumpra a sua função. ● Sinal de controle

●      Saída do controlador, que é aplicada como entrada ao sistema.

●      Sinal de referência

●      Entrada do controlador, que diz respeito à alguma saída do sistema.

●      Sistema em malha aberta.

O Conceito de Realimentação

●      Realimentação

●      Uso de qualquer informação disponível do comportamento do sistema para continuamente ajustar a entrada de controle.

●      Sistema em malha fechada.

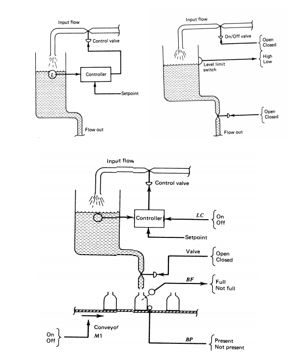
Instrumentação para Controle

●      Necessária para implementação do controlador de um sistema.

●      Sensores

●      Instrumentos primários

●      Transmissores

●      Registradores

●      Instrumentos Primários

●      Atuadores

●      Motores com transmissão

●      Válvulas

●      Bombas

●      Aquecedores

●      Relés, disjuntores e contatoras

●      Diferentes princípios de funcionamento

●      Pneumático s

●      Hidráulicos

●      Elétricos

●      Simbologia padronizada para instrumentação

●      Norma ISA e ABNT

●      Diagramas P&I

Controle Discreto

●      Presente em quase todos os ambientes onde há automação

●      Sistemas de Estado Contínuo e Sistemas a Estado Discreto X = R ou X = Q versus

X = {parado, trabalhando, quebrado}

●      Sistemas Dirigidos pelo Tempo e Sistemas Dirigidos a Eventos

x(t) = A.e^b.t versus

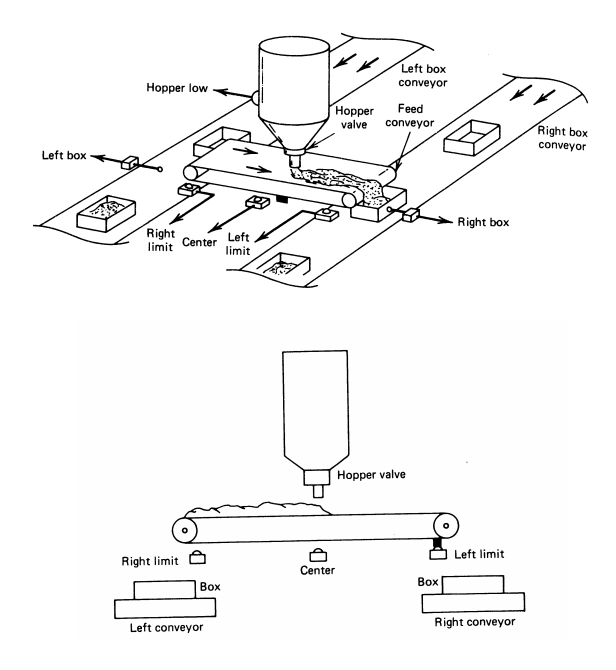
“Se caixa detectada à esquerda, parar a esteira da esquerda, ligar válvula do silo e ligar esteira central para a direita”.

●      Sistemas Dinâmicos com Variáveis Contínuas

●      As variáveis são funções contínuas do tempo

●      A evolução do sistema é puramente regida pelo tempo

●      Modelos matemáticos são equações diferenciais ou a diferenças

●      Controle clássico (em tempo contínuo ou tempo discreto)

●      Sistemas a Eventos Discretos

●      Variáveis assumem valores discretos

●      Evolução dirigida a eventos

●      Modelos oriundos da ciência da computação

●      Linguagens formais

●      Autômatos

●      Redes de Petri

●      Lógica Temporal

●      Lógica Max-Plus

●      Controle discreto

Tecnologias Utilizadas na Automação

●      Controlador Lógico Programável (CLP)

●      Cavalo de Batalha

●      Sistemas Supervisórios

●      Redes Industriais

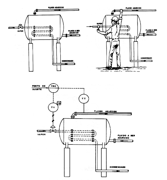
Exemplo - Trocador de Calor

Exemplo - Alimentador de Forno de Padaria

Exemplo - Sistema de Controle de Nível