Cortes, seções, encurtamento e omissão de corte

Desenho Técnico Básico

1 CORTES:

Em desenho técnico, o corte de uma peça é sempre imaginário. Ele permite ver as partes internas da peça

Os cortes podem ser representados em qualquer vista do desenho e são classificados em:

  • Corte Longitudinal Vertical;
  • Corte Longitudinal Horizontal;
  • Corte Transversal;

DESENHO COM VÁRIOS CORTES:

Usado quando um corte não é suficiente para mostrar todos os elementos internos da peça.

MEIO CORTE:

O meio-corte é empregado no desenho de peças simétricas no qual aparece somente meia-vista em corte. O meio-corte apresenta a vantagem de indicar, em uma só vista, as partes interna e externa da peça.

CORTE PARCIAL:

É utilizado para mostrar apenas uma parte interna do objeto ou peça, possibilitando esclarecer pequenos detalhes.

2 Dimensionamento:

NBR 10126 – Cotagem em Desenho Técnico:

Cotas são numerais que indicam as medidas básicas da peça e as medidas de seus elementos. As medidas básicas são: comprimento, largura e altura

Cuidados na cotagem:

Ao cotar um desenho é necessário observar o seguinte:

As cotas guardam uma pequena distancia acima das linhas de cota. As linhas auxiliares também guardam uma pequena distância das vistas do desenho técnico.

Em desenho mecânico, normalmente a unidade de medida usada é o milímetro (mm), e é dispensada a colocação do símbolo junto à cota. Quando se emprega outra unidade distinta do milímetro (por exemplo, a polegada), coloca-se seu símbolo.

Observação: As cotas devem ser colocadas de modo que o desenho seja lido da esquerda para direita e de cima pra baixo, paralelamente à dimensão cotada. Sempre que é possível é bom evitar colocar cotas em linhas tracejadas.

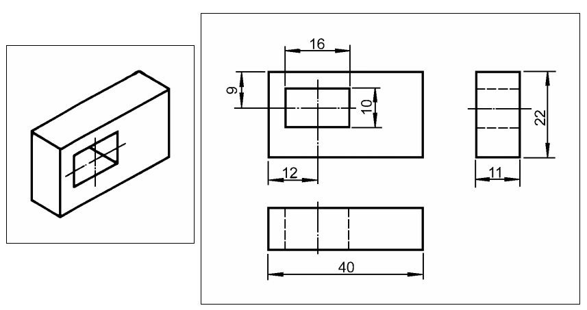
Cotas que indicam tamanho e cotas que indicam localização de elementos

Exemplo de peças com elementos:

Para fabricar peças como essas é necessário interpretar, além das cotas básicas, as cotas dos elementos. 

A cota 9 indica localização do furo em relação à altura da peça.

A cota 12 indica a localização do furo em relação ao comprimento da peça.

As cotas 10 e 16 indicam o tamanho do furo.

Cotagem de peças simétricas:

 A utilização de linha de simetria em peças simétricas facilita e simplifica a cotagem, conforme os exemplos abaixo.

Quando a linha de cota está na posição inclinada, a cota acompanha a inclinação para facilitar a leitura.

Porém, é preciso evitar a disposição das linhas de cota entre os setores hachurados e inclinados de cerca de 30°.

Cotagem de elementos esféricos:

Elementos esféricos são elementos em forma de esfera.

A cotagem dos elementos esféricos é feita pela medida de seus diâmetros ou de seus raios.

ESF = Esférico

∅ = Diâmetro

R = Raio

Cotagem de elementos angulares

Existem peças que têm elementos angulares. Elementos angulares são formados por ângulos. O ângulo é medido com o goniômetro pela sua abertura em graus. O goniômetro é conhecido como transferidor. A cotagem da abertura do elemento é feita em linha de cota curva, cujo centro é vértice do ângulo cotado.

Cotagem de ângulos em peças cilíndricas:

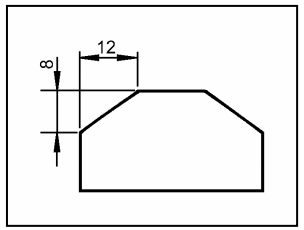
Cotagem de chanfros:

O chanfro é a superfície oblíqua obtida pelo corte da aresta de duas superfícies que se encontram. Existem duas maneiras pelas quais os chanfros aparecem cotados: por meio de cotas lineares e por meio de cotas lineares e angulares.

As cotas lineares indicam medidas de comprimento, largura e altura. As cotas angulares indicam medidas de abertura de ângulos. Cotas lineares Cotas lineares e cotas angulares Em peças planas ou cilíndricas, quando o chanfro está a 45° é possível simplificar 

Cotagem em espaços reduzidos:

Para cotar em espaços reduzidos, é necessário colocar as cotas conforme os desenhos abaixo. Quando não houver lugar para setas, estas serão substituídas por pequenos traços oblíquos.

Cotagem por faces de referência:

Na cotagem for faces de referência as medidas da peça são indicadas a partir das faces.

A cotagem por faces de referência ou por elemento de referência pode ser executada como cotagem em paralelo ou cotagem aditiva

Cotagem de furos espaçados igualmente:

Existem peças com furos que têm a mesma distância entre seus centros, isto é, furos espaçados igualmente. A cotagem da distância entre centros de furos pode ser feita por cotas lineares e por cotas angulares.

Quando não causarem dúvidas, o desenho e a cotagem podem ser simplificados.

Indicações especiais:

Cotagem de cordas, arcos e ângulos.

As cotas de cordas, arcos e ângulos devem ser indicadas como nos exemplos abaixo.

Raio definido por outras cotas:

O raio deve ser indicado com o símbolo R sem cota quanto o seu tamanho for definido por outras cotas.

Cotas fora de escala:

As cotas fora de escala nas linhas de cota sem interrupção devem ser sublinhadas com linha reta com a mesma largura da linha do algarismo.

 Cotagem de uma área ou comprimento limitado de uma superfície, para indicar uma situação especial.

A área ou o comprimento e sua localização são indicados por meio da linha traço e ponto larga, desenhada adjacente à face correspondente.

Cotagem de peças com faces ou elementos inclinados Existem peças que têm faces ou elementos inclinados.

Nos desenhos técnicos de peças com faces ou elementos inclinados, a relação de inclinação deve ser indicada.

A relação de inclinação 1:10 indica que a cada 10 milímetros do comprimento da peça, diminui-se um milímetro da altura. Como a relação de inclinação vem indicada no desenho técnico, não é necessário que a outra cota de altura da peça apareça.