Processos de usinagem-

Mecânica Industrial

1 Introdução aos processos de fabricação

Fabricar é transformar matérias-primas em produtos acabados, por uma variedade de processos. A idéia de fabricar teve início a milhares de anos, quando o homem pré-histórico percebeu que, para sobreviver, precisava de algo mais que pernas e braços para se defender e caçar. Sua inteligência logo o ensinou que se ele tivesse uma pedra nas mãos, seu golpe seria mais forte, e se a pedra tivesse um cabo esse golpe seria mais forte ainda. Se essa pedra fosse afiada poderia cortar a caça e ajudar a raspar a peles dos animais. Foi a partir da necessidade de se fabricar um machado que o homem desenvolveu as operações de desbastar, cortar e furar. Durante centenas de anos a pedra foi a matéria-prima, mas por volta de 4000 A.C. ele começou a trabalhar com metais, começando com o cobre, depois com o bronze e finalmente com o ferro para a fabricação de armas e ferramentas.

Para se ter uma idéia do número de fatores que devem ser considerados num processo de fabricação vejamos, por exemplo, a produção de um simples artigo: o clipe. Primeiro ele deve ser projetado para atender o requisito funcional que é segurar folhas de papéis juntas. Para tanto, ele deve exercer uma força suficiente para evitar o deslizamento de uma folha sobre a outra. Eles são, geralmente, feitos de arame de aço, embora hoje se encontre no mercado clipe de plástico. O comprimento do arame requerido para sua fabricação é cortado e então dobrado várias vezes, para dar a forma final própria. Por sua vez, o arame é feito por um processo de trefilação a frio. Neste processo a seção transversal de uma haste longa é reduzida, ao passar por uma matriz de fieira, que também confere algumas propriedades mecânicas ao material, como resistência e dureza. A haste por sua vez, é obtida por processos como a trefilação e a extrusão de um lingote. Para evitar delongas, nenhuma informação quanto ao processo de obtenção deste lingote será abordada. A fabricação de um simples clipe envolve projeto, seleção de um material adequado e de um método de fabricação para atender os requisitos de serviço do artigo. As seleções são feitas não somente com base em requisitos técnicos, mas também com base nas considerações econômicas, minimizando os custos para que o produto possa ser competitivo no mercado.

O projetista de produtos ou engenheiro projetista especifica as formas, dimensões, aparência, e o material a ser usado no produto. Primeiro são feitos os protótipos do produto. Neste estágio, é possível fazer modificações, tanto no projeto original como no material selecionado, se análises técnicas e/ou econômicas assim indicarem. Um método de fabricação apropriado é então escolhido pelo engenheiro de fabricação. A Figura 1.1 mostra um diagrama do procedimento correto para se chegar à etapa de fabricação.

Os processos de transformação de metais e ligas metálicas em peças para a utilização em conjuntos mecânicos são inúmeros e variados: você pode fundir, soldar, utilizar a metalurgia em pó ou usinar o metal afim de obter a peça desejada. Evidentemente, vários fatores devem ser considerados quando se escolhe um processo de fabricação. Como por exemplo:

• forma e dimensão da peça;

• material a ser empregado e suas propriedades;

• quantidade de peças a serem produzidas;

• tolerâncias e acabamento superficial requerido;

• custo total do processamento.

A fundição é um processo de fabricação sempre inicial, pois precede importantes processos de fabricação como usinagem, soldagem e conformação mecânica. Esses, utilizam produtos semiacabados (barras, chapas, perfis, tubos, etc.) como matéria prima que advém do processo de fundição.

Podemos dividir os processos de fabricação de metais e ligas metálicas em: os com remoção de cavaco, e os sem remoção de cavaco. A Figura 1.2 mostra a classificação dos processos de fabricação, destacando as principais operações de usinagem.

Uma simples definição de usinagem pode ser tirada da Figura 1.2 como sendo processo de fabricação com remoção de cavaco. Consultando, porém, uma bibliografia especializada pode-se definir usinagem de forma mais abrangente, como sendo: “Operação que ao conferir à peça a forma, as dimensões, o acabamento, ou ainda a combinação qualquer destes itens, produzem cavacos”. E por cavaco entende-se: “Porção de material da peça, retirada pela ferramenta, caracterizando-se por apresentar uma forma geométrica irregular”.

A usinagem é reconhecidamente o processo de fabricação mais popular do mundo, transformando em cavacos algo em torno de 10% de toda a produção de metais, e empregando dezenas de milhões de pessoas em todo o mundo.

torneamento

O torneamento é um processo mecânico de usinagem destinado a obtenção de superfícies de revolução com o auxílio de uma ou mais ferramentas monocortantes. Para tanto, a peça gira em torno do eixo principal de rotação da máquina e a ferramenta se desloca simultaneamente segundo uma trajetória coplanar com o eixo referido. Quanto à forma da trajetória, o torneamento pode ser retilíneo ou curvilíneo.

Torneamento retilíneo

Processo de torneamento no qual a ferramenta se desloca segundo uma trajetória retilínea. O torneamento retilíneo pode ser:

• Torneamento cilíndrico – Processo de torneamento no qual a ferramenta se desloca segundo uma trajetória paralela ao eixo principal de rotação da máquina. Pode ser externo (Figura 1.4 - a) ou interno (Figura 1.4 -b). Quando o torneamento cilíndrico visa obter na peça um entalhe circular, na face perpendicular ao eixo principal de rotação da máquina, o torneamento é denominado sangramento axial (Figura 1.4 -c).

• Torneamento cônico – Processo de torneamento no qual a ferramenta se desloca segundo uma trajetória retilínea, inclinada em relação ao eixo principal de rotação da máquina. Pode ser externo (Figura 1.4 -d) ou interno (Figura 1.4 -e);

• Torneamento radial - Processo de torneamento no qual a ferramenta se desloca segundo uma trajetória retilínea, perpendicular ao eixo principal de rotação da máquina.

Quando o torneamento radial visa a obtenção de uma superfície plana, o torneamento é denominado torneamento de faceamento (Figura 1.4 -f). Quando o torneamento radial visa a obtenção de um entalhe circular, o torneamento é denominado sangramento radial (Figura 1.4 -g).

• Perfilamento – processo de torneamento no qual a ferramenta se desloca segundo uma trajetória retilínea radial (Figura 1.4 -h) ou axial (Figura 1.3 -a), visando a obtenção de uma forma definida, determinada pelo perfil da ferramenta.

torneamento curvilíneo

O torneamento curvilíneo é um processo onde a ferramenta se desloca segundo uma trajetória curvilínea (Figura 1.3 -b).

Quanto à finalidade, as operações de torneamento podem ser classificadas ainda em torneamento de desbaste e torneamento de acabamento. Entende-se por acabamento, a operação de usinagem destinada a obter na peça as dimensões finais, o acabamento superficial especificado, ou ambos. O desbaste é a operação de usinagem, que precede o acabamento, visando obter na peça a forma e dimensões próximas das finais .

aplainamento

O aplainamento é um processo de usinagem destinado à obtenção de superfícies regradas, geradas por um movimento retilíneo alternativo da peça ou da ferramenta. O aplainamento pode ser horizontal ou vertical (Figuras 1.5 e 1.6). Quanto à finalidade, as operações de aplainamento podem ser classificadas ainda em aplainamento de desbaste e aplainamento de acabamento.

2 Introdução aos processos de fabricação Parte 2

furação

A furação é um processo mecânico de usinagem destinado a obtenção de um furo geralmente cilíndrico numa peça, com auxílio de uma ferramenta multicortante. Para tanto a ferramenta ou a peça se desloca segundo uma trajetória retilínea, coincidente ou paralela ao eixo principal da máquina. A furação subdivide-se nas operações:

• Furação em cheio – Processo de furação destinado à abertura de um furo cilíndrico numa peça, removendo todo o material compreendido no volume do furo final, na forma de cavaco (Figura

• -a). Caso seja necessário fazer furos de grandes profundidades, há a necessidade de ferramenta especial (Figura 1.7 -e);

• Furação escalonada – Processo de furação destinado à obtenção de um furo com dois ou mais diâmetros, simultaneamente (Figura 1.7 -c);

• Escareamento – Processo de furação destinado à abertura de um furo cilíndrico numa peça pré- furada (Figura 1.7 -b);

• Furação de centros – Processo de furação destinado à obtenção de furos de centro, visando uma operação posterior na peça (Figura 1.7 -d);

• Trepanação – Processo de furação em que apenas uma parte de material compreendido no volume do furo final é reduzida a cavaco, permanecendo um núcleo maciço (Figura 1.7 -f).

alargamento

O alargamento é um processo mecânico destinado ao desbaste ou ao acabamento de furos cilíndricos ou cônicos, com auxílio de ferramenta normalmente multicortante. Para tanto, a ferramenta ou a peça gira e a ferramenta ou a peça se desloca segundo uma trajetória retilínea, coincidente ou paralela ao eixo de rotação da ferramenta. O alargamento pode ser:

• Alargamento de desbaste – Processo de alargamento destinado ao desbaste da parede de um furo cilíndrico (Figura 1.8 -a) ou cônico (Figura 1.8 -c);

• Alargamento de acabamento – Processo de alargamento destinado ao acabamento da parede de um furo cilíndrico (Figura 1.8 -b) ou cônico (Figura 1.8 -d);

rebaixamento

O rebaixamento é um processo mecânico de usinagem destinado à obtenção de uma forma qualquer na extremidade de um furo. Neste processo, geralmente, a ferramenta gira e desloca-se simultaneamente segundo uma trajetória retilínea, coincidente com o eixo de rotação da ferramenta (Figura 1.9).

mandrilamento

O mandrilamento é um processo mecânico de usinagem destinado à obtenção de superfícies de revolução com auxílio de uma ou várias ferramentas de barra. Para tanto a ferramenta gira e se desloca segundo uma trajetória determinada.

• Mandrilamento cilíndrico – Processo de mandrilamento no qual a superfície usinada é cônica de revolução, cujo eixo coincide com o eixo em torno do qual a ferramenta gira (Figura 1.10 -a);

• Mandrilamento cônico – Processo de mandrilamento no qual a superfície usinada é cônica de revolução, cujo eixo coincide com o eixo no qual gira a ferramenta (Figura 1.10 - c);

• Mandrilamento radial – Processo de mandrilamento no qual a ferramenta é plana e perpendicular ao eixo em torno do qual gira a ferramenta (Figura 1.10 - b)

• Mandrilamento de superfícies especiais – Processo de mandrilamento no qual a superfície usinada é uma superfície de revolução, diferente das anteriores, cujo eixo coincide com eixo em torno do qual gira a ferramenta. Exemplos: mandrilamento esférico (Figura 1.10 -d), mandrilamento de sangramento, etc.

Quanto à finalidade, as operações de mandrilamento podem ser classificadas ainda em mandrilamento de desbaste e mandrilamento de acabamento.

fresamento

O fresamento é um processo mecânico de usinagem destinado à obtenção de superfícies quaisquer com o auxílio de ferramentas geralmente multicortantes. Para tanto, a ferramenta gira e a peça ou a ferramenta se desloca segundo uma trajetória qualquer. As Figuras 1.11 e 1.12 mostram operações de fresamentos.

Distinguem-se dois tipos básicos de fresamento:

• Fresamento cilíndrico tangencial – Processo de fresamento destinado à obtenção de superfícies planas paralelas ao eixo de rotação da ferramenta (Figuras 1.12 -a, 1.12 -b e 1.11 -b). Quando a superfície obtida não for plana ou o eixo de rotação da ferramenta for inclinado em relação à superfície originada na peça, será considerada um processo especial de fresamento tangencial (Figura 1.11 –g e Figura 1.12 -a).

• Fresamento frontal – Processo de fresamento no qual destinado à obtenção de superfícies planas perpendiculares ao eixo de rotação da ferramenta (Figura 1.11 -e). O caso de fresamento indicado na Figura 1.11 -f é considerado como um caso especial de fresamento frontal.

Há casos em que os dois tipos básicos de fresamento comparecem simultaneamente, podendo haver ou não predominância de um sobre outro (Figura 1.11 -c). A operação indicada na Figura 1.11 -h pode ser considerada como um fresamento composto.

serramento

O serramento é um processo mecânico de usinagem destinado ao seccionamento ou recorte com auxílio de ferramentas multicortantes de pequena espessura. Para tanto, a ferramenta gira, se desloca ou se mantém parada. O serramento pode ser:

• Serramento retilíneo – Processo de serramento no qual a ferramenta se desloca segundo uma trajetória retilínea, com movimento alternativo ou não. Quando alternativo, classifica-se o serramento como retilíneo alternativo (Figura 1.13 -a). Caso a contrário o serramento é retilíneo contínuo (Figuras 1.13 –b e 1.13 -c);

• Serramento circular – Processo de serramento no qual a ferramenta gira ao redor do seu próprio eixo e a peça ou a ferramenta se desloca (Figuras 1.13 –d, 1.13 –f e 1.13 -e);

3 Introdução aos processos de fabricação Parte 3

brochamento

O brochamento é um processo mecânico de usinagem destinado à obtenção de superfícies quaisquer com o auxílio de ferramentas multicortantes. Para tanto, a ferramenta ou a peça se desloca segundo uma trajetória retilínea, coincidente ou paralela ao eixo da ferramenta. O brochamento pode ser:

• Brochamento interno - Processo de brochamento executado num furo passante da peça (Figuras 1.14 -a);

• Brochamento externo – Processo de brochamento executado numa superfície externa da peça (Figuras 1.14 -b).

roscamento

O roscamento é um processo mecânico de usinagem destinado à obtenção de filetes , por meio da abertura de um ou vários sulcos helicoidais de passo uniforme, em superfícies cilíndricas ou cônicas de revolução. Para tanto, a peça ou a ferramenta gira e uma delas se desloca simultaneamente segundo uma trajetória retilínea paralela ou inclinada ao eixo de rotação. O roscamento pode ser interno ou externo.

• Roscamento interno – Processo de roscamento executado em superfícies internas cilíndricas ou cônicas de revolução (Figuras 1.15 -a, 1.15 –b, 1.15 -c e 1.15 -d);

• Roscamento externo – Processo de roscamento executado em superfícies externas cilíndricas ou cônicas de revolução (Figuras 1.15 -e, 1.15 –f, 1.15 –g, 1.15 –h, 1.16 –a e 1.16 –b).

limagem

A limagem é um processo mecânico de usinagem destinado à obtenção de superfícies quaisquer com auxílio de ferramentas multicortantes (elaboradas por picagem) de movimento contínuo ou alternado (Figuras 1.17 -a e 1.17 -b).

Rasqueteamento

Processo manual de usinagem destinado à ajustagem de superfícies com auxílio de ferramenta multicortante (Figura 1.18).

tamboramento

Processo mecânico de usinagem no qual as peças são colocadas no interior de um tambor rotativo, junto ou não de materiais especiais, para serem rebarbados ou receberem um acabamento (Figura 1.19).

retificação

A retificação é um processo de usinagem por abrasão destinado à obtenção de superfícies com auxílio de ferramenta abrasiva de revolução. Para tanto, a ferramenta gira e a peça ou a ferramenta desloca-se segundo uma trajetória determinada, podendo a peça girar ou não. A retificação pode ser tangencial ou frontal.

retificação tangencial

Processo de retificação executado com a superfície de revolução da ferramenta (Figura 1.20 - f). A retificação tangencial pode ser:
• Retificação cilíndrica: Processo de retificação tangencial no qual a superfície a ser trabalhada é uma superfície cilíndrica (Figuras 1.20 -f e 1.20 -e). Esta superfície pode ser interna ou externa, de revolução ou não. Quanto ao avanço automático da ferramenta ou da peça, a retificação cilíndrica pode ser com avanço longitudinal da peça (Figura 1.20 -e), com avanço radial do rebôlo (Figura 1.21 -a), com avanço circular do rebôlo (Figura 1.21 -b) ou com o avanço longitudinal do rebôlo.
• Retificação cônica: Processo de retificação tangencial no qual a superfície usinada é uma superfície cônica. Esta superfície pode ser interna ou externa. Quanto ao avanço automático da ferramenta ou da peça, a retificação cônica pode ser com avanço longitudinal da peça (Figura 1.21 -c), com avanço radial do rebôlo, com avanço circular do rebôlo ou com o avanço longitudinal do rebôlo.
• Retificação de perfis: processo de retificação tangencial no qual a superfície a ser usinada é uma espécie qualquer gerada pelo perfil do rebôlo (Figuras 1.21 –d e l.21 -e).
• Retificação tangencial plana: Processo no qual a superfície usinada é plana (Figura 1.21 -f).
• Retificação cilíndrica sem centros: Processo de retificação cilíndrica no qual a peça sem fixação axial é usinada por ferramentas abrasivas de revolução, com ou sem movimento longitudinal da peça. A retificação sem centros pode ser com avanço longitudinal da peça (retificação de passagem) ou com avanço radial do rebôlo (retificação em mergulho) (Figuras 1.20 –a, 1.20 -b e 1.21 -h).

retificação frontal

Processo de retificação executado com a face do rebôlo. É geralmente executada na superfície plana da peça, perpendicularmente ao eixo do rebôlo. A retificação frontal pode ser com avanço retilíneo da peça (Figura 1.20 -c), ou com avanço circular da peça (Figura 1.20 -d).

brunimento

Processo mecânico de usinagem por abrasão empregado no acabamento de furos cilíndricos de revolução no qual os grãos ativos da ferramenta abrasiva estão em constante contato com a superfície da peça e descrevem trajetórias helicoidais (Figura 1.22). Para tanto, a ferramenta ou a peça gira e se desloca axialmente com movimento alternativo.

espelhamento

Processo mecânico de usinagem por abrasão no qual é dado o acabamento final da peça por meio de abrasivos, associados a um porta-ferramenta específico para cada tipo de operação.

polimento

Processo mecânico de usinagem por abrasão no qual a ferramenta é constituída por um disco (Figuras 1.25 –a) ou conglomerado de discos revestidos de substâncias abrasivas (Figuras 1.25 –b).

super acabamento

Processo mecânico de usinagem por abrasão empregado no acabamento de peças, no qual os grãos ativos da ferramenta abrasiva estão em constante contato com a superfície da peça. Nesse processo a peça gira lentamente enquanto a ferramenta se desloca com movimento alternativo de pequena amplitude e freqüência relativamente grande (Figuras 1.23 –a e 1.23 -b).

lapidação

Processo mecânico de usinagem por abrasão executado com um abrasivo aplicado por porta ferramenta adequado, com o objetivo de se obter dimensões específicas das peça (Figura 1.24).

lixamento

Processo mecânico de usinagem por abrasão executado por abrasivo aderido a uma tela que se movimenta com uma pressão contra a peça (Figuras 1.26 –a e 1.26 -b).

4 Introdução aos processos de fabricação Parte 4

Jateamento

Processo mecânico de usinagem por abrasão no qual as peças são submetidas a um jato abrasivo para serem rebarbadas, asperizadas ou receberem um acabamento (Figura 1.27) .

afiação

Processo mecânico de usinagem por abrasão no qual é dado o acabamento das superfícies da cunha cortante da ferramenta, com o fim de habilitá-la à fazer sua função. Desta forma, são obtidos os ângulos finais da ferramenta (Figura 1.28).

denteamento

Processo mecânico de usinagem destinado à obtenção de elementos denteados. Pode-se subdividir esse processo em formação e geração. A formação emprega uma ferramenta que transmite a forma do seu perfil à peça com os movimentos normais de corte e avanço. A geração emprega uma ferramenta de perfil determinado, que com os movimentos normais de corte associados às características de geração, produz um perfil desejado na peça.

5 Grandezas físicas no processo de corte

Movimentos no processo de usinagem

A) Movimentos que causam diretamente a saída do cavaco:

• Movimento de corte: movimento entre a peça e a ferramenta, no qual sem o movimento de avanço, origina uma única retirada do cavaco;

• Movimento de avanço: movimento entre a peça e a ferramenta que juntamente com movimento de corte origina a retirada contínua de cavaco;

• Movimento efetivo: movimento resultante dos movimentos de corte e avanço realizado ao mesmo tempo.

B) Movimentos que não tomam parte direta na formação do cavaco:

• Movimento de aproximação;

• Movimento de ajuste;

• Movimento de correção;

• Movimento de recuo.

Direção dos movimentos e velocidade

• Direção de corte: direção instantânea do movimento de corte:

• Direção de avanço: direção instantânea do movimento de avanço;

• Direção efetiva do movimento de corte;

• Velocidade de corte (vc): velocidade instantânea do ponto de referência da aresta cortante da ferramenta, segundo a direção e sentido de corte;

• Velocidade de avanço;

• Velocidade efetiva de corte.

As Figuras 2.1, 2.2 e 2.3 mostram as direções dos movimentos de corte, de avanço e efetivo no torneamento, na furação e no fresamento.

velocidade de corte (vc):

• Para processos com movimento de rotação (torneamento, fresagem) a velocidade de corte é calculada pela equação:

Tem-se que:

d: diâmetro da peça ou ferramenta (mm);

n: número de rotações por minuto (rpm)

• Para processos com movimento retilíneo (aplainamento), a velocidade de corte é calculada pela equação:

Tem-se que:

gpm: número de golpes por minuto;

c: percurso da ferramenta.

observação

• Os valores da velocidade de corte são encontradas em tabelas fornecidas pelos fabricantes de ferramentas de corte. A Tabela 2.1 mostra os valores de velocidade de corte na faixa recomendada para ferramentas de aço-rápido;

• Os valores de rpm e gpm são ajustados nas máquinas-ferramentas antes do início da usinagem. Em máquinas de usinagem CNC os valores da velocidade de corte são inseridos nos programas e são convertidos em rpm automaticamente pelo comando da máquina.

• A velocidade de corte é o parâmetro de corte mais influente na vida da ferramenta. Fatores que influenciam na velocidade de corte:

*Tipo de material da ferramenta. Como o carbono, o metal duro, ferramentas cerâmicas, ferramentas diamantadas (PCD e PCB);

6 Grandezas físicas no processo de corte Parte 2

*Tipo de material a ser usinado;

*Condições de refrigeração;

*Condições da máquina.

Maior velocidade de corte= maior temperatura = menor vida útil

Menor velocidade de corte= problemas de acabamento e de produtividade.

velocidade de avanço (Vf)

A velocidade de avanço pode ser obtida pela fórmula:

f (avanço) é o percurso de avanço em cada volta (mm/volta) ou em cada curso da ferramenta (mm/golpe).

observação

• É o parâmetro mais influente na qualidade do acabamento superficial da peça;

• Para ferramentas multicortantes (fresas), distingui-se o avanço por dente fz e o valor de f = fz .z ( z: número de dentes);

• Os valores de “f” ou “fz” são fornecidos pelos catálogos de fabricantes de ferramenta de corte. A Tabela 2.2 mostra o avanço por dente para fresas de aço-rápido;

• Geralmente: Vf < Velocidade de corte, somente nos processos de roscamento Vf assume valores razoáveis

7 Geometria das ferramentas de corte

Introdução

A geometria da ferramenta de corte exerce influência, juntamente com outros fatores, a usinagem dos metais. É necessário, portanto, definir a ferramenta através dos ângulos da “cunha” para cortar o material. A Figura 3.1 ilustra este princípio para diversas ferramentas.

O ângulo de cunha é dimensionado de acordo com a resistência que o material usinado oferece ao corte. Essa resistência será tanto maior quando maior for a dureza e a tenacidade do material. A Figura 3.2 exemplifica a variação do ângulo de cunha de acordo com a dureza do material. A

Somente o ângulo de cunha não garante que o material seja cortado com sucesso, outros ângulos também assumem papel importante e estão relacionados com a posição da ferramenta em relação a peça. A Figura 3.3 ilustra uma ferramenta de corte (ferramenta de plaina) com os ângulos de folga(α), e de saída(γ).

definições

As seguintes definições adotadas são necessárias para a determinação dos ângulos da cunha cortante de uma ferramenta de usinagem. As definições são mais bem compreendidas através das Figuras 3.4, 3.5 e 3.6.

Cunha de corte: é a cunha formada pelas superfícies de saída e de folga da ferramenta. Através do movimento relativo entre peça e ferramenta, formam-se os cavacos sobre a cunha de corte.

Superfície de Saída (Aγ): é a superfície da cunha de corte sobre o qual o cavaco desliza.

Superfície de folga (Aα): é a superfície da cunha de corte, que determina a folga entre a ferramenta e a superfície de usinagem. Distinguem-se a superfície principal de folga Aα e a superfície secundária de folga Aα’.

Arestas de corte: são as arestas da cunha de corte formadas pelas superfícies de saída e de folga. Deve-se distinguir a aresta principal de corte S e a aresta secundária de corte S’.

Ponta de corte: parte da cunha de corte onde se encontram a aresta principal e a aresta secundária de corte.

Ponto de corte escolhido: ponto destinado à determinação dos planos e ângulos da cunha de corte, ou seja, as definições se referem a um ponto da ferramenta, dito ponto de corte escolhido ou “Ponto de Referência”.

Planos em uma ferramenta de corte

É através destes planos que são definidos os ângulos da cunha cortante. Os principais planos são:

• Plano de Referência (Pr): passa pelo ponto de corte escolhido e é perpendicular à direção de corte. No torneamento este plano é paralelo ao plano de apoio da ferramenta;

• Plano de Trabalho (Pf): passa pelo ponto de corte contém as direções de avanço e de corte;

• Plano de Corte:

*Principal (Ps): passa pelo ponto de corte escolhido, é tangente à aresta principal de corte e perpendicular ao plano de referência da ferramenta;

*Secundário (Ps): Plano que passando pelo ponto de corte escolhido, é tangente à aresta secundária de corte e perpendicular ao plano de referência da ferramenta.

• Plano Ortogonal (ou Plano de Medida) (Po): Plano que passando pelo ponto de referência da aresta de corte é perpendicular aos planos de referência e ao plano de corte da ferramenta;

• Plano Dorsal (Pp): Plano que passando pelo ponto de corte escolhido, é perpendicular aos planos de referência da ferramenta e de trabalho;

• Plano Normal (Pn): Plano que passando pelo ponto de corte escolhido é perpendicular a aresta de corte.

A Figura 3.7 ilustra estes planos.

Ângulos medidos no plano ortogonal (Po)

A) Ângulo de saída (γ): ângulo entre a superfície de saída e o plano de referência da ferramenta. O ângulo “γ”(ângulo de saída) possui as seguintes características:

• Influi decisivamente na força e na potência necessária ao corte, no acabamento superficial e no calor gerado;

• Quanto maior for o ângulo γ menor será o trabalho de dobramento do cavaco;

• O ângulo γ depende principalmente de :

- Resistência do material da ferramenta e da peça a usinar;

- quantidade de calor gerado pelo corte;

- velocidade de avanço.

8 Geometria das ferramentas de corte Parte 2

• O ângulo γ negativo é muito usado para corte de materiais de difícil usinabilidade e em cortes interrompidos, com o inconveniente da necessidade de maior força de e potências de usinagem e maior calor gerado pela ferramenta, geralmente o ângulo γ está entre –10° e 30°.

• O ângulo de saída pode ser positivo, nulo ou negativo, conforme a figura abaixo:

dicas tecnológicas

• O ângulo γ deve ser:

- Maior para materiais que oferecem pouca resistência ao corte. Se γ (ângulo de saída) aumenta, o β (ângulo de cunha da ferramenta) diminui;

- Menor (e as vezes até negativo) para materiais mais duros e com irregularidades na superfície. Se o ângulo γ diminui, o β (ângulo de cunha da ferramenta) aumenta;

B) Angulo de cunha da ferramenta (β): ângulo entre a superfície da saída e a de folga.

C) Ângulo de folga (α): ângulo entre a superfície de folga e o plano de corte (Ps - plano que contém a aresta de corte e é perpendicular ao plano de referência, veja a Figura 3.8 ). O α (ângulo de folga) possui as seguintes funções e características:

- Evitar o atrito entre a peça e a superfície de folga da ferramenta;

- Se α é pequeno ( o ângulo β aumenta) : a cunha não penetra convenientemente no material, a ferramenta perde o corte rapidamente, há grande geração de calor que prejudica o acabamento superficial;

- Se α é grande (o ângulo β diminui) : a cunha da ferramenta perde resistência, podendo soltar pequenas lascas ou quebrar;

- α depende principalmente da resistência do material da ferramenta e da peça a usinar.

- Geralmente o ângulo α esta entre 2° e 14°. A Figura 3.9 ilustra de forma esquemática os ângulos α, β e γ.

Ângulos medidos no plano de referência (Pr)

A) Ângulo de posição ( χ ): ângulo entre o plano de corte (Ps) e o plano de trabalho (Pf). O ângulo de posição possui as seguintes funções e características:

- Influi na direção de saída do cavaco;

- Se χ diminui, o ângulo de ponta (ε) aumenta , aumentando a resistência da ferramenta e a capacidade de dissipação de calor;

- O controle de χ reduz as vibrações, uma vez que as forças de corte estão relacionadas com este ângulo. Geralmente o ângulo χ está entre 30° e 90°;

B) Ângulo de ponta (ε): ângulo entre os planos principal de corte (Ps) e o secundário (P’s);

C) Ângulo de posição secundária (χ’): ângulo entre o plano secundário de corte (P’s) e o plano de trabalho. A Figura 3.10 ilustra os ângulos χ, χ’ e ε.

Ângulo medido no plano de corte (Ps)

Ângulo de inclinação (λ): ângulo entre a aresta de corte e o plano de referência. Funções do ângulo “λ”:
- controlar a direção de saída do cavaco;
- proteger a quina da ferramenta contra impactos;
- atenuar vibrações;
- geralmente λ (ângulo de inclinação) tem um valor de –4° a 4°.

observação

Quando a ponta da ferramenta for:
* mais baixa em relação a aresta de corte ⇒ λ será positivo (usado nos trabalhos em desbaste nos cortes interrompidos nos materiais duros)
* mais alta em relação a aresta de corte ⇒ λ será negativo (usado na usinagem de materiais macios, de baixa dureza);
* da mesma altura da aresta de corte - λ será nulo (usado na usinagem de materiais duros, exige menor potência no corte). A Figura 3.11 ilustra o ângulo λ.
A Figura 3.12 mostra os planos e ângulos definidos anteriormente.

9 Materiais para ferramenta de corte

Considerações sobre as ferramentas de corte

• A ferramenta deve ser mais dura nas temperaturas de trabalho que o metal estiver sendo usinado (“Dureza a Quente”);

• A ferramenta deve ser dura, mas não a ponto de se tornar quebradiça e de perder resistência mecânica (tenacidade);

• O material da ferramenta deve ser resistente ao encruamento (endurecimento do metal após ter sofrido deformação plástica resultante do processo de conformação mecânica) e a microsoldagem (adesão de pequenas partículas de material usinado ao gume cortante da ferramenta).

As principais propriedades que um material de ferramenta de corte deve apresentar são listadas abaixo, não necessariamente em ordem de importância. Dependendo da aplicação, uma ou mais propriedades podem se destacar.

• Alta dureza;

• Tenacidade suficiente para evitar falha por fratura;

• Alta resistência ao desgaste;

• Alta resistência à compressão;

• Alta resistência ao cisalhamento;

• Boas propriedades mecânicas e térmicas a temperaturas elevadas;

• Alta resistência ao choque térmico;

• Alta resistência ao impacto;

• Ser inerte quimicamente.

A lista à seguir refere-se à materiais para ferramenta de corte, sequenciadas de acordo com a ordem crescente que foram surgindo. A medida que se desce na lista, a dureza aumenta e tenacidade diminui.

Sabe-se que todos os materiais de engenharia apresentam uma queda de resistência com o aumento da temperatura. A Figura 4.2 mostra o comportamento da dureza dos principais grupos de ferramentas de corte com a temperatura de trabalho. Nota-se que até as ferramentas de metal duro e cerâmica têm suas propriedades reduzidas, mas numa taxa bem menor que aquelas apresentadas pelos aços-rápidos. Isto garante a aplicação destas ferramentas em condições de corte bem mais desfavoráveis que aquelas a que podem se submeter os aços-rápidos.

Considerações sobre os materiais para ferramentas de corte.

1 - Aço-carbono: utilizados em baixíssimas velocidades de corte, no ajuste de peças.

a) Comum: até 200° C (limas)

b) Com elementos de liga (V, Cr, Mo e W): até 400° C (brocas, machos, etc.)

2 - Aço-rápido: O 1° grande impulso para materiais para ferramentas de corte. Eles são indicados para operações de baixa e média velocidade de corte, dureza a quente até 600° C. Seus elementos de ligas são o W, Co, Mo, Cr e V;

3 - Ligas Fundidas: têm um elevado teor de Co, contendo também W e Cr, apresentam um bom rendimento na usinagem do FoFo, dureza a quente de 900° C.

4 - Metal duro: O 2° grande impulso, compreende o WC + Co, fabricado pelo processo de sinterização (metalurgia do pó: processo pelo qual os pós são misturados e levados à condições controladas de pressão e calor). O metal duro pode ser encontrado no mercado principalmente na forma de pastilhas intercambiáveis, sem revestimento, ou revestidas com TiC, Al2O3. Existem 3 classes de metais duros:

• Classe P: (WC + Co com adições de TiC, TaC e às vezes NbC ) aplicamos a usinagem de aços e materiais que produzem cavacos longos;

• Classe K: (WC + Co puros) usinagem do FoFo e das ligas não ferrosas que produzem cavacos curtos;

• Classe M: intermediária.

As ferramentas de cortes de metal duro operam com elevadas velocidade de corte, temperaturas até 1300°C.

5 – Cermets: Grupo intermediário entre os metais duros e as cerâmicas. Constituído por TiC e TiN e geralmente tem o Ni como elemento ligante. Devido à baixa condutividade térmica e ao alto coeficiente de dilatação, os cermets têm um baixo coeficiente de resistência ao choque térmico, bem inferior ao do metal duro. Daí a explicação do cermets só ser eficiente em baixos avanços, pequenas profundidades de corte e altas velocidades (operações de acabamento) na usinagem dos ferrosos.

6 - Cerâmicas: são constituídas basicamente de grãos finos de Al2O3 e Si3N4 sinterizados, a velocidade de corte de 3 a 6 vezes maiores que a do metal duro. Elas se dividem basicamente em dois grandes grupos:

• A base de Al2O3 (Alumina sinterizada);

10 Materiais para ferramenta de corte Parte 2

• A base de Si3N4 (mesma resistência ao desgaste porém com uma tenacidade superior).
Principais características das ferramentas cerâmicas:
• Capacidade de suportar altas temperaturas (materiais refratários);
• Alta resistência ao desgaste (alta dureza);
• Baixa condutividade térmica;
• Boa estabilidade química (inércia química);
No passado o principal limitador das ferramentas cerâmicas era a sua fragilidade. Hoje com a introdução no mercado de cerâmicas mistas, reforçadas com SiC (Whiskers) e a base de nitreto de silício o grau de tenacidade destas ferramentas melhorou significativamente, podendo ser usadas em cortes interrompidos (fresamento) em altíssimas velocidades de corte e avanço. No entanto, o uso de fluido de corte deve ser evitado, se requerido, deve-se usa-lo em abundância na aresta de corte.
7 - Ultra-duros: São materiais com 3000 HV. São considerados ultraduros:
• Diamante natural:
• Diamante sintético monocristalino;
• Diamante sintético policristalino (PCD);
• Nitreto cúbico de boro sintético monocristalino (CBN);
• Nitreto cúbico de boro sintético policristalino (PCBN);
Devido à sua fragilidade, risco de falha sob impacto e também seu alto custo, o diamante natural tem a sua aplicação limitada como ferramenta de corte, principalmente após o surgimento dos diamantes e CBN sintéticos, que podem substituí-lo com bastante eficiência. Tanto os PCDs como os CBNs podem ser encontrados apenas como uma camada de 0,5 a 1,0 mm, que são brasadas geralmente no metal duro (WC + Co), ou então, mais raramente, como ferramentas totalmente sólidas.
O diamante sintético policristalino (PCD) não é usado para usinar materiais ferrosos, há desintegração química quando as temperaturas ultrapassam 700 °C. Ao contrário, o CBN tem-se mostrado excelente na usinagem dos aços, ligas de níquel, titânio, FoFo, etc. Ele mantém sua estabilidade química até a temperaturas da ordem de 1200 °C. O PCBN apresenta uma tenacidade melhor, chegando próxima à do metal duro.
O que limita a aplicação dos ultra-duros é o seu alto custo. O preço destas pastilhas está em torno de 80 vezes o preço do metal duro e de 15 a 25 vezes o preço da cerâmica. Os preços médios destas ferramentas variam de US$80,00 a US$120,00 cada aresta. Entretanto, este custo tem baixado nos últimos anos.

Revestimento para ferramentas de corte

A deposição de revestimentos em ferramentas de corte tem como principal objetivo o aumento da vida das ferramentas. Outros efeitos positivos, tais como o aumento da velocidade de corte (o que resulta em uma maior produtividade), redução de forças de corte (menor potência consumida) e redução da tendência à adesão, também podem ser obtidos.
As primeiras referências sobre o estudo dos revestimentos para ferramentas de corte datam da segunda metade da década de 1960. As principais ferramentas revestidas são compostas por um substrato relativamente tenaz de metal duro ou aço-rápido sobre o qual é aplicada uma fina camada de material resistente ao desgaste com granulometria extra fina (carbonetos, nitretos, carbonitretos e óxidos). De forma geral, a utilização de revestimentos conferem certas características às ferramentas de corte como:
• Resistência ao calor e ao desgaste;
• Diminuição do choque térmico no substrato;
• Usinagem com velocidades e avanços mais altos;
• Possibilidade de corte a seco ou com mínima quantidade de fluido de corte;
• Melhor acabamento superficial da peça;
• Redução do atrito;
• Redução e até mesmo ausência da aresta postiça de corte;
• Redução do desgaste de cratera e de flanco.
A baixa condutividade térmica dos revestimentos funciona como uma barreira entre o material da peça e o substrato da ferramenta. Devido a esta barreira, a carga térmica no substrato, o atrito, a adesão, a difusão e a oxidação podem ser reduzidos e a resistência à abrasão aumentada.
As ferramentas podem ser revestidas basicamente por dois processos:
• Processo de deposição química a vapor - CVD (Chemical Vapour Deposition): a deposição dos revestimentos ocorre por meio de reações químicas em uma faixa de temperatura entre 900 e 1100°C;

11 Materiais para ferramenta de corte Parte 3

• Processo de deposição física a vapor - PVD (Physical Vapour Deposition): a deposição ocorre por meio de vapores gerados no interior de um forno a baixa pressão, em temperaturas em torno de 500° C. O processo PVD traz benefícios como a possibilidade de revestir substratos de aço-rápido (devido à temperatura relativamente mais baixa), obtenção de revestimentos com granulometria mais fina (possibilidade de revestir cantos vivos). A Tabela 4.1 mostra os principais revestimentos da atualidade e o processo de deposição.
Uma evolução no processo de revestimento surgido na década de 80 foi o revestimento multicamada, formado por uma combinação de TiC, TiN, TiCN, Al2O3 e ocasionalmente HfN que resultam em um revestimento de espessura total próxima a 10 µm. O desenvolvimento dos revestimentos multicamadas possibilitou o aumento da vida e campo de aplicação das ferramentas.

estudo dos cavacos

Etapas de mecanismo de formação de cavaco:
1. Recalque, devido a penetração da ferramenta na peça;
2. O material recalcado sofre deformação plástica, que aumenta progressivamente, até que tensões cisalhantes se tornem suficientemente grandes para que o deslizamento comece;
3. Ruptura parcial ou completa, na região de cisalhamento, dando origem aos diversos tipos de cavacos;
4. Movimento sobre a superfície de saída da ferramenta.
Tipos de cavacos:
• Cisalhado (segmentado);
• De ruptura (descontínuo);
• Contínuo;
• Cavaco contínuo com aresta postiça de corte (APC)
A Figura 4.3 mostra os principais tipos de cavacos, bem como sua formação e o material usinado propício à sua formação.
Quanto à forma, os cavacos são classificados como:
• Em fita;
• Helicoidal;
• Espiral;
• Em lasca ou pedaços.
A norma ISO 3685 faz uma classificação mais detalhada, conforme pode ser visualizado na Figura 4.4.
O material da peça é o principal fator que vai influenciar na classificação quanto à forma dos cavacos. Quanto às condições de corte: maior vc(velocidade de corte), f (avanço) e γ (ângulo de saída) tende a produzir cavacos em fitas (ou contínuos, quanto ao tipo). O “f” é o parâmetro mais influente e o ap é o que menos influencia na forma de cavacos. A figura 4.5 ilustra a influência destes parâmetros na forma do cavaco.
Os cavacos do tipo contínuos (em fita) trás sérios inconvenientes, entre eles destacam:
• Pode ocasionar acidentes, visto que eles se enrolam em torno da peça, da ferramenta ou dos componentes da máquina;
• Dificulta a refrigeração direcionada, desperdiçando o fluido de corte;
• Dificulta o transporte (manuseio);
• Ele prejudica o corte, no sentido de poder afetar, o acabamento, as forças de corte e a vida útil das ferramentas.
Apesar das condições de corte poderem ser escolhidas para evitar ou pelo menos reduzir a tendência de formação de cavacos longos em fita (contínuo ou cisalhado). Até o momento, o método mais efetivo e popular para produzir cavacos curtos é o uso de dispositivos que promovem a quebra mecânica deles, que são os quebra-cavacos. Os tipos mais comuns de quebra-cavacos estão ilustrados na Figura 4.6, e são:
• Quebra-cavacos usinado diretamente na ferramenta;
• Quebra-cavacos fixado mecanicamente;
• Quebra-cavacos em pastilha sinterizada.

12 Materiais para ferramenta de corte Parte 4

Como vantagens do uso de quebra-cavacos podemos enumerar:
1. Redução de transferência de calor para a ferramenta por reduzir o contato entre o cavaco e ferramenta;
2. Maior facilidade de remoção dos cavacos;
3. Menor riscos de acidentes para o operador;
4. Obstrução menor ao direcionamento do fluido de corte sobre a aresta de corte da ferramenta.

13 Fluidos de corte

introdução

A busca por valores maiores de velocidade de corte sempre foi almejada em virtude de uma maior produção de peças, e isso foi possível devido ao surgimento de novos materiais de corte (metal duro, cerâmicas, ultra-duros “PCB” e “PCD”) capazes de usinar os materiais com altíssimas vc(velocidade de corte), em contrapartida grandes valores de temperaturas foram geradas na região de corte devido a um grande atrito entre a peça e a ferramenta.

O calor excessivo prejudica a qualidade do trabalho por várias razões:

1. Diminuição da vida útil da ferramenta;

2. Aumento da oxidação da superfície da peça e da ferramenta;

3. Aumento da temperatura da peça, provocando dilatação, erros de medidas e deformações.

Para resolver estes problemas surgiram fluidos de corte, que são materiais compostos por sólidos, gases e, na maioria das vezes, líquidos.

Funções dos fluidos de corte

As principais funções dos fluidos de corte são:

• Refrigeração a altas velocidades;

• Lubrificação a baixas velocidades.

Outras funções:

• Ajudar a retirar cavaco da zona de corte;

• Proteger a máquina-ferramenta e a peça da corrosão atmosférica.

Como refrigerante o fluido de corte evita que a ferramenta atinja uma temperatura elevada, tanto pela dissipação do calor (refrigeração), como também pela redução da geração de calor (lubrificação). Quando um fluido de corte é a base de água, a dissipação de calor (refrigeração) é mais importante que a redução de calor (lubrificação).

A eficiência do fluido de corte em reduzir a temperatura diminui com o aumento da velocidade de corte e da profundidade de corte .

Como lubrificante, o fluido de corte forma um filme (película) entre a ferramenta e a peça, impedindo quase totalmente o contato direto entre os mesmos. O fluido de corte pode também restringir o caldeamento (microssoldagem) de cavacos da superfície de saída da ferramenta e evitar o aparecimento da aresta postiça de corte (APC), isso quando são adicionados certos aditivos apropriados.

À baixas velocidades de corte, a refrigeração é relativamente sem importância, enquanto que a lubrificação é importante para reduzir o atrito e evitar o aparecimento de APC (aresta postiça de corte). Um fluido de corte à base de óleo seria o indicado.

À altas velocidades de corte, as condições não são favoráveis para a penetração do fluido de corte na interface cavaco-ferramenta para que ele exerça o papel lubrificante. Nessas condições a refrigeração se torna mais importante e um fluido à base de água deve ser utilizado.

Razões para se usar fluidos de corte

Usa-se os fluidos afim de obter um custo total por partes usinadas menor ou um aumento na taxa de produção.

Isto é possível devido aos benefícios que os fluidos de corte podem proporcionar, como por exemplo:

• Aumento da vida útil da ferramenta pela lubrificação e refrigeração (diminuição da temperatura);

• Redução das forças de corte devido a lubrificação e, consequentemente, redução de potência;

• Melhora do acabamento superficial;

• Fácil remoção do cavaco da zona de corte;

• Menor distorção da peça pela ação da ferramenta (controle dimensional da peça).

aditivos

Certas propriedades especiais são conferidas aos fluidos de corte por meio de aditivos, que são produtos químicos ou orgânicos. Os aditivos mais usados são:

• Antiespumantes: evitam a formação de espuma que poderia impedir a boa visão da região de corte e comprometer o efeito de refrigeração do fluido;

• Anticorrosivos: protegem a peça, a ferramenta e a máquina-ferramenta da corrosão (são produtos à base se nitrito de sódio);

• Antioxidantes: tem a função de impedir que o óleo se deteriore quando em contato com o oxigênio no ar;

• Detergentes: reduzem a deposição de iôdo, lamas e borras (composto de magnésio, bário, cálcio, etc);

14 Fluidos de corte Parte 2

• Emulgadores: são responsáveis pela formação de emulsões de óleo na água;

• Biocidas: substâncias ou misturas químicas que inibem o crescimento de microrganismos;

• Agentes EP (extrema pressão): para operações mais severas de corte, eles conferem aos fluidos de corte uma lubricidade melhorada para suportarem elevadas temperaturas e pressões de corte reduzindo o contato da ferramenta com o material. Os principais agentes EP são à base de enxofre, cloro e fósforo.

Grupo dos fluidos de corte

Sem sombras de dúvidas o grupo dos fluidos de corte líquidos é o mais importante e mais amplamente empregado, eles ocupam lugar de destaque por apresentarem propriedades refrigerantes e lubrificantes, enquanto os gasosos (Ar, CO2 e N ) só refrigeram e os sólidos (grafite, bissulfeto de mobilidênio) só lubrificam.

Podemos ainda subdividir o grupo dos fluidos refrigerantes em três grandes grupos:

1. Óleos de corte integrais (puros): óleos minerais (derivados de petróleo), óleos graxos (de origem animal ou vegetal), óleos sulfurados (enxofre) e clorados (cloro) que são agentes EP.

2. Óleos emulsionáveis ou solúveis: são fluidos de corte em forma de emulsão composto por uma mistura de óleo e água na proporção de 1:10 a 1:1000. Sua composição é à base de óleos minerais, óleos graxos, emulsificados, agentes EP (enxofre, cloro, fósforo ou cálcio) e água.

3. Fluidos químicos ou sintéticos: não contêm óleo mineral em sua composição, formam soluções transparentes (boa visibilidade no processo de corte). Composto por misturas de água e agentes químicos (amina, nitritos, fosfatos, boratos, sabões, agentes umectantes, glicóis e germicidas).

seleção de corte

Não existe um fluido universal, a escolha do fluido com determinada composição depende do material a ser usinado, do tipo de operação e da ferramenta usada. Os fluidos de corte solúveis e sintéticos são indicados quando a refrigeração for mais importante. Os óleos minerais e graxos usados juntos ou separados, puros ou contendo aditivos especiais, são usados quando a lubrificação for o fator mais determinante.

dicas tecnológicas

• Fofo cinzento: são normalmente usinados a seco, porém um óleo emulsionável pode ser útil para ajudar a remover o cavaco que é o tipo de ruptura;

• O alumínio e suas ligas podem ser usinados a seco. Para algumas ligas é necessário o fluido de corte, que pode ser uma emulsão com mistura de óleo mineral e graxo e a maioria das emulsões solúveis. Não requer aditivos EP e o enxofre ataca o metal instantaneamente;

• Magnésio e suas ligas normalmente são usinados secos e a altíssimas velocidades de corte, entretanto, um refrigerante pode ser usado. Emulsões são proibidas, pois a água reage com o cavaco para liberar hidrogênio, que apresenta riscos de ignição. O enxofre ataca o metal;

• O cobre e suas ligas geralmente usam óleos solúveis. O enxofre causa descoloração das peças;

• Devido a altas fragilidades das ferramentas cerâmicas, deve-se tomar cuidado ao aplicar um refrigerante, porque os choques térmicos podem causar trincas superficiais.

Direções de aplicação do fluido

Existem três direções de aplicação dos fluidos de corte, como mostra a Figura 5.1.

Direção A: Aplicação convencional de fluido na forma de jorro à baixa pressão (sobre-cabeça);

Direção B: Aplicação de fluido entre a superfície de saída da ferramenta e a parte inferior do cavaco. Nesta aplicação, estudada em algumas pesquisas, o fluido é aplicado sob alta pressão;

Direção C: Aplicação do fluido entre a superfície de folga da ferramenta e a peça.

Métodos de aplicação dos fluidos de corte

Existem basicamente três métodos de aplicação do fluido:

• Jorro de fluido à baixa pressão (torneira à pressão normal);

• Pulverização;

• Sistema à alta pressão.

O primeiro sistema é o mais utilizado pela sua simplicidade. O segundo método oferece vantagens sobre o primeiro devido ao maior poder de penetração e velocidade. O terceiro método é mais engenhoso e bons resultados foram obtidos com o seu emprego. A Figura 5.2 mostra um sistema de aplicação de fluido de corte por jorro a baixa pressão.

Nos últimos tempos, na tentativa de reduzir custos e atender as normas ambientais, tem-se observado uma necessidade de reduzir o consumo de fluido de corte. A técnica de aplicação de Mínima Quantidade de Fluido de Corte (MQF) tem sido objeto de pesquisas nos últimos anos. Nesta técnica o fluido é aplicado em volumes muito baixos chegando a 10 ml/h. Normalmente, eles são aplicados juntamente com um fluxo de ar (método da pulverização), e direcionados contra a saída do cavaco, ou entre a superfície de folga da ferramenta e a peça.

Manuseio dos fluidos e dicas de higiene

Providências e cuidados no manuseio de fluidos de corte:

• Armazenamento: local adequado sem variações de temperaturas, limpos e livres de contaminação;

• Alimentação: deve-se aplicar diretamente sobre a aresta de corte, a alimentação deve ser iniciada antes do início do corte;

• Purificação e recuperação: por meio de decantação e filtragem;

• Controle de odor: contornado por meio de limpeza do local e pelo uso de bactericida da emulsão e o contato do operador com os fluidos de corte mais os resíduos da usinagem formam compostos que aderem à pele das mãos e dos braços. Essas substâncias entopem os poros e os folículos capilares, impedindo a formação normal do suor e a ação da limpeza natural da pele, o que causa a dermatite. O controle desse problema é mais uma questão de higiene pessoal (vestir um avental a prova de óleo, lavar as áreas da pele que entram em contato com o fluido, sujeiras e partículas metálicas ao menos duas vezes ao dia. Tratar e proteger imediatamente os cortes e arranhões, aplicar cremes adequados as mãos e aos braços antes do início do trabalho e depois de lavá-los, instalar nas máquinas protetores contra salpicos, etc.).

15 Comando numérico computadorizado (CNC)

A sigla CNC significa comando numérico computadorizado e refere-se a máquinas ferramenta comandadas por computadores. A primeira máquina-ferramenta controlada por computador foi uma fresadora. Ela surgiu em 1952 e destinava-se a usinar peças de geometria complicadas utilizadas em aviões e helicópteros. Na verdade, tratava-se de uma fresadora já existente – fabricada por uma empresa americana chamada Cincinnati – que sofreu modificações em seus componentes mecânicos e recebeu um controlador eletrônico.

Este primeiro controlador eletrônico não lembra, nem de longe, os pequenos e numerosos controladores numéricos atuais. Eles tinham várias vezes o tamanho da própria máquina, consumiam muita energia elétrica, falhavam freqüentemente e sua capacidade de cálculo era muito limitada, se comparada à tecnologia atualmente disponível.

No entanto, apesar dessas limitações, essa fresadora inaugurou a era das máquinas ferramenta CNC.

Durante cerca de oito anos, entre 1952 e 1960, a utilidade desse novo tipo de tecnologia foi testada nos mercados dos Estados Unidos e da Europa. Os usuários de máquinas-ferramenta, desconfiados da eficiência dos equipamentos e assustados com os preços elevados, não aderiram imediatamente ao novo conceito de produção. Apenas poucas indústrias, como a aeronáutica e a automobilística, tinham condições financeiras para adquirir este tipo de equipamento.

Com a redução progressiva dos custos e o aumento da capacidade de cálculo dos controladores eletrônicos, a tecnologia CNC popularizou-se entre indústrias pequenas e médias. Hoje, é praticamente impossível imaginar a indústria, principalmente os setores mecânico e metalúrgico, sem a presença de máquinas-ferramenta CNC.

Os benefícios trazidos pela aplicação de comandos numéricos e máquinas-ferramenta foram:

• Fabricação de peças de geometria mais complexas, tolerâncias dimensionais mais estreitas e melhor acabamento superficial;

• Maior repetibilidade das características do produto: já que as peças são produzidas são idênticas umas as outras, independentemente dos fatores humanos;

• Redução da fadiga dos operadores humanos, que passam a ser responsáveis apenas por tarefas de preparação programação e controles de uma grande variedade de peças, sem que para isso sejam necessários ajustes demorados no equipamento;

Contudo, o uso das máquinas CNC trouxe alguns problemas, tais como:

• Necessidade de investimentos relativamente elevados para aquisição dos equipamentos;

• Necessidade de treinamento e capacitação de mão-de-obra para a utilização de todo o potencial tecnológico das máquinas;

• Desempregos nos segmentos da indústria onde foram instaladas.

Alguns desses problemas, no entanto, poderiam ser solucionados na própria empresa. Assim, a recapacitação dos operários para novos postos de trabalho ou até sua absorção pelos próprios fabricantes dos equipamentos automáticos são soluções viáveis que dependem basicamente da política social da empresa.

Sistemas de coordenadas

Toda geometria de peça é transmitida ao comando com o auxílio de um sistema de coordenadas cartesianas.

Fresadora (centro de usinagem)

O sistema de coordenadas é definido no plano formado pelo cruzamento de uma linha paralela ao movimento longitudinal (Z) com outra paralela ao movimento transversal (X).

Para o torneamento, todo o movimento da ponta da ferramenta é descrito neste plano XZ em relação a uma origem pré-estabelecida (X0, Z0). Sendo assim, é conveniente adotar-se que X é sempre a medida do diâmetro.

Observação:

O sinal positivo ou negativo introduzido na dimensão a ser programada é dado pelo quadrante onde a ferramenta esta situada:

Sistema de coordenadas absolutas

Neste sistema, a origem é estabelecida em função da peça a ser executada, para tanto, pode-se estabelece-la em qualquer ponto do espaço facilitando a programação. Este processo denomina-se “Zero Flutuante”.

Como vimos, a origem do sistema foi fixada como sendo os pontos X0, Z0. O ponto X0 é definido pela linha de centro-árvore. O ponto Z0 é definido por qualquer linha perpendicular à linha de centro do eixo-árvore .

Durante a programação, normalmente a origem (X0, Z0) é pré-estabelecida no fundo da peça ( encosto das castanhas) ou na face da peça, conforme a ilustração que se segue:

Sistemas de coordenadas incrementais

A origem deste sistema é estabelecida para cada movimento da ferramenta. Após qualquer deslocamento haverá uma nova origem, ou seja, para qualquer ponto atingido pela ferramenta, a origem das coordenadas passará a ser o ponto alcançado. Todas as medidas são feitas através da distância a ser deslocada.

Se a ferramenta desloca-se de um ponto A até B (dois pontos quaisquer), as coordenadas a serem programadas serão as distâncias entre os dois pontos, medidas (projetadas) em X e Z.

Note que o ponto A é a origem do deslocamento para o ponto B. Após a maquina chegar ao ponto B, esse será a origem para o deslocamento até o ponto C, e assim sucessivamente.

programação

Um programa de usinagem CNC é uma lista de instruções codificadas que descrevem como a peça projetada será usinada. Cada linha do programa é chamada de bloco, e estes blocos são executados sequencialmente. Nem todos os códigos estão ainda sob controle da norma internacional ISO. Por isso, o mesmo código pode ter um significado diferente dependendo do comando (Siemens, fanuc, Mach, etc.) ou da mudança de máquina (torno e fresa). A Tabela 6.1 fornece uma lista de caracteres que vão estar presentes em um programa CNC.

Exemplo de um bloco: N20 G01 X20 Y30 Z2 F200 M03 S2000

O fabricante de máquinas de usinagem Denford (comando Fanuc) traz em seus programas termos chamados de diretivas que são usados nos programas principalmente para auxiliar na geração dos gráficos de simulação, definir o diâmetro e a altura das ferramentas.

As funções G (preparatórias) e M (miscelâneas) são funções que compõem basicamente um programa CNC. As funções “G” definem à máquina o que fazer preparando-a para executar movimentos e reconhecer unidades de medida. As funções “M” funcionam como botões liga/desliga; a exemplo temos a função M08 que tem a liga o refrigerante de corte e M09 que desliga. As Tabelas 6.2 e 6.3 mostram algumas funções G e M usadas regularmente em programas de usinagem CNC.

16 Comando numérico computadorizado (CNC) Parte 2

As funções modais, uma vez programadas, permanecem na memória do comando, valendo para todos os blocos posteriores. Já as não-modais, todas as vezes que requeridas, devem ser programadas, ou seja, são válidas somente nos blocos que as contêm.
• FUNÇÃO G00: Posicionamento rápido. Os eixos movem-se para a meta programada com a maior velocidade de avanço disponível para cada modelo de máquina. A função G00 é modal e cancela as funções G1, G2, G3 e G73.
• FUNÇÃO G01: Interpolação linear com avanço programável. Com essa função obtém-se movimentos retilíneos com qualquer ângulo, através de coordenadas e com avanço (F) pré-determinado pelo programador. Geralmente nos tornos CNC utiliza-se o avanço em mm/ rotação, podendo também ser utilizado em mm/minuto.
O avanço é um dado importante de corte e é obtido levando-se em conta o material, a ferramenta e a operação a ser executada. A função G1 é modal e cancela as funções G0, G2, G3, e G73.
• FUNÇÕES: G2 E G3: Interpolar circular. Tanto G2 como G3 podem executar operações de usinagem de arcos pré-definidos através de uma movimentação apropriada e simultânea dos eixos.
Na programação de um arco deve-se observar as seguintes regras:
• O ponto de início do arco é a posição de início da ferramenta;
• Programa-se o sentido de interpolação circular (horária ou anti-horária) através dos códigos G2 e G3;
• Juntamente com o sentido do arco programa-se as coordenadas do ponto final do arco X e Z e as funções I e K (coordenadas para o centro do arco) ,ou então, a função R (valor do raio).
• FUNÇÃO R: Definição do raio. É possível programar “interpolação circular” até 180º com o auxílio da função R, definindo o valor do raio sempre com o sinal positivo.
• FUNÇÕES I e K: Coordenadas do centro do arco. As funções I e K definem a posição do centro do arco, no qual:
I é paralelo ao eixo X;
K é paralelo ao eixo Z.
As funções I e K são programadas tomando-se coma referência a distância do centro do arco até a origem do sistema de coordenadas.

notas:

A função “I” deve ser programada em diâmetro. Caso o centro do arco ultrapasse a linha de centro deveremos dar o sinal correspondente ao quadrante.
O sentido de execução da usinagem do arco define-se em horário ou anti-horário, conforme as figuras abaixo:
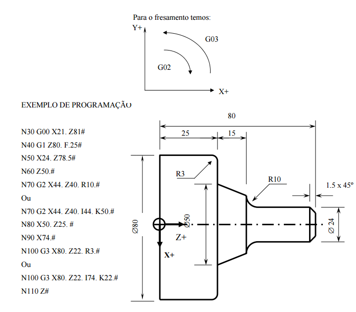
Figura 6.8 - Funções G02 e G03 para torre dianteira (quadrante positivo). Observação:

Importante:

Antes da execução do bloco contendo a interpolação circular o comando verifica automaticamente o arco e, se for geometricamente impossível a execução, o comando para mostrando uma mensagem de erro. As funções G2 e G3 não são modais.