Pneumática Básica

Mecânica Industrial

1 Vantagens e desvantagens do ar comprimido

Vantagens

- Volume: o ar a ser comprimido se encontra em quantidades ilimitadas.
- Transporte: é facilmente transportável por tubulações.
- Armazenagem: pode ser armazenado em reservatórios.
- Temperatura: é insensível às oscilações de temperatura.
- Segurança: não existe o perigo de explosão ou incêndio.
- Construção: os elementos de trabalho são de construção simples.
- Velocidade: permite alcançar altas velocidades de trabalho.
- Regulagem: as velocidades e forças são reguláveis sem escala.
- Segurança contra sobre carga: os elementos de trabalho são carregáveis até a parada final, sem prejuízo para o equipamento.

Desvantagens

- Preparação: impurezas e umidades devem ser evitadas, pois provocam desgastes nos elementos pneumáticos.
- Compressibilidade: não é possível se manter constante as velocidades de elementos de trabalho.
- Potência: o ar é econômico até uma determinada força, cujo limite é 3000 Kgf.
- Escape de ar: o escape é ruidoso.
- Custos: a produção do ar comprido é onerosa, pois depende de outra forma de energia. O custo do ar comprimido torna-se elevado se na rede de distribuição e nos equipamentos, se houverem vazamentos consideráveis.

2 Introdução

O ar comprimido é, provavelmente, uma das mais antigas formas de transmissão de energia que o homem conhece, empregada e aproveitada para ampliar sua capacidade física.

O reconhecimento da existência física do ar, bem como a sua utilização consciente para o trabalho, são comprovados há milhares de anos.

O primeiro homem que, com certeza, sabemos se interessou pela pneumática, isto é, o emprego do ar comprimido como meio auxiliar de trabalho, foi o grego ktesibios. Há mais de 2000 anos ele construiu uma catapulta a ar comprimido.

Um dos primeiros livros sobre o emprego do ar comprimido como transmissão de energia, data do 10 século D.C e descreve equipamentos que foram acionados com ar aquecido.

Dos antigos gregos provem à expressão PNEUMA que significa fôlego, vento e, filosoficamente, alma.

Derivando da palavra PNEUMA, surgiu, entre outros, o conceito de PNEUMÁTICA: a MATÉRIA dos movimentos dos gases e fenômenos dos gases.

Embora, a base da pneumática seja um dos mais velhos conhecimentos da humanidade, foi preciso aguardar o século XIX para que o estudo de seu comportamento e de suas características se tornasse sistemático.

Porém, pode-se dizer que somente após o ano 1950 é que ela foi realmente introduzida na produção indústria.

Antes, porém, já existiam alguns campos de aplicação e aproveitamento da pneumática, como, por exemplo, a indústria mineira, a construção civil e a indústria ferroviária (freios a ar comprimido).

A introdução, de forma mais generalizada, da pneumática na indústria, começou com a necessidade, cada vez maior, de automatização e racionalização dos processos de trabalho.

Apesar de sua rejeição inicial, quase sempre proveniente da falta de conhecimento e instrução, ela foi aceita e o número de campos de aplicação tornou-se cada vez maior.

Hoje, o ar comprimido tornou-se indispensável, e nos mais diferentes ramos industriais instalam-se aparelhos pneumáticos.

3 Propriedades do ar

1. Compressibilidade:

O ar tem a propriedade de ocupar todo o volume de qualquer recipiente, adquirindo ser formato, já que não forma própria. Assim podemos fechá-lo em um recipiente com volume determinado e posteriormente provocar-lhe uma redução de volume usando uma força exterior.

2. Elasticidade:

Possibilita ao ar voltar ao seu volume inicial assim que instinto a força responsável pela redução.

3. Difusibilidade:

Permite misturar-se homogeneamente com qualquer meio gasoso que não esteja saturado.

4. Expansibilidade:

Ocupa totalmente o volume de qualquer recipiente, adquirindo seu formato.

5. Peso do ar:

Como toda matéria o ar tem peso. Um litro de ar, a 0ºC e ao nível do mar, pesa 1,293 x 10-3 Kgf.

4 Sistema de Medidas

Os sistemas de medidas usados na pneumática são: o internacional (SI) e o técnico.

Unidades do Sistema Internacional

Unidades derivadas

Unidade de pressão nos sistemas

Unidade de força nos sistemas

Conversão:

5 Força, pressão e área

Força:

É toda causa capaz de modificar o estado de movimento ou causar deformações. É uma grandeza vetorial, e para ser caracterizada devemos conhecer sua intensidade, sentido e direção.

Pressão:

Quando o ar ocupa um recipiente exerce sobre suas paredes uma força igual em todos os sentidos e direções. Ao se chocarem as moléculas produzem um tipo de bombardeio sobre essas paredes, gerando assim um pressão.

Vazão:

Quantidade de fluido que passa através de uma tubulação durante um determinado intervalo de tempo. (Q = V/ t).

6 Produção e distribuição de ar comprimido

1. Compressor
2. Resfriador posterior ar/ar
3. Separador de condensados
4. Reservatório
5. Purgador automático
6. Pré-filtro coalescente
7. Secador
8. Purgador automático eletrônico
9. Pré-filtro coalescente grau x
10. Pré-filtro coalescente grau y
11. Pré-filtro coalescente grau z
12. Separador de água e óleo

7 Umidade

O ar atmosférico é uma mistura de gases, principalmente de oxigênio e nitrogênio, e contém contaminantes de três tipos básicos: água, óleo e poeira.
O compressor, ao admitir ar, aspira também os seus compostos e, ao comprimir, adiciona a esta mistura o calor sob a forma de pressão e temperatura, além de adicionar óleo lubrificante.
Componentes com água sofrerão condensação e ocasionarão problemas. Sabemos que a quantidade de água absorvida pelo ar está relacionada com a sua temperatura e volume.
Quando o ar é resfriado à pressão constante, a temperatura diminui, então a parcial do vapor será igual à pressão de saturação no ponto de orvalho.
Qualquer resfriamento adicional provocará condensação da umidade.
A presença desta água condensada nas linhas de ar, causada pela diminuição de temperatura, terá como conseqüências:
• Oxidação da tubulação e componentes pneumáticos.
• Dissolução da película lubrificante existente entre as duas superfícies que estão em contato, acarretando desgaste prematuro e reduzindo a vida útil das peças,válvulas, cilindros, etc.
• Baixo rendimento da produção de peças.
• Arraste de partículas sólidas que prejudicarão o funcionamento dos componentes pneumáticos.
• Aumento do índice de manutenção.
• Impossibilidade da aplicação em equipamentos de pulverização. Portanto, é da maior importância que grande parte da água, bem como dos resíduos de óleo, seja removida do ar para evitar redução de todos os dispositivos e máquinas pneumáticas.

Principais componentes de produção e distribuição de ar comprimido:

1. Compressor
2. Resfriador
3. Reservatório
4. Secador
5. Tubulação
6. Unidade de conservação

8 Compressor

Compressores são máquinas destinadas a elevar a pressão de um certo volume de ar, admitido nas condições atmosféricas, até uma determinada pressão, exigida na execução dos trabalhos realizados pelo ar comprimido.

Função:

* Captar o ar comprimido;
* Aprisionar o ar;
* Elevar a pressão.

Simbologia

Compressor de Simples Efeito ou Compressor Tipo Tronco

Este tipo de compressor leva este nome por ter somente uma câmara de compressão, ou seja, apenas a face superior do pistão aspira o ar e comprime; a câmara formada pela face inferior está em conexão com o carter.
O pistão está ligado diretamente ao virabrequim por uma biela (este sistema de ligação é denominado tronco), que proporciona um movimento alternativo de sobe e desce ao pistão, e o empuxo é totalmente transmitido ao cilindro de compressão. Iniciado o movimento descendente, o ar é aspirado por meio de válvulas de admissão, preenchendo a câmara de compressão.
A compressão do ar tem início com o movimento da subida. Após obter-se uma pressão suficiente para abrir a válvula de descarga, o ar é expulso para o sistema.

Compressor de Duplo Efeito - Compressor Tipo Cruzeta

Este compressor é assim chamado por ter duas câmaras, ou seja, as duas faces do êmbolo aspiram e comprimem. O virabrequim está ligado a uma cruzeta por uma biela; a cruzeta, por sua vez, está ligada ao êmbolo por uma haste. Desta maneira consegue transmitir movimento alternativo ao êmbolo, além do que, a força de empuxo não é mais transmitida ao cilindro de compressão e sim às paredes guias da cruzeta.
O êmbolo efetua o movimento descendente e o ar é admitido na câmara superior, enquanto que o ar contido na câmara inferior é comprimido e expelido. Procedendo-se o movimento oposto, a câmara que havia efetuado a admissão do ar realiza a sua compressão e a que havia comprimido efetua a admissão. Os movimentos prosseguem desta maneira, durante a marcha do trabalho.

Cilindros (Cabeçotes)

São executados, geralmente, em ferro fundido perlítico de boa resistência mecânica, com dureza suficiente e boas características de lubrificação devido à presença de carbono sob a forma de grafite. Pode ser fundido com aletas para resfriamento com ar, ou com paredes duplas para resfriamento com água (usam-se geralmente o bloco de ferro fundido e camisas de aço). A quantidade de cilindros com camisas determina o número de estágios que podem ser:

Êmbolo (pistão)

O seu formato varia de acordo com a articulação existente entre ele e a biela. Nos compressores de S.E., o pé da biela se articula diretamente sobre o pistão e este, ao subir, provoca empuxo na parede do cilindro. Em consequência, o êmbolo deve apresentar uma superfície de contato suficiente. No caso de D.E., o empuxo lateral é suportado pela cruzeta e o êmbolo é rigidamente preso à haste. Os êmbolos são feitos de ferro fundido ou ligas de alumínio.

Compressor de pistão com membrana

Compressor de palheta

Compressor Roots ou lóbulo

Compressor de Parafuso

Este compressor é dotado de uma carcaça onde giram dois rotores helicoidais em sentidos opostos. Um dos rotores possui lóbulos convexos, o outro uma depressão côncava e são denominados, respectivamente, rotor macho e rotor fêmea.
Os rotores são sincronizados por meio de engrenagens; entretanto existem fabricantes que fazem com que um rotor acione o outro por contato direto. O processo mais comum é acionar o rotor macho, obtendo-se uma velocidade menor do rotor fêmea. Estes rotores revolvem-se numa carcaça cuja superfície interna consiste de dois cilindros ligados como um "oito".
Nas extremidades da câmara existem aberturas para admissão e descarga do ar. O ar à pressão atmosférica ocupa espaço entre os rotores e, conforme eles giram, o volume compreendido entre os mesmos é isolado da admissão. Em seguida, começa a decrescer, dando início à compressão.
Esta prossegue até uma posição tal que a descarga é descoberta e o ar é descarregado continuamente, livre de pulsações. No tubo de descarga existe uma válvula de retenção, para evitar que a pressão faça o compressor trabalhar como motor durante os períodos em que estiver parado.

Irregularidades na compressão

Como na compressão o ar é aquecido, é normal um aquecimento do compressor. Porém, às vezes o aquecimento exagerado pode ser devido a uma das seguintes causas:
a) Falta de óleo no carter
b) Válvulas presas
c) Ventilação insuficiente
d) Válvulas sujas
e) Óleo do carter viscoso demais
f) Filtro de ar entupido

9 Resfriador

Para resolver de maneira eficaz o problema inicial da água nas instalações de ar comprimido, o equipamento mais completo é o resfriador posterior, localizado entre a saída do compressor e o reservatório, pelo fato de que o ar comprimido na saída atinge sua maior temperatura. O resfriador posterior é simplesmente um trocador de calor utilizado para resfriar o ar comprimido.
Como conseqüência deste resfriamento, permite-se retirar cerca de 75% a 90% do vapor de água contido no ar, bem como vapores de óleo; além de evitar que a linha de distribuição sofra uma dilatação, causada pela alta da temperatura de descarga do ar.
Um resfriador posterior é constituído basicamente de duas partes: um corpo geralmente cilíndrico onde se alojam feixes de tubos confeccionados com materiais de boa condução de calor, formando no interior do corpo uma espécie de colmeia.
A segunda parte é um separador de condensado dotado de dreno. Devido à sinuosidade do caminho que o ar deve percorrer, provoca a eliminação da água condensada, que fica retida numa câmara.
A parte inferior do separador é dotada de um dreno manual ou automático na maioria dos casos, através do qual a água condensada é expulsa para a atmosfera. Certamente, a capacidade do compressor influi diretamente no porte do resfriador.

Função:

* Resfriar o ar;
* Reter impurezas em suas aletas
* Retirar a água do sistema (65% a 80%)

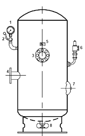
10 Reservatório

Em geral, o reservatório possui as seguintes funções:
• Armazenar o ar comprimido.
• Resfriar o ar auxiliando a eliminação do condensado.
• Compensar as flutuações de pressão em todo o sistema de distribuição.
• Estabilizar o fluxo de ar.
• Controlar as marchas dos compressores, etc.

SIMBOLOGIA

Os reservatórios são construídos no Brasil conforme a norma PNB 109 da A.B.N.T, que recomenda:
Nenhum reservatório deve operar com uma pressão acima da Pressão Máxima de Trabalho permitida, exceto quando a válvula de segurança estiver dando vazão; nesta condição, a pressão não deve ser excedida em mais de 6% do seu valor. Manutenção e inspeção obedece a norma NR13.
Os reservatórios devem ser instalados de modo que todos os drenos, conexões e aberturas de inspeção sejam facilmente acessíveis, o mesma deve permanecer na sombra, para facilitar a condensação da umidade e do óleo contidos no ar comprimido; deve possuir um dreno no ponto mais baixo para fazer a remoção deste condensado acumulado.
Os reservatórios são dotados ainda de manômetro, válvulas de segurança, e são submetidos a uma prova de pressão hidrostática, antes da utilização.

11 Desumidificação do Ar ou Secador

A aquisição de um secador de ar comprimido pode figurar no orçamento de uma empresa como um alto investimento, um secador chegava a custar 25% do valor total da instalação de ar. Mas cálculos efetuados mostravam também os prejuízos causados pelo ar úmido: substituição de componentes pneumáticos, filtros, válvulas, cilindros danificados, impossibilidade de aplicar o ar em determinadas operações como pintura, pulverizações e ainda mais os refugos causados na produção de produtos.

Concluiu-se que o emprego do secador tornou-se altamente lucrativo, sendo pago em pouco tempo de trabalho, considerando-se somente as peças que não eram mais refugadas pela produção. Os meios utilizados para secagem do ar são múltiplos. Vamos nos referir aos três mais importantes, tanto pelos resultados finais obtidos quanto por sua maior difusão.

Secagem por Refrigeração

O método de desumidificação do ar comprimido por refrigeração consiste em submeter o ar a uma temperatura suficientemente baixa, a fim de que a quantidade de água existente seja retirada em grande parte. Além de remover a água, provoca, no compartimento de resfriamento, uma emulsão com o óleo lubrificante do compressor, auxiliando na remoção de certa quantidade.

Secagem Por Absorção

É o método que utiliza em um circuito uma substância sólida ou líquida, com capacidade de absorver outra substância líquida ou gasosa. Este processo é também chamado de Processo Químico de Secagem, pois o ar é conduzido no interior de um volume através de uma massa higroscópica que absorve a umidade do ar, processando-se uma reação química.

As principais substâncias utilizadas são: Cloreto de Cálcio, Cloreto de Lítio, Dry-o-Lite. Com a conseqüente diluição das substâncias, é necessária uma reposição regular, caso contrário o processo torna-se deficiente. A umidade retirada e a substância diluída são depositadas na parte inferior do invólucro, junto a um dreno, de onde são eliminadas para a atmosfera.

Secagem Por Adsorção

É a fixação das moléculas de um adsorvato na superfície de um adsorvente geralmente poroso e granulado, ou seja, é o processo de depositar moléculas de uma substância (ex. água) na superfície de outra substância, geralmente sólida (ex.SiO2). Este método também é conhecido por Processo Físico de Secagem, o processo de adsorção é regenerativo; a substância adsorvente, após estar saturada de umidade, permite a liberação de água quando submetida a um aquecimento regenerativo.

12 Rede de Distribuição

A rede possui duas funções básicas:
1. Comunicar a fonte produtora com os equipamentos consumidores.
2. Funcionar como um reservatório para atender às exigências locais.
Um sistema de distribuição perfeitamente executado deve apresentar os seguintes requisitos:
Pequena queda de pressão entre o compressor e as partes de consumo; Não apresentar escape de ar; Apresentar grande capacidade de realizar separação de condensado. Visando melhor performance na distribuição do ar, o layout deve ser construído em desenho isométrico ou escala, permitindo a obtenção do comprimento das tubulações nos diversos trechos.
O layout apresenta a rede principal de distribuição, suas ramificações, todos os pontos de consumo, incluindo futuras aplicações; qual a pressão destes pontos, e a posição de válvulas de fechamento, conexões, curvaturas, separadores de condensado, etc. Através do layout, pode-se então definir o menor percurso da tubulação, acarretando menores perdas de carga e proporcionando economia.
Em relação ao tipo de linha a ser executado, anel fechado (circuito fechado) ou circuito aberto, devem-se analisar as condições favoráveis e desfavoráveis de cada uma. Geralmente a rede de distribuição é em circuito fechado deste anel partem as ramificações para os diferentes pontos de consumo.
O Anel fechado auxilia na manutenção de uma pressão constante, além de proporcionar uma distribuição mais uniforme do ar comprimido para os consumos intermitentes, dificulta porém a separação da umidade, porque o fluxo não possui uma direção.

Válvulas de fechamento na linha:

São de grande importância na rede de distribuição para permitir a divisão desta em seções, especialmente em casos de grandes redes, fazendo com que as seções tornem-se isoladas para inspeção, modificações e manutenção. Assim, evitamos que outras seções sejam simultaneamente atingidas, não havendo paralisação do trabalho e da produção.

Material dos tubos:

Cobre, latão, aço preto ou galvanizado, plástico.

Ligações entre os tubos:

Processam-se de diversas maneiras, rosca, solda, flange, acoplamento rápido, devendo apresentar a mais perfeita vedação.

Curvatura:

As curvas devem ser feitas no maior raio possível, para evitar perdas excessivas por turbulência.

Inclinação:

As tubulações devem possuir uma determinada inclinação no sentido do fluxo interior. O valor desta inclinação é de 0,5 a 2% em função do comprimento reto da tubulação onde for executada.

Drenagem de umidade:

Devem ser instalados drenos (purgadores), que podem ser manuais ou automáticos, colocados nos pontos mais baixos, distanciados aproximadamente 20 a 30m um do outro.

Tomadas de Ar:

Devem ser sempre feitas pela parte superior da tubulação principal (bengalas).

13 Unidade de Conservação

Para se manter o ar comprimido em boas condições de uso, utilizamos a unidade de conservação. A utilização desta unidade de serviço é indispensável em qualquer tipo de sistema pneumático, do mais simples ao mais complexo.
Ao mesmo tempo em que permite aos componentes trabalharem em condições favoráveis, prolonga a sua vida útil é composta de:
1- filtro
2- regulador de pressão
3- lubrificador

Filtro de ar comprimido

O filtro livra o ar comprimido das impurezas, inclusive da água condensada. De acordo com a figura, o ar comprimido entra no filtro, onde é colocado em rotação pelas fendas condutoras. Durante a rotação do ar, a força centrífuga separa do ar, os corpos líquidos indesejáveis e as partículas maiores de sujeiras que se acumulam na parte inferior do filtro. O material deve ser drenado antes de alcançar a marca máxima admitida, evitando a sua entrada outra vez , na corrente de ar. As partículas sólidas maiores do que os poros do filtro são retidas. Com o tempo estas partículas obstruem o filtro que deve ser limpo ou trocado regularmente.

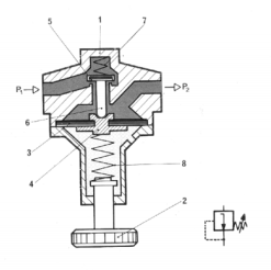
Regulador de pressão

Regulador mantém a pressão de trabalho (pressão secundária) constante, dentro do possível, independente da pressão oscilante da rede(pressão primária) e do consumo de ar . A pressão de entrada deve ser maior do que a pressão de saída. Ela é regulada por um diafragma.
De um lado do diafragma atua a pressão de saída, no lado oposto , atua uma mola cuja pressão pode ser regulada através do parafuso de regulagem.
Quando ocorre um aumento de pressão na entrada, o diafragma se movimenta pela ação do ar, reduzindo progressivamente a área de passagem na sede da válvula ou, fechando-a totalmente através do obturador.
A pressão é regulada pelo volume passante. Uma fuga de ar acarreta uma queda de pressão provocando a abertura da válvula pela ação da mola. A regulagem de pressão de saída pré -determinado é um constante abrir e fechar da sede da válvula. Um manômetro indica a pressão de trabalho.

Lubrificador

A lubrificação do ar comprimido é feita através do lubrificador que abastece os elementos pneumáticos com óleo lubrificante. Os lubrificantes reduzem as forças de atrito ao mínimo, protegem os elementos móveis contra o desgaste e evitam a corrosão dos aparelhos. Os lubrificantes geralmente funcionam pelo princípio venturi. Neste sistema de lubrificação, a diferença de pressão, entre a pressão antes do local pulverizador e, a pressão de estrangulamento do bocal, suga o óleo do reservatório, pulverizando-o na corrente de ar.
Aparelho lubrificador só entra em funcionamento quando há um fluxo de ar suficiente para provocar a depressão que suga o lubrificante do reservatório. Desta forma, é muito importante que se preste atenção aos valores de vazão (fluxo) indicados pelo fabricante do aparelho.

14 Elementos de trabalho pneumático

A energia pneumática é transformada em movimento e força através dos elementos de trabalho. Esses movimentos podem ser lineares ou rotativos.
Os movimentos lineares são executados pelos cilindros e os movimentos rotativos pelos motores pneumáticos e cilindros rotativos.

Movimentos lineares

- cilindros de simples ação
- cilindros de dupla ação

Movimentos rotativos

- motores de giro contínuo
- cilindros de giro limitado

15 Componentes mecânicos de um cilindro

Cilindros de simples ação

Os cilindros de simples ação realizam trabalho recebendo ar comprimido em apenas um de seus lados. Em geral o movimento de avanço é o mais utilizado para a atuação com ar comprimido, sendo o movimento de retorno efetuado através de mola ou por atuação de uma força externa devidamente aplicada.
A força da mola é calculada apenas para que se possa repor o embolo do cilindro à sua posição inicial com velocidade suficientemente alta, sem absorver energia elevada.
O curso dos cilindros de simples ação está limitado ao comprimento da mola. Por esta razão não são fabricados cilindros de simples ação com atuação por mola com mais de 100 mm. Os cilindros de simples ação são especialmente utilizados em operações que envolvam fixação, expulsão, extração e prensagem entre outras.Os cilindros de simples ação podem ainda ser construídos com elementos elásticos para reposição. É o caso dos cilindros de membrana onde o movimento de retorno é feito por uma membrana elástica presa à haste.
A vantagem da membrana está na redução do atrito porém a limitação da força nestes casos se torna uma desvantagem. Estes cilindros são usados especialmente em situações de pequenos espaços disponíveis para operações de fixação e indexação de peças ou dispositivos.
Curso máximo 100mm usado em operações que envolvam fixação, expulsão, extração e prensagem.

Cilindros de dupla ação

Os cilindros de dupla ação realizam trabalho recebendo ar comprimido em ambos os lados. Desta forma realizam trabalho tanto no movimento de avanço como no movimento de retorno. Um sistema de comando permite ao ar comprimido atingir uma câmara de cada vez, exaurindo o ar retido na câmara oposta.
Assim quando o ar comprimido atinge a câmara traseira estará em escape a câmara dianteira e o cilindro avançará. No movimento de retorno o ar comprimido chega a câmara dianteira e a câmara traseira estará em escape. Como não há a presença da mola, as limitações impostas aos cilindros de dupla ação, estão ligadas as deformações da haste quanto a flexão e a flambagem.
Os cilindros de dupla ação quando sujeitos a cargas e velocidades elevadas, sofrem grandes impactos, especialmente entre o embolo e as tampas. Diâmetro máximo normal de ∅ 6 à ∅ 320mm, Curso máximo 2000mm e Velocidade de 0,02 à 1m/s.

Cilindro de haste passante

Com este cilindro pode-se efetuar trabalho em ambos os lados ao mesmo tempo. Pode-se também utilizar um dos lados somente para acionamento de elementos de sinal. Um ponto positivo importante deste tipo de cilindro é o fato de que por possuir dois mancais de apoio para as hastes, ele pode suportar cargas laterais maiores porém por possuir hastes em ambos os lados ele tem sua capacidade de forças reduzidas em relação à cilindros convencionais com uma única haste.

Cilindro de múltiplas posições

Este tipo de cilindro é formado por dois ou mais cilindros unidos por suas câmaras traseiras. Desta forma se consegue um curso mais longo em um pequeno espaço físico. Além disso pode-se conseguir posicionamentos intermediários escalonados.

Cálculo para dimensionamento de cilindro

Para selecionar um cilindro devemos saber:
• Força
• Pressão
• Curso máximo
• Tempo
• Tipo de fixação
• Temperatura
As forças realizadas pelos cilindros dependem da pressão do ar, do diâmetro do êmbolo e em função da aplicação que se deseja do cilindro. A força teórica exercida pelo cilindro é calculada segundo a fórmula:
Exemplo: Precisamos elevar uma carga de 500 Kgf com uma talha pneumática. Sabendo que a pressão de trabalho é de 80psi. Qual o diâmetro do cilindro?

16 Elementos de sinal e comando pneumático

Os circuitos pneumáticos são constituídos por elementos de trabalho (atuadores), sinal e comando (válvulas). As válvulas são elementos de comando para a partida, parada, direção ou regulagem. Elas comandam também a vazão ou a pressão do fluido armazenado em um reservatório.
São classificadas segundo suas funções, e obedecem a norma DIN/ISO 1219 são elas: •
* Válvulas de Controle Direcional
•* Válvulas de Bloqueio (Anti-Retorno) •
* Válvulas de Controle de Pressão
•* Válvulas de Controle de Fluxo •
* Válvulas de Fechamento

Válvulas direcionais

São elementos que influenciam no trajeto do fluxo do ar, principalmente nas partidas, paradas e direção do fluxo.
Para conhecermos bem uma válvula, devemos levar em conta os seguintes dados:
1. Número de Posições
2. Número de Vias
3. Tipo de Acionamento
4. Tipo de Retorno
5. Vazão

1. Número de Posições

É a quantidade de manobras distintas que uma válvula direcional pode executar ou permanecer sob a ação de seu acionamento. São representadas por um retângulo, e este retângulo dividido em quadrados. A quantidade de quadrados representa o número de posições que a válvula pode assumir.

2. Número de Vias

É o número de conexões de trabalho que a válvula possui, são passagens que a válvula tem comunicando o fluído com os diferentes pontos de aplicação ou de escape. São consideradas vias: a conexão de entrada, as conexões de trabalho, e os orifícios de escape.
Para garantir uma identificação e uma ligação correta das válvulas, marcam-se as vias com letras maiúsculas, ou números conforme norma. A regra para identificarmos o número de vias, consiste em separar um dos quadros e verificar quantas vezes os símbolos internos tocam os lados do quadro, obtendo-se assim o número de orifícios e consequentemente o número de vias.

17 Tipo de acionamento

Os tipos de acionamentos são diversificados conforme a necessidade do usuário e podem ser:
Musculares ; Mecânicos ; Pneumáticos ; Elétricos ;Combinados
Estes elementos são representados por símbolos normalizados e são escolhidos conforme a necessidade da aplicação da válvula direcional, os símbolos dos elementos são desenhados horizontalmente nos quadrados.

Tipo de retorno

Por mola ou acionamento pneumático (piloto).

Exemplo:

18 Válvulas de Bloqueio

Estas válvulas são aparelhos que fecham a passagem em uma direção, dando passagem em direção contrária. A própria pressão aciona a peça vedante e ajuda, com isto, a vedação da válvula.

Válvula alternadora (Elemento ou)

Também chamada "válvula de comando duplo ou válvula de dupla retenção". Esta válvula tem duas entradas, P1 e P2, e uma saída, A. Entrando ar comprimido em P1, a esfera fecha a entrada P2 e o ar flui de P1 para A. Em sentido contrário, quando o ar flui de P2 para A, a entrada P1 será fechada. No retorno do ar, quer dizer, quando um lado de um cilindro ou de uma válvula entra em exaustão, a esfera permanece na posição em que se encontrava antes do retorno do ar. Resumindo: Uma saída em A é possível quando existe um sinal em P1 "OU" P2 (A = X+Y).
Esta válvula também seleciona os sinais das válvulas pilotos provenientes de diversos pontos e evita o escape do ar através de uma segunda válvula. Devendo ser um cilindro ou uma válvula acionada de dois ou mais lugares é necessário empregar uma válvula alternadora (dupla retenção).

Válvula de simultaneidade (elemento E)

Esta válvula tem duas entradas, P1 e P2 e uma saída em A. Só haverá uma saída em A, quando existirem os, dois sinais de entrada P1 E P2 . (A = X.Y). No sinal de entrada em P1 OU P2 impede o fluxo para A, em virtude das forças diferenciais no pistão corrediço. Existindo diferença de tempo nos sinais de entrada, o sinal atrasado vai para a saída. Quando há diferença de pressão dos sinais de entrada, a pressão maior fecha um lado da válvula, e a pressão menor vai para a saída A. Emprega-se esta válvula principalmente em comando de bloqueio, comandos de segurança e funções de controle em combinações lógicas.

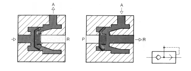
Válvula de escape rápido

Válvulas de escape rápido se prestam para aumentar a velocidade nos cilindros. Tempos de retorno elevados, especialmente em cilindros de ação simples, podem ser eliminados dessa forma. A válvula está provida de conexão de pressão (P) e conexão, de escape (R) bloqueáveis. Se tivemos pressão em P, o elemento de vedação adere ao assento do escape. Dessa forma, o ar atinge a saída pela conexão de utilização A. Quando a pressão em P deixa de existir, o ar, que agora retorna pela conexão A, movimenta o elemento de vedação contra a conexão P, e provoca seu bloqueio. Dessa forma, o ar pode escapar por R, rapidamente, para a atmosfera.
Evita-se, Com isso, que o ar de escape seja obrigado a passar por uma canalização longa e de diâmetro pequeno, até a válvula de comando. O mais recomendável é colocar o escape rápido diretamente no cilindro ou, então, o mais próximo possível do mesmo.

Válvula de retenção

Esta válvula pode fechar completamente a passagem em uma direção. Em direção contraria, passa o ar com a mínima queda possível de pressão. O fechamento de uma direção pode ser feito por cone, esfera, placa ou membrana.
Válvula de bloqueio se fechando por atuação de uma, força sobre a peça vedante. Com contrapressão. Como por exemplo: mola, fechamento quando a pressão de saída é maior ou igual à pressão de entrada.

Válvula de pressão

São válvulas que influenciam principalmente a pressão e pelas quais podem ser feitas regulagens ou comandos, em dependência da pressão.
Distinguem-se:
- Válvula reguladora de pressão (redutor de pressão)
- Válvula limitadora de pressão (de alivio)
- Válvula de seqüência (pressostato)

Válvula reguladora de pressão

O Regulador tem a tarefa de manter constante a pressão de trabalho (secundária) pré regulada no manômetro, mesmo com a pressão oscilante da rede, a fim de ser fornecida estável para os elementos de trabalho e outros elementos. A pressão de entrada deve ser sempre maior do que a de saída. Válvula reguladora de pressão sem escape.
A função desta válvula corresponde à descrita anteriormente. A segunda sede no meio da membrana não existe. Portanto, mesmo numa pressão secundária maior, o ar não pode escapar. Válvula reguladora de pressão com escape.
Para conhecer a descrição da função, vide aula anterior. Neste tipo de válvula teremos, ao contrário da anterior, uma pressão equilibrada. Através da abertura de escape, elimina-se a sobrepressão do lado secundário.

Válvula limitadora de pressão

Emprega-se principalmente como válvula de segurança ou de alívio. Não permite o aumento da pressão no sistema, acima dá pressão máxima admissível. Alcançada, na entrada da válvula, a pressão máxima, abre-se a sua salada e. o ar escapa. A válvula permanece aberta até que a mola montada, após alcançar a pressão pré-regulada, em dependência da linha de marcação, a feche.

De sequência

A função fundamental é a mesma da válvula limitadora de pressão. Numa pressão maior do que a pré-regulada na mola, a válvula se abre. O ar flui de P para A e pode ser aproveitado como sinal de pilotagem. A saída A somente existe quando alcançada, no canal, de comando Z, uma pressão pré-determinada, maior que a pressão regulada na mola. Um êmbolo de comando abre a passagem de P para A. Estas válvulas usam-se em comandos pneumáticos, quando há necessidade de uma pressão determinada para o processo de comando (comandos em dependência depressão, comandos sequenciais).

Válvula reguladora de fluxo unidirecional

Também conhecida como "válvula reguladora de Velocidade". Nesta válvula, a regulagem do fluxo é feita somente em uma direção. Uma válvula de retenção fecha a passagem numa direção e o ar pode fluir somente através da área regulada. Em sentido contrário, o ar passa livre através da válvula de retenção aberta. Empregam-se estas válvulas para a regulagem da velocidade em cilindros pneumáticos.

Válvula reguladora de fluxo unidirecional com acionamento mecânico regulável

São empregadas quando há necessidade de alterar a velocidade de um cilindro, de ação simples ou dupla, durante seu trajeto. Com cilindros de ação dupla, pode ser utilizada como amortecimento de fim de curso. Antes do avanço ou recuo se completar, a massa é sustentada por um fechamento ou redução da secção transversal da exaustão.
Esta aplicação se fará quando for recomendável um reforço no amortecimento de fim de curso.
Por meio de um parafuso, pode-se regular uma velocidade base. Um came, que força o rolete para baixo, regula a secção transversal de passagem.
Em sentido contrário, o ar desloca uma vedação de seu assento e passa livremente.
Esta válvula pode ser usada normal aberta ou normal fechada.

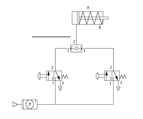
19 Comandos Pneumáticos

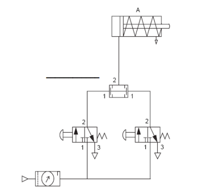
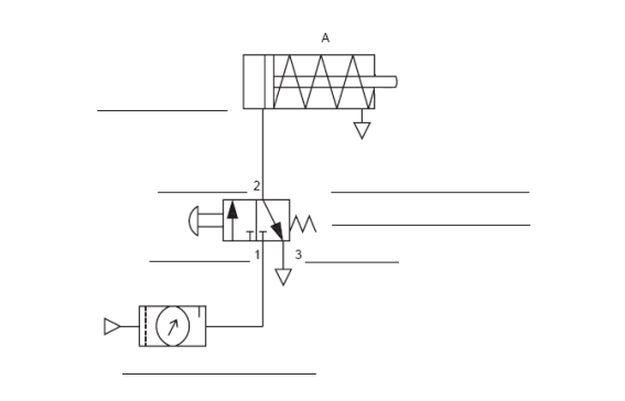
1. Comandar um cilindro de simples ação (direto)

2. Comandar um cilindro de simples ação de pontos diferentes e independentes

3. Comandar um cilindro de simples ação, através de acionamento simultâneo (comando bimanual)

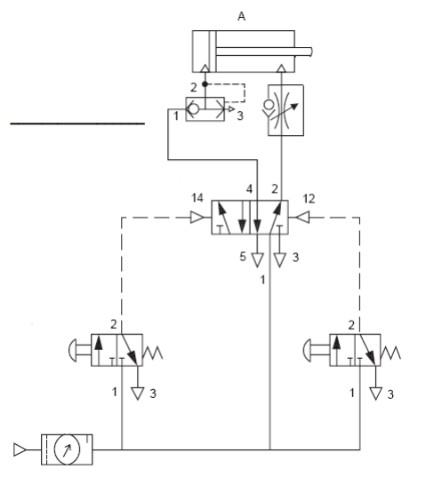
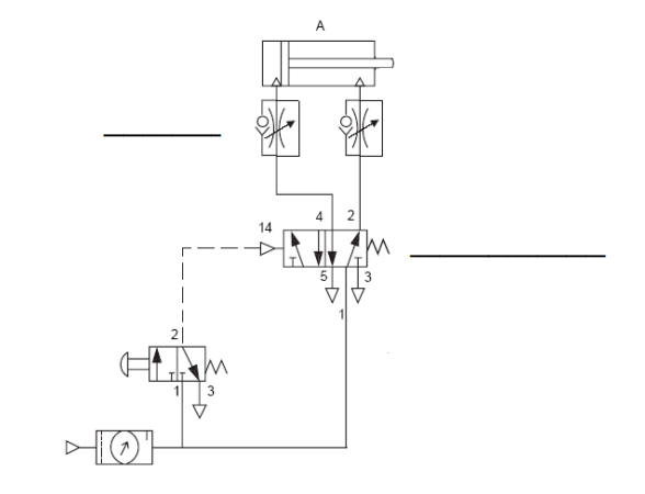
4. Comando indireto de um cilindro de dupla ação, utilizando uma válvula pilotada e com controle de velocidade do cilindro

5.Comando de um cilindro de dupla ação com avanço lento e retorno acelerado

20 Diagrama trajeto passo

Representação dos Movimentos

Quando os procedimentos de comando são um pouco mais complicados, é de grande ajuda para o técnico dispor dos esquemas de comando, e sequências, segundo o desenvolvimento de trabalho das máquinas. Além disso, uma representação clara possibilita uma compreensão bem melhor.

Sequência cronológica:

1. A haste do cilindro A avança e eleva o pacote.
2. A haste do cilindro B avança e empurra o pacote para a esteira.
3. A haste do cilindro A retorna à sua posição inicial.
4. A haste do cilindro B retorna à sua posição inicial.

Indicação Algébrica

1. Cilindro A +
2. Cilindro B +
3. Cilindro A -
4. Cilindro B -

Diagrama trajeto-passo

Neste caso se representa a seqüência de movimentos de um elemento de trabalho; levando-se ao diagrama os movimentos e as condições operacionais dos elementos de trabalho. Isto é feito através de duas coordenadas, uma representa o trajeto dos elementos de trabalho, e a outra o passo (diagrama trajeto-passo).
Se existem diversos elementos de trabalho para um comando, estes serão representados da mesma forma e desenhados uns sob os outros. A ocorrência através de passos. Do primeiro passo até o passo 2 a haste de cilindro avança da posição final traseira para a posição final dianteira, sendo que esta é alcançada no passo 2. A partir do passo 4, a haste do cilindro retorna e alcança a posição final traseira no passo 5.

Exemplo-Transporte de Produtos

Produtos que chegam por uma esteira transportadora de rolos são levantados e empurrados pela haste de um cilindro pneumático para outra esteira transportadora. Devido a condições de projeto, a haste do segundo cilindro só poderá retornar após a haste do primeiro ter retornado.

Circuito Pneumático