Apostila de Refrigeração

Manutenção de Geladeiras e Freezers

1 O HISTÓRICO DA REFRIGERAÇÃO

O emprego dos meios de refrigeração já era do conhecimento humano mesmo na época das mais antigas civilizações. Pode-se citar a civilização chinesa que, muitos séculos antes do nascimento de Cristo, usava o gelo natural (colhido nas superfícies dos rios e lagos congelados e conservado com grandes cuidados, em poços cobertos com palha e cavados na terra) com a finalidade de conservar o chá que consumiam. As civilizações gregas e romanas que também aproveitavam o gelo colhido no alto das montanhas, a custo do braço escravo, para o preparo de bebidas e alimentos gelados.

Já a civilização egípcia, que devido a sua situação geográfica e ao clima de seu país, não dispunham de gelo natural, refrescavam a água por evaporação, usando vasos de barro, semelhantes às moringas, tão comuns no interior do Brasil. O barro, sendo poroso, deixa passar um pouco da água contida no seu interior, a evaporação desta para o ambiente faz baixar a temperatura do sistema. Entretanto, durante um largo período de tempo, na realidade muitos séculos, a única utilidade que o homem encontrou para o gelo foi a de refrigerar alimentos e bebidas para melhorar seu paladar.

No final do século XVII, foi inventado o microscópio e, com o auxílio deste instrumento, verificou-se a existência de microorganismos (micróbios e bactérias) invisíveis à vista sem auxílio de um instrumento dotado de grande poder de ampliação. Os micróbios existem em quantidades enormes, espalhados por todas as partes, água, alimentos e organismos vivos.

Estudos realizados por cientistas, entre eles o célebre químico francês Louis Pasteur, demonstraram que alguns tipos de bactérias são responsáveis pela putrefação dos alimentos e por muitos tipos de doenças e epidemias. Ainda através de estudos, ficou comprovado que a contínua reprodução das bactérias podia ser impedida em muitos casos ou pelo menos limitada pela aplicação do frio, isto é, baixando suficientemente a temperatura do ambiente em que os mesmos proliferam. Essas conclusões provocaram, no século XVIII, uma grande expansão da indústria do gelo, que até então se mostrava incipiente.

Antes da descoberta, os alimentos eram deixados no seu estado natural, estragando-se rapidamente. Para conservá-los por maior tempo era necessário submetê-los a certos tratamentos como a salgação, a defumação ou o uso de condimentos. Esses tratamentos, na maioria dos casos, diminuíam a qualidade do alimento e modificavam o seu sabor. Com a descoberta, abria-se a possibilidade de se conservar os alimentos frescos, com todas as suas qualidades, durante um período de tempo maior.

Contudo, o uso do gelo natural trazia consigo uma série de inconvenientes que prejudicavam seriamente o desenvolvimento da refrigeração, tornando-a de valia relativamente pequena.

Assim, ficava-se na dependência direta da natureza para a obtenção da matéria primordial, isto é, o gelo, que só se formava no inverno e nas regiões de clima bastante frio. O fornecimento, portanto, era bastante irregular e, em se tratando de países mais quentes, era sujeita a um transporte demorado, no qual a maior parte se perdia por derretimento, especialmente porque os meios de conservá-lo durante este transporte eram deficientes. Mesmo nos locais onde o gelo se formava naturalmente, isto é, nas zonas frias, este último tinha grande influência, pois a estocagem era bastante difícil, só podendo ser feita por períodos relativamente curtos.

Por este motivo, engenheiros e pesquisadores voltaram-se para a busca de meios e processos que permitissem a obtenção artificial de gelo, liberando o homem da dependência da natureza. Em consequência desses estudos, em 1834 foi inventado, nos Estados Unidos, o primeiro sistema mecânico de fabricação de gelo artificial e, que constituiu a base precursora dos atuais sistemas de compressão frigorífica. 

Em 1855 surgiu na Alemanha outro tipo de mecanismo para a fabricação do gelo artificial, este, baseado no princípio da absorção, descoberto em 1824 pelo físico e químico inglês Michael Faraday.

Durante por cerca de meio século os aperfeiçoamentos nos processos de fabricação de gelo artificial foram se acumulando, surgindo sistematicamente melhorias nos sistemas, com maiores rendimentos e melhores condições de trabalho. Entretanto, a produção propriamente dita fez poucos progressos neste período, em consequência da prevenção do público consumidor contra o gelo artificial, pois apesar de todos estarem cientes das vantagens apresentadas pela refrigeração, era crença geral que o gelo produzido pelo homem era prejudicial à saúde humana. 

Tal crença é completamente absurda, mas como uma minoria aceitava o gelo artificial, o seu consumo era relativamente pequeno. Todavia, a própria natureza encarregou-se de dar fim a tal situação. Em 1890, o inverno nos Estados Unidos, um dos maiores produtores de gelo natural da época, foi muito fraco. Em consequência, quase não houve formação de gelo neste ano, naquele país. Como não havia gelo natural, a situação obrigou que se usasse o artificial, quebrando o tabu existente contra este último e mostrando, inclusive, que o mesmo era ainda melhor que o produto natural, por ser feito com água mais pura e poder ser produzido à vontade, conforme as necessidades de consumo.

A utilização do gelo natural levou a criação, no princípio do século XIX, das primeiras geladeiras.

Tais aparelhos eram constituídos simplesmente por um recipiente, quase sempre isolado por meio de placas de cortiça, dentro do qual eram colocadas pedras de gelo e os alimentos a conservar, ver figura abaixo. A fusão do gelo absorvia parte do calor dos alimentos e reduzia, de forma considerável, a temperatura no interior da geladeira.

Surgiu, dessa forma, o impulso que faltava à indústria de produção mecânica de gelo. Uma vez aceito pelo consumidor, a demanda cresceu vertiginosamente e passaram a surgir com rapidez crescente as usinas de fabricação de gelo artificial por todas as partes.

Apesar da plena aceitação do gelo artificial e da disponibilidade da mesma para todas as classes sociais, a sua fabricação continuava a ter de ser feita em instalações especiais, as usinas de gelo, não sendo possível a produção do mesmo na própria casa dos consumidores. A figura típica da época era o geleiro, que, com sua carroça isolada, percorria os bairros, e entregava nas casas dos consumidores, periodicamente, as pedras de gelo que deviam ser colocadas nas primeiras geladeiras.

No alvorecer do século XX, começou a se disseminar outra grande conquista, a eletricidade. Os lares começaram a substituir os candeeiros de óleo e querosene e os lampiões de gases, pelas lâmpadas elétricas, notável invenção de Edison, e a dispor da eletricidade para movimentar pequenas máquinas e motores. Com esta nova fonte de energia, os técnicos buscaram meios de produzir o frio em pequena escala, na própria residência dos usuários. O primeiro refrigerador doméstico surgiu em 1913, mas sua aceitação foi mínima, tendo em vista que o mesmo era constituído de um sistema de operação manual, exigindo atenção constante, muito esforço e apresentando baixo rendimento.

Só em 1918 é que apareceu o primeiro refrigerador automático, movido a eletricidade, e que foi fabricado pela Kelvinator Company, dos Estados Unidos. A partir de 1920, a evolução foi tremenda, com uma produção sempre crescente de refrigeradores mecânicos.

2 FLUIDOS REFRIGERANTES

Fluido refrigerante é o fluido que absorve calor de uma substância do ambiente a ser resfriado.

Não há um fluido refrigerante que reúna todas as propriedades desejáveis, de modo que, um refrigerante considerado bom para ser aplicado em determinado tipo de instalação frigorífica nem sempre é recomendado para ser utilizado em outra. O bom refrigerante é aquele que reúne o maior número possível de boas qualidades, relativamente a um determinado fim.

As principais propriedades de um bom refrigerante são:

  •  Condensar-se a pressões moderadas;
  •  Evaporar-se a pressões acima da atmosférica;
  •  Ter pequeno volume específico (menor trabalho do compressor);
  •  Ter elevado calor latente de vaporização;
  •  Ser quimicamente estável (não se altera apesar de suas repetidas mudanças de estado no circuito de refrigeração);
  •  Não ser corrosivo;
  •  Não ser inflamável;
  •  Não ser tóxico;
  •  Ser inodoro;
  •  Deve permitir fácil localização de vazamentos;
  •  Ter miscibilidade com óleo lubrificante e não deve atacá-lo ou ter qualquer efeito indesejável sobre os outros materiais da unidade;
  • Em caso de vazamentos, não deve atacar ou deteriorar os alimentos, não deve contribuir para o aquecimento global e não deve atacar a camada de ozônio.

Classificação

Os refrigerantes podem ser divididos em três classes, conforme sua maneira de absorção ou extração do calor das substâncias a serem refrigeradas. São elas:

 Classe 1 – essa classe inclui os refrigerantes que resfriam materiais por absorção do calor latente. São exemplos dessa classe os CFC’s, HCFC’s e os HFC’s;

 Classe 2 – os refrigerantes dessa classe são os que resfriam substâncias pela absorção de seus calores sensíveis. São elas: ar, salmoura de cloreto de cálcio, salmoura de cloreto de sódio (sal comum) e álcool;

 Classe 3 – esse grupo consiste de soluções que contêm vapores absorvidos de agentes liquidificáveis ou meios refrigerantes. Essas soluções funcionam pela natureza de sua habilidade em conduzir os vapores liquidificáveis que produzem um efeito de resfriamento pela absorção do calor latente. Um exemplo desse grupo é a água amônia ou amoníaco, que é uma solução composta de água destilada e amônia pura. A amônia é também usada em grandes máquinas com finalidades industriais. É um gás incolor, com odor forte e característico. Sua temperatura de ebulição à pressão atmosférica é aproximadamente -33°C. É combustível ou explosiva quando misturada com ar em certas proporções (um volume de amônia para dois volumes de ar). Devido ao seu alto calor latente, são possíveis grandes efeitos de refrigeração com maquinaria relativamente reduzida. É muito tóxica e necessita de embalagens de aço.

Os refrigerantes da Classe 1 são empregados no tipo de compressão padrão dos sistemas de refrigeração. Os refrigerantes da classe 2 são empregados como agentes resfriadores imediatos entre a Classe 1 e a substância a ser refrigerada, e fazem o mesmo trabalho que a Classe 3. Esses últimos são empregados no tipo de absorção padrão dos sistemas de refrigeração.

Principais tipos e características de fluidos refrigerantes:

1.      CFC - São moléculas formadas pelos elementos cloro, flúor e carbono. (Exemplos:

R-11, R-12, R-502, etc.).

Utilização: ar condicionado automotivo, refrigeração comercial, refrigeração doméstica (refrigeradores e freezers) etc.

Os CFC’s destroem a camada de ozônio. A camada de ozônio sendo danificada permite que raios ultravioletas (UV) do sol alcancem a superfície da Terra. As indústrias químicas nacionais cessaram a produção de CFC’s e a importação destas substâncias virgens está controlada. Para converter ou substituir um equipamento operado com CFC foram criados dois tipos de refrigerantes alternativos: HCFC’s e HFC’s. 

2.      HCFC - Alguns átomos de cloro são substituídos por hidrogênio (Exemplos: R-22, R-141b, etc.).

Utilização: ar condicionado de janela, split, self, câmaras frigoríficas, etc. 

3.      HFC - Todos os átomos de cloro são substituídos por hidrogênio (Ex: R-134a,  R-404A, R-407C, etc.). 

Utilização: ar condicionado automotivo, refrigeração comercial, refrigeração doméstica (refrigeradores e freezers), etc. 

O R-134a (Tetrafluoretano) tem propriedades físicas e termodinâmicas similares ao R-12. Pertence ao grupo dos HFC’s Fluorcarbonos parcialmente halogenados, com potencial de destruição do ozônio (ODP) igual a zero, devido ao menor tempo de vida na atmosfera, apresenta uma redução no potencial de efeito estufa de 90% comparado ao R-12. Além disso, é não inflamável, não tóxico, possui alta estabilidade térmica e química, tem compatibilidade com os materiais utilizados e tem propriedades físicas e termodinâmicas adequadas.

O R-134a é compatível com todos os metais e ligas normalmente utilizados nos equipamentos de refrigeração. Deve-se evitar o uso de zinco, magnésio, chumbo e ligas de alumínio com mais de 2% de magnésio em massa.

Testes de armazenamento com refrigerante úmido apresentaram boa estabilidade à hidrólise e nenhum ataque corrosivo em metais como aço inoxidável, cobre, latão e alumínio. 

O R-134a é isento de cloro e, por isso, apresenta boa compatibilidade com elastômeros.

Na refrigeração a palavra Retrofit (abreviatura da expressão inglesa “retroactive refit” que significa “readaptação posterior”) vem sendo empregada para designar as adaptações que são realizadas em equipamentos que trabalham com CFC’s para que esses possam trabalhar com os fluidos alternativos, tornando-os eficientes, modernos e econômicos. 

A linha de fluidos alternativos, também chamada de “blends”, é uma boa alternativa para a conversão de equipamentos que estão em operação no campo, pois exigem mínimas alterações no sistema original e na maioria dos casos não é necessária a substituição do compressor. 

Alguns fluidos alternativos substitutos:

R-12: R-401A, R-401B, R-409A e R-413A

 R-409A - Mistura de fluidos refrigerantes tais como R-22, R- 142b e R-124, tem propriedades similares ao R-12 e pode ser utilizado com óleo lubrificante mineral, poliolester e aquilbenzeno. 

 R-413A - Mistura de fluidos refrigerantes tais como R-218, R-134a e R-600a, é compatível com óleo lubrificante mineral, poliolester e aquilbenzeno, tem performance similar ao R-12.

 

R-502: R-402A, R-402B, R-408A e R-403A

 R-408A - Mistura de fluidos refrigerantes tais como R-22, R-134a e R-125, possui performance similar ao R-502 e é compatível com óleo lubrificante mineral, poliolester e aquilbenzeno.

 

R-22: R-407C, R-410A e R-417A

 R-407C - Mistura de fluidos refrigerantes tais como R-134a, R-32 e R-125, possui propriedades e performance similares ao R-22, porém é necessária a mudança do óleo lubrificante. 

R-410A - Mistura de fluidos refrigerantes de alta pressão tais como R-32 e R125, possui melhor capacidade de resfriamento, porém requer uma reavaliação do projeto do sistema. 

A tabela a seguir mostra algumas opções disponíveis no mercado. As seguintes misturas de fluidos refrigerantes foram aprovadas para uso com os compressores Embraco:

Vantagens dos fluidos alternativos:

São utilizados nos equipamentos de refrigeração não havendo necessidade de troca de componentes (dispositivo de expansão, compressor, etc.);

 São compatíveis com óleo mineral, óleo alquilbenzeno e com os materiais existentes. Obs: somente na aplicação do R-407C, deve ser trocado o óleo mineral por óleo Poliolester;

 A carga de fluido refrigerante do equipamento com fluido alternativo é 80% da carga de fluido original. Obs: A carga do fluido refrigerante deve ser feita somente na forma líquida.

Durante os últimos anos, vários refrigerantes alternativos foram avaliados e o R134a, por apresentar propriedades físicas e termodinâmicas relativamente semelhantes às do R12 e por não conter Cloro, tem sido considerado o substituto do R12 nas suas aplicações.

Mais recentemente, outro fator ambiental, não menos importante que a destruição da camada de ozônio, tem sido considerado: o potencial de aquecimento global, mais conhecido como efeito estufa. 

Dentre os refrigerantes alternativos que atendem ambas características ambientais, estão os hidrocarbonos. Estes refrigerantes não tinham até então sido considerados uma alternativa à substituição do R12, pois são inflamáveis.

Na tabela a seguir são apresentadas as principais propriedades físicas dos refrigerantes hidrocarbonos comparadas às do R12 e R134a.

Como pode-se verificar na tabela acima, os refrigerantes hidrocarbonos apresentam menor peso molecular quando comparados ao do R12 e R134a. Isto é devido à ausência de halogêneos como cloro e flúor na sua estrutura molecular, que é composta apenas de carbono e hidrogênio.

Tal característica torna os refrigerantes hidrocarbonos menos agressivos ao meio ambiente, como mostra a tabela abaixo.

Observa-se na tabela acima que o refrigerante R134a, não destrói a camada de ozônio (ODP = 0). Tal característica deve-se à ausência de cloro nas suas moléculas. Entretanto os refrigerantes propano e butano exercem efeito desprezível (GWP < 5) sobre o aquecimento da Terra, ao contrário do R12 e R134a. Outro fator ambiental favorável aos refrigerantes propano e butano é seu menor tempo de vida na atmosfera.

Os principais impactos de cada refrigerante hidrocarbono sobre o compressor e o dispositivo de expansão dos sistemas de refrigeração, baseados na análise teórica do ciclo ASHRAE, são resumidos na tabela abaixo.

3 OZÔNIO / PROCESSO DE FORMAÇÃO / DESTRUIÇÃO

O ozônio é formado quando as moléculas de oxigênio absorvem parte da radiação ultravioleta proveniente do sol, ocasionando a separação das moléculas em dois átomos de oxigênio. Estes átomos por sua vez, juntam-se com outras moléculas de oxigênio, formando assim o ozônio (O3), que contém três átomos de oxigênio.

  Aproximadamente 90% do ozônio da terra está localizado em uma camada natural, logo acima da superfície terrestre conhecida como estratosfera. Esta camada natural atua como um escudo protetor contra a radiação ultravioleta.

A primeira preocupação sobre a provável destruição da camada de ozônio pelos CFC’s foi levantada com a publicação da teoria de que os átomos de cloro liberados pelos CFC’s poderiam migrar até a estratosfera, destruindo as moléculas de ozônio (Molina e Rowland, 1974), conforme mostra a figura abaixo.

Alguns dos CFC’s têm um tempo de vida na atmosfera superior a 120 anos, isto é, eles não se dissociam na baixa atmosfera (troposfera). Como resultado, os CFC’s migram vagarosamente para a estratosfera onde são atingidos por maiores níveis de radiação, liberando o cloro, que por sua vez livre, liga-se repetidamente com moléculas de ozônio provocando a separação dos átomos de oxigênio da molécula em questão. Com a ocorrência da destruição do ozônio, maiores níveis de radiação tendem a penetrar na superfície terrestre. Além disso, devido ao longo tempo de vida dos CFC’s na atmosfera e ao fato de que um átomo de cloro pode destruir repetidamente milhares de moléculas de ozônio, serão necessárias muitas décadas para que a camada de ozônio retorne aos níveis de concentração anteriores, mesmo após a eliminação completa dos CFC’s. 

Desde que a teoria de destruição da camada de ozônio foi publicada pela primeira vez, pesquisas científicas têm mostrado uma preocupação geral com o aumento da concentração de cloro na estratosfera, que destruindo o ozônio, tem como resultado danos à saúde e ao meio ambiente, como por exemplo:

  •  Aumento dos casos de câncer de pele;
  •  Danos aos olhos (aumento dos casos de cataratas);
  •  Enfraquecimento do sistema imunológico;
  •  Danos às plantações;
  •  Danos aos organismos aquáticos (algas marinhas);
  • Aumento da temperatura ambiente.

Como o ozônio é destruído?

Primeiramente, a luz ultravioleta quebra a ligação de um átomo de cloro da molécula de CFC. Em seguida, o átomo de cloro ataca a molécula do ozônio, quebrando a ligação entre os átomos. Forma-se uma molécula de O2 e uma de monóxido de cloro. O monóxido de cloro é instável, tem sua ligação quebrada e forma-se novamente cloro livre, que vai atacar e destruir outra molécula de ozônio, repetindo-se o processo, ver figura abaixo.

4 SISTEMAS DE REFRIGERAÇÃO

Classificação da Refrigeração

A área de refrigeração cresceu de tal maneira no último século que acabou por ocupar os mais diversos campos. Para conveniência de estudos, as aplicações da refrigeração podem ser classificadas dentro das seguintes categorias: doméstica, comercial, industrial, para transporte e para condicionamento de ar. A refrigeração doméstica abrange principalmente a fabricação de refrigeradores de uso doméstico e de freezers. A capacidade dos refrigeradores domésticos varia muito, com temperaturas na faixa de -8°C a -18°C (no compartimento de congelados) e +2°C a +7°C (no compartimento dos produtos resfriados).

A refrigeração comercial abrange os refrigeradores especiais ou de grande porte usados em restaurantes, sorveterias, bares, açougues, laboratórios, etc. As temperaturas de congelamento e estocagem situam-se, geralmente, entre -5°C a -30°C.

Como regra geral, os equipamentos industriais são maiores que os comerciais (em tamanho) e têm como característica marcante o fato de requererem um operador de serviço.

São aplicações típicas industriais as fábricas de gelo, grandes instalações de empacotamento de gêneros alimentícios (carnes, peixes, aves), cervejarias, fábricas de laticínios, de processamento de bebidas concentradas e outras.

A refrigeração marítima refere-se à refrigeração a bordo de embarcações e inclui, por exemplo, a refrigeração para barcos de pesca e para embarcações de transporte de cargas perecíveis.

A refrigeração de transporte relaciona-se com equipamentos de refrigeração em caminhões e vagões ferroviários refrigerados.

Como podemos observar, as aplicações da refrigeração são as mais variadas, sendo de certa forma bastante difícil estabelecer de forma precisa a fronteira de cada divisão.

Sistema de Compressão Mecânica de Vapor (CMV)

Pode-se            entender          a          lógica de funcionamento dos principais sistemas de refrigeração     atuais   estudando       o

funcionamento de um refrigerador doméstico comum, também conhecido como sistema de compressão mecânica de vapor (figura ao lado). Ele funciona a partir da aplicação dos conceitos de calor e trabalho, utilizando-se de um fluido refrigerante. O fluido refrigerante, como dito anteriormente, é uma substância que, circulando dentro de um circuito fechado, é capaz de retirar calor de um meio enquanto se vaporiza a baixa pressão. Este fluido entra no evaporador a baixa pressão, na forma de mistura de líquido mais vapor, e retira energia do meio interno refrigerado (energia dos alimentos) enquanto passa para o estado de vapor. O vapor entra no compressor onde é comprimido e bombeado, tornando-se vapor superaquecido e deslocando-se para o condensador, que tem a função de liberar a energia retirada dos alimentos e a resultante do trabalho de compressão para o meio exterior. O fluido, ao liberar energia, passa do estado de vapor superaquecido para líquido (condensação) e finalmente entra no dispositivo de expansão, onde tem sua pressão reduzida, para novamente ingressar no evaporador e repetir-se assim o ciclo.

Esse processo é ilustrado através da figura a seguir.

Os detalhes do funcionamento de uma geladeira são descritos a seguir:

COMPRESSOR: sua principal função é succionar o fluido refrigerante a baixa pressão da linha de sucção e comprimi-lo em direção ao condensador a alta pressão e alta temperatura na fase gasosa (vapor superaquecido)

CONDENSADOR: através do condensador e suas aletas, o fluido refrigerante proveniente do compressor a alta temperatura, efetua a troca térmica com o ambiente externo, liberando o calor absorvido no evaporador e no processo de compressão. Nesta fase, ocorre uma transformação de vapor superaquecido para líquido sub resfriado a alta pressão.

FILTRO SECADOR: exerce duas funções importantes: A primeira é reter partículas sólidas que em circulação no circuito, podem ocasionar obstrução ou danos à partes mecânicas do compressor. A segunda é absorver totalmente a umidade residual do circuito que porventura não tenha sido

removida pelo processo de vácuo, evitando danos ao sistema como: formação de ácidos, corrosão, aumento das pressões e obstrução do tubo capilar por congelamento da umidade. 

TUBO CAPILAR: é um tubo de cobre com diâmetro reduzido que tem como função receber o fluido refrigerante do condensador e promover a perda de carga do fluido refrigerante separando os lados de alta e de baixa pressão.

EVAPORADOR: recebe o fluido refrigerante proveniente do tubo capilar, no estado líquido a baixa pressão e baixa temperatura. Nesta condição, o fluido evapora absorvendo o calor da superfície da tubulação do evaporador, ocorrendo a transformação de líquido sub resfriado para vapor saturado a

baixa pressão. Este efeito acarreta o abaixamento da temperatura do ambiente interno do refrigerador.

De maneira similar funcionam também os grandes sistemas de refrigeração, como câmaras frigoríficas. O que difere os sistemas pequenos dos de grande porte é o número de unidades compressoras, evaporadoras, de expansão e condensadoras envolvidas, que nestes últimos podem ser múltiplos, bem como o sistema de controle, que pode alcançar elevada complexidade.

Sistema de Refrigeração por Absorção

O ciclo frigorífico por absorção de amônia difere do ciclo por compressão de vapor na maneira pela qual a compressão é efetuada. No ciclo de absorção, o vapor de amônia a baixa pressão é absorvido pela água e a solução líquida é bombeada a uma pressão superior por uma bomba de líquido. A figura abaixo, mostra um arranjo esquemático dos elementos essenciais deste ciclo.

O vapor de amônia a baixa pressão, que deixa o evaporador, entra no absorvedor onde é absorvido pela solução fraca de amônia. Esse processo ocorre a uma temperatura levemente acima daquela do meio e deve ser transferido calor ao meio durante esse processo. A solução forte de amônia é então bombeada através de um trocador de calor ao gerador (onde são mantidas uma alta pressão e uma alta temperatura). Sob essas condições, o vapor de amônia se separa da solução em consequência da transferência de calor da fonte de alta temperatura. O vapor de amônia vai para o condensador, onde é condensado, como no sistema de compressão de vapor, e então se dirige para a válvula de expansão e para o evaporador. A solução fraca de amônia retorna ao absorvedor através do trocador de calor.

A característica particular do sistema de absorção consiste em requerer um consumo muito pequeno de trabalho porque o processo de bombeamento envolve um líquido. Isso resulta do fato de que, para um processo reversível, em regime permanente e com variações desprezíveis de energias cinéticas e potencial, o trabalho é igual a         –v.(P2-P1) e o volume específico do líquido (v) é muito menor que o volume específico do vapor. Por outro lado, deve-se dispor de uma fonte térmica de temperatura relativamente alta (100 a 200 °C). O equipamento envolvido num sistema de absorção é um tanto maior que num sistema de compressão de vapor e pode ser justificado economicamente apenas nos casos onde é disponível uma fonte térmica adequada e que, de outro modo, seria desperdiçada. 

Refrigeração Termoelétrica

Em 1821, Seebeck observou que, em um circuito fechado constituído por dois metais diferentes, uma corrente elétrica circula, sempre que as junções sejam mantidas a temperaturas diferentes. Em 1834, Peltier observou o efeito inverso. Isto é, fazendo-se circular uma corrente elétrica na mesma direção da F.E.M. gerada pelo efeito Seebeck, verifica-se o esfriamento do ponto de junção, e vice-versa. Em 1857, Willian Tomphson (Lord Kelvin) descobriu que um condutor simples, submetido a um gradiente de temperatura sofre uma concentração de elétrons em uma de suas extremidades, e uma carência dos mesmos na outra. 

A aplicação da termoeletricidade se restringiu, durante muito tempo, quase que exclusivamente à mensuração de temperaturas através dos chamados termopares. As primeiras considerações objetivas a respeito da aplicação do efeito Peltier à refrigeração foram feitas pelo cientista alemão Alternkirch, que demostrou que o material termoelétrico é qualitativamente bom quando apresenta um alto coeficiente Seebeck (ou poder termoelétrico), alta condutividade elétrica e uma baixa condutividade térmica. Infelizmente, até 1949, não existiam materiais termoelétricos adequados. A partir de 1949, com o desenvolvimento da técnica dos semicondutores, que apresentam um coeficiente Seebeck bastante superior ao dos metais, é que a refrigeração termoelétrica tomou um grande impulso, permitindo criar maiores gradientes de temperaturas entre a fonte quente e a fonte fria.

O refrigerador termoelétrico utiliza-se de dois materiais diferentes, como os pares termoelétricos convencionais. Há duas junções entre esses dois materiais em um refrigerador termoelétrico. Uma está localizada no espaço refrigerado e outra no meio ambiente.

Quando uma diferença de potencial é aplicada, a temperatura da junção localizada no espaço refrigerado decresce e a temperatura da outra junção cresce. Operando em regime permanente, haverá transmissão de calor do espaço refrigerado para a junção fria. A outra junção estará a uma temperatura acima do ambiente e haverá então a transmissão de calor para o local, conforme mostra a figura a seguir.

5 COMPONENTES DE UM SISTEMA DE REFRIGERAÇÃO

COMPRESSORES

Finalidade e Aplicações

Os compressores são da família das máquinas operatrizes de fluxo compressível, assim como os ventiladores. São utilizados para proporcionar a elevação da pressão de um gás ou escoamento gasoso. Nos processos industriais, a elevação de pressão requerida pode variar desde cerca de 1 atm até centenas de ou milhares de atmosferas.

Inúmeras são as aplicações dos compressores, conforme será explicado mais adiante. Algumas delas seriam as seguintes: serviços de jateamento, limpeza, soprador de ar de forno (em refinarias), sistemas de refrigeração, etc.

Classificação

 Compressores de ar para serviços ordinários: produzidos em série para baixos custos, destinam-se a serviços de jateamento, limpeza, pintura, acionamento de pequenas máquinas pneumáticas, etc.

 Compressores de ar para serviço industriais: destinam-se às centrais encarregadas do suprimento de ar em unidades industriais. As condições de operação de dessas máquinas costumam variar pouco de um sistema para outro.

 Compressores de gás ou de processo: são requeridos para as mais variadas condições de operação. Incluem nessa categoria certos sistemas de compressão de ar com características anormais. Como exemplo, citamos o soprador de ar do forno de craqueamento catalítico das refinarias de petróleo. Trata-se de uma máquina de enorme vazão e potência, que exige uma concepção análoga à de um compressor de gás.

Compressores de refrigeração: são desenvolvidas para esta aplicação. Operam com fluídos bastante específicos e em condições de sucção e descarga pouco variáveis, possibilitando a fabricação em série. 

 Compressores para serviço de vácuo (ou bombas de vácuo): são máquinas que trabalham em condições bem peculiares. A pressão de sucção é subatmosférica, a pressão de descarga é quase sempre atmosférica e o fluído de trabalho normalmente é o ar. Face à anormalidade dessas condições de serviço, foi desenvolvida uma tecnologia toda própria, fazendo com que as máquinas pertencentes a essa categoria apresentem características bastante próprias.

Dois são os princípios conceptivos no qual se fundamentam todas as espécies de compressores de uso industrial: volumétrico (ou de deslocamento positivo) e dinâmico.

Compressores Volumétricos

Nos compressores volumétricos ou de deslocamento positivo, a elevação de pressão é conseguida através da redução do volume ocupado pelo gás. Na operação dessas máquinas podem ser identificadas diversas fases, que constituem o ciclo de funcionamento: inicialmente, uma certa quantidade de gás é admitida no interior de uma câmara de compressão, que então é cerrada e sofre redução de volume. Finalmente, a câmara é aberta e o gás liberado para consumo. Trata-se de um processo intermitente, no qual a compressão é efetuada em sistema fechado, isto é, sem qualquer contato com a sucção e a descarga.

Classificação dos compressores Volumétricos:

1-Compressores alternativos

Esse tipo de máquina se utiliza de um sistema biela-manivela para converter o movimento rotativo de um eixo no movimento translacional de um pistão ou êmbolo. 

O funcionamento de um compressor alternativo está relacionado ao comportamento das válvulas. Elas possuem um elemento móvel, denominado obturador, que compara as pressões internas e externa ao cilindro. O obturador da válvula de sucção se abre para dentro do cilindro quando a pressão na tubulação de sucção supera a pressão interna do cilindro, e se mantém fechado em caso contrário. O inverso ocorre quando a pressão interna supera a pressão na tubulação de descarga.

Na etapa de admissão há uma tendência de depressão no interior do cilindro que propicia a abertura da válvula de sucção. O gás é então é então aspirado. Ao inverter-se o sentido de movimentação do pistão, a válvula de sucção se fecha e o gás é comprimido até que a pressão interna do cilindro seja suficiente para promover a abertura da válvula de descarga. Isso caracteriza a etapa de compressão. Quando a válvula de descarga se abre, a movimentação do pistão faz com que o gás seja expulso do interior do cilindro. Essa situação corresponde à etapa de descarga e dura até que o pistão encerre o seu movimento no sentido do cabeçote. Nesse momento, a válvula de descarga se fecha, mas a de admissão só se abrirá quando a pressão interna cair o suficiente para permitir a nova abertura da válvula. Essa etapa, em que as válvulas estão bloqueadas e o pistão se movimenta em sentido inverso ao do cabeçote, se denomina etapa de expansão, e precede a etapa de admissão de um novo ciclo. 

Podemos concluir que o compressor alternativo aspira e descarrega o gás respectivamente nas pressões instantaneamente reinantes na tubulação de sucção e na tubulação de descarga.

2-Compressores rotativos

a) Compressores de palhetas: possui um rotor ou tambor central que gira excentricamente em relação à carcaça. Esse tambor possui rasgos radiais que se prolongam por todo o seu comprimento e nos quais são Compressor de palhetas inseridas palhetas retangulares, conforme figura ao lado.

Quando o tambor gira, as palhetas deslocam-se radialmente sob a ação da força centrífuga e se mantêm em contato com a carcaça. O gás penetra pela abertura de sucção e ocupa os espaços definidos entre as palhetas. Devido a excentricidade do rotor as posições das aberturas de sucção e descarga, os espaços constituídos entre as palhetas vão se reduzindo de modo a provocar a compressão progressiva do gás. A variação do volume contido entre duas palhetas vizinhas, desde o fim da admissão até o início da descarga, define uma relação de compressão interna fixa para a máquina. Assim, a pressão do gás no momento em que é aberta a comunicação com a descarga poderá ser diferente da pressão reinante nessa região. O equilíbrio é, no entanto, quase instantaneamente atingido e o gás descarregado.

b) Compressores de parafusos: este tipo de compressor contém dois rotores em forma de parafusos que giram em sentido contrário, mantendo entre si uma condição de engrenamento. A conexão do compressor com o sistema se faz através das aberturas de sucção e descarga, diametralmente opostas. O gás penetra pela abertura de sucção e ocupa os intervalos entre os filetes dos rotores. A partir do momento em que há engrenamento de um

determinado filete, o gás nele contido fica encerrado entre Compressor de parafuso o rotor e as paredes da carcaça. A rotação faz então com que o ponto de engrenamento vá se deslocando para frente, reduzindo o espaço disponível para o gás provocando a sua compressão. Finalmente, é alcançada a abertura de descarga e o gás é liberado.

c) Compressores de lóbulos: esse compressor possui dois rotores que giram em sentido contrário, mantendo uma folga muito pequena no ponto de tangência entre si e com relação à carcaça. O gás penetra pela abertura de sucção e ocupa a câmara de compressão, sendo conduzido até a abertura de descarga pelos rotores.

O compressor de lóbulos, embora sendo classificado como volumétrico, não possui compressão interna. Os rotores apenas deslocam o gás de uma região de baixa pressão para uma região de alta pressão.

Essa máquina, conhecida originalmente como soprador "Roots", é um exemplo típico do que se pode caracterizar como um soprador, uma vez que é oferecida para elevações muito pequenas de pressão. Raramente empregado com fins industriais, é, no entanto, um equipamento de baixo custo e que pode suportar longa duração de funcionamento sem cuidados de manutenção.

Compressores dinâmicos

Os compressores dinâmicos ou turbocompressores possuem dois órgãos principais: impelidor e difusor. O impelidor é um órgão rotativo munido de pás que transfere ao gás a energia recebida de um acionador. Essa transferência de energia se faz em parte na forma cinética e em outra parte na forma de entalpia. Posteriormente, o escoamento estabelecido no impelidor é recebido por um órgão fixo denominado difusor, cuja função é promover a transformação da energia cinética do gás em entalpia, com o consequente ganho de pressão. Os compressores dinâmicos efetuam o processo de compressão de maneira contínua, e portanto, correspondem exatamente ao que se denomina, em termodinâmica, um volume de controle.

Classificação dos compressores dinâmicos:

1- Compressores Centrífugos: o gás é aspirado continuamente pela abertura central do impelidor e descarregado pela periferia do mesmo, num movimento provocado pela força centrífuga que surge devido à rotação. O fluído descarregado passa então a descrever uma trajetória em forma espiral através do espaço anular que envolve o impelidor e que recebe o nome de difusor radial ou difusor em anel. Esse movimento leva à desaceleração do fluído e consequente elevação de pressão. Prosseguindo em seu deslocamento, o gás é recolhido em uma caixa espiral denominada voluta e conduzindo à descarga do compressor. Antes de ser descarregado, o escoamento passa por um bocal divergente, o difusor de voluta, onde ocorre um suplementar processo de difusão. 

Operando em fluxo contínuo, os compressores centrífugos aspiram e descarregam o gás exatamente nas pressões externas, ou seja, há uma permanente coincidência entre a relação de compressão interna e a relação de compressão externa.

Essa máquina é incapaz de proporcionar grandes elevações de pressão, de modo que os compressores dessa espécie normalmente utilizados em processos industriais são de múltiplos estágios.

1-                 Compressores axiais: esse é um tipo de turbocompressor de projeto, construção e operação das mais sofisticadas. Os compressores axiais são dotados de um tambor rotativo em cuja periferia são dispostas séries de palhetas em arranjos circulares igualmente espaçados, conforme mostra a foto abaixo. Quando o rotor é posicionado na máquina, essas rodas de palhetas ficam intercaladas por arranjos semelhantes fixados circunferencialmente ao longo da carcaça. Cada par formado por um conjunto de palhetas móveis e outro de palhetas fixas se constitui num estágio de compressão. As palhetas móveis possuem uma conformação capaz de transmitir ao gás a energia proveniente do acionador, acarretando ganhos de velocidade e entalpia do escoamento. As palhetas fixas, por sua vez, são projetadas de modo a produzir uma deflexão no escoamento que forçará a ocorrência de um processo de difusão.  Com a elevação de pressão obtida num estágio axial é bastante pequena, os compressores dessa espécie são sempre dotados de vários estágios. O escoamento se desenvolve através dos estágios segundo uma trajetória hélico-axial envolvendo o tambor.

6 CONDENSADORES

Condensadores são os elementos do sistema de refrigeração que têm a função de transformar o gás quente, que é descarregado do compressor a alta pressão, em líquido. Para isso, rejeita o calor contido no fluido refrigerante para alguma fonte de resfriamento.

PROCESSO DE CONDENSAÇÃO

Ao ser admitido no condensador, o fluido refrigerante está no mesmo estado que na descarga do compressor, ou seja, gás quente a alta pressão. Como em um sistema de refrigeração o objetivo é evaporar o refrigerante (para resfriar retirar calor de um ambiente e/ou produto), o refrigerante no estado gasoso deve ser condensado antes de retomar ao evaporador.

O processo de condensação do fluido refrigerante se dá ao longo de um trocador de calor, denominado condensador, em três fases distintas que são:

Dessuperaquecimento, Condensação e Sub-Resfriamento.

Condensadores são os elementos do sistema de refrigeração que têm a função de transformar o gás quente, que é descarregado do compressor a alta pressão, em líquido. Para isso, rejeita o calor contido no fluido refrigerante para alguma fonte de resfriamento

Dessuperaquecimento

O gás, quando é descarregado do compressor, está a alta temperatura. O processo inicial, então, consiste em abaixar esta temperatura, retirando calor sensível do refrigerante, ainda no estado gasoso, até ele atingir a temperatura de condensação, ver figura abaixo. 

Condensação

Quando o gás atinge a temperatura de condensação, ele começa um processo de mudança de estado. Neste processo retira-se calor latente do refrigerante, isto é, a temperatura deste mantém-se constante durante todo o processo, ver figura abaixo.

Sub-resfriamento

Após a condensação o refrigerante, agora no estado liquido (líquido saturado), é resfriado de mais alguns graus, utilizando-se para isso um trocador de calor intermediário. Na figura abaixo pode-se visualizar o sub-resfriamento indicado em um diagrama de Mollier.

É no condensador que toda a energia absorvida pelo sistema de refrigeração, mais o equivalente em calor da energia mecânica necessária ao funcionamento do sistema deve ser eliminado.

TIPOS DE CONDENSADORES

  • Condensadores resfriados a ar;
  • Condensadores resfriados a água.
    • o Condensador duplo tubo; o Condensador Carcaça e Serpentina (Shell and Coil); o Condensador Carcaça e
    • Tubo (Shell and Tube); o Condensador de Placa; o Condensadores Evaporativos.

Condensadores Resfriados a Ar

Para a seleção de condensadores resfriados a ar devem ser levados em consideração diversos fatores, tais como: consumo de energia, instalação, disponibilidade, nível de ruído, etc.

Os condensadores resfriados a ar são normalmente utilizados com parte integrante de unidades produzidas em fábricas (unidades condensadoras) de pequena ou média capacidade. Grandes condensadores a ar também podem ser aplicados onde não é econômica a utilização de sistemas resfriados a água, devido ao alto custo ou indisponibilidade da água. A faixa de capacidades mais comum destes condensadores, cobre a gama de valores de 1 a 100 TR (1TR = 3,5 kW), porém é usual a sua montagem em paralelo, atingindo capacidades bastante superiores.

Para um determinado compressor e para uma determinada temperatura do ar de resfriamento que entra no condensador, aumenta-se a pressão de condensação e diminui-se a capacidade frigorífica com a diminuição do tamanho do condensador. Um aumento da temperatura do ar de resfriamento também resulta nos mesmos efeitos acima, para um determinado condensador.  

Os condensadores a ar devem ser instalados elevados, com relação ao nível do solo, para prevenir acumulação de sujeira sobre as serpentinas. Deve-se sempre garantir que existam aberturas adequadas e livres de qualquer obstrução para entrada de ar frio e para a saída do ar quente. As entradas de ar devem ser localizadas longe do lado de descarga do ar para evitar a aspiração de ar quente pelos ventiladores (curto-circuito do ar). 

Devido à grande quantidade de ar manejada por estes condensadores eles geralmente são bastante barulhentos. Assim, quando da sua instalação devem ser levadas em consideração às normas locais, que definem os níveis máximos de ruído permitidos. Em algumas situações, especialmente dentro de zonas residências em centros urbanos, deverão ser empregados sistemas para controle da rotação dos ventiladores (motores de duas velocidades ou inversores de frequência), os quais atuariam no período noturno, reduzindo a rotação dos ventiladores, e consequentemente o ruído emitido por estes condensadores.

Condensadores Resfriados a Água

Condensadores resfriados a água, quando limpos e corretamente dimensionados, operam de forma mais eficiente que os condensadores resfriados a ar, especialmente em períodos de elevada temperatura ambiente. Normalmente estes condensadores utilizam água proveniente de uma torre de resfriamento, sendo que usualmente utiliza-se, para a condição de projeto do sistema, o valor de 29,5 °C para a temperatura da água que deixa a torre. A temperatura de condensação, por sua vez, deve ser fixada em um valor entre 5,0 °C e 8,0 °C maior que a temperatura da água que entra no condensador, isto é, da água que deixa a torre. Alguns tipos de condensadores resfriados a água são discutidos a seguir, considerando aspectos relacionados com sua aplicação e economia.

Condensador duplo tubo

Estes condensadores são formados por dois tubos concêntricos, geralmente 1 ¼” para o tubo interno e 2” para o externo. O tubo por onde circula a água é montado dentro do tubo de maior diâmetro. O fluído frigorífico, por sua vez, circula em contracorrente no espaço anular formado pelos dois tubos, sendo resfriado ao mesmo tempo pela água e pelo ar que está em contato com a superfície externa do tubo de maior diâmetro. Estes condensadores são normalmente utilizados em unidades de pequena capacidade, ou como condensadores auxiliares operando em paralelo com condensadores a ar, somente nos períodos de carga térmica muito elevada. Esses condensadores são difíceis de se limpar e não fornecem espaço suficiente para a separação de gás e líquido.

Condensador Carcaça e Serpentina

Os Condensadores Carcaça e Serpentina (Shell and Coil) são constituídos por um ou mais tubos, enrolados em forma de serpentina, que são montados dentro de uma carcaça fechada. A água de resfriamento flui por dentro dos tubos, enquanto o refrigerante a ser condensado escoa pela carcaça. Embora, sejam de fácil fabricação, a limpeza destes condensadores é mais complicada, sendo efetuada por meio de produtos químicos (solução com 25% de HCl em água, com inibidor). São usados em unidades de pequena e média capacidade, tipicamente até 15 TR. 

Condensador Carcaça e Tubo

Os condensadores Carcaça e Tubo (Shell and Tube) são constituídos de uma carcaça cilíndrica, na qual é instalada uma determinada quantidade de tubos horizontais e paralelos, conectados a duas placas dispostas em ambas as extremidades. A água de resfriamento circula por dentro dos tubos e o refrigerante escoa dentro da carcaça, em volta dos tubos. Os tubos são de cobre e os espelhos de aço para hidrocarbonetos halogenados e, para amônia, tanto os tubos como os espelhos devem ser aço. São de fácil limpeza (por varetamento) e manutenção. São fabricados para uma vasta gama de capacidades, sendo amplamente utilizados em pequenos e grandes sistemas de refrigeração.

A velocidade ótima da água em um condensador Shell and Tube deve ser da ordem de 1,0 a 2,0 m/s, e nunca deve ultrapassar os de 2,5 m/s. O fluxo de água deve ser de cerca de 0,10 a 0,15 l/s por tonelada de refrigeração. Este fluxo de água deve ser distribuído entre os tubos, de forma a não exceder as velocidades indicadas acima. Para a seleção econômica destes condensadores devem ser considerados os fatores listados abaixo, pois os mesmos afetam os custos iniciais e operacionais do sistema. 

a) Aumentando-se o tamanho de um condensador, aumenta-se a eficiência do

compressor, mas ao mesmo tempo o seu custo inicial também aumentará.

b) Aumentando o fluxo de água de resfriamento aumenta-se a capacidade de

condensador, porém também se aumenta o custo de bombeamento da água e o seu consumo.

c) Reduzindo-se o diâmetro da carcaça e aumentando-se o comprimento dos tubos reduz-se o custo inicial do condensador, mas aumenta-se a perda de carga no circuito de água.

d) O fator incrustação, que está associado a uma resistência térmica adicional devido à formação de incrustações, depende da qualidade de água. Geralmente, para condensadores novos que operarão com água de boa qualidade, considera-se um fator de incrustação da ordem de 0,000044 m2.°C/W.

Para sistemas com baixa qualidade da água de resfriamento (grande quantidade de sais dissolvidos ou compostos orgânicos) deve ser considerado um fator de incrustação ainda mais elevado. Os condensadores selecionados para um fator de incrustação mais elevado serão mais caros, isto pode ser observado na tabela acima, onde é mostrado de quanto dever ser aumentada a superfície de transferência de calor, para compensar o aumento do fator de incrustação, para uma mesma taxa de transferência de calor. A figura ao lado mostra as etapas de limpeza de um trocador de calor de carcaça e tubo por varetamento.

Condensador de Placa

São geralmente constituídos de placas de aço inox ou de outro material, de pequena espessura (0,4 a 0,8 mm). As placas são montadas paralelamente umas as outras, com um pequeno afastamento (1,5 a 3,0 mm). A água de resfriamento e o fluído frigorífico circulam entre espaços alternados, formados pelas placas. Estes trocadores de calor começam a ser utilizados cada vez

mais, devido ao seu elevado coeficiente global de transferência de calor (2500 a 4500 W/m2.°C), porém seu uso ainda é restrito na refrigeração industrial. Apresentam-se em dois tipos: placas soldadas, empregados para refrigerantes halogenados (família química dos halogênicos: cloro, flúor ou bromo), e placas duplas soldadas a laser, montadas em estrutura metálica, os quais são empregados para amônia. Estes últimos apresentam ainda a vantagem da facilidade de aumento de sua capacidade, pela simples inclusão de placas.

Condensadores Evaporativos

Os        condensadores            evaporativos   são formados por       uma     espécie            de torre    de resfriamento de tiragem mecânica, no interior da qual é instalada uma série de tubos, por onde escoa o fluído frigorífico figura ao lado. No topo destes condensadores são instalados bicos injetores que pulverizam água sobre a tubulação de refrigerante. A água escoa, em contracorrente com o ar, em direção a bacia do condensador. O contato da água com a tubulação por onde escoa o refrigerante provoca a sua condensação. Ao mesmo tempo uma parcela da água evapora e, num mecanismo combinado de transferência de calor e massa entre a água e o ar, esta última é também resfriada. A água que chega à bacia do condensador é recirculada por uma bomba, e a quantidade de água é mantida através de um controle de nível (válvula de boia), acoplado a uma tubulação de reposição.

O consumo total de água nestes condensadores (por evaporação, arraste e drenagem) é da ordem de 8,8 a 12,1 l/h por tonelada de refrigeração. Geralmente, os condensadores evaporativos são selecionados com base em uma diferença de 10 a 15 °C, entre a temperatura de condensação e a temperatura de bulbo úmido do ar que entra no condensador. As menores diferenças de temperatura resultarão em menor consumo de potência, uma vez que a temperatura de condensação será mais baixa. 

O contato da água com as regiões de elevada temperatura da serpentina, onde o fluído frigorífico ainda se encontra superaquecido, pode provocar a formação excessiva de incrustações sobre a superfície dos tubos. Assim, em alguns condensadores evaporativos, instala-se uma primeira serpentina, acima da região onde a água é borrifada. Esta serpentina é chamada de dessuperaquecedor, e tem a função de reduzir a temperatura do refrigerante pela troca de calor com o ar saturado que deixa o condensador, o que reduz a formação de incrustações na região onde há água.

Em alguns condensadores evaporativos, é adicionada ainda uma serpentina para promover o sub-resfriamento do refrigerante líquido, a uma temperatura inferior à temperatura de condensação. Embora o sub-resfriamento do líquido aumente a capacidade de refrigeração total, seu principal benefício é a redução da possibilidade de formação de vapor na linha de líquido, devido à queda de pressão nesta linha.

COMPARAÇÃO ENTRE OS TIPOS DE CONDENSADORES

Por último, cabe efetuar uma análise das temperaturas de condensação típicas, resultantes da utilização de condensadores resfriados a ar, água e evaporativos. Como pode ser observado na figura a seguir, a utilização de condensadores a água em sistema aberto, isto é, utilizando-se água proveniente, por exemplo, de um rio, resulta em menores temperaturas de condensação. No entanto, estes sistemas estão sujeitos à intensa formação de incrustações e da disponibilidade de água, a qual, na grande maioria das vezes, não existe. Considerando uma ordem crescente de temperaturas de condensação, aparecem em seguida os s condensadores evaporativos, os resfriados a água em sistema fechado e os resfriados a ar, sendo estes os mais empregados para sistemas com capacidades inferiores a 100 kW. 

Comparando-se os sistemas com condensadores evaporativos e com condensadores resfriados a água em sistema fechado, isto é, com torre de resfriamento, observa-se que os evaporativos resultam em menores temperaturas de evaporação, em decorrência da existência de somente um diferencial de temperatura. Uma vantagem adicional dos condensadores evaporativos é que a bomba de água destes condensadores é de menor capacidade que a requerida pelos condensadores resfriados a água, o que resulta em menor consumo de energia. No entanto, os condensadores evaporativos devem estar localizados próximos dos compressores, para se evitar longas linhas de descarga (conexão entre o compressor e o condensador).

7 EVAPORADORES

O evaporador é um dos componentes principais de um sistema de refrigeração, e tem a finalidade de extrair calor do meio a ser resfriado, isto é, extrair calor do ar, água ou outras substâncias. É a parte do sistema de refrigeração onde o fluido refrigerante sofre uma mudança de estado, saindo da fase líquida para a fase gasosa. É chamado, às vezes, de serpentina de resfriamento, resfriador da unidade, serpentina de congelamento, congelador, etc.

Embora o evaporador seja às vezes um dispositivo muito simples, ele é realmente a parte mais importante do sistema. Qualquer sistema de refrigeração é projetado, instalado e operado com o único fim de retirar calor de alguma substância. Como esse calor tem que ser absorvido pelo evaporador, a eficiência do sistema depende do projeto e da operação adequada do mesmo. 

A eficiência do evaporador em um sistema de refrigeração depende de três principais requisitos, que devem ser considerados no projeto e seleção do mesmo:

1.      Ter uma superfície suficiente para absorver a carga de calor necessária, sem uma diferença excessiva de temperatura entre o refrigerante e a substância a resfriar.

2.      Deve apresentar espaço suficiente para o refrigerante líquido e também espaço adequado para que o vapor do refrigerante se separe do líquido.

3.      Ter espaço suficiente para a circulação do refrigerante sem queda de pressão excessiva entre a entrada e a saída.

O PROCESSO DE EVAPORAÇÃO

Após passar pela válvula de expansão (ou tubo capilar), o fluido refrigerante é admitido no evaporador na forma líquida. Como a pressão no evaporador é baixa, o fluido refrigerante se evapora com uma temperatura baixa. No lado externo do evaporador há um fluxo de fluido a ser refrigerado (água, solução de etileno-glicol, ar, etc.), ver figura a seguir.

Como a temperatura desse fluido é maior que a do refrigerante, este se evapora. Após todo o refrigerante se evaporar, ele sofrerá um acréscimo de temperatura denominado superaquecimento.

CLASSIFICAÇÃO DOS EVAPORADORES QUANTO AO SISTEMA DE ALIMENTAÇÃO.

Quanto ao seu sistema de alimentação, os evaporadores podem ser classificados em evaporadores secos e inundados.

Evaporadores Secos (ou de Expansão Direta)

Nestes evaporadores o refrigerante entra no evaporador, de forma intermitente, através de uma válvula de expansão, geralmente do tipo termostática, sendo completamente vaporizado e superaquecido ao ganhar calor em seu escoamento pelo interior dos tubos. Assim, em uma parte do evaporador existe fluído frigorífico saturado (líquido + vapor) e na outra parte fluído superaquecido. Estes evaporadores são bastante utilizados com fluídos frigoríficos halogenados, especialmente em instalações de capacidades não muito elevadas. A principal desvantagem deste tipo de evaporador está relacionada com o seu, relativamente baixo, coeficiente global de transferência de calor, resultante da dificuldade de se manter a superfície dos tubos molhadas com refrigerante e da superfície necessária para promover o superaquecimento.

Evaporadores Inundados

Nos evaporadores inundados, o líquido, após ser admitido por uma válvula de expansão do tipo boia, escoa através dos tubos da serpentina, removendo calor do meio a ser resfriado. Ao receber calor no evaporador, uma parte do refrigerante evapora, formando uma mistura de líquido e vapor, a qual, ao sair do evaporador, é conduzida até um separador de líquido. Este separador, como o próprio nome diz, tem a função de separar a fase vapor da fase líquida. O refrigerante no estado de vapor saturado é aspirado pelo compressor, enquanto o líquido retorna para o evaporador, à medida que se faz necessário. Como existe líquido em contato com toda a superfície dos tubos, este tipo de evaporador usa de forma efetiva toda a sua superfície de transferência de calor, resultando em elevados coeficientes globais de transferência de calor.

Estes evaporadores são muito usados em sistemas frigoríficos que utilizam amônia como refrigerante, porém seu emprego é limitado em sistemas com refrigerantes halogenados devido à dificuldade de se promover o retorno do óleo ao cárter do compressor. Exigem grandes quantidades de refrigerante e também possuem um maior custo inicial. Os evaporadores inundados podem ser ainda ter sua alimentação classificada em:

Alimentação por gravidade: nestes sistemas os separadores de líquido, que podem ser individuais, parciais ou único, alimentam por gravidade todos os evaporadores da instalação. 

 Recirculação de Líquido: nestes sistemas os evaporadores são alimentados com fluído frigorífico líquido, geralmente por meio de uma bomba, em uma vazão maior que a taxa de vaporização, portanto o interior destes evaporadores também sempre contém fluído frigorífico líquido (figura acima). A relação entre a quantidade de refrigerante que entra no evaporador e a quantidade de refrigerante que se evaporaria devido à carga aplicada, é conhecida com taxa de recirculação (n).

CLASSIFICAÇÃO DOS EVAPORADORES QUANTO AO FLUÍDO A RESFRIAR

Conforme mencionado anteriormente, o evaporador é um dos quatro componentes principais de um sistema de refrigeração, e tem a finalidade de extrair calor do meio a ser resfriado, isto é, extrair calor do ar, água ou outras substâncias. Assim, de acordo com a substância ou meio a ser resfriado, os evaporadores podem ser classificados em:

  • Evaporadores para ar.
  • Evaporadores para líquidos.
  • Evaporadores de contato.

Evaporadores para o resfriamento de ar

Em um evaporador para resfriamento de ar, o fluído frigorífico ao vaporizar no interior de tubos, aletados ou não, resfria diretamente o ar que escoa pela superfície externa do trocador de calor. O ar frio é então utilizado para resfriar os produtos contidos em uma câmara, balcão frigorífico, sala climatizada, etc. 

Quanto à circulação do ar, estes evaporadores podem ainda ser classificados em evaporadores com circulação natural e evaporadores com circulação forçada.

Evaporadores com circulação natural do ar (convecção natural)

Os evaporadores com circulação natural do ar podem ser constituídos tanto de tubos lisos quanto de tubos aletados, tendo sido bastante utilizados em situações onde se desejava baixa velocidade do ar e elevada umidade relativa no ambiente refrigerado. Com a evolução dos sistemas de controle e de distribuição do ar nas câmaras frigoríficas, estes evaporadores são atualmente pouco empregados.

Os coeficientes de transmissão de calor destes evaporadores são baixos, o que exige grandes áreas de troca de calor. Porém, por questões de limitação doa valores de perda de carga, não devem ser usados tubos muito longos, o que requer o emprego de tubos paralelos. Quanto ao formato de como são dobrados os tubos, há bastante variação entre fabricantes, sendo os principais dobramentos em forma de espiral cilíndrica, trombone, hélice, zig-zag, etc. 

Quanto aos materiais empregados em sua construção, os evaporadores de circulação natural podem ser construídos com tubos de cobre, aço ou até mesmo alumínio. E em casos especiais, quando o meio onde estão instalados é corrosivo, pode ser utilizado aço inoxidável. No caso de evaporadores aletados, as aletas podem ser de alumínio, cobre ou aço inoxidável, também para aplicações especiais. 

Estes evaporadores devem ser colocados na parte superior da câmara, junto ao teto, e devem ser instaladas bandejas para a coleta de condensado sob os mesmos, evitando o gotejamento de água sobre os produtos. Quando, por questões de espaço, não for possível a instalação somente no teto, podem também ser utilizadas as paredes, desde que os evaporadores sejam montados de forma a facilitar as correntes de convecção natural do ar no interior da câmara. 

Evaporadores com circulação forçada do ar

O evaporador com circulação forçada (frigodifusor), é atualmente o tipo de evaporador mais utilizado em câmaras frigoríficas, salas de processamento e túneis de congelamento, sendo constituídos, basicamente, por uma serpentina aletada e ventiladores, montados em um gabinete compacto. 

Um dos artifícios utilizados para melhorar o coeficiente de transmissão de calor de um evaporador seria o de molhar a sua superfície externa, pela aspersão de um líquido na forma de spray ou chuva, dando origem aos chamados “evaporadores de superfície úmida”. 

A aspersão de líquido, além de manter a serpentina sempre limpa, também apresentam as seguintes finalidades:

  • Aumentar a umidade relativa do ambiente, para temperaturas acima de 0 °C. Utiliza-se a aspersão de água.
  • Eliminar a formação de gelo e, consequentemente, e reduzir o tempo e perda de energia no degelo. Utiliza-se a aspersão de glicol ou salmoura. 

Quando não há aspersão de líquido sobre a superfície externa do evaporador, este é dito “de superfície seca”. Isto não significa que a superfície esteja sempre seca. Na verdade, ela pode estar molhada com vapor de água condensado, para temperaturas positivas, ou pode ter gelo, para temperaturas negativas. O que significa é que não existe qualquer aspersão intencional de líquido sobre o evaporador.

Evaporadores para o resfriamento de líquidos

Em um evaporador para líquido, este é resfriado até uma determinada temperatura e então bombeado para equipamentos remotos, tais como serpentinas de câmaras frigoríficas, de fan-coils, etc., onde será utilizado para o resfriamento de uma outra substância ou meio. 

Os principais tipos de evaporadores para líquidos são: Carcaça e tubo (shell and tube), Carcaça e serpentina (shell and coil), Cascata ou Baudelot, Evaporadores de placas e Evaporadores de contato. A seguir é descrito cada um deles.

Carcaça e tubo (Shell and tube)

Este tipo de evaporador é um dos mais utilizados na indústria de refrigeração para o resfriamento de líquidos. São fabricados em uma vasta gama de capacidades, podendo ser do tipo inundado, com alimentação por gravidade, onde o refrigerante evapora por fora dos tubos e o líquido a resfriar escoa por dentro dos tubos, ou de expansão direta ou de recirculação por bomba, onde o refrigerante escoa por dentro dos tubos e o líquido a resfriar na parte de fora dos tubos.

São fabricados em chapas calandradas com cabeçotes fundidos, espelhos de aço e tubos de cobre ou aço, com aletas ou não. Podem conter vários passes (ou passagens) de modo a manter a velocidade do líquido no interior dos tubos dentro de limites aceitáveis, evitando-se perdas de carga excessivas. Podem conter ainda chicanas (ou baffles) no espaço entre os tubos e a carcaça, que ajudam a posicionar os tubos e direcionam o escoamento, para que o líquido escoe perpendicularmente aos tubos.

Carcaça e serpentina (Shell and coil)

Nestes evaporadores  o  fluído frigorífico escoa por dentro do tubo, que é dobrado em forma de serpentina, e o líquido circula por fora do mesmo. Pelas dificuldades de limpeza da serpentina, bem como devido ao baixo coeficiente global de transferência de calor, este tipo de evaporador não é muito utilizado, se restringindo à instalações com refrigerantes halogenados de pequena capacidade, ou nos resfriadores intermediários fechados dos sistemas de duplo estágio.

Cascata ou Baudelot

Estes evaporadores são utilizados para o resfriamento de líquidos, normalmente água para processo, até uma temperatura em torno de 0,5 °C acima do seu ponto de congelamento. E são projetados de forma que não sejam danificados se houver congelamento do líquido. Os modelos mais antigos destes evaporadores eram constituídos de uma série de tubos, montados uns por cima dos outros, sobre os quais o líquido a resfriar escorre, numa fina película, sendo que o refrigerante circula por dentro deles. Os modelos mais recentes utilizam chapas estampadas e corrugadas de aço inoxidável, com as ondulações servindo de passagem para o refrigerante. A superfície contínua permite melhor controle da distribuição do líquido e o aço inoxidável oferece uma superfície higiênica e de fácil limpeza. 

Estes evaporadores também são muito utilizados na indústria de bebidas (cervejarias), bem como para o resfriamento de leite.

Evaporadores de Placas

Da mesma forma que no caso dos condensadores, este tipo de evaporador está sendo utilizado cada vez mais, devido ao seu elevado coeficiente de transmissão de calor. Pode ser usado com alimentação por gravidade, recirculação por bomba, o por expansão direta (válvulas termostáticas).

Estes evaporadores são construídos a partir de lâminas planas de metal interligadas por curvas de tubo soldadas a placas contíguas. Pode ser feita também de placas rebaixadas ou ranhuras e soldadas entre si, de modo que as ranhuras formem uma trajetória determinada ao fluxo do refrigerante.

Evaporadores de contato

Os evaporadores de contato formam um caso particular dos evaporadores de placas, sendo muito utilizados para o congelamento de produtos sólidos, pastosos ou líquidos. Atualmente são construídos em chapas de alumínio (liga especial), porém no passado foram utilizados principalmente o cobre e o aço. A sua alimentação pode ser por gravidade, recirculação por bomba ou expansão direta.

São mais comumente utilizadas como serpentinas de prateleiras em congeladores. O refrigerante circula através dos canais e o produto a congelar é colocado entre as placas. Esse tipo de evaporador pode ainda ser produzido pelo sistema Roll-Bond, onde são tomadas duas chapas de alumínio, e sobre as quais são impressos canais em grafite com o formato desejado. Faz-se então a união das chapas por caldeamento a 500ºC (o caldeamento não ocorre nos pontos onde há grafite). Por último os canais são expandidos sob uma pressão de até 150 bar, retirando o grafite e deixando o formato dos canais.

8 SISTEMAS DE EXPANSÃO DIRETO E INDIRETO

Um sistema de serpentina de expansão direta é um método direto de refrigeração em que o evaporador está em contato direto com o material ou espaço a refrigerar ou se localiza em passagens de circulação de ar que se comunicam com esse espaço. O evaporador de um sistema direto pode incluir qualquer tipo de trocador de calor, como serpentinas de tubos, resfriadores tubulares, serpentinas aletadas ou qualquer dispositivo no qual um refrigerante primário, como amônia, Freon ou dióxido de carbono, seja circulado e evaporado com a finalidade de resfriar qualquer material em contato direto com a superfície oposta do trocador de calor. 

Ao contrário desse sistema, está o sistema indireto: o refrigerante é evaporado na serpentina do evaporador, que está imerso em um tanque de salmoura. A salmoura, um refrigerante secundário, é então circulada para as serpentinas das câmaras frigoríficas para resfriá-las, em lugar da serpentina que contém o refrigerante primário. 

A distinção entre um sistema de expansão direto e outro sistema qualquer não está no tamanho ou formato do equipamento de transferência de calor, mas no processo de transferência empregado: ou pelo processo de calor latente, através da evaporação do refrigerante primário, ou pelo processo do calor sensível, com um refrigerante secundário (figura a seguir).

DISPOSITIVOS DE EXPANSÃO E ACESSÓRIOS

Em um sistema de refrigeração, o dispositivo de expansão tem a função de reduzir a pressão do refrigerante desde a pressão de condensação até a pressão de vaporização. Ao mesmo tempo, este dispositivo deve regular a vazão de refrigerante que chega ao evaporador, de modo a satisfazer a carga térmica aplicada ao mesmo. Nesta apostila serão considerados alguns dos principais de tipos de dispositivos de expansão, entre eles: válvula de expansão termostática, válvulas de expansão eletrônicas, válvulas de boia, válvula de expansão de pressão constante e tubos capilares.

 

1 – Válvula de Expansão Termostática

Devido a sua alta eficiência e sua pronta adaptação a qualquer tipo de aplicação, as válvulas de expansão termostáticas (VET) são os dispositivos de expansão mais utilizados em sistemas de refrigeração de expansão direta. São usadas para regular o fluxo do refrigerante a fim de garantir que ele evapore totalmente na serpentina, para garantir a redução da pressão do sistema e ainda para manter um superaquecimento constante do vapor que deixa a serpentina. Elas podem ser do tipo equalização externa e equalização interna.

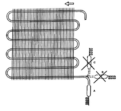
As  válvulas de expansão termostáticas com equalização externa de pressão são utilizadas quando, ao fluir através do evaporador, o fluido sofre uma queda de pressão elevada devido ao atrito. Dessa forma, sua temperatura de saturação é sempre mais baixa na saída do que na entrada. Como exemplo, considere a válvula com equalização externa de pressão, ilustrada na figura abaixo, montada em um sistema com perda de carga no evaporador de 62kPa.

A figura acima mostra o esquema de uma válvula de expansão termostática, conectada a uma serpentina de expansão direta. Estas válvulas são constituídas de corpo, mola, diafragma, parafuso de ajuste e bulbo sensível. O bulbo, que contém em seu interior fluído frigorífico saturado, é conectado com a parte superior do diafragma através de um tubo capilar e deve ser posicionado em contato com a tubulação de saída do evaporador, bem próximo a este. A saída da VET é conectada com a tubulação de entrada do evaporador e, caso este seja de múltiplos circuitos, deve-se utilizar um distribuidor de líquido. 

Quando o bulbo da válvula contém refrigerante do mesmo tipo que o utilizado no sistema frigorífico, diz-se que a válvula é de carga normal. 

Se o tipo de refrigerante do bulbo da válvula é diferente daquele utilizado na instalação, diz-se que a válvula é de carga cruzada. O objetivo principal destas válvulas é manter um grau de superaquecimento aproximadamente constante para toda a gama de temperaturas de evaporação do sistema frigorífico, o que pode não acontecer para as VET de carga normal.

Quando o refrigerante passa através do orifício da válvula a sua pressão é reduzida até a pressão de vaporização. O refrigerante líquido escoa através do distribuidor e dos tubos do evaporador, se vaporizando a medida que recebe calor. Em uma determinada posição ao longo do comprimento dos tubos, todo o refrigerante líquido já se vaporizou e, a partir deste ponto, qualquer fluxo adicional de calor provocará um aumento da temperatura do refrigerante (calor sensível). Assim, quando o refrigerante alcança a saída do evaporador ele apresenta um pequeno grau de superaquecimento, com relação à temperatura de saturação, para a pressão de vaporização.

 Se a carga térmica aumenta, mais refrigerante se vaporiza. Isto causa aumento do superaquecimento do refrigerante, o que está associado a um aumento de temperatura na região onde está instalado o bulbo da válvula. Como dentro do bulbo existe refrigerante saturado, este aumento de temperatura provoca um aumento de pressão no interior do mesmo e na parte superior do diafragma, o que move a agulha obturadora para baixo, abrindo a válvula e aumentando a vazão de refrigerante. Assim, mais líquido entra no evaporador de forma a satisfazer a carga térmica. 

Se ocorrer diminuição da carga térmica, o superaquecimento do refrigerante na saída do evaporador tende a diminuir, o que provoca o fechamento da válvula, diminuição da vazão de fluído frigorífico e aumento da diferença de pressão entre entrada e saída da válvula. 

O grau de superaquecimento pode ser ajustado pela variação da tensão impressa à mola da válvula. Maiores tensões na mola, exigirão maiores pressões no bulbo para a abertura da válvula o que implica em maiores superaquecimentos. 

Em algumas situações, podem ocorrer instabilidades na operação da VET, resultando em ciclos de superalimentação e subalimentação do evaporador, sendo este fenômeno conhecido como hunting da válvula. O hunting causa flutuações de pressão e temperatura e pode reduzir a capacidade do sistema frigorífico. 

O intervalo de tempo necessário para o escoamento do refrigerante desde a entrada do evaporador até o ponto onde está instalado o bulbo pode levar, em determinadas condições, a uma abertura excessiva da válvula, o que alimenta o evaporador com um excesso de refrigerante líquido. 

Algumas gotas deste líquido podem ser transportadas até a saída do evaporador, resfriando rapidamente a parede do tubo onde está instalado o bulbo, e reduzindo subitamente a alimentação de refrigerante pela válvula, a qual passa a operar em ciclos rápidos de superalimentação e subalimentação, isto é, em hunting.

O hunting de uma válvula de expansão termostática é determinado pelos seguintes fatores:

 Tamanho da Válvula - uma válvula superdimensionada pode levar ao hunting.

 Grau de Superaquecimento - quanto menor o grau de superaquecimento, maior as chances da válvula entrar em hunting.

 Posição do bulbo - a correta seleção da posição do bulbo frequentemente minimize o hunting. O bulbo deve ser instalado na parte lateral (a 45º) de uma secção horizontal da tubulação, localizada imediatamente na saída do evaporador.

2 – Válvulas de Expansão Eletrônicas

As válvulas de expansão elétricas, ou mais precisamente as eletrônicas, são capazes de promover um controle mais preciso e eficiente do fluxo de refrigerante, resultando numa economia de energia. 

O fechamento repentino da válvula pode causar golpes de líquido na linha de refrigerante que alimenta a válvula, gerando vibração excessiva. A introdução de um amortecimento, onde o refrigerante líquido é forçado acima ou debaixo do êmbolo da válvula, por uma pequena passagem pode ser uma forma efetiva de reduzir a velocidade de abertura e fechamento. 

Ao invés de abrir ou fechar completamente a válvula, pode-se utilizar uma válvula analógica e variar a intensidade do campo magnético aplicado à sua bobina, de forma que a agulha da válvula (ou êmbolo) pare em várias posições intermediárias

Comparadas com as válvulas de expansão termostática, as principais vantagens das válvulas eletrônicas são:

Promovem um controle mais preciso da temperatura.

 Promovem um controle consistente do superaquecimento, mesmo em condições de pressão variável.

 São capazes do operar com menores pressões de condensação. Isto é especialmente importante quando se tem baixa temperatura ambiente.

 Podem resultar em economia de energia de 10% (ou mais).

O sinal para controle das válvulas eletrônicas pode ser       gerado             a          partir   de             um       termistor

(semicondutores sensíveis à variação de temperatura), instalado na saída do evaporador, e que pode detectar a presença de refrigerante líquido. Quando não ocorre a presença de líquido, a temperatura do termistor se eleva, o que reduz sua resistência elétrica, esta variação de resistência pode ser analisada por um circuito, que enviará o sinal digital para posicionamento da agulha da válvula.

 Os termistores podem ser do tipo NTC (Negative Temperature Coefficient), onde a resistência diminui com o aumento da temperatura e do tipo PTC (Positive Temperature Coefficient), onde a resistência aumenta com o aumento da temperatura.

3 – Válvulas de Boia

A válvula de boia é um tipo de válvula de expansão que mantém constante o nível de líquido em um recipiente, diretamente no evaporador ou nos separadores de líquido. Existem dois tipos de válvulas de boia para sistemas de refrigeração: as de alta pressão e as de baixa pressão. 

Válvula de boia do lado de Baixa Pressão

Essencialmente, a válvula de boia do lado de baixa pressão é um recipiente oco, esférico ou com outro formato, ligado por alavancas e articulações a uma válvula de agulha, figura ao lado. Ela mantém o líquido no evaporador a um nível predeterminado. Quando o refrigerante é evaporado, o nível de líquido se reduz, baixando a boia. A articulação de ligação abre a válvula, admitindo mais refrigerante. Então, quando o nível de líquido sobe até o ponto necessário, a boia é erguida, fechando a válvula de agulha. Esse tipo de válvula de expansão oferece um controle muito bom, mantendo o nível adequado de refrigerante independentemente de variações de carga, períodos sem carga, condições da carga e outras variáveis de operação. Qualquer número de evaporadores pode funcionar em um mesmo sistema, pois cada válvula flui apenas a quantidade de refrigerante necessária para o seu próprio evaporador. As válvulas de boia devem ser escolhidas em função do refrigerante específico que vai ser usado, devido à diferença de densidade entre os diversos refrigerantes. Uma válvula dimensionada para um dos refrigerantes mais pesados, como R- 12 ou R-22, precisaria ter uma boia menor e mais pesada do que a de uma válvula construída para amônia. Além disso, as pressões no sistema durante o descongelamento têm que ser consideradas, pois altas pressões podem levar à implosão da própria boia.

Tem como principais problemas, vazamentos devidos à corrosão ou falha nas juntas soldadas. A boia pode implodir em razão de altas pressões, como dito anteriormente. A agulha, o assento ou ambos podem desgastar-se, permitindo o vazamento continuo de refrigerante. Em ambos os casos, ela permitirá a passagem do refrigerante continuamente e o seu retomo ao compressor. A boia pode operar de maneira incorreta, devido à ebulição do refrigerante. Nestes casos, o conjunto da boia é localizado em uma câmara separada.

Válvula de Boia do lado de Alta Pressão

A válvula de boia do lado de alta pressão, figura ao lado, contém os mesmos elementos da do lado de baixa pressão: a boia, a transmissão articulada e a válvula de agulha. A diferença em relação à de baixa pressão está em sua localização no lado de alta pressão do sistema e no fato de que a válvula é aberta quando o nível de líquido aumenta. Ela é instalada abaixo do condensador e transfere o refrigerante líquido para o evaporador tão logo ele é condensado, mas não permite a passagem de vapor não condensado. Isto requer que a maior parte da carga de refrigerante no sistema se localize no evaporador. Como a válvula de boia do lado de alta pressão normalmente dá passagem a todo o refrigerante líquido que chega a ela, não seria praticável instalar essa boia em um sistema de evaporador com circuitos múltiplos em paralelo, pois não haveria maneira de assegurar distribuição adequada do refrigerante.

4 – Válvula de Expansão de Pressão Constante

A válvula de expansão de pressão constante mantém uma pressão constante na sua saída, inundando mais ou menos o evaporador, em função das mudanças de carga térmica do sistema. A pressão constante, característica da válvula, resulta da interação de duas forças opostas: pressão do fluido frigorífico no evaporador e da pressão de mola, como mostrado na figura ao lado. A pressão do fluido frigorífico exercida sobre um lado do diafragma age para mover a agulha na direção de fechamento do orifício da válvula, enquanto a pressão de mola, agindo sobre o lado oposto do diafragma, move a agulha da válvula na direção de abertura do orifício.

É importante observar que as características de operação da válvula de expansão de pressão constante são tais que esta fechará suavemente quando o compressor é desligado e permanecerá fechado até que o compressor volte a ser ligado. Por questões ligadas ao seu princípio de operação, as válvulas de expansão de pressão constante se adaptam melhor a aplicações onde a carga térmica é aproximadamente constante, por conseguinte, elas têm de uso limitado. 

Sua utilidade principal é em aplicações onde a temperatura de vaporização deve ser mantida constante, em um determinado valor, para controlar a umidade em câmaras frigoríficas ou evitar o congelamento em resfriadores de água. Elas também podem ser vantajosas quando é necessário proteção contra sobrecarga do compressor. A principal desvantagem deste tipo de válvula é sua eficiência relativamente baixa, quando comparada com os outros tipos de controle de fluxo, especialmente em condições de carga térmica variável.  

5 – Tubos Capilares

O tubo capilar é um tubo simples de cobre, de diâmetro muito pequeno, que une a linha de alta pressão à de baixa pressão.

Nos sistemas de pequena capacidade (geladeiras, aparelhos de ar condicionado de janela, freezers, etc.) o dispositivo de expansão mais utilizado é o tubo capilar, o qual nada mais é que um tubo de pequeno diâmetro, com determinado comprimento, que conecta a saída do condensador com a entrada do evaporador. 

O diâmetro interno de tubos capilares varia de 0,5 a 2,0 mm, com comprimentos desde 1,5 até 3,5 m e pelo menos 1,2 m do comprimento total devem ser soldados na linha de aspiração a fim de se obter um resfriamento às custas dos vapores frios provenientes do evaporador (troca de calor).

Para refrigerantes halogenados os capilares geralmente são de cobre. Nos últimos anos, observa-se uma tendência da utilização de capilares mais curtos, onde a relação L/Di  é da ordem de 3 a 20. Estes capilares mais curtos têm sido fabricados de latão ou outras ligas a base de cobre.

Quando se utiliza tubo capilar em um sistema de refrigeração, devem ser tomados cuidados adicionais com a instalação. A presença de umidade, resíduos sólidos ou o estrangulamento do componente por dobramento, poderão ocasionar obstrução parcial ou total na passagem do refrigerante através do capilar, prejudicando o desempenho do equipamento. Também pode ser utilizado um filtro de tela metálica antes do capilar, o qual tem a função de reter impurezas e materiais estranhos, evitando o entupimento do mesmo. 

O tubo capilar difere de outros dispositivos de expansão também pelo fato de não obstruir o fluxo de refrigerante para o evaporador quando o sistema está desligado. Quando o compressor é desligado, ocorre equalização entre as pressões dos lados de alta e baixa através do tubo capilar, e o líquido residual do condensador passa para o evaporador. Estando este líquido residual à temperatura de condensação, se a sua quantidade for demasiadamente grande provocar-se-á o degelo do evaporador e/ou ciclagem curta do compressor. Além disso, há ainda o risco de que, ao se ligar o compressor, algum líquido passe do evaporador para o compressor. 

Por estas razões, a carga de refrigerante em um sistema que usa tubo capilar é crítica, não sendo empregado nenhum tanque coletor entre o condensador e o tubo capilar. A carga de refrigerante deve ser a mínima possível para satisfazer os requisitos do evaporador e ao mesmo tempo manter uma vedação, com refrigerante líquido, da entrada do tubo capilar no condensador. 

 

Qualquer refrigerante em excesso somente irá estagnar-se no condensador com as seguintes consequências: 

  • Durante a operação, haverá uma elevação da pressão de condensação, reduzindo-se assim a eficiência do sistema;
  • Haverá também uma tendência a uma maior vazão de refrigerante através do capilar, com uma consequente variação da capacidade frigorífica;
  • Pode haver sobrecarga do motor do compressor;
  • Durante o tempo em que o sistema está desligado, todo o líquido excedente passará do condensador para o evaporador com as consequências já vistas acima.

Devido à carga crítica de refrigerante, um tubo capilar nunca deve ser empregado em conjunto com um compressor do tipo aberto. As fugas de refrigerante ao redor da vedação do eixo poderiam tornar o sistema inoperante dentro de um curto espaço de tempo. O uso de tubos capilares em sistemas divididos, onde o compressor está localizado a uma certa distância do evaporador, também deve ser evitado, pois são difíceis de se carregar com exatidão, as longas linhas de sucção e de líquido requerem uma grande carga de refrigerante, o qual se concentraria no evaporador quando o sistema estivesse desligado. 

Com relação aos condensadores projetados para operar com tubos capilares, devem ser observados os seguintes requisitos:

  • O líquido deve ser capaz de fluir livremente para o evaporador durante quando o sistema está desligado. Caso contrário, haverá vaporização do líquido no condensador e condensação no evaporador, acelerando ainda mais o degelo.
  • Os tubos devem ter o menor diâmetro possível de modo a se conseguir uma pressão de condensação adequada com uma quantidade mínima de refrigerante.

Com relação ao evaporador, deve-se prever um dispositivo para acúmulo de líquido na sua descarga a fim de evitar que este passe para o compressor durante a partida. O líquido se vaporiza no acumulador e chega ao compressor somente sob a forma de vapor. A troca de calor entre o tubo capilar e a linha de sucção do compressor garante um maior subresfriamento do líquido e minimiza a formação de vapor no interior do capilar. Assim, previne-se a redução da vazão de refrigerante. 

Vantagens dos Tubos Capilares:

  • Simplicidade (não apresentam partes móveis);
  •  Baixo custo;
  •  Permitem a equalização das pressões do sistema durante as paradas (motor de acionamento do compressor pode ser de baixo torque de partida);
  • Redução da quantidade e custo do refrigerante e eliminação da necessidade de um tanque coletor.

Desvantagens dos Tubos Capilares:

  • Impossibilidade de regulagem para satisfazer distintas condições de carga;
  •  Risco de obstrução por matéria estranha;
  •  Exigência de uma carga de refrigerante dentro de limites estreitos;
  •  Redução da eficiência operacional para qualquer variação da carga térmica ou da temperatura de condensação.

6 – Outros acessórios

Acumulador de sucção

Em alguns evaporadores a ação do dispositivo de expansão não é suficientemente rápida para acompanhar as variações de carga. Algum líquido pode escapar do evaporador pela linha de sucção e provocar danos ao compressor. O acumulador é uma espécie de armadilha destinada a apanhar este líquido, antes que ele atinja o compressor. O acumulador de sucção consiste num recipiente que acumula e evapora o refrigerante líquido.

Visor de líquido

São peças com visores para verificar a passagem de líquido e a presença de umidade. São colocados na saída do reservatório de líquido ou na entrada do evaporador, permitindo verificar se a carga de refrigeração está completa e se existe umidade no sistema. 

As seguintes cores são utilizadas para indicar a quantidade de umidade no sistema:

  • Verde - Ausência de umidade;
  • Amarelo - Presença de umidade;
  • Marrom - Contaminação total do sistema.

Separador de óleo

A finalidade do separador de óleo (figura ao lado) é reduzir a quantidade de óleo em circulação no sistema e deste modo aumentar a sua eficiência. A quantidade de óleo em circulação pode afetar a transferência de calor do evaporador, criar uma falsa ação de flutuação ou mesmo afetar o funcionamento da válvula de expansão. Nestes casos, um separador de óleo reduzindo a circulação de óleo dentro do sistema pode melhorar a eficiência do evaporador.

No separador, a mistura de óleo e fluido refrigerante quente vindo do compressor entra e atravessa um tubo perfurado. A mistura bate contra a tela onde o óleo geralmente se separa do vapor. O óleo é drenado pela parte inferior da tela para um pequeno reservatório no separador. O vapor passa através da tela e deixa o separador pela parte superior. Quando o nível do óleo sobe no reservatório, a boia do flutuador também sobe e o óleo volta ao compressor através de um orifício. 

Esses equipamentos são muito eficientes, deixando apenas uma quantidade mínima de óleo escoar o longo do ciclo. 

São comumente usados em instalações de grande porte.

As partes principais de um separador de óleo são:

  • Tanque ou cilindro externo revestido por um isolamento térmico de maneira a impedir a condensação do vapor;
  • Filtros que coletam o óleo;
  • Válvula de agulha controlada por boia;
  • Linha de retorno do óleo ao compressor.

Filtros secadores

O filtro secador pode ser considerado um dos cinco componentes básicos de um sistema de refrigeração. Sua principal função é reter resíduos de umidade e eventuais partículas sólidas existentes no interior da unidade selada.

A importância do uso de um filtro secador de boa qualidade é evidente quando se analisam os diversos aspectos das unidades seladas. Dificilmente se consegue retirar totalmente a umidade dos sistemas de refrigeração, até mesmo quando se faz vácuo por longo tempo com bombas de alto vácuo. 

Os melhores processos de fabricação, de manuseio de fluido refrigerante e dos óleos lubrificantes não são totalmente perfeitos. Por esse motivo, a presença de traços de umidade é considerada normal nesses componentes e o mesmo acontece com os compressores.

Numa operação normal de carga do fluido refrigerante, por exemplo, uma pequena quantidade de ar úmido se infiltra na unidade selada. Geralmente, esses resíduos de umidade só se desprendem ao longo do tempo. Assim, para evitar que os resíduos de umidade provoquem obstruções parciais ou totais do tubo capilar, deve-se utilizar um filtro secador de boa qualidade, sempre que – por qualquer motivo – a unidade selada for aberta.

Um grande número de usuários de sistemas de refrigeração faz reclamações do tipo: “Meu refrigerador (ou freezer, bebedouro, etc.) não é mais o mesmo depois que foi trocado o compressor”. O mais provável, nesses casos, é que o refrigerista não tenha trocado o filtro secador por um novo, ou tenha instalado um filtro secador muito pequeno ou de má qualidade. Ou, ainda, pode ter deixado o sistema aberto por um tempo excessivamente longo. Quando a umidade entope o tubo capilar totalmente, o sistema deixa de funcionar e o defeito é facilmente identificado. Quando a obstrução do capilar é parcial, o rendimento do sistema cai e o consumo aumenta. Nesse caso, a identificação do problema exige uma análise um pouco mais detalhada. Os sintomas são semelhantes à falta de gás ou falta de compressão (baixa capacidade do compressor). Geralmente os técnicos mal informados atribuem a culpa da falta de rendimento ao compressor ou à falta de gás. Nesses casos, porém, a substituição do compressor ou da carga de gás resultará em perda de tempo e dinheiro, pois o verdadeiro problema não será resolvido. 

Os filtros com Molecular Sieves (MS) como dessecante são normalmente os mais utilizados em pequenos sistemas de refrigeração, ver tabela a seguir.

Os dessecantes para filtros secadores em sistemas de refrigeração devem ter as seguintes características:

 Estabilidade mecânica – o dessecante deve ser resistente ao desgaste para evitar que os choques entre as esferas soltem partículas (pó), que podem obstruir o tubo capilar, penetrar entre outras partes móveis do compressor, provocando desgastes.

 Estabilidade Química – o dessecante deve ser quimicamente estável, não pode reagir com o fluido refrigerante, com o óleo lubrificante do compressor ou com outros materiais do sistema de refrigeração.

 Quantidade adequada – o filtro secador deve conter a quantidade adequada de MS em relação ao volume interno do corpo do filtro. Se existirem espaços vazios, o fluxo do fluido refrigerante poderá causar movimento das esferas de MS, o que aumentará o risco da liberação de partículas (pó de MS). 

É muito importante estar atento à posição do filtro secador. Ele deve ser instalado de maneira a evitar a movimentação das esferas de MS. Consequentemente, o fluxo do fluido refrigerante deve se dar sempre no sentido da força da gravidade.

Devido a uma série de pequenas anomalias, é sempre possível que na saída do condensador, além do fluido refrigerante em fase líquida, exista uma certa quantidade em estado gasoso. Instalado na horizontal (B), o líquido fica na parte de baixo e o gás preenche a parte superior da pequena câmara, que contém uma rede e o dessecante que formam o elemento filtrante (ver figura a seguir).

Na vertical (C), a situação seria pior, pois a porção do refrigerante em fase de gás tende a escapar “borbulhando” o material dessecante e encurtando a vida do filtro.

Tanto na posição (A) como na (B) o refrigerante entra apenas em fase líquida, o que equaliza as pressões no menor tempo possível. As instabilidades de funcionamento também são reduzidas pela entrada exclusiva da fase líquida do fluido refrigerante, sem que haja uma variação constante entre líquido e gás.

Entretanto, a posição (B) ainda permite um borbulhamento, mesmo que parcial, e por isso não é recomendada.

A posição correta de instalação (A) – que garante a equalização ideal de pressões – também reduz o desgaste do dessecante pelo atrito. Nessa posição, o líquido refrigerante flui, é claro, no sentido da gravidade e pressiona o dessecante contra a rede, mantendo-o estável. O eventual desprendimento de resíduos do dessecante, que ocorre nas posições (B) e (C), pode obstruir o tubo capilar ou provocar desgaste nos componentes internos do compressor.

9 PRINCIPAIS ACESSÓRIOS ELÉTRICOS

1.TERMOSTATOS

Os termostatos são interruptores que regulam, de forma automática, o funcionamento do refrigerador, com a finalidade de conservar a temperatura desejada no evaporador e na câmara. Indicam variações de temperatura e fecham ou abrem os contatos elétricos.

1.1. Classificação dos Termostatos

Os termostatos podem ser classificados de acordo com o elemento de medição de temperatura.

  • Termostato com bulbo sensor de temperatura;
  • Termostato bimetálico;
  • Termostato eletrônico.

1.1.1. Termostato com bulbo sensor de temperatura: o bulbo contém um gás ou um líquido que quando a temperatura no bulbo aumenta, há também aumento de pressão no fluido que é transmitido ao fole do termostato. O movimento do fole proporciona o fechamento ou abertura dos contatos através do mecanismo de alavanca.

1.1.2. Bimetálico: o tipo de termostato chamado bimetálico funciona com uma expansão ou contração de metais, devido às mudanças de temperatura. Esses termostatos são projetados para controlar o calor e o resfriamento nas unidades de ar-condicionado, câmaras frigoríficas, estufas para plantas, bobinas de ventilador, etc.

Como se vê na figura, dois metais, cada um tendo um coeficiente diferente de dilatação, são soldados juntos para formar uma lâmina bimetálica. Com uma lâmina presa em uma extremidade, forma-se um circuito e os dois pontos de contato são fechados pela passagem de uma corrente elétrica. Devido ao fato de que uma corrente elétrica produz calor em sua passagem pela lâmina bimetálica, os metais na lâmina começam a se dilatar, mas em proporções diferentes. Os metais são dispostos de modo que o que tem coeficiente de dilatação mais elevado seja colocado embaixo da unidade. Depois de um certo intervalo de tempo, a temperatura de operação é atingida, e os pontos de contato ficam separados, desligando desse modo a entrada de corrente. Depois de um curto período, a lâmina se torna suficientemente fria para provocar os pontos de contato a se ligarem, restabelecendo dessa maneira o circuito, e permitindo que a corrente ative novamente o circuito. O ciclo precedente se repete várias vezes e dessa maneira evita que a temperatura aumente muito ou caia muito. 

1.1.3. Termostato eletrônico: basicamente, qualquer que seja o modelo do termostato eletrônico, a temperatura interna do ambiente refrigerado é medida por um sensor elétrico (NTC ou PTC), que envia o sinal para um circuito eletrônico. Esse circuito, por sua vez, liga ou desliga o compressor.

1.1.3.1. Vantagens do Termostato eletrônico:

  • Proporciona um controle mais preciso da temperatura e garante um melhor processo de medição, resultando num grau melhor de conservação dos alimentos.
  • Permite funcionalidades adicionais como: resfriamento rápido e indicação visual da temperatura, sem grande acréscimo de custo.

1.2. Funcionamento defeituoso do termostato

O funcionamento defeituoso do termostato pode impedir a partida do motocompressor. Normalmente as causas podem ser:

  • O elemento térmico perdeu parcialmente ou totalmente a carga de gás ou líquido, permanecendo os contatos sempre abertos e impedindo o arranque do motocompressor, ou o funcionamento se dá de maneira descontínua;
  •  Ruptura de qualquer componente do dispositivo, ou os contatos elétricos estão sujos ou queimados;
  •  Contatos elétricos grudados por fusão (neste caso o funcionamento do motocompressor é contínuo).

É possível remediar qualquer dos defeitos supra-referidos, mas é aconselhável proceder à substituição completa do termostato. Em caso de dúvida, é suficiente fazer uma “ponte” com um pedacinho de fio, entre os dois terminais do termostato; se o motocompressor funcionar, é evidente que o termostato esteja defeituoso.

2. PRESSOSTATOS

Os pressostatos são interruptores elétricos comandados pela pressão. O ajuste da pressão se faz por meio de um parafuso. Em alguns modelos o diferencial de pressão (diferença entre pressão de desarme e rearme) é regulável. O rearme pode ser automático ou manual. Os pressostatos com rearme manual são mais usados quando o dispositivo tem a função de proteção. É de grande importância checar o motivo de seu desarme, assegurando que o sistema só seja religado quando estiver pronto para operar dentro dos limites de pressão adequados. Nos casos em que o pressostato atua no controle, o rearme automático é a melhor opção.

2.1. Classificação dos Pressostatos

2.1.1. Pressostatos de baixa pressão: desligam, quando a pressão de sucção se torna menor do que um determinado valor;

2.1.2.  Pressostatos de alta pressão: desligam, quando a pressão de descarga se torna maior do que um determinado valor;

2.1.3. Pressostatos de alta e baixa: reúnem os dois tipos anteriores num único aparelho;

2.1.4. Pressostatos diferenciais: destinados ao controle da pressão do óleo de lubrificação dos compressores, que desligam quando a diferença entre a pressão da bomba e o cárter do compressor é insuficiente para uma lubrificação adequada.

3.RELÉ DE PARTIDA

O relé de partida é o dispositivo elétrico que comanda a operação liga/desliga do enrolamento de partida, que permite que este seja ligado para auxiliar a partida do motor e desligando-o pouco antes do motor atingir a sua rotação nominal ou velocidade

normal. A ação conjunta do relé de partida e do protetor térmico assegura um controle preciso do tempo de funcionamento do enrolamento auxiliar, evitando o superaquecimento do bobinado e protegendo o equipamento contra danos mais sérios.   No momento da partida, quando o controle de temperatura fecha o circuito elétrico, um impulso de corrente elétrica passa através do enrolamento principal do motor e através da bobina do relê. Essa energiza o relê de partida fechando os contatos do enrolamento de partida. A corrente através do enrolamento de partida introduz um segundo campo magnético defasado no estator e arranca o motor. Quando a velocidade do motor aumenta, a corrente do enrolamento de andamento é reduzida. A uma condição predeterminada, a corrente do enrolamento de marcha cai a um valor abaixo do necessário para manter a armadura do relê de partida. A armadura cai e abre os contatos do enrolamento de partida e retira-o do circuito. A seguir, o motor continua a funcionar pelo enrolamento de marcha, como um motor de indução. 

3.1. Tipos de relés de partida

  • Relé de corrente magnética;
  • Relé térmico;
  • Relé voltimétrico;  
  • Relé PTC.

3.1.1. Relé de corrente magnética

É o tipo mais usado nos atuais equipamentos de refrigeração, também conhecido por relé de corrente. O relé magnético apresenta uma bobina ligada em série com o enrolamento principal ou de marcha e uma armadura com platinado de ambos os lados, aos quais por sua vez, estão montados com pesos e molas.

Funcionamento do relé de corrente magnética: Quando o equipamento é ligado de alguma forma ou pelo acionamento do termostato ou quando é ligado a rede de distribuição de eletricidade, faz com que um fluxo de corrente passe pela bobina do relé e pela bobina de marcha. Esta corrente que passa inicialmente pode atingir valores dez vezes maiores que a corrente de funcionamento. O enrolamento principal é responsável pelo valor da corrente inicial que, ao passar pela bobina do relé, cria um campo magnético muito forte capaz de fechar o platinado (contatos do relé), este fenômeno ocorre porque o

campo magnético criado pela bobina é diretamente proporcional à corrente elétrica que passa por ela. A bobina do relé atua como um eletroímã, fechando os platinados e permitindo que o fluxo de corrente também se dirija para os enrolamentos de partida do motocompressor. Quando o motor atinge de 70 a 80% de sua rotação nominal, a intensidade da corrente diminui e com isso também diminui o fluxo do campo magnético no relé, por esta razão, as armaduras com platinados descem, retomando a sua posição inicial e desligando a bobina auxiliar. O motor, enquanto estiver energizado, segue trabalhando com o enrolamento de marcha, que é a bobina principal. 

3.1.2. Relé Térmico

Este tipo de relé contém um dispositivo bimetálico de sobrecarga. Ao ser ligado, o termostato permite a passagem da corrente elétrica para os platinados do relé térmico. Como estes estão fechados, a corrente passa para os enrolamentos auxiliar e de marcha, dando a partida do motor. A corrente de partida do compressor aquece o fio térmico e provoca a sua dilatação, permitindo que a lâmina do balancim se curve o suficiente para possibilitar a abertura dos platinados, com isso, o fluxo da corrente para o enrolamento auxiliar é interrompido, e continua somente através do enrolamento de marcha. O relé térmico é cuidadosamente projetado para permitir que o enrolamento auxiliar deixe de trabalhar quando o motor atingir cerca de 80% da sua velocidade nominal. Enquanto o motor estiver operando, em condições normais, o fluxo da corrente mantém os platinados de partida abertos e os de marcha fechados. O relé térmico apresenta internamente uma proteção de sobrecarga, que é constituída pelo próprio fio térmico, que atua quando a corrente elétrica ultrapassa os limites estabelecidos pelo fabricante.

3.1.3. Relé Voltimétrico

Também é conhecido por relé de potencial, relé de tensão magnética ou relé de tensão. Os relés voltimétricos estão ligados em paralelo com a rede elétrica e, por essa razão, trabalham com a tensão que lhes fornece.

Os relé volumétricos somente funcionam com capacitores de partida e de fase, pois são utilizados elo compressores que necessitam de alto torque de partida e cuja referência comercial que consta dos catálogos dos fabricantes diz acima de 3/4 de HP. 

Em relação aos demais tipos de relés, o relé voltimétrico apresenta platinados já fechados na partida do compressor, o que é uma vantagem, pois evita a formação de centelha elétrica, no caso de alta corrente elétrica. O relé voltimétrico está ligado em paralelo com o borne comum e o borne do auxiliar de partida do compressor. 

Funcionamento do relé voltimétrico: Na partida, verifica-se uma queda de tensão, através do enrolamento de partida. Conforme o motor atinge a sua velocidade nominal de marcha, a tensão na bobina de partida aumenta, atingindo um nível acima do inicial, produzindo um forte campo magnético na bobina de relé. A armadura sobe, interrompendo o circuito para o enrolamento de partida e a bobina do relé se mantém magnetizada, enquanto o aparelho estiver energizado.

3.1.4. Relé PTC

O relé PTC, cujo nome é retirado das palavras Coeficiente de Temperatura Positiva. Em temperatura ambiente, o relé PTC apresenta baixa resistência ôhmica e, caso se estabeleça uma ligação no circuito, o PTC permite a passagem da corrente elétrica. Quando o compressor parte, a corrente da bobina auxiliar passa pelo PTC, aumentando a sua temperatura. Com isso, a resistência do PTC aumenta até atingir um valor tão elevado, que impede a passagem da

corrente elétrica para a bobina auxiliar. Este fenômeno ocorre porque a corrente procura sempre percorrer os caminhos de menor resistência. 

Diz-se que o PTC se encontra em funcionamento normal quando sofre um aquecimento devido a uma corrente elétrica que passou por ele na partida e, neste caso, o valor da resistência se eleva, impedindo a passagem de corrente elétrica para a bobina auxiliar e o motocompressor segue funcionado somente com a bobina de marcha energizada.

Os PTCs não geram distúrbios elétricos, são mais silenciosos que os relés magnéticos e ainda podem ser utilizados em conjunto com capacitores de funcionamento e, portanto, em compressores de alto rendimento. Mas a corrente necessária para manter o PTC aquecido durante o funcionamento aumenta o consumo do compressor.

3.2. Relé defeituoso

Um relé defeituoso pode ser a causa da falta de arranque do motocompressor.  Um circuito aberto ou interrompido da bobina, uma solda momentânea dos contatos, fazem com que o protetor térmico interrompa o circuito. Em qualquer caso podem-se também fundir os fusíveis da casa. Se um relé está em bom estado, e se agita no sentido vertical, deve-se ouvir o ruído do núcleo metálico móvel. Entretanto, tendo-se dúvida se o relé seja defeituoso, proceder à partida do motocompressor diretamente.

4.PROTETOR TÉRMICO

Como o próprio nome diz, o protetor térmico serve para proteger o compressor, evitando que trabalhe em condições adversas e diferentes daquelas para as quais foi projetado. Seu objetivo maior é impedir que o motor do compressor aqueça até uma temperatura que o danifique ou até o queime, através de falta de funcionamento de arranque, bloqueio do rotor, curto-circuito, elevada temperatura dos enrolamentos, sobrecarga contínua ou frequente, baixa tensão, etc. Ele atua ao perceber que a corrente do compressor e a temperatura de bobina (motor) ou carcaça do compressor estão atingindo um nível crítico. É constituído de uma resistência elétrica em contato com um disco bimetálico. Quando no motor persiste urna tensão de corrente 2 a 3 vezes superior à de regime, a resistência vai aquecendo e deformando o disco bimetálico, o qual abre os contatos elétricos interrompendo o circuito do motor; isto se dá em 2 a 5 segundos. A anormalidade pode durar até que o técnico reparador localize a causa. O distúrbio se verifica frequentemente quando se interrompe e se liga o circuito elétrico quase ao mesmo tempo, sem ter esperado 2 a 3 minutos para dar possibilidade às duas pressões, alta e baixa, de equilibrar-se.

O protetor térmico trata-se, assim, de um item de segurança do compressor, que precisa ser bem conhecido de todos os refrigeristas. O protetor térmico pode ser interno (ou seja, estar dentro do compressor) ou externo. A maioria está mais familiarizada com o protetor térmico externo, que fica montado no terminal hermético do compressor, junto ao relé. Todos os compressores fabricados pela Embraco no Brasil possuem esse tipo de protetor térmico, que pode atuar por excesso de corrente ou temperatura de carcaça. Os protetores térmicos internos são usados em alguns modelos Embraco Aspera, fabricados fora do Brasil. O protetor interno avalia a temperatura do motor diretamente no componente e, por isso, é muito preciso e confiável. Por não saber da existência de protetores internos, alguns refrigeristas cometem um erro básico: examinam o compressor e chegam à conclusão de que ele veio sem protetor. Assim, em caso de dúvida, verifique no esquema elétrico se o protetor térmico é interno.

Cada compressor possui seu protetor térmico específico, que é testado em diversas condições de temperatura e tensão. O modelo de protetor é selecionado para permitir que o refrigerador trabalhe em sua condição normal, atuando sempre que ocorre algum risco para o compressor. Portanto, deve-se sempre aplicar o protetor térmico indicado, colocando-o na posição descrita no manual. Com isso, evita-se que o protetor atue indevidamente ou permita que o compressor queime. 

4.1. Causas da atuação do protetor térmico

São quatro as principais causas de atuação do protetor térmico. A primeira delas é a temperatura de condensação elevada, que pode ser causada por uma parada do ventilador ou obstrução do condensador. O protetor também atua quando as tensões de funcionamento são muito baixas ou acima do especificado. A terceira causa são as partidas com pressões desequalizadas. E, finalmente, o protetor atua quando o compressor funciona continuamente. Esse problema é muitas vezes causado por vazamentos do refrigerante, por gaxetas de porta muito velhas ou porque a porta do refrigerador foi esquecida aberta. Isso faz com que as temperaturas internas e a condensação aumentem e que o compressor não cicle.

5.CAPACITORES

O capacitor é um componente usado em quase topo tipo de dispositivo eletrônico. Ele permite armazenar cargas elétricas na forma de um campo eletrostático e mantê-la durante um certo período, mesmo que a alimentação elétrica seja cortada. Existem vários tipos de capacitores entre eles podemos citar: poliéster, cerâmico, eletrolítico, etc.

Internamente, um capacitor eletrolítico é composto por duas folhas de alumínio, separadas por uma camada de óxido de alumínio, enroladas e embebidas em um eletrólito líquido (composto predominantemente de ácido bórico, ou borato de sódio), que acaba evaporando em pequenas quantidades durante o uso. Como o capacitor é hermeticamente selado, isto com o tempo gera uma pressão interna que faz com que ele fique estufado. Esse é o sinal visível de que o capacitor está no final de sua vida útil. Em alguns casos, o eletrólito pode vazar, corroendo as trilhas e outros componentes próximos e assim causando uma falha prematura do equipamento.

Em circuitos elétricos de refrigeração, os capacitores são classificados em dois tipos principais de acordo com suas finalidades: de partida e de funcionamento.

5.1. Capacitores de partida:

Visam aumentar o torque de partida dos compressores, auxiliando-os nos momentos da partida. Os compressores com motores de baixo torque de partida (LST – Low Starting Torque) foram projetados para trabalhar sem o capacitor de partida. Mas em situações em que existem problemas com a rede de distribuição de energia elétrica (baixa tensão), a utilização do capacitor é necessária. Em situações em que os sistemas de refrigeração podem partir com as pressões desequalizadas, o capacitor de partida também é recomendado. É muito comum sua utilização em sistemas comerciais. Nos motores de alto torque de partida (HST - High Starting Torque) a utilização do capacitor de partida é obrigatória. Esses compressores podem trabalhar em sistemas de refrigeração em que é utilizada válvula de expansão. Nessa aplicação as pressões de alta e baixa nunca se equalizam, o que requer um esforço extra do compressor, no momento da partida.

5.2. Capacitores de funcionamento:

São normalmente encontrados em motores com alta eficiência energética, com partida a PTC. Basicamente, esse tipo de capacitor permite a passagem de corrente pela bobina auxiliar do compressor após a sua partida, fazendo com que o enrolamento auxiliar também contribua para o funcionamento do motor. Os motores que utilizam o capacitor de funcionamento já foram previamente projetados para isto. Isso porque, com a aplicação do capacitor de funcionamento, existirá a passagem de energia pelo enrolamento de partida e esse enrolamento obrigatoriamente deve ser projetado para suportar esse tipo de trabalho. A aplicação equivocada de um capacitor de funcionamento poderá provocar a queima da bobina auxiliar e, consequentemente, a queima do compressor.

6.TESTE DOS ACESSÓRIOS

6.1. Teste do Relé

Retire o relé do compressor e verifique com um multímetro se há continuidade entre os seguintes terminais:

Relé Eletromecânico EM – EMBRACO

  • Se o relé estiver bom, em qualquer posição deve existir continuidade entre os terminais 1 e 2;
  • Com a bobina do relé para cima (figura ao lado) deve existir continuidade entre os terminais 1 e 3 e/ou 4 do relé.

Os relés EM mais novos possuem uma ponte de fio entre os terminais 3 e 4. Quando há necessidade de usar capacitor de partida, basta retirar a ponte e soldar os terminais do capacitor nesses terminais.

Relé Eletromecânico F, EG e PW – EMBRACO

  • Se o relé estiver bom, em qualquer posição deve existir continuidade entre os terminais 10 e 12;
  • Com o relé na posição vertical, bobina para baixo (figura ao lado), deve existir continuidade entre os terminais 12 e 13.

Relé PTC - EMBRACO

Com o PTC estabilizado à temperatura de 25ºC, desconectado do compressor, a resistência ôhmica medida entre os terminais 2 e 3 do PTC deve estar dentro das faixas mencionadas abaixo:

  • Relé PTC 8EA 1B1 ou 1B3 ou 1B4 – 3 a 5 Ohms;
  • Relé PTC 8EA 4B1 ou 4B3 ou 4B4 – 4 a 6 Ohms;
  • Relé PTC 8EA 5B1 ou 5B3 ou 5B4 – 15 a 25 Ohms. 

Relé PTC - KLIXON

Com o PTC estabilizado à temperatura de 25ºC, a resistência ôhmica medida entre os terminais 2 e 3 do PTC deve estar dentro das faixas da tabela abaixo:

6.2. Teste do compressor

Teste de isolamento elétrico do compressor

a) Remova a tampa de proteção dos terminais do compressor;

b) Identifique e desconecte os cabos“P, A e C”;

c) Ajuste o multímetro na escala Rx100. A carcaça do compressor e o motor elétrico devem estar totalmente isolados entre si, ou seja, encostando uma ponta de prova do multímetro na carcaça do compressor e a outra ponta nos terminais P, A e C (um de cada vez), não pode haver continuidade em nenhum dos 3 terminais;

d) Se houver continuidade entre a carcaça e qualquer um dos 3 terminais, está ocorrendo “curto” entre a carcaça do compressor e os enrolamentos do motor elétrico, o que determina a troca do compressor.

Teste do enrolamento (bobina) do motor do compressor

Com o auxílio de um multímetro, meça as resistências dos enrolamentos principal e auxiliar. A resistência ôhmica pode variar mais ou menos 8%. Caso não possua multímetro, com uma lâmpada de teste, verifique se há interrupção no enrolamento. Coloque as pontas de prova nos bornes dos enrolamentos principal e auxiliar. Se em qualquer um dos casos a lâmpada não acender, troque o compressor.

6.3. Teste do protetor térmico

Protetor térmico ¾”

Verifique se há oxidação nos terminais e se o disco bimetálico do protetor térmico não está torto.

Verifique também se há passagem de corrente entre os terminais 1 em 3 (fig. ao lado). Em caso de avaria ou de não passagem de corrente, substitua o protetor e o relé de partida.

Protetor térmico 4TM

Verifique se há oxidação dos terminais (fêmea e macho) e se há passagem de corrente entre os mesmos. Em caso de avaria ou de não passagem de corrente, substitua o protetor 4TM, ver figura ao lado.

6.4. Teste do termostato

Desligue-o do circuito. Gire o botão para a posição desligado. Toque os bornes com as pontas de prova do multímetro, que não deve indicar continuidade (apenas indicará continuidade no momento em que o botão do termostato atingir a posição ligar). Com o termostato na posição de ligado, dirigir um jato de fluido refrigerante para o bulbo. Deverá desligar o termostato, indicando falta de continuidade no multímetro. Se isto não ocorrer, substitua o termostato.

6.5. Teste do capacitor

Os capacitores auxiliam no arranque do motor do ventilador e do motor do compressor. Verifique inicialmente se o capacitor que será examinado é correto para o aparelho. Em seguida, verifique o capacitor quanto à:

a)   Deformações;

b)  Vazamento de líquido;

c)   Circuito interno aberto;

d)  Curto-circuito.

Para detectar os defeitos (c e d), utilize um multímetro ou um capacímetro, com o seguinte procedimento:

a)   Descarregue o capacitor antes de desconectá-lo, provocando um curto-circuito

nos terminais. Para isso, utilize um resistor de 150 kOhms (2 Watts).

b)  Execute um dos procedimentos de diagnose a seguir.

6.5.1. Utilizando um capacímetro (Recomendado)

a) Verifique a capacitância entre os bornes;

b) As capacitâncias devem estar no intervalo especificado na lateral do capacitor (ver próximas figuras). Se as leituras estiverem fora do recomendado, substitua o capacitor.

6.5.2. Utilizando um multímetro

a)      Posicione o seletor do multímetro na escala Rx100;

b)     Encoste as pontas de prova do multímetro nos terminais do capacitor e verifique o seguinte:

  • Se a leitura do multímetro cair para o mínimo e depois aumentar lentamente para o máximo, o capacitor está bom;
  •  Se a leitura do multímetro cair no mínimo e lá permanecer, troque o capacitor, pois omesmo está em curto;
  • Se nenhuma alteração ocorrer na leitura, em nenhum sentido, o capacitor está com circuito interrompido (ou “aberto”): troque-o.

7. PRINCIPAIS PROBLEMAS E SOLUÇÕES EM EQUIPAMENTOS DE REFRIGERAÇÃO COMERCIAL

7.1. O equipamento refrigera muito

  • O termostato pode estar com bulbo solto ou fora da posição original. Fixe-o da forma indicada pelo fabricante. Verifique também se o modelo do termostato é o indicado pelo fabricante. Caso contrário substitua-o;
  • Outra possibilidade é o termostato não estar desligando. Gire o botão do termostato até a posição que indica o mínimo (menos frio) e verifique se o compressor desliga. Se não desligar, substitua o termostato.

7.2. O equipamento refrigera pouco

  • As mesmas verificações citadas acima deverão ser feitas;
  • Outras causas podem estar ligadas ao não desligamento da lâmpada. Nesse caso, deverá ser verificado o interruptor, analisando se existe mau contato ou fixação incorreta;
  • O protetor também pode estar com mau funcionamento. Verifique se existe oxidação nos terminais e se há passagem de corrente entre eles. Em caso de avaria ou de não passagem de corrente, substitua o protetor (quando for um protetor tipo 3/4”, o relé de partida também deverá ser substituído). 

7.3. Ocorre choque elétrico no contato com o equipamento

  • A fiação ou componentes elétricos podem estar em contato com partes metálicas. Verifique a isolação e, se estiver defeituosa, refaça-a;
  • A ligação na caixa de conexões pode ser outra causa. Verifique as ligações, --om o esquema elétrico do refrigerador. Na maioria dos casos o aterramento é o principal causador: verifique se está bem feito e, se tiver dúvidas, refaça-o;
  • O encharcamento do isolamento (lã de vidro) é outra possibilidade. Nesse caso, deve-se achar o ponto onde ocorre a passagem de umidade e eliminá-la.

7.4. Ruído excessivo

  • As razões mais comuns são componentes soltos ou mal posicionados. Verifique se o compressor não está encostado no gabinete e se sua base não está mal nivelada. Com o compressor funcionando, verifique as partes metálicas em contato (capilar em contato com o filtro secador, condensador mal fixado ao gabinete etc.);
  • A expansão de fluido refrigerante no evaporador também causa ruído. Mas nesse caso o ruído quase sempre é um fato normal;
  • O compressor pode gerar um “ruído”. Isto é uma característica dos compressores modernos que funcionam em velocidades maiores que os modelos antigos, apresentando melhor desempenho e menor consumo de energia;
  • A contração e dilatação dos componentes internos, devida à variação de temperatura, pode gerar pequenos estalos em seu Refrigerador.

7.5. Alto consumo de energia

  • As causas podem ser muitas, por isso é importante uma boa análise.
  • Verifique se existe algum tipo de obstrução na passagem de ar no condensador, que também pode estar sujo. Faça uma limpeza geral, pois a sujeira evita a troca de calor, aumentando a necessidade de funcionamento do compressor.  OBS: Não pendure roupas, panos ou objetos no condensador (parte traseira do refrigerador), pois isso prejudica seu funcionamento, provoca desgaste em seu compressor (motor) e aumenta o consumo de energia;
  • O excesso de gás refrigerante no sistema é outra causa potencial. Verifique se há condensação na linha de retorno e, caso ocorra, faça a carga de refrigerante correta no sistema. A baixa carga de gás também provoca esse problema, pois as temperaturas de condensação e evaporação não são atingidas, necessitando maior tempo de funcionamento do compressor. Verifique se existe formação irregular de gelo no evaporador: se houver, coloque nova carga de gás no sistema;
  • A má vedação da porta é outra possibilidade. Abra e feche a porta do equipamento, verificando se possui uma boa vedação (um bom “colamento”). Veja se não existe nenhum desnivelamento na porta, problemas nas gaxetas de vedação ou descolamentos. Se detectar alguma dessas anomalias, corrija-a;
  • O funcionamento da lâmpada interna (quando existe) pode levar ao aumento do consumo. Verifique se o interruptor está fixado incorretamente ou se tem mau contato;
  • O problema pode ainda ser causado por tensão muito alta. Para tensões superiores a 132V (nominal 115V) e 240V (nominal 220V), é recomendado o uso de um estabilizador;
  • O não desligamento do termostato faz com que o compressor fique funcionando. Verifique o funcionamento desse componente e também se a fixação do bulbo está correta.

7.6. O compressor não liga / O protetor térmico não atua

  • A primeira checagem é se existe tensão na tomada. Depois disso, verifique os fios e cabos de força, com uma lâmpada-teste ou um multímetro. Veja se as ligações estão corretas, observando o esquema elétrico do refrigerador;
  • Os protetores podem estar com defeito. Cheque se existe oxidação nos terminais e se há passagem de corrente entre eles. Em caso de avaria ou de não passagem de corrente, substitua o protetor (quando for um protetor tipo ¾”, o relé de partida também deverá ser substituído);
  • O termostato pode estar desligado. Gire o botão do termostato até o ponto máximo (mais frio) e observe se o compressor dá partida;
  • O enrolamento (bobina) do motor do compressor pode estar interrompido ou queimado. Para verificar, utilize o multímetro, medindo as resistências dos enrolamentos principal e auxiliar. É importante lembrar que a resistência ôhmica pode variar mais ou menos 8%. Caso não utilize lâmpada de teste, verifique se há interrupção no enrolamento, colocando as pontas de prova nos bornes dos enrolamentos principal e auxiliar. Se a lâmpada não acender, troque o compressor. Caso ela acenda, o enrolamento não está interrompido.

7.7. O compressor não liga / O protetor térmico atua

  • Esse diagnóstico deve começar pela tensão. Se estiver muito baixa, pode ocorrer esse problema. É recomendado o uso de estabilizadores para eliminar os problemas de tensões inferiores a 103V (nominal 115V) e 198V (nominal 220V);
  • Outra verificação é se o compressor está ligado em tensão diferente do especificado. Nesse caso, deve-se usar um transformador, ou trocar o compressor por um compatível com a tensão utilizada;
  • O protetor também pode estar aplicado de forma incorreta. Verifique se é o modelo correto para a aplicação em questão e, se não for, substitua-o;
  • No caso de compressor com capacitor de partida, veja se está aplicado corretamente, verificando se os valores de capacitância e de tensão são adequados para o modelo;
  • O enrolamento (bobina) do motor do compressor pode estar interrompido ou queimado. Para verificar, siga as instruções descritas no item anterior;
  • Se não for nenhum dos problemas relacionados aqui, o compressor deverá se r substituído, pois está “trancado”, o que leva à atuação do protetor, porque as temperaturas se elevam.

7.8. O compressor liga / O protetor térmico atua

  • O primeiro passo é a checagem das tensões, verificando se estão baixas ou altas.
  • Se estiverem, deve-se utilizar um estabilizador;
  • Pode também estar ocorrendo a obstrução parcial da tubulação, que normalmente ocorre devido a uma brasagem malfeita (excesso de material de adição), partículas sólidas provenientes de deterioração do dessecante do filtro secador ou dobra excessiva de tubo. Deve-se verificar com cuidado, inclusive os pontos críticos como filtro secador (telas) e a entrada do tubo capilar;
  • O condensador sujo, coberto ou com falta de circulação de ar também pode ser a causa desse problema. Nesse caso, deve-se lavá-lo, retirar materiais que possam estar cobrindo-o e posicionar o equipamento de forma a melhorar a circulação de ar;
  • Caso não seja nenhum dos problemas listados aqui, o compressor deverá ser trocado, pois está com alta amperagem (corrente elevada). Mas vale lembrar que esse defeito só acontece se o protetor estiver atuando.