VÍDEO PORTEIRO SENSE E VIVA-VOZ SENSE

Agente de Portaria

1 VÍDEO PORTEIRO SENSE E VIVA-VOZ SENSE

Manual de Instalação Vídeo Porteiro Sense / Viva-Voz

Se a Fechadura Elétrica estiver instalada, pressione a tecla “Fechadura” no painel frontal do monitor para permitir a entrada do visitante. A fechadura só será acionada se o fone estiver fora do gancho. Para o modelo Viva-Voz só será acionada se estiver em comunicação.

Para acionar a câmera externa e visualizar a imagem, sem entrar em comunicação com o porteiro externo, pressione o botão de acionamento do monitor. Ao coloc a r o fone no g ancho ou aproximadamente 2 min. e 30 seg. após o acionamento do botão, este desligará automaticamente. Para o modelo VivaVoz segue o mesmo procedimento

Para visualizar a câmera auxiliar (opcional), basta estar visualizando a imagem principal e pressionar a tecla “Auxiliar”. Para o modelo Viva-Voz, segue o mesmo procedimento.

Importante: Para evitar risco de choque elétrico, o equipamento somente poderá ser aberto e manuseado por profissional qualificado e autorizado. Em caso de deterioração ou avarias no cabo de alimentação, solicite os serviços de uma Assistência Técnica Autorizada HDL.

1) Introdução: O Vídeo Porteiro HDL é um novo sistema de intercomunicação, através do qual identifica-se visualmente o visitante. As instruções contidas neste manual, tem a finalidade de orientar a instalação e o funcionamento do equipamento. Leia-o com atenção.

Opcionalmente pode-se instalar uma fechadura elétrica C-90 HDL para destravar a porta automaticamente. O Vídeo Porteiro HDL pode ser acoplado à maioria dos micros-PABX. Para confirmar esta possibilidade de instalação, consulte o manual do seu PABX.

Câmera / Porteiro: Acoplada ao Porteiro Eletrônico externo. Pode ser instalada no suporte com teto ou sem teto de acordo com necessidade do local.

2 Componentes e controles

Pressionar três vez a tecla “MENU” e com a tecla de “Ajustes” fazer a regulagem do volume da campainha entre: alto ou baixo.

Para falar com o visitante, basta tirar o fone do gancho. Para o modelo Viva-Voz, basta pressionar a tecla “Viva-Voz”, para atender, e para desligar basta pressionar novamente a tecla “Viva-Voz.

Pressionar três vez a tecla “MENU” e com a tecla de “Ajustes” fazer a regulagem do volume da campainha entre: alto ou baixo.

Instalação do painel externo (vídeo).

3 Sistema Coletivo Vídeo Porteiro Sense e Viva-Voz

Os monitores Sense podem ser aplicados a sistemas Residenciais ou Coletivos (utilizando Porteiro Externo com câmera modelo VPC da HDL. Para utilizar o monitor no sistema coletivo há necessidade de comutar a chave “Res/Col”.

Quando o monitor estiver no sistema coletivo, o Led “in use” passa a sinalizar quando um usuário (monitor) estiver em comunicação com o painel externo. Quando o Led “in use” estiver acesso, indica que um usuário (monitor) está em funcionamento. Como o sistema possui sigilo entre os monitores, enquanto o primeiro usuário não desligar, outro usuário (monitor), não terá acesso ao painel externo. Importante: No sistema Coletivo, quando um visitante chamar um monitor, este fica em funcionamento (imagem ativa) durante aproximadamente 1 minuto, desligando automaticamente após 30 segundos, e assim liberando o sistema para outro usuário. O mesmo ocorre quando um usuário pressiona a tecla “monitor”.

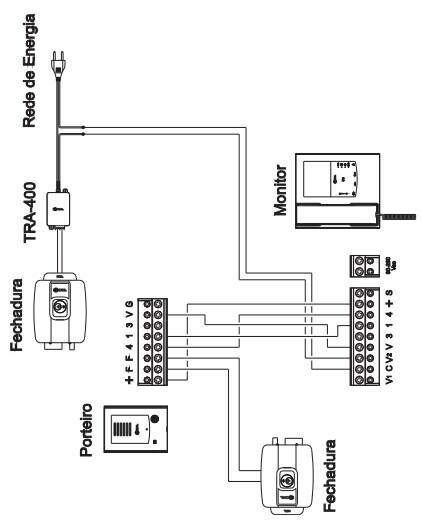
D) Instalação de segurança com 6 fios

Esta instalação torna o sistema eletricamente inviolável, pois a fechadura elétrica não passam pelo Porteiro.

Deve-se instalar a fonte de alimentação TRA-400 (opcional) com mais 2 fios, conforme esquema abaixo.

 

C) Acionando uma Segunda fechadura elétrica

Fixação diretamente na parede, através de bucha plástica e parafuso:

Após a colocação do suporte de fixação, o monitor deverá ser encaixado e parafusado. Quando instalado na posição horizontal, inverta a posição da trava do fone para facilitar o manuseio. Importante: Este equipamento (monitor) não está preparado para instalação “ao tempo”. Não deverá ser exposto à água ou condições externas de umidade e temperatura. Precauções?Evite instalar a câmera de tal maneira que incidam diretamente sobre sua lente luzes ?fortes ou reflexos prejudicando a visualização da imagem. Procure evitar a instalação do equipamento próximo a campos magnéticos intensos, ?como linhas e antenas de transmissão. Evite instalar a câmera e o monitor em locais sujeitos a forte calor ou umidade excessiva. Atenção: O monitor é um aparelho Bi-volt, portanto pode ser conectado em tomadas de 127V ou 220V.

B) Acionando portão automático

Esquemas de ligações para uso da tecla auxiliar:

Nota: Para visualizar a imagem da Segunda câmera, pressione a tecla auxiliar. Ao soltar a tecla à imagem retorna para a câmera principal. Importante: Não esquecer de fazer a interligação (jumper) entre os bornes “V” e “C”.

4 Instalação com interfone

O vídeo porteiro HDL permite um total de até 4 extensões de monitores, interfones modelo AZ, ou conjugados.