Manual de Pintura Industrial

Pintura Industrial

1 Breve apresentação da pintura

O termo pintura pode ser estendido a três ramos de atividade humana:


Pintura artística;
Pintura arquitetônica;
Pintura Industrial.

A principal finalidade da pintura industrial é a proteção anticorrosiva, porém a mesma também possui outras finalidades complementares, tais como:

Finalidade estética;
Sinalização, principalmente em segurança industrial;
Identificação das empresas através da cor;
Impermeabilização, diminuição da rugosidade das superfícies, absorção de calor, entre outros.

Alguns aspectos fundamentais devem ser levados em consideração para obtenção uma boa pintura:

2 Preparação de superfície

O requisito básico para que um revestimento seja aplicado com sucesso é a correta preparação da superfície. Deve-se remover a carepa de laminação, respingos de solda, ferrugens, graxas, sujeiras, óleos e outros contaminantes.

NORMAS DE LIMPEZA POR MEIOS QUÍMICOS

1. Limpeza com Solventes

É o procedimento destinado à remoção de óleos, graxas, terra ou outros contaminantes das superfícies de aço mediante o emprego de solventes, emulsões, compostos para limpeza, vapor ou outros materiais de ação solvente. Para isso, deve-se friccionar a superfície utilizando panos ou escovas molhadas com o solvente. A limpeza final deve ser feita com panos limpos. Ao invés da aplicação com panos, pode-se optar também um desengorduramento por imersão completa em um tanque. Este tipo de limpeza, porém, é mais adequado à remoção de graxas e óleos.

2. Lavagem com Soluções Alcalinas

Antigamente, usavam-se soluções alcalinas de hidróxido de sódio em concentração de 5 a 10% para limpeza de graxas e óleos. Acreditava-se, então, que a limpeza se dava por saponificação das gorduras. Hoje sabemos que a limpeza ocorre por emulsificação das graxas e óleos e, não, por saponificação (reação muito lenta). Além disso, os óleos minerais usados atualmente são insaponificáveis. Por isso, atualmente utilizam-se soluções alcalinas de baixa concentração de NaOH, à base de fosfatos ou silicatos, combinados com tensoativos especiais com pH de 12 a 14. Uma forma de melhorar a ação desengraxante destes banhos é o aumento da temperatura. Indica-se:

Após a limpeza, recomenda-se um banho para eliminar a alcalinidade residual.

3. Picking Ácido

Trata-se da lavagem com solução ácida composta com ácido fosfórico, muriático ou sulfúrico. Esse tipo de limpeza tem a vantagem adicional de atacar a superfície ferrosa, proporcionando ancoragem para a tinta. As soluções mais usadas são os ácidos sulfúricos, em concentrações que vão de 5 a 30% em peso e temperaturas que vão até 80°C. Para evitar a fragilização pelo hidrogênio após a decapagem, são usados inibidores especiais.

4. Sequência de Banhos

A preparação de superfícies por banhos de limpeza é adequada para indústrias que fabricam produtos em série, como fabricantes de máquinas, implementos agrícolas, eletrodomésticos e veículos automotores. Após a passagem por um desengraxante alcalino ou por uma decapagem, a peça deverá sofrer uma neutralização que pode ser um banho de água pura ou com a presença de um neutralizante. Além destes, há os banhos de tratamento, com os fosfatizantes e os cromatizantes, cujo objetivo é depositar sobre a peça camadas protetoras de produtos inorgânicos, que irão prolongar a vida útil da pintura. Além de variar a seqüência e o número de banhos, há também variáveis no próprio banho.

5. Normas de Preparação da Superfície

Dentre as normas existentes de preparação da superfície, a mais usual no Brasil é a sueca Swedish Standards Institution (SIS 05 5900) de 1967. No quadro abaixo, apresentamos as normas equivalentes à mencionada:


1 - Swedish Standard Institution (SIS 05 5900 - 67) - Norma sueca.
2 - PETROBRÁS - Norma brasileira baseada na SIS.
3 - Steel Structure Painting Council - Norma americana.
4 - British Standards - Norma inglesa.
5 - National Association of Corrosion Engineers - Norma americana.
6 - The Shipbuilding Research Association of Japan Standards for the Preparation of Steel Surface Prior to Painting - Norma japonesa.

TRATAMENTO DE SUPERFÍCIE PARA DIVERSOS SUBSTRATOS

1. Aço Carbono

DESENGRAXE: sua função é a remoção de óleo, graxa ou qualquer outro contaminante que permaneça sobre a superfície, através da limpeza com panos ou estopas embebidos no solvente 125.2.002. Se o uso de solventes não limpar satisfatoriamente, pode-se usar vapor, como exemplo percloroetileno ou detergentes.

PEÇA COM FERRAMENTAS MANUAIS: a remoção de carepas soltas de laminação, regiões oxidadas e tintas envelhecidas, pode ser feita através do emprego de escovas de aço, lixamento e raspagem, entre outras ferramentas manuais.

LIMPEZA COM FERRAMENTAS MECÂNICAS: mais simples do que o anterior, este método emprega lixadeiras elétricas, escovas de aço, pistoletes de agulha, entre outras, para a remoção de carepas soltas de laminação, regiões oxidadas e tintas envelhecidas.

LIMPEZA POR JATEAMENTO: o jateamento abrasivo é o método mais eficaz para remoção de carepas soltas de laminação, regiões oxidadas e tintas envelhecidas. A técnica emprega areia ou granalha, escória de fundição de cobre ou óxido de alumínio aplicados sob alta pressão.

2. Aço Galvanizado

DESENGRAXE: sua função é a remoção de óleo, graxa ou qualquer outro contaminante que permaneça sobre a superfície, através da limpeza com panos ou estopas embebidos no solvente (125.2.002). Os produtos resultantes da corrosão branca do zinco devem ser removidos com água sob alta pressão ou lixamento manual. Pode-se usar jato ligeiro (brush-off), lavando a seguir com água para assegurar a remoção dos sais solúveis de zinco. Após a limpeza e secagem do substrato, aplicar primer de alta aderência (61.3.686), próprio para superfícies não ferrosas.

3. Alumínio

DESENGRAXE: sua função é a remoção de óleo, graxa ou qualquer outro contaminante que permaneça sobre a superfície, através da limpeza com panos ou estopas embebidos no solvente125.2.002. Se o substrato estiver com indícios de corrosão, deve-se realizar um ligeiro lixamento, com posterior lavagem. Deixar secar e aplicar um fundo vinílico de alta aderência (292.3.267), próprio para superfícies não ferrosas.

4. Concreto

NOVO: não aplicar qualquer tipo de revestimento sem que o concreto esteja seco e curado há pelo menos 25 dias (25ºC). A nata de cimento e pó solto formado na superfície do mesmo deve ser eliminada para que haja uma perfeita aderência do sistema. O tratamento adequado para a redução da alcalinidade do concreto é o tratamento ácido:

  • Adicionar ácido muriático (a 15%) em água, homogeneizar com espátula de madeira e aplicar sobre o concreto, deixando-o agir até que a superfície apresente uma aparência rugosa e áspera. Lavar com água abundantemente, não deixando formar poças. Esperar secar e aplicar o revestimento especificado.

VELHO: a nata de cimento e pó solto formado na superfície do mesmo deve ser eliminada para que haja uma perfeita aderência do sistema. O tratamento adequado para superfícies de concreto velho é o jateamento ligeiro. Podem ser usadas escovas rotativas, mas estas requerem mais trabalho. Outro método eficiente é o ácido muriático, já descrito acima.

3 Estudo do Produto

3.1 DEFINIÇÃO DE TINTA

Tintas são composições químicas líquidas, pastosas ou em pó capazes de formar película quando aplicadas e após a secagem e/ou cura.

3.2 COMPOSIÇÃO BÁSICA DE UMA TINTA

Pigmentos: produtos sólidos, insolúveis, coloridos, em forma de pó. Conferem cor, poder de cobertura e proteção contra raios ultra-violeta. Alguns pigmentos podem apresentar baixo poder de cobertura, como óxido de ferro transparente. Ex: Dióxido de titânio (branco), negro de fumo (preto), vermelho de toluidina, azul ftalocianina, pasta de alumínio.

Cargas: produtos sólidos, insolúveis, que pouco ou quase nada influenciam na cor, proteção anticorrosiva e nas propriedades básicas da tinta. São constituídos por pigmentos reforçantes e incorpantes. Uma das finalidades do acréscimo de cargas nas tintas é reduzir o brilho das mesmas. Ex: carbonato de cálcio, argila, silicato de magnésio, mica ou talco.

Resina: constitui-se na parte não volátil da tinta. Serve para aglutinar (unir) as partículas de pigmentos. Constituinte fundamental da tinta, determina seu tipo ou revestimento empregado. De um modo geral, as resinas são responsáveis pela formação da película protetora na qual se converte a tinta depois de seca. A resina é o componente que determina as principais características de uma tinta, como secagem, dureza, brilho, aderência, elasticidade e resistência, entre outras. Ex: Sintética, nitrocelulose, acrílica, vinílica, etc.

Solventes: os solventes são líquidos voláteis utilizados nas diversas fases de fabricação das tintas. Possibilitam que o produto se apresente sempre com o mesmo padrão de viscosidade, sendo empregados para oferecer à tinta as condições ideais de pintura, o que a torna mais fluida com o objetivo de facilitar sua aplicação, seu alastramento, etc. Também suavizam a utilização dos instrumentos de pintura, exigindo menos esforço. Algumas tintas são classificadas de acordo com o solvente. As tintas de látex, por exemplo, são diluídas com água e são chamadas tintas à base de água. Tintas insolúveis em água requerem solventes orgânicos, como subprodutos de petróleo. Essas tintas são denominadas tintas à base de solvente.

Aditivos: aditivos são substâncias que entram em pequenas quantidades na composição da tinta. Geralmente, são produtos químicos sofisticados, com alto grau de eficiência, capazes de modificar significativamente as propriedades da tinta. Ex: Aditivos secantes, anti-espumantes, anti-sedimentantes, anti-pele, bactericidas, fungicidas, niveladores, etc.

3.4 PRINCIPAIS CLASSES DE TINTAS INDUSTRIAIS

Apresentamos a seguir uma descrição dos principais tipos de tintas industriais em uso no Brasil e produzidas pela Mekal.

Tintas alquídicas ou sintéticas: formuladas com resinas alquídicas (poliésteres modificados), possuem enorme versatilidade, com aplicações em campos bem diversificados. Podem ser usadas tanto em interiores, quanto em exteriores.

As tintas sintéticas são produtos de brilho razoável e que possuem boa resistência aos agentes de uma atmosfera pouco agressiva. Porém, tendem a sofrer facilmente alteração de cor quando muito expostas à luz solar. Não resistem a ácidos, álcalis ou solventes fortes.

Estas tintas são classificadas em dois grupos conforme a sua utilização:

Alquídicas industriais: indicadas para o recobrimento de superfícies metálicas em geral, apresentam a secagem mais rápida dentro desta classe de tinta. Aqui se incluem os primers e os acabamentos sintéticos industriais.

Alquídicas prediais: ideais para o recobrimento de alvenaria e madeira, possuem secagem que varia de 12 a 14 horas. Aqui se incluem os esmaltes sintéticos e as tintas óleo.

Tintas Laca: são tintas termoplásticas (amolecem com o calor), cuja principal característica e vantagem é a secagem muito rápida, pela simples evaporação do solvente. Estão incluídas nesta classe as tintas nitrocelulose, borracha clorada, vinílicas e acrílicas.

Laca nitrocelulose: fabricada com a resina nitrocelulose, é solúvel em uma mistura especial de solventes denominada de thinner. A partir dela, são fabricados produtos dos tipos seladores, vernizes, fundos, massas rápidas, nitrolacas e nitrossintéticas. São produtos largamente utilizados na indústria, em geral para pintura de componentes e de pequenas peças.

Borracha Clorada (BCL): é a partir desta resina, obtida da cloração da borracha, que são fabricados primers e tintas de acabamento. Trata-se de um produto de grande resistência a ácidos e álcalis, pouco tóxico, utilizado na pintura de piscinas e cascos de navios. Por ter grande resistência química, esse tipo de tinta é usado na pintura de equipamentos que atuam em meios corrosivos. Porém, apresentam dificuldades de aplicação.

Laca vinílica: tinta de secagem muito rápida e baixo brilho. Dentre todas as lacas, é a que apresenta maior resistência química a ácidos, alçais e meios salinos. Deve ser aplicada somente à pistola, pois possui solventes muito leves.

Laca acrílica: muito usada em acabamentos industriais e de manutenção, possui boa retenção de cor e brilho (não amarela facilmente). Além disso, possui razoável resistência a ácidos e álcalis. Devido à grande transparência das resinas, estas tintas são usadas na fabricação de tintas metálicas ou metalizadas.

Tintas de dois componentes: as tintas de dois componentes ou catalisadas são também chamadas de lacas de reação. Normalmente são fornecidas em duas embalagens, cuja mistura obrigatória resulta em relação de polimerização e cura da película. Este tipo de resina não necessita do oxigênio para secar, pois a cura ocorre por reação dos componentes. Após a mistura, inicia-se um processo químico de polimerização que conduz à cura.

O pot life (ou vida útil) da mistura é o tempo disponível para aplicação da tinta sem que ocorra gelatinização ou endurecimento. Geralmente, o tempo é determinado de acordo com o tipo de tinta.

A relação de mistura é a quantidade que devemos misturar de componentes A e B antes de aplicar a tinta. O componente B é também chamado de agente de cura (epóxi), catalisador (poliuretano) e acelerador (wash primer).

Tintas Epóxi: as tintas fabricadas com esta resina são de alta performance, apresentam grande resistência física e química, mas sofrem amarelamento, perda de brilho e calcinação ao exterior. São fornecidas em dois componentes: um contendo o pré-polímero epóxi e o outro, o agente de cura, que é em geral uma amina ou amida.

Os produtos epóxis mais importantes são:

Shop-primers: largamente utilizados em estaleiros.
Primers: zarcão, comato de zinco, óxido de ferro, rico em zinco.
Acabamentos: poliamínicos, poliamídicos, de espessura normal ou de alta espessura.
Alcatrão Epóxi: epóxi betumioso.
Oxibar: aplicável sobre áreas com oxidação e umidade.
Epóxi sem solvente: 100% de sólidos, utilizado em manutenção pesada. 

Tintas Poliuretanas: obtidas a partir de uma reação entre uma resina e um poliisocianato, apresentam alta performance, alta resistência a agentes químicos, resistência a abrasão, grande beleza de acabamento e retenção do brilho, pela excelente resistência aos raios ultravioleta. Normalmente não se fazem primers a partir de um poliuretano. A secagem destas tintas dá-se por polimerização e são indicadas especialmente para atmosferas altamente agressivas.

Os produtos poliuretanos mais importantes são:

Poliuretano Alifático: usado na pintura de aeronaves, acabamentos industriais e até na construção civil.
Poliuretano Acrílico: produto de alta retenção de cor e brilho. Qualidade similar a do alifático.
Largamente utilizado na pintura de carrocerias de ônibus

Tinta rica em Zinco: são as chamadas tintas de proteção catódica, que apresentam alta performance para utilização como tinta de fundo. São altamente pigmentadas em zinco, com teor de pó de zinco em peso entre 75 a 95% na película seca. Associando-se o zinco ao ferro, este último fica protegido, pois o contaminante irá atacar o zinco no lugar do ferro, fazendo com que estas tintas sejam as de melhor desempenho no combate a corrosão (exceto em meios ácidos e alcalinos).

Tintas de estufa: a cura destas tintas ocorre somente em temperatura compreendida entre 100 e 150ºC. São utilizadas na indústria automobilística, de eletrodomésticos, ferramentas, máquinas e implementos agrícolas, entre outros; por sua rapidez de secagem, alta resistência a umidade, agentes químicos, solventes e intemperismo. Não são utilizadas em manutenção industrial por exigirem estufa para a sua cura.

Existem vários tipos de tintas de estufa, que são classificadas conforme as resinas utilizadas. Ex: Sintético estufa convencional, acrílico estufa, verniz sanitário, silicone.

OUTROS TIPOS DE TINTAS INDUSTRIAIS

Tintas em Pó: produto fornecido em pó, curado em estufa, normalmente aplicado com pistolas eletrostáticas, permitindo películas bastante impermeáveis e de grande utilização na pintura de eletrodomésticos.

Os sistemas mais comuns são os epóxi, epóxi-poliester (híbrido), poliéster e poliuretanos, sendo os dois primeiros sistemas para ambientes abrigados do sol, e o os dois últimos para exteriores. Suas principais vantagens são a ausência de solventes e o elevado rendimento (de 95 a 98%, pois quase todo o pó é reaproveitado), além do fornecimento nas condições de aplicação, facilidade de aplicação através do meio eletrostático e excelente resistência química e mecânica. Ainda, não é agressiva ao meio ambiente, possui como desvantagens a dificuldade de padronização de cor, a dificuldade na troca de cor durante a aplicação e camadas mais altas em peças dobradas devido à maior atração eletrostática.

Tintas solúveis em água: as tintas hidrossolúveis são, na verdade, tintas emulsionadas em água, onde este constituinte é responsável pela dispersão. Suas grandes vantagens constituem-se em não apresentar cheiro, não contaminar o meio ambiente e não oferecer riscos à saúde dos pintores devido à não exposição a solventes orgânicos prejudiciais à saúde. Neste grupo, vale ressaltar as tintas para aplicação eletroforética, muito usadas na industria automobilística.

Tintas de altos sólidos: são tintas de um teor de sólidos em torno de 80 a 90%. A vantagem sobre as convencionais é a redução no uso de solventes.

Produtos curáveis com ultravioleta: a cura é muito rápida (poucos segundos), ocorrendo quando o filme de tinta é exposto a uma radiação ultravioleta. A vantagem sobre os produtos convencionais reside neste fato.

4 Aplicação

A seleção adequada do método de aplicação e o cuidado com alguns requisitos básicos durante o período de aplicação têm influência tão grande no desempenho do esquema de pintura quanto as tintas utilizadas.

4.1 MÉTODOS DE APLICAÇÃO

TRINCHA

É o mais elementar dos métodos de pintura. Utiliza ferramenta simples, de baixo custo e não requer grande capacitação do aplicador. É o método mais indicado para aplicação da primeira demão de tinta em cordões de solda, reentrâncias, cantos vivos e demais acidentes onde os outros métodos poderiam deixar falhas. No entanto, trata-se de um método de baixa produtividade, tendo baixo rendimento de aplicação se comparado com os demais métodos. A perda durante a aplicação é mínima, normalmente não alcançandoa 5%

ROLO

Este método de aplicação é particularmente utilizado na pintura de grandes áreas planas ou com um grande raio de curvatura, na presença de ventos, onde a aplicação à pistola levaria a grandes perdas de tinta. É um método que viabiliza a obtenção de elevadas espessuras por demão, além de alcançar maior produtividade que a trincha. Porém, as perdas de tinta durante a aplicação são, em princípio, superiores às da trincha. Os rolos de pelo de carneiro são de melhor qualidade, sendo ideais para a aplicação da maioria das tintas utilizadas em pintura industrial.

PISTOLA CONVENCIONAL (AR COMPRIMIDO)

Na pistola convencional, ou pistola a ar, a tinta depositada no recipiente é expulsa em direção ao bico da pistola pela ação da pressão do ar. É um método de aplicação de tinta muito utilizado em pintura industrial. Além de apresentar grande produtividade, tem como característica a obtenção de espessura de película quase que constante ao longo de toda a superfície pintada, o que não é, em termos práticos, possível com os métodos de trincha e de rolo.

A pistola convencional é um conjunto de equipamentos relativamente simples. Porém, é imprescindível o uso de mão de obra especializada na combinação de volume e pressão do ar com a vazão do fluido, para a obtenção de uma película isenta de defeitos. Além destes controles, é muito importante a escolha do tipo de pistola e seus acessórios, tais como: capa de ar, agulha e tipo de bico, que incidem diretamente na perfeita pulverização.

Se a aplicação por meio da pulverização convencional não for devidamente controlada, teremos certamente grande quantidade de tinta desperdiçada por over spray (pulverização seca), além de problemas técnicos como escorrimento, fraco lastramento, porosidade, etc. Tinta de alta espessura, se aplicada através de pulverização convencional, irá requerer maior diluição, refletindo em maior número de demãos para atingir a espessura recomendada.

Existem dois tipos de equipamentos tidos como pistola convencional:

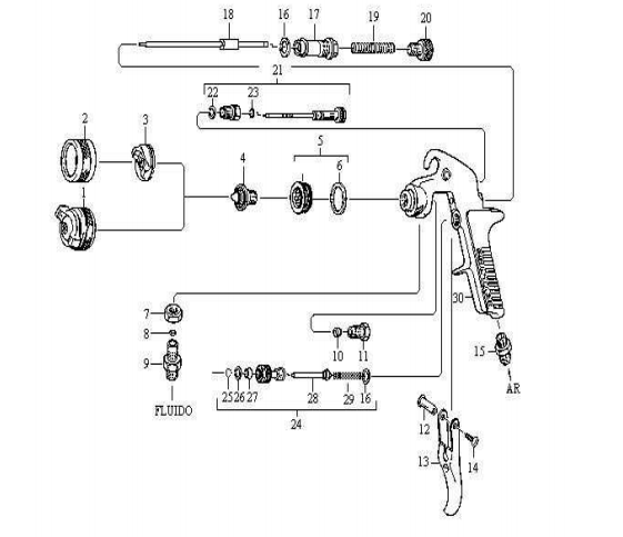
COMPONENTES DE UMA PISTOLA CONVENCIONAL

1. Capa de ar com anel
2. Anel de retenção da capa
3. Capa de ar sem anel
4. Bico de fluído com guarnição
5. Guarnição de cobre
6. Desviador
7. Anel de teflon
8. Porca
9. Niple
10. Guarnição da agulha
11. Sobreposta da guarnição
12. Prisioneiro do gatilho
13. Gatilho
14. Parafuso prisioneiro do gatilho
15. Niple
16. Guarnição de teflon
17. Bucha
18. Agulha do fluído
19. Mola
20. Parafuso de ajuste
21. Válvula de ajuste do leque
22. Anel de retenção
23. Anel "O"
24. Conjunto de válvula de ar
25. Trava
26. Arruela
27. Guarnição
28. Válvula de ar
29. Mola
30. Corpo

TÉCNICAS DE PINTURA

ESTUDO DOS MOVIMENTOS NA PULVERIZAÇÃO

COMO COBRIR UM PAPEL

Pistola sem ar (air less): ao contrário da pistola convencional, que utiliza o ar para atomização da tinta, a pintura sem ar utiliza uma bomba, acionada pneumaticamente, para pressurizar a tinta, e a energia com que a mesma chega ao bico da pistola provoca a sua pulverização. As principais vantagens da pulverização por airless spray são as aplicações de tintas de alta espessura sem diluição, para trabalhos de grande escala com chaparias ou peças planas, garantindo menor perda de material e redução do over spray, além de uma aplicação rápida e consequentes vantagens econômicas.

O leque de pulverização é produzido por uma fenda na ponta dos bicos. A escolha do bico dependerá da pressão de fluido necessária para produzir a correta vazão de saída do fluido. A escolha do tamanho do leque de aplicação está relacionada com o tamanho do orifício e escolha do bico, dependendo do tipo de acabamento desejado e facilidade de aplicação.

O leque de pulverização é produzido por uma fenda na ponta dos bicos. A escolha do bico dependerá da pressão de fluido necessária para produzir a correta vazão de saída do fluido. A escolha do tamanho do leque de aplicação está relacionada com o tamanho do orifício e escolha do bico, dependendo do tipo de acabamento desejado e facilidade de aplicação.

A tinta deverá ser adaptada para esse método, pois deverá ter uma adequada resistividade elétrica. Se a resistividade for alta, não adquire a carga eletrostática, e se for muito condutora, provoca centelhamento. Equipamentos de pintura eletrostática são muito caros e, por iss,o sua implantação se justifica em série de peças de dimensões reduzidas, de formato irregular e peças torneadas. As tintas utilizadas na pintura eletrostática podem ser líquidas ou em pó. Os produtos em pó são curados pela ação do calor, e a ausência de solvente dá origem a películas de baixíssima porosidade. Seu uso ocorre largamente na indústria automobilística, em eletrodomésticos, em móveis de aço e outros assessórios e utilidades do lar.

Pintura Eletroforética: a aplicação das tintas pelo processo eletroforético é muito semelhante à aplicação eletrostática, constituindo-se em um aperfeiçoamento deste último. Apresenta grande produtividade, maior inclusive do que a do processo eletrostático, levando a perdas de tintas praticamente desprezíveis. Estes dois fatores são os responsáveis pela elevada utilização deste processo na indústria automobilística.

O processo eletroforético dá origem a películas de tinta de espessura e propriedades quase uniformes, permitindo que a tinta penetre em partes internas. Uma instalação para aplicação de tintas pelo processo eletroforético requer um elevado investimento. Porém, em linhas de montagem de produção seriada (como é o caso da indústria automobilística), o custo é compensado pela elevada produtividade com baixo envolvimento de mão-de-obra.