Aplicação e Funcionamento de Acessórios Automotivos

Manutenção Automotiva

1 CONCEITOS BÁSICOS DE ELETRICIDADE

Ao longo dos anos, tanto os acessórios como os automóveis sofreram alterações tecnológicas e exigem análises dos sinais com equipamentos adequados. Para isto necessitamos saber o que e para que medir determinados sinais elétricos, tais como: Tensão ou Voltagem, Corrente ou Amperagem, Wattagem ou Potência, Resistência (OHMS) e continuidade.

TENSÃO ELÉTRICA - (VOLTAGEM)

A tensão elétrica pode ser definida como a diferença de potencial (d.d.p.) entre dois pontos podendo esta ser contínua ou alternada. A sua unidade de medida é o VOLT representada pela letra “V” e só pode ser medida com um voltímetro, ligado em paralelo com a fonte ou equipamento a ser medido. A tensão alternada é aquela que encontramos nas tomadas de estabelecimentos comerciais e residências (110 ou 220 volts).

Sua principal característica é a de não possuir uma polaridade fixa, ou seja, se tivermos um par de cabos alimentando algum equipamento, em cada um dos cabos a polaridade mudará entre positivo e negativo, várias vezes por segundo (freqüência). São poucos os pontos do veículo onde poderemos encontrá-la. Já a tensão contínua é muito comum em pilhas e bactérias. Sua principal característica é a de possuir polaridade fixa, ou seja, um cabo será sempre negativo enquanto o outro será sempre positivo. Praticamente todos os circuitos e acessórios de um veículo são alimentados com tensão contínua.

CORRENTE ELÉTRICA (AMPÈRES)

A corrente elétrica pode ser definida como a quantidade de cargas elétricas que circulam por um condutor em um certo espaço de tempo. Esta corrente sofre influência direta da resistência elétrica do material e do valor da tensão aplicada. A sua unidade de medida é o AMPÈRE e só pode ser medida com um instrumento conhecido por amperímetro, ligado em série com o equipamento a ser medido.

RESISTÊNCIA ELÉTRICA

A resistência elétrica pode ser definida como a oposição à passagem da corrente elétrica, ou seja, é a forma de expressarmos quais materiais tem maior ou menor facilidade de serem percorridos pela corrente elétrica. A sua unidade de medida é o OHM representado pela letra grega Ω (OMEGA). As resistências podem ser medidas com um instrumento conhecido por ohmímetro, ligado em paralelo com o componente, desde que este não esteja energizado.

POTÊNCIA ELÉTRICA - (WATTS)

A potência elétrica pode ser definida como o produto da relação entre duas grandezas elétricas. A potência tem uma relação direta com a corrente elétrica, ou seja, quanto maior a potência de um equipamento maior será a corrente consumida pelo mesmo. O instrumento capaz de medir a potência é o wattímetro e geralmente não há como inseri-lo aos multímetros. Utilizaremos a analogia da caixa d’água para compreendermos cada uma das grandezas elétricas descritas anteriormente. Os 12 Volts da bateria será representado pela á na caixa (1.200 L). O fio ou cabo será representado pelo cano e o acessório (consumo), pela torneira.

Só haverá vazão de água (corrente de água) quando a torneira estiver aberta e o escoamento dependerá da posição de abertura da mesma. Na bateria só haverá circulação de corrente elétrica, caso um acessório seja conectado aos bornes da mesma. A quantidade de energia fornecida pela bateria (corrente), dependerá do consumo do mesmo. Caso não seja feita a reposição de água, certamente a caixa esvaziará depois de um certo tempo. Em uma bateria ocorrerá o mesmo, pois o consumidor estará drenando a energia da bateria até que esta se esgote.

Conforme vamos abrindo o registro da torneira, a resistência à passagem da água vai diminuindo. Como a vazão aumenta de forma proporcional a abertura da torneira, podemos dizer por comparação que a potência está aumentando. Por outro lado, se a vazão é maior, o tempo para que a caixa esvazie será menor. Depois de um certo tempo, tanto a quantidade de água como a pressão de vazão, diminuirão. Se colocarmos uma lâmpada de 55 Watts nos bornes de uma bateria ao invés de uma de 5 Watts, o consumo será muito maior e certamente o tempo de descarga será menor, pois quanto maior for a potência do acessório, maior será o consumo.

Da mesma forma como exemplificado na caixa d’água, depois de um certo tempo a bateria esta á esgotada. Se fecharmos e abrirmos o bico da torneira com um dos dedos, teremos um esguicho alternado, ou seja, ora sairá água e ora não. Por comparação, a corrente alternada (pouco utilizada em veículos), se comporta da mesma forma.

UTILIZAÇÃO DO MULTÍMETRO

Os multímetros ou multi-testes são equipamentos capazes de reunir vários instrumentos de medição em apenas um. A utilização deles é indispensável principalmente em veículos que possuam injeção eletrônica, computadores de bordo (BODY COMPUTER), freios ABS, sistema elétrico com BSI/CSI (multiplex) e outros equipamentos eletrônicos.

Existem dois tipos de multímetros:

• Analógicos: As leituras são obtidas através de um ponteiro em uma escala graduada, impressa na área de curso do mesmo;

• Digitais: As leituras são obtidas através de um display de cristal líquido, muito parecido com aqueles utilizados em relógios e calculadoras digitais.

A utilização de lâmpadas de teste, mesmo as de dois watts ou menos, podem causar danos tanto no módulo do acessório como em outros módulos eletrônicos do veículo. Outro fato, é que não há como medir tensão, corrente e outras grandezas confiando apenas na luminosidade de uma lâmpada

2 – MEDINDO TENSÃO CONTÍNUA (VOLTÍMETRO)

Lembrete! Tensão contínua é a grandeza elétrica que tem polaridade fixa. Para medirmos esta grandeza elétrica basta girar o seletor do multímetro para a posição “DCV ou V “. A inscrição DCV significa Voltagem em Corrente Direta (Contínua).
Notem que o multímetro deverá sempre ser ligado em paralelo com o equipamento a ser medido, ou seja, ponteira vermelha do multímetro no positivo da bateria e ponteira preta no negativo da mesma. Obs.: Caso a tensão a ser medida seja desconhecida, selecionaremos o maior valor da escala (que no nosso caso será 1000 volts) e iremos diminuindo caso seja necessário. Ex.: se estivermos medindo uma bateria de 12V na escala de 1000V, o valor mostrado no display será 012, ao diminuirmos para 200V o valor mostrado será 12,6 e em 20V de 12,65V. Se colocarmos na escala de 2000 mV que é o mesmo que 2V, o display mostrará um “I” à esquerda, indicando que a leitura está fora de escala.

MEDINDO CORRENTE CONTÍNUA (AMPERÍMETRO)

Lembre-se sempre de mudar o borne da ponteira vermelha de “VΩmA ” para “ DCA ou A ” antes de iniciar as medições. Quando medimos corrente contínua raramente temos ideia do valor que iremos encontrar. Como medida de segurança selecionaremos sempre o maior valor da escala (que nosso caso será 10A) e ligaremos o multímetro em série com o equipamento a ser medido.
Antes de começarmos as ligações devemos primeiramente abrir o circuito (desligar o interruptor ou retirar o fusível). Com o circuito aberto (desligado), ligaremos a ponteira preta ao ponto que estiver voltado para o negativo da bateria e a ponteira vermelha ao ponto que estiver voltado para o acessório. Se o interruptor estiver conectado ao positivo da bateria, ligaremos o amperímetro da seguinte forma: ponteira vermelha voltada para o positivo da bateria e a preta para o acessório. Caso o multímetro utilizado seja do tipo analógico (ponteiro) esta seqüência deverá ser rigorosamente obedecida, mas se for do tipo digital não, pois a única diferença que teremos será um sinal negativo que aparecerá à esquerda do valor indicado no display.

MÚLTIPLOS E SUBMÚLTIPLOS DAS GRANDEZAS

Apesar de termos visto cada uma das grandezas elétricas e suas unidades, temos também os múltiplos e submúltiplos de cada uma delas. Para facilitar ainda mais o nosso aprendizado utilizaremos esta régua de deslocamento.
Na eletroeletrônica veicular o máximo que poderemos utilizar desta régua é entre MEGA e micro. Para fazermos cálculos entre grandezas elétricas, deveremos utilizar as seguintes relações:
Por exemplo, se precisássemos calcular a potência de consumo de um alarme com um consumo médio de 25mA, jamais poderíamos pegar o valor 12V e multiplicar por 25mA (P = V*I), pois teríamos um resultado errado. Para este caso teremos que converter 25mA em unidade inteira (ampère). Poderemos montar a expressão: 25*10-3 = 0,025 ou utilizar as regras a seguir:
Primeiro passo: escrever o valor (25mA) embaixo da régua e de forma que a unidade do valor (5) coincida com a letra da unidade (m).
Segundo passo: acrescentar zeros à esquerda do valor (25) até que um destes zeros coincida com a letra U, que é o centro da régua (0,025).
Depois, basta utilizar a fórmula para calculo de potência (que nosso caso é, P = V * I) e montar a expressão: 12V * 0,025 A = 0,3 W ou 300mW. Com estas informações poderemos sem o menor problema determinar o tempo que uma bateria levará para descarregar-se completamente caso o veículo fique parado por vários dias sem que o motor seja colocado em movimento.
Exemplo: Uma bateria de 40Ah é capaz de fornecer seguramente 1 ampère por um período de 40 horas ou outros valores desde que sua tensão não chegue a 10,8 volts. Vamos supor que nesta bateria temos conectado um acessório com consumo de 80mA (mesmo com todos os acessórios desligados). De uma forma mais técnica poderemos determinar estes valores através da seguinte fórmula:
Uma bateria para ser considerada boa deverá indicar valores entre 12,5V e 12,7V (75 a 100% de carga). Se estiver regular, entre 12,1V e 12,3V (50 a 25% de carga) e ruim abaixo de 12,1V (25 a 0% de carga) com o motor desligado. Caso queira verificar quantos dias levaria para a bateria descarregar completamente, basta dividir o valor em horas por 24. Ex.: 500/24 = 21 dias. Neste calculo deve ser considerado o estado de carga da bateria. Ex.: Baterias com 100% de carga, levarão 21 dias para descarregar, com 75% = 16 dias (75% de 21 dias), com 25% = 6 dias (25% de 21 dias).

3 MEDINDO RESISTÊNCIAS E COMPONENTES RESISTIVOS

Os resistores são componentes que têm como finalidade limitar a passagem da corrente elétrica em um determinado circuito. Podemos citar como exemplo, a resistência que controla as velocidades do ventilador interno. Hoje em dia os resistores estão sendo muito utilizados na manipulação dos sistemas de travas e vidros elétricos
Nunca se esqueçam: o ohmímetro jamais deverá ser utilizado em equipamentos que estejam energizados, pois poderá danificá-lo.
Para medirmos resistências deveremos colocar o seletor na escala que tenha a inscrição “OHMS ou então o símbolo Ω “ (letra grega Omega). Se não tivermos ideia do valor da resistência, posicionaremos o seletor no maior valor que a escala possua (geralmente entre 2 e 20 MΩ).
Se durante a leitura aparecer um “I” a esquerda do display, vá diminuindo o valor na escala até que seja possível ler o valor medido, caso continue aparecendo o “I” a esquerda do display, a resistência terá um valor acima daquele que o OHMÍMETRO é capaz de medir ou então o resistor estará rompido. Se, no entanto aparecer 000, significa que o resistor tem uma resistência menor do que a que foi selecionada ou que está em curto

4 TESTE DE COMPONENTES RESISTIVOS E CONTINUIDADE

O ohmímetro também poderá ser utilizado para testar componentes resistivos como alto falantes, bobinas de relés, continuidade de cabos, lâmpadas, etc...

TESTANDO A CONTINUIDADE DA BOBINA DE UM ALTO FALANTE

UTILIZAÇÃO DE DIODOS NAS INSTALAÇÕES

Os diodos são componentes eletrônicos classificados como semicondutores, ou seja, dependendo da forma como são instalados, podem se comportar como condutores ou isolantes. Estas características são importantíssimas para determinadas instalações, pois na maioria das vezes precisaremos isolar um sinal elétrico de outro para que não haja interferência em outros pontos do veículo. Estes componentes são identificados por marcações em seu invólucro e cada uma das extremidades tem um nome definido: “A” = anodo e “K” = catodo ou katodo.
Na verdade não existem diodos que trabalhem com sinais positivos e outros com sinais negativos como se ouve falar nas oficinas de auto elétrica. O que realmente acontece é que temos diodos montados para retificarem os semiciclos positivos e outros para retificarem os semiciclos negativos. Para que não haja confusão quanto e este detalhe, observem os sentidos de condução e bloqueio na figura a seguir.

COMO TESTAR DIODOS

Nos multímetros digitais existe uma escala específica para este teste contendo o símbolo de um diodo. Caso o multímetro seja analógico usaremos as escalas: X1 ou X10 do ohmímetro (nestes multímetros é comum as ponteiras terem polaridade contrária, ou seja, a ponteira preta é positiva e a vermelha é negativa, consulte o manual do mesmo).

Teste 1:

• Selecione a escala apropriada;
• Encoste a ponteira positiva do multímetro no ANODO do diodo e a ponteira negativa no KATODO do mesmo;
• Se o diodo este estiver em bom estado a indicação no display será algo entre 500 e 700 (consulte o manual do equipamento).

Teste 2:

• Encoste a ponteira positiva no KATODO do diodo e a ponteira negativa no ANO-DO do mesmo;
• Se este estiver em bom estado, a indicação será a letra “I” à esquerda do display.

5 UTILIZANDO DIODOS PARA BLOQUEIO DE SINAIS

Digamos que ao se instalar um alarme em um determinado veículo, notamos que existe a necessidade de se isolar o sinal do porta-malas e do capô, pois quando alguém abre o capô, a luz do porta-malas fica acesa. Mas por que?
Como tivemos que unir os cabos de capô e porta-malas, ao abrirmos o capô o sinal negativo do interruptor irá para o alarme, mas também irá para a luz do porta-malas acendendo-a. Ao instalarmos o diodo impediremos que o sinal negativo do interruptor do capô chegue ao interruptor do porta-malas. Porém, o diodo não impedirá que o sinal negativo do interruptor do porta-malas chegue ao cabo do alarme que é exatamente o que precisamos.

CONCEITOS BÁSICOS DE ELETRICIDADE AUTOMOTIVA

Com a evolução dos automóveis, o aumento do número de circuitos e cabos nos veículos seria inevitável. Para que os profissionais não se percam diante deste grande número de circuitos, existe uma lista para identificá-los. São através dessas indicações numéricas e alfanuméricas que os eletricistas de concessionárias interpretam os esquemas elétricos dos veículos, pois funcionam como um guia de endereços da parte elétrica dos mesmos. Existem muitos outros circuitos e subcircuitos, porém iremos destacar aqueles que se referem aos sistemas de alarmes e acessórios.

DISTRIBUIÇÃO DO SISTEMA ELÉTRICO

A distribuição da parte elétrica dos diversos modelos e marcas de veículos têm um formato muito similar, mas a forma mais prática de se observarmos estes detalhes é sem dúvida a partir dos diagramas elétricos. Vamos abordar de forma clara e simples os diagramas referentes aos circuitos que serão mais comuns durante as instalações como, por exemplo:
- Bloqueio do motor de partida;
- Sinais de setas;
- Sinais de lanternas e faróis;
- Relé universal de 4 e 5 pinos;
- Alimentação de linha 30;
- Alimentação de linha 15 e outras.

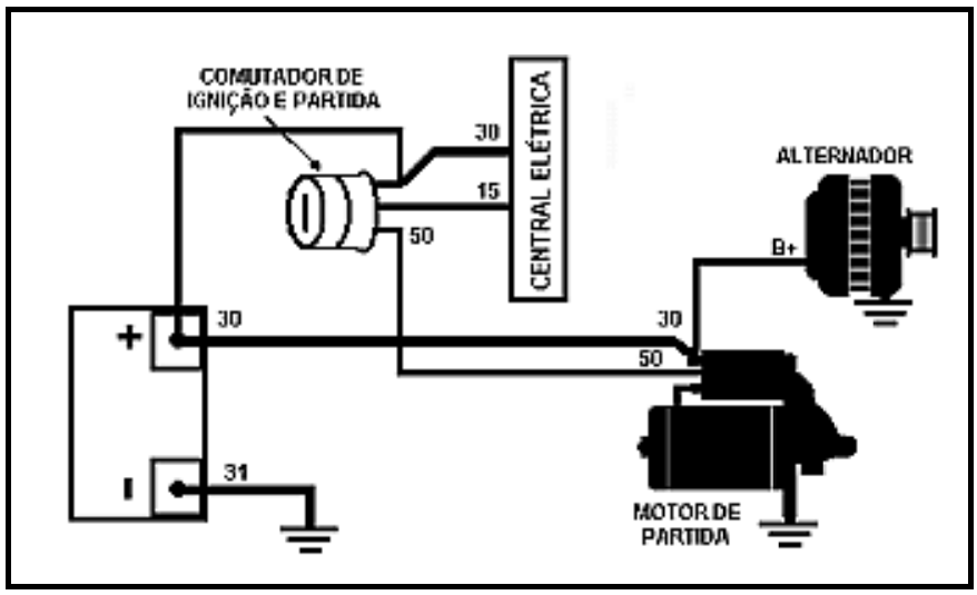
DISTRIBUIÇÃO DO SISTEMA DE CARGA E PARTIDA

Observem através da figura que tudo o que estiver ligado ao borne positivo da bateria ou que derive dele, faz parte da linha 30. Vejamos o percurso de toda a linha.

A energia parte do pólo positivo da bateria e segue por dois caminhos:

O primeiro é através de um cabo de bitola mais grossa e que segue em direção ao terminal 30 (alimentação positiva do motor de partida) e em seguida para o terminal B+ do alternador (terminal de saída da energia produzida). O segundo é através de um cabo mais fino e que segue em direção ao comutador de ignição (chave de ignição) e central elétrica (caixa de fusíveis). Quando ligamos o comutador de ignição, estamos ativando o circuito de pós-chave (nome conhecido pelos instaladores de acessórios).
De acordo com os padrões convencionados pelas montadoras, esta etapa é conhecida como linha 15. Apenas uns dois ou três circuitos funcionam através desta linha sem proteção por fusível (antes da caixa de fusíveis). Já a maioria das ramificações feitas depois da central elétrica, passam a receber outras nomenclaturas, mas nem por isso deixam de ser linha 15. Caso seja necessário executar o bloqueio do motor de partida através do alarme (que por determinação da resolução 37/98 é a mais segura), necessitaremos interromper (cortar) o cabo com a referência de linha 50.
Esta linha poderá ser encontrada tanto no borne do impulsor de partida (automático) como no comutador de ignição (tambor da chave de ignição). Este processo além de facilitar a instalação de acessórios, nos dará uma grande experiência quanto a localização dos diversos circuitos em um veículo.

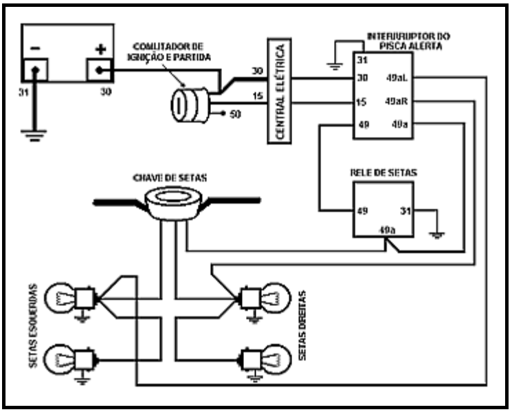
6 DISTRIBUIÇÃO DO SISTEMA DE SETAS

Observando o circuito das setas notaremos que o ponto de partida para alimentação do interruptor será: central elétrica passando em seguida pelo interruptor do pisca alerta, relé de setas, chave de setas e por fim as lanternas das setas. Conforme comentário anterior, notem que logo depois do interruptor do pisca alerta o circuito já não é mais identificado pela linha 15 e sim pela linha 49.

CONCEITOS BÁSICOS DE VEÍCULOS MULTIPLEXADOS

Aos poucos o veículos estão começando a utilizar um sistema de denominado rede C.A.N.-BUS, que é a comunicação de vários circuitos através de um par de cabos. No sistema convencional temos vários cabos entrelaçados com módulos recebendo e/ou enviando vários sinais. Ex.: o interruptor das lanternas e faróis recebe uma única alimentação, mas envia duas: uma para as lanternas e outra para os faróis. Para cada uma delas teremos um cabo ligando o interruptor ao circuito a ser acionado.
Pelo exemplo anterior, notamos que quanto maior for número de acessórios dentro de um veículo, maior será a quantidade de cabos no mesmo. Buscando solucionar este inconveniente as montadoras passaram a utilizar um novo sistema de distribuição da parte elétrica no veículo denominada REDE C.A.N – Bus. Trata-se de um sistema de comunicação entre vários módulos de controle através de no máximo dois ou três cabos.

DIAGRAMA BÁSICO DE UM SISTEMA MULTIPLEX

- CSI = CAIXA DE SERVIÇO INTELIGENTE.
- CSM = CAIXA DE SERVIÇO DO MOTOR.
- MCV = MÓDULO COMUT. VOLANTE.
- UCM = UNIDADE DE CONTROLE DO MOTOR.
Estas siglas ou nomes dos módulos variam conforme o fabricante do veículo, mas em suma, executam praticamente as mesmas funções. Nos sistemas com REDE CAN o processamento das informações de entrada e saída são executados por uma unidade central (CSI) e enviada aos módulos controladores. Sendo assim, poderemos acionar os vidros elétricos e as travas elétricas por um único par de cabos. Deveremos daqui em diante tomar certas precauções, pois estas linhas não trabalham com 12 volts, mas com sinais digitais codificados.

RELÉS AUXILIARES

Alguns circuitos consomem correntes além daquelas que poderiam ser suportadas pelos interruptores convencionais, necessitando desta forma utilizarem relés. Os relés podem comutar correntes elevadas através de uma corrente bem menor (em muitos casos centenas de vezes menores). Para que possamos saber quem são cada um dos terminais (pinos), existem marcações numéricas em cada um dos seus terminais.

SIMBOLOGIA E ASPECTO FÍSICO DOS RELÉS

É muito comum adotarmos em um relé do tipo universal o terminal “30” como entrada e “87” como saída. Na verdade não é necessário utilizar isto como regra, pois a inversão destes não altera o funcionamento normal do relé. O mesmo ocorre com os terminais “85 e 86”, onde muitos instaladores adotam um como positivo e o outro como negativo. Estes dois terminais pertencem a bobina do relé (eletroímã), não tendo desta forma nenhuma determinação de polaridade. Sendo assim, não iremos nos preocupar quanto aos detalhes de polaridade.

RELÉS DE 5 TERMINAIS (PINOS)

87 e 87a internamente curto-circuitados: Este tipo de rele é muito utilizado nas instalações de faróis de milha, neblina e buzinas. Para saber se temos este tipo de relé em mãos, basta verificarmos se há continuidade entre os pinos 87 e 87a.
Duplo contato sem curto-circuito interno: Este tipo de relé é ais utilizado em situações onde necessitamos isolar um acessório de outro ou uma lateral da outra, como por exemplo: setas, lanternas e outros. Quando testamos este tipo de relé, não encontramos os continuidade entre os dois pinos 87.
Contatos reversíveis: Este tipo de rele é muito utilizado quando necessitamos de acionamentos invertidos, ou seja, o acessório funciona enquanto não houver alimentação nos pinos 85 e 86, ocorrendo o in-verso quando estes pinos recebem alimentação. Quando testamos este relé deveremos encontrar continuidade nos pinos “87a” e “30” e não encontrar continuidade entre os pinos “87” e “30”.
Obs: Estes testes deverão ser executados com um multímetro na escala de teste de continuidade e sem nenhum tipo de alimentação nos pinos do relé
Quando for necessário instalar ralés em veículos que possuam muitos equipamentos eletrônicos tais como: freios ABS, computador de bordo e outros. Torna-se necessário instalar relés com proteção (resistor em paralelo com os pinos 86 e 86). Como as bobinas dos relés geram picos de tensão capazes de interferir no sistema elétrico dos veículos, os fabricantes inserem um resistor (devidamente calculado), que suprime estes ruídos.
A única forma de saber se estamos trabalhando com um ralé destes, é através do diagrama elétrico na carcaça.