Instalações Elétricas

Pequenos Reparos Domésticos (Marido de Aluguel)

1 Segurança em instalações Elétricas de BT

O princípio que fundamenta as medidas de proteção contra choques especificadas na NBR 5410:2004 pode ser assim resumido:

1. Partes vivas perigosas não devem ser acessíveis; e

2. Massas ou partes condutivas acessíveis não devem oferecer perigo, seja em condições normais, seja, em particular, em caso de alguma falha que as tornem acidentalmente vivas.

Deste modo, a proteção contra choques elétricos compreende, em caráter geral, dois tipos de proteção:

a) proteção básica

b) proteção supletiva

Notas

1. Os conceitos e princípios da proteção contra choques elétricos aqui adotados são aqueles da IEC 61140.

2. Os conceitos de “proteção básica” e de “proteção supletiva” correspondem, respectivamente, aos conceitos de “proteção contra contatos diretos” e de “proteção contra contatos indiretos” vigentes até a edição anterior desta Norma.

3. Exemplos de proteção básica:

* Isolação básica ou separação básica;

* Uso de barreira ou invólucro;

* Limitação da tensão.

4. Exemplos de proteção supletiva:

* Equipotencialização e seccionamento automático da alimentação;

* Isolação suplementar;

* Separação elétrica.

Proteção contra sobrecorrentes

Esse item é transcrito em sua totalidade da NBR 5410:2004:

Generalidades

Os condutores vivos devem ser protegidos, por um ou mais dispositivos de seccionamento automático contra sobrecargas e contra curtos-circuitos. Excetuam-se os casos em que as sobrecorrentes forem limitadas, e os casos em que for possível ou mesmo recomendável omitir tais proteções.

A proteção contra sobrecargas e a proteção contra curtos-circuitos devem ser coordenadas conforme 5.3.6.

Os dispositivos previstos em 5.3.1.1 destinam-se a interromper sobrecorrentes antes que elas se tornem perigosas, devido aos seus efeitos térmicos e mecânicos, ou resultem em uma elevação de temperatura prejudicial à isolação, às conexões, às terminações e à circunvizinhança dos condutores.

Nota

A proteção dos condutores realizada de acordo com esta seção não garante necessariamente a proteção dos equipamentos ligados a esses condutores.

2 Instalações Elétricas de BT

Uma instalação elétrica é definida pelo conjunto de materiais e componentes elétricos essenciais ao funcionamento de um circuito ou sistema elétrico. As instalações elétricas são projetadas de acordo com normas e regulamentações definidas, principalmente, pela Associação Brasileira de Normas Técnicas, ABNT. A legislação pertinente visa a observâncias de determinados aspectos, bem como, Segurança, Eficiência e Qualidade Energética, etc.

Efeitos da corrente elétrica sobre o corpo humano

O choque elétrico é a sensação experimentada quando o corpo é percorrido por uma corrente elétrica. Atividades musculares, como a respiração e os batimentos cardíacos, são controladas por correntes elétricas muito pequenas, conduzidas pelo sistema nervoso .
A célula é estimulada através do envio de impulsos nervosos que são, simplesmente, variações de potenciais elétricos (potencial negativo, de repouso, ao potencial positivo, de ação). Variações de potenciais são transmitidas aos tecidos e difundidas pelos meios condutores e mensuráveis externamente, por exemplo, por eletrodos na pele (Eletroencefalogramas, Eletrocardiogramas, etc.) .
Correntes causadas pela exposição a tensões elétricas externas, dependendo de alguns fatores, podem ocasionar deficiências orgânicas, como a tetanização, queimaduras, paralisia respiratória, a fibrilação ventricular ou mesmo uma parada cardíaca.
Uma alteração orgânica causada por um choque elétrico pode variar em função de fatores que interferem na intensidade da corrente e nos efeitos provocados no organismo:
* Trajeto da corrente elétrica no corpo humano: Lei de Ohm e Resistência do corpo humano;
* Tipo da corrente elétrica (CC ou CA):
* Intensidade da corrente: Quanto maior a corrente, maior é o risco do choque;
* Frequência da corrente: Alta frequência é menos perigoso que 60Hz.
* Condições de contato: temperatura, umidade, nível de isolamento condutorcorpo-terra, etc.
* Zona TEMPO x CORRENTE :
No estudo da prevenção contra choques elétricos deve-se, ainda, considerar o tipo de contato elétrico entre a pessoa e o condutor :

3 Sistemas Elétricos de Potência

Um Sistema Elétrico de Potência, SEP, pode ser definido como o conjunto de equipamentos e instalações para a geração e transmissão de grandes blocos de energia. Entre a geração de energia elétrica e o seu consumo, um SEP é, normalmente, dividido em três subsistemas:
* Geração;
* Transmissão;
* Distribuição.
A representação esquemática de um SEP pode ser feita utilizando diagramas trifilares (representando as 3 fases), bifilares (bifásico ou monofásico) e unifilares (representando apenas as linhas de transmissão/distribuição, independente do número de fases). Este último é o mais comum, por ter representação e visualização mais simples.
A seguir é mostrada uma figura com a representação de um SEP genérico englobando os três subsistemas, bem como as faixas de tensão nos sistemas de transmissão e distribuição de energia elétrica (adaptação de ).

Normas

A NBR 5410:2004 – Instalações Elétricas em Baixa Tensão, baseada na norma internacional IEC 60364, é a norma aplicada a todas as instalações cuja tensão nominal é menor ou igual a 1000VCA ou 1500VCC .
Outras normas complementares à NBR 5410 são:
* NBR 5456 – Eletrotécnica e eletrônica - Eletricidade geral – Terminologia;
* NBR 5444 – Símbolos Gráficos para Instalações Elétricas Prediais;
* NBR 13570 – Instalações Elétricas em Locais de Afluência de Público;
* NBR 13534 – Instalações Elétricas em Estabelecimentos Assistenciais de Saúde;
É necessário considerar, ainda, as normas definidas pelas concessionárias de energia para o projeto e execução de instalações elétricas. No contexto da disciplina, serão utilizadas as normas da Companhia Energética de Minas Gerais, CEMIG:
* ND-5.1 – Fornecimento de Energia Elétrica em Tensão Secundária – Rede de Distribuição Aérea – Edificações Individuais;
* ND-5.2 – Fornecimento de Energia Elétrica Em Tensão Secundária – Rede de Distribuição Aérea – Edificações Coletivas.

4 Levantamento de Cargas e Divisão de Circuitos

As indicações das normas NBR 5410:2004, ND-5.1 e ND-5.2 que se aplicam à disciplina estão descritas a seguir.

Carga mínima de iluminação

Em cada cômodo ou dependência deve ser previsto pelo menos um ponto de luz fixo no teto, comandado por interruptor. Na determinação das cargas de iluminação, como alternativa à aplicação da ABNT NBR 5413, conforme prescrito na alínea a) de 4.2.1.2.2, pode ser adotado o seguinte critério:
a) em cômodos ou dependências com área igual ou inferior a 6 m2, deve ser prevista uma carga mínima de 100 VA;
b) em cômodo ou dependências com área superior a 6 m2, deve ser prevista uma carga mínima de 100 VA para os primeiros 6 m2, acrescida de 60 VA para cada aumento de 4 m2 inteiros.

Nota

Os valores apurados correspondem à potência destinada à iluminação para efeito de dimensionamento dos circuitos, e não necessariamente à potência nominal das lâmpadas. O número de pontos de luz deve ser tal que haja uma distribuição uniforme em cada cômodo, devendo, para destaques específicos, pontos de luz complementares.

Carga mínima para pontos de tomadas

As tomadas são caracterizadas como sendo de uso geral, TUG’s ou de uso específico, TUE’s.
Entende-se por tomada de uso específico aquelas utilizadas para alimentar equipamentos cuja corrente nominal é superior a 10A. Segundo a NBR 5410, “todo ponto de utilização previsto para alimentar, de modo exclusivo ou virtualmente dedicado, equipamento com corrente nominal superior a 10A deve constituir um circuito independente”. O projeto deve prever o número, a localização e o tipo das TUE’s em função do layout da instalação e das necessidades do usuário. Tais tomadas devem estar no máximo a 1,50m de distância do aparelho.
A previsão do número e da carga das demais tomadas, TUG’s, deverá ser determinada de acordo com o esquema a seguir .
A potência de cada ponto de TUG depende do cômodo no qual ela se encontra. Dessa forma, tal potência é função dos equipamentos que ele poderá vir a alimentar e não deve ser inferior aos seguintes valores:
a) em banheiros, cozinhas, copas, copas-cozinhas, áreas de serviço, lavanderias e locais análogos, no mínimo 600VA por ponto de tomada, até três pontos, e 100VA por ponto para os excedentes, considerando-se cada um desses ambientes separadamente;
b) nos demais cômodos ou dependências, no mínimo 100VA por ponto de tomada.
Deve-se, ainda, observar que um ponto de tomada pode conter mais de uma tomada de corrente. No entanto, em cada tomada de corrente, não devem ser ligados dois aparelhos simultaneamente. É vedada a utilização de derivadores (benjamins), pois estes podem gerar aquecimento devido a mau contato e/ou sobrecorrente no dispositivo ou tomada.
Em banheiros, essencialmente, é necessária a observação de distâncias seguras entre os pontos de tomada e “áreas molhadas” como boxes de chuveiro e banheiras.
No Volume 0, somente é admitida uma tensão máxima de 12V, sendo que essa fonte deve ser instalada fora do Volume 0.
Nenhum dispositivo de proteção, comando ou seccionamento pode ser instalado nos Volumes 0, 1, e 2. Desta forma, quaisquer tomadas, excetuando-se a TUE do chuveiro, devem ser colocadas no Volume 3. O mesmo é válido para comandos de iluminação (interruptores).
Os equipamentos de iluminação instalados neste locais, devem ser especialmente projetados para esse uso, de forma que, quando instalados não permitam que o excesso de umidade se acumule em condutores, porta-lâmpada (receptáculo) ou em outras partes elétricas.

Simbologia

Para a interpretação de um projeto elétrico é fundamental a utilização correta da simbologia padrão definida pela NBR 5444. Em cada símbolo podem ser encontrados um ou mais caracteres indicando:
n – número do circuito ao qual pertence;
A – interruptor(es) ao qual está ligado;
x – potência total do ponto (VA).
É essencial a utilização de uma legenda no projeto, uma vez que há a possibilidade de a simbologia normalizada ser modificada. A tabela a seguir descreve os principais símbolos utilizados em projetos de instalações elétricas.

Tipo de Fornecimento

O tipo de fornecimento define o número de fases que irão alimentar a instalação elétrica. Está relacionado com a carga instalada. A determinação do tipo de fornecimento, para o caso de Minas Gerais, deve ser feito de acordo com as normas da CEMIG, ND-5.1 e ND-5.2. Esta última esta associada à primeira e será utilizada posteriormente, quando do projeto de edificações coletivas.
A ND-5.1 define que são atendidos em baixa tensão (127V/220V) aqueles consumidores que apresentarem carga (potência total) instalada igual ou inferior a 75kW, ressalvados os casos indicados no Capítulo 1 - item 2.1 da Norma em questão.

5 Quadro de Cargas

A figura a seguir representa uma planta com os pontos de luz, interruptores e tomadas. A simbologia é usual, porém, está em desacordo com aquela normalizada. Posto isso, uma legenda é fornecida.

6 Ligação de tomadas e comandos de iluminação

O padrão de cor utilizado para identificação dos condutores é descrito no item 6.1.5.3 da NBR 5410:2004.
Ainda de acordo com a NBR 5410:2004, o item 5.6.6.1.2 define que o neutro NUNCA deve ser seccionado (em circuitos de iluminação).

Ligação de pontos de tomadas

Comando simples

Um único interruptor acionando um ou mais pontos de luz. Deve-se observar a corrente máxima suportada pelo interruptor para o acionamento de mais de um ponto.
Diagrama esquemático:

Comando de duas seções

Dois interruptores acionando dois conjuntos de um ou mais pontos de luz. Deve-se observar a corrente máxima suportada pelos interruptores para acionamento de vários pontos.
Diagrama esquemático:

Comando Three-Way

Comando que utiliza dois interruptores de modo a acionar um ponto ou conjunto de pontos de locais distintos. Usualmente utilizado em escadas, corredores de tamanho médio, salas compridas, etc. Deve-se atentar ao fato de que este tipo de comando é feito utilizando-se interruptores específicos. Não é raro encontrar instalações onde há tentativa de implementar este tipo de comando utilizando interruptores simples. Obviamente, o resultado não é satisfatório.
Diagrama esquemático:

Comando Four-Way

O comando four-way é utilizado de maneira similar ao three-way. Entretanto, é possível acionar um mesmo ponto ou um conjunto de pontos de luz a partir de n locais. A configuração para este circuito de comando utiliza 2 interruptores three-way e n – 2 interruptores four-way.
Diagrama esquemático:

7 Tecnologia em materiais elétricos

Além das tomadas e interruptores expostos anteriormente, devem ser levados em conta outros materiais elétricos para o projeto de instalações.
É de fundamental importância verificar o tipo de instalação dos eletrodutos e caixas estampadas (embutidos ou expostos). Para a presente disciplina, por tratar dos critérios de projeto quando da instalação utilizando materiais embutidos, não serão tratadas as técnicas e materiais de instalação expostos. No entanto, os materiais e conceitos aqui estudados podem facilmente ser adaptados a esta situação.

Eletrodutos e materiais acessórios

São considerados eletrodutos apenas dutos resistentes à conformação mecânica e não propagadores de chamas. Podem ser classificados como:

Rígidos

* Metálicos
* Plásticos (PVC)

Flexíveis

* Metálicos (Conduites)
* Plásticos (Corrugado)

Especiais

* Fibro-cimento
* Ferro galvanizado
* Etc.
Exemplos de eletrodutos:

Acessórios

* Curvas
* Luvas
* Bucha e arruela

Caixas estampadas

São caixas utilizadas para colocação de interruptores e tomadas. Servem ainda para conter derivações e emendas e como caixas de passagem. Podem ser de 5x10cm (2x4 pol):

Caixa octogonal (ponto de luz)

São caixas próprias para a utilização como pontos de luz. Algumas delas possuem fundo móvel, possibilitando a fixação de eletrodutos. Servem ainda como caixas de passagens e para conter emendas e derivações.

Disjuntores

Dispositivos de proteção e interrupção eventual de circuitos. Mais detalhes serão dados na etapa de dimensionamento de disjuntores. Podem ser monopolares, bipolares ou tripolares, de acordo com o número de fases do circuito.
Existem ainda os dispositivos Diferenciais Residuais (DR). Eles podem ser interruptores ou disjuntores. Mais detalhes na seção de dimensionamento de disjuntores.

8 Divisão de circuitos

Definição: circuito é o conjunto de equipamentos e condutores elétricos ligados ao mesmo dispositivo de proteção (disjuntor convencional ou DR).

Quadro de Distribuição de Circuitos (QDC):

Componente da instalação que recebe os condutores oriundos do quadro de medição. Nele também se encontram os dispositivos de proteção.
Em residências, o quadro de distribuição deve ser instalado próximo ao centro das cargas da instalação. Isto é, preferencialmente, próximo aos pontos em que há um maior consumo de energia. Desta forma, permite-se uma economia devido ao dimensionamento de condutores de menores bitolas, graças a menores quedas de tensão.

Disjuntores:

Dispositivos eletromecânicos de proteção e seccionamento de circuitos. Esta proteção pode estar relacionada com sobrecorrentes ou correntes de faltas. Uma sobrecorrente é uma corrente elétrica cujo valor excede, em pequena escala, o valor da corrente nominal ou valor normal de funcionamento do equipamento. Uma falta está relacionada falta de alimentação de determinado equipamento, provocada por uma corrente muito superior à corrente nominal, denominada corrente de falta. Esta corrente está associada a curtos-circuitos.

Condutores:

São os elementos de ligação entre o QDC e os pontos de luz ou de tomada, bem como entre interruptores e pontos de luz.
Pontos de luz, e de tomadas são, ainda, partes constituintes de um circuito.
Toda instalação elétrica deve ser dividida em tantos circuitos quantos forem necessários. Isto proporciona facilidade de manutenção, inspeção e alimentação a outras partes da instalação quando do defeito de um circuito.
Segundo o item 9.5.3 da NBR 5410:2004, os circuitos de iluminação e tomadas devem ser distintos, salvos os casos em que a corrente do circuito comum a iluminação e tomadas seja inferior a 16A e que este não seja o único circuito de tomadas e/ou iluminação de toda a instalação. Desta forma, adota-se o critério de separação integral de circuitos de luz e força. Além disso, a separação destes circuitos promove uma melhoria no que diz respeito à “alimentação a outras partes da instalação quando do defeito de um circuito”.
Em instalações polifásicas, os circuitos devem ser distribuídos entre as fases, proporcionando o equilíbrio de fases (será discutido com mais detalhes posteriormente).
É recomendada (considera-se, no contexto da disciplina, obrigatória) a previsão de circuitos independentes para cargas com mais de 10A (TUEs).
É obrigatório que os pontos de tomada de cozinhas, copas, copas-cozinhas, áreas de serviço, lavanderias e locais análogos devem ser atendidos por circuitos exclusivamente destinados à alimentação de tomadas desses locais.
A mínima potência dos circuitos deve ser de, aproximadamente, 1270VA (10A) e a potência máxima dos circuitos deve ser de cerca de 2540VA (20A).
As proteções de circuitos de aquecimento ou condicionamento de ar podem ser agrupadas no QDC ou num quadro separado (inclusive, próximos aos equipamentos).

9 Dimensionamento de condutores

Em circuitos residenciais, os condutores fase e neutro devem possuir a mesma bitola. Em instalações residenciais e/ou prediais, os condutores mais utilizados são de cobre com isolamento em PVC (policloreto de vinila), EPR (borracha etileno-propileno) e XLPE (polietileno reticulado). O isolamento deve ser do tipo não propagador de chamas. Basicamente, existem dois tipos de condutores:
A principal distinção entre fios e cabos está relacionada a flexibilidade dos condutores, uma vez que, a medida que a bitola do condutor aumenta, sua flexibilidade diminui. Neste aspecto, os fios são mais flexíveis que os cabos. O isolamento definirá a resposta à variações na corrente e, consequentemente, na temperatura do condutor.

Tipo de isolamento x Temperaturas do condutor

Instalação

A maneira de instalação dos condutores influenciará na troca térmica entre estes e o ambiente. Desta forma, é preciso levar em consideração as perdas térmicas por efeito Joule nos condutores devido à resistência própria do cabo ou fio. Quanto melhor a dissipação de calor em um condutor, menor é o aumento da resistência elétrica do mesmo e melhor é a capacidade de condução de corrente no circuito. Os critérios de dimensionamento são definidos de acordo com o tipo de instalação dos condutores. Para a maioria dos casos, o método construtivo é: condutores isolados ou cabos unipolares em eletroduto de seção circular embutido em alvenaria. Os métodos de referência são indicados pela tabela 33 da NBR 5410.

Dimensionamento dos condutores

Para o dimensionamento segundo o método exposto, é necessário determinar a bitola do condutor de acordo com dois critérios: Critério da Capacidade de Corrente e Critério de Queda de Tensão.

Capacidade de Corrente

Inicialmente, calcula-se a corrente nominal em cada circuito e, em seguida, aplicar os fatores de correção FCT (Fator de Correção de Temperatura) e FCNC (Fator de Correção para Número de Circuitos).
A corrente de fase é definida por:
onde FP é o fator de potência do circuito.
Define-se Fator de Potência a parcela da potência complexa devido à potência ativa.
O aumento do fator de potência provoca o aumento da corrente que alimenta o circuito, tornando necessário o aumento da bitola dos condutores.
Em instalações residenciais, a maior parte das cargas é resistiva (chuveiros, lâmpadas incandescentes, fornos elétricos, torradeiras, etc.). Entretanto, com o aumento da utilização de dispositivos reatores e semicondutores, deve-se atentar para o FP destes equipamentos, de forma a não subdimensionar os condutores de um circuito provocando sobrecorrentes e/ou faltas.
Aplicando os fatores de correção, a corrente de projeto será dada por:
É importante considerar tal correção na medida em que ambos interferem na troca de calor entre condutores e ambiente. Os fatores de correção são definidos de acordo com as tabelas a seguir.
Finalmente, utilizando a tabela que relaciona as bitolas dos condutores e suas respectivas capacidades de condução de corrente, determina-se o condutor que atende à corrente de projeto definida:
Exemplo: Circuito de chuveiro monofásico com potência de 4500W. Considere T = 30º e que o número de circuitos agrupados seja 3 (no pior trecho de eletroduto onde passa o circuito do chuveiro)

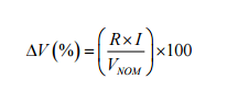
Queda de Tensão

Os aparelhos consumidores de energia elétrica são projetados para trabalharem em determinado valor de tensão com reduzida tolerância. À medida que a distância entre o medidor de energia e a potência da carga aumenta a queda de tensão ao longo do condutor também aumenta. Em baixa tensão, em nenhum caso a queda de tensão nos circuitos terminais deve ser superior a 4% (item 6.2.7.2 da NBR 5410).
A seguir se encontra o método “VA x m”. Tal método é simples e produz uma boa aproximação para condutores de diâmetro reduzido, em consonância com aqueles utilizados em instalações elétricas de baixa tensão.
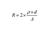
A queda de tensão percentual em um circuito pode ser expressa por:
onde R é a resistência do condutor, I é a corrente circulante no condutor e VNOM é a tensão nominal de fase da instalação (127V ou 220V).
Para circuitos a dois fios (monofásicos e bifásicos), a resistência do circuito será de:
onde é a resistividade do material condutor, d é o comprimento do condutor e A é a área da seção reta do condutor.
Admitindo que

Exemplo: CQT para o circuito de iluminação.

10 Determinação da bitola do condutor

Após o dimensionamento pelos critérios de Capacidade de Corrente e de Queda de Tensão, a bitola do condutor será aquela que atende aos dois critérios, ou seja, a maior entre as bitolas calculadas.
Além disso, de acordo com o item 6.2.6 da NBR 5410, a seção mínima dos condutores utilizados em circuitos de força e iluminação deve ser de:
* Circuitos de iluminação: 1,5mm2;
* Circuitos de força: 2,5mm2

Dimensionamento do neutro

O condutor neutro não pode ser comum a mais de um circuito e, em um circuito monofásico, deve ter a mesma seção do condutor fase. Em circuitos trifásicos com neutro, de acordo com a taxa de terceiro harmônico, pode ser necessário um condutor neutro com seção superior à dos condutores fase.

Dimensionamento do condutor de proteção (terra)

O aterramento é a ligação elétrica intencional com a terra. Tal ligação tem por objetivo fornecer um caminho favorável e seguro ao percurso de correntes elétricas indesejáveis e inseguras. O esquema de aterramento mais utilizado em instalações é o TN-S. Neste esquema o condutor neutro e o condutor de proteção são distintos ao longo de toda instalação, sendo interconectados apenas no quadro de proteção geral.
Em um sistema aterrado, a pessoa em contato com a carcaça é protegida contra choques indiretos, uma vez que segundo o conceito de divisores de corrente, a quase totalidade da corrente passará pelo condutor de proteção (resistência insignificante em comparação à resistência do corpo humano).
O aterramento fornece, ainda, um plano de referência estático e sem perturbações de tal modo que equipamentos eletrônicos, computadores, entre outros, possam funcionar satisfatoriamente em baixas e em altas frequências.
Utiliza-se no condutor de aterramento a mesma bitola do condutor fase do circuito de maior bitola, até 16mm2.
A seguir, é transcrito, em sua totalidade, o item 6.4.3.2.3 da NBR 5410.
Os seguintes elementos metálicos não são admitidos como condutor de proteção:
a) tubulações de água;
b) tubulações de gases ou líquidos combustíveis ou inflamáveis;
c) elementos de construção sujeitos a esforços mecânicos em serviço normal;
d) eletrodutos flexíveis, exceto quando concebidos para esse fim;
e) partes metálicas flexíveis;
f) armadura do concreto (ver nota);
g) estruturas e elementos metálicos da edificação (ver nota).

Nota

Nenhuma ligação visando equipotencialização ou aterramento, incluindo as conexões às armaduras do concreto, pode ser usada como alternativa aos condutores de proteção dos circuitos. Como especificado anteriormente, todo circuito deve dispor de condutor de proteção, em toda a sua extensão .

Espaço para ampliações em quadros de distribuição

Nos quadros de distribuição deve ser previsto espaço para ampliações futuras, conforme a tabela 59 da NBR 5410.

Dimensionamento da proteção dos circuitos (Disjuntores e DRs)

A NBR 5410:2004 define a obrigatoriedade de dispositivos de seccionamento de circuitos, os chamados disjuntores. Tais equipamentos operam por meio de disparadores térmicos, magnéticos ou eletrônicos e tem por objetivo proteger os circuitos contra sobrecorrentes. Tradicionalmente, os disjuntores são equipados com disparadores térmicos, que atuam na ocorrência de sobrecorrentes médias, e disparadores magnéticos, para elevadas sobrecorrentes. Dessa forma, são conhecidos amplamente como disjuntores termomagnéticos.
O disparador térmico se baseia na utilização de uma lâmina bimetálica. Esta lâmina é constituída de duas camadas de metais com coeficientes de dilatação distintos. Na ocorrência de uma sobrecorrente a lâmina aquece (dissipação de calor por efeito Joule) e se curva, desconectando os terminais do disjuntor e abrindo o circuito.
O disparador magnético é constituído por uma bobina (eletroimã) que atrai uma peça articulada quando a corrente atinge um determinado valor. O deslocamento de tal peça provoca o seccionamento do circuito através da desconexão mecânica dos acoplamentos no interior do disjuntor.
O dimensionamento do disjuntor deve ser feito levando-se em conta sua corrente nominal e a curva de atuação do disjuntor. Os valores padrão de corrente nominal dos disjuntores (em A) estabelecidos pela NBR NM 60898:04 são:
2 – 4 – 6 – 10 – 13– 16 – 20 – 25 – 32 – 40 – 50 – 63 – 80 – 100 – 125
A figura a seguir representa curvas típicas de disjuntores:
A determinação do disjuntor deve levar em conta a corrente nominal do circuito e a corrente do fio cuja bitola foi definida na etapa de dimensionamento de condutores. A forma geral para o dimensionamento do disjuntor será:
A título de demonstração, considere o exemplo de dimensionamento de condutor pelo método do CCC definido anteriormente. A corrente do circuito é de 20,45 A. Os fatores de correção são FCNC = 0,7 e FCT = 1. A bitola é igual a 4,0mm2, consequentemente, a corrente nominal do fio é de 32,0 A. Logo,
Observa-se que o menor valor padrão está fora do intervalo. Nestas situações sempre deve ser escolhido o primeiro valor acima do limite superior do intervalo. Em outros casos, mais de um valor padrão pode estar contido no intervalo e o valor a ser escolhido deve ser o maior entre estes.

11 Dispositivo diferencial-residual (DR)

Dispositivos Diferenciais-Residuais (DR) são equipamentos de seccionamento mecânico destinado a provocar a abertura dos próprios contatos quando ocorrer uma corrente de fuga à terra. Tais dispositivos podem ser interruptores ou disjuntores.
O interruptor DR secciona o circuito apenas quando existe corrente de fuga, não protegendo o circuito contra sobrecorrentes e faltas.
Define-se disjuntor DR o dispositivo de seccionamento mecânico destinado a provocar a abertura dos próprios contatos quando ocorrer uma sobrecarga, curto circuito ou corrente de fuga à terra. Recomendado nos casos onde existe a limitação de espaço. Pode ser construído por meio da associação de um módulo DR a um disjuntor convencional.
5.1.3.2 Dispositivo diferencial-residual (DR) de alta sensibilidade (texto extraído da NBR 5410)
5.1.3.2.1.1 O uso de dispositivos de proteção a corrente diferencial-residual com corrente diferencial-residual nominal In igual ou inferior a 30 mA é reconhecido como proteção adicional contra choques elétricos.

Nota

A proteção adicional provida pelo uso de dispositivo diferencial-residual de alta sensibilidade visa casos como os de falha de outros meios de proteção e de descuido ou imprudência do usuário.
5.1.3.2.1.2 A utilização de tais dispositivos não é reconhecida como constituindo em si uma medida de proteção completa e não dispensa, em absoluto, o emprego de uma das medidas de proteção estabelecidas em 5.1.2.2 a 5.1.2.5.

Casos em que o uso de dispositivo diferencial-residual de alta sensibilidade como proteção adicional é obrigatório

Além dos casos especificados na seção 9, e qualquer que seja o esquema de aterramento, devem ser objeto de proteção adicional por dispositivos a corrente diferencial-residual com corrente diferencial-residual nominal In igual ou inferior a 30 mA:
a) os circuitos que sirvam a pontos de utilização situados em locais contendo banheira ou chuveiro (ver 9.1);
b) os circuitos que alimentem tomadas de corrente situadas em áreas externas à edificação;
c) os circuitos de tomadas de corrente situadas em áreas internas que possam vir a alimentar equipamentos no exterior;
d) os circuitos que, em locais de habitação, sirvam a pontos de utilização situados em cozinhas, copas, cozinhas, lavanderias, áreas de serviço, garagens e demais dependências internas molhadas em uso normal ou sujeitas a lavagens;
e) os circuitos que, em edificações não-residenciais, sirvam a pontos de tomada situados em cozinhas, copas-cozinhas, lavanderias, áreas de serviço, garagens e, no geral, em áreas internas molhadas em uso normal ou sujeitas a lavagens.
Os quadros de distribuição destinados a instalações residenciais e análogas devem ser entregues com a seguinte advertência:

12 Dispositivos de Proteção contra Surtos (DPS)

O dimensionamento da proteção utilizando DPS não faz parte do programa da disciplina. No entanto, é válida uma abordagem superficial sobre o assunto.
Os DPS são dispositivos destinados a prover proteção contra sobretensões transitórias nas instalações de edificações, cobrindo tanto as linhas de energia quanto as linhas de sinal.
Nos casos em que for necessário o uso de DPS, como previsto em 5.4.2.1.1, e nos casos em que esse uso for especificado, independentemente das considerações de 5.4.2.1.1, a disposição dos DPS deve respeitar os seguintes critérios:
a) quando o objetivo for a proteção contra sobretensões de origem atmosférica transmitidas pela linha externa de alimentação, bem como a proteção contra sobretensões de manobra, os DPS devem ser instalados junto ao ponto de entrada da linha na edificação ou no quadro de distribuição principal, localizado o mais próximo possível do ponto de entrada; ou
b) quando o objetivo for a proteção contra sobretensões provocadas por descargas atmosféricas diretas sobre a edificação ou em suas proximidades, os DPS devem ser instalados no ponto de entrada da linha na edificação.

Nota

O item 5.4.2.1.1 discorre sobre a proteção contra sobretensões em linhas de energia. Essencialmente, deve ser provida proteção à instalação nos seguintes casos:
a) quando a instalação for alimentada por linha total ou parcialmente aérea, ou incluir ela própria linha aérea, e se situar em região sob condições de influências externas AQ2;
b) quando a instalação se situar em região sob condições de influências externas AQ3.

Dimensionamento de Eletrodutos

O dimensionamento dos eletrodutos diz está relacionado à determinação do diâmetro nominal dos mesmos. O diâmetro dos eletrodutos deve ser tal que os condutores possam ser facilmente instalados ou retirados. Dessa forma, segundo o item 6.2.11.1.6 da NBR 5410, a taxa de ocupação do eletroduto, dada pelo quociente entre a soma das áreas das seções transversais dos condutores previstos, calculadas com base no diâmetro externo, e a área útil da seção transversal do eletroduto, não deve ser superior a:
* 53% no caso de um condutor;
* 31% no caso de dois condutores;
* 40% no caso de três ou mais condutores;
Via de regra, levando em conta que a maioria dos trechos contém mais de dois condutores, utiliza-se como área de ocupação máxima uma taxa de 40% do interior do eletroduto.

A partir dos valores de diâmetro interno (tubos de PVC), é possível montar a tabela:

Considerando os valores padrão de bitolas para condutores e tomando mão da equação
onde k d é o diâmetro externo do fio de bitola k, é possível determinar a área ocupada por cada fio e montar a tabela a seguir:
Cada trecho de eletroduto deve ser dimensionado separadamente de acordo com a metodologia a seguir:

13 Dimensionamento do Alimentador

Determinação da demanda

A determinação da demanda é necessária se a carga instalada total exceder 20kVA. O consumidor pode determinar a demanda de sua edificação, considerando o regime de funcionamento de suas cargas, ou alternativamente, solicitar à CEMIG o cálculo da demanda de acordo com o critério apresentado na ND-5.1.

A expressão para o cálculo da demanda é dada por:

A determinação de cada uma dessas demandas é definida por meio de fatores de demanda específicos. O Fator de Demanda é definido como “razão entre a demanda máxima num intervalo de tempo especificado e a carga instalada na unidade consumidora”.

As tabelas a seguir definem, respectivamente, os fatores de demanda de LUZ + TUG em função da carga instalada e de TUEs, em função do tipo e número de equipamentos semelhantes presentes na instalação.

Adiante se encontra a tabela que classifica os consumidores segundo o tipo de carga instalada/demandada.

Exemplo de cálculo de demanda

Equilíbrio de Fases

Os valores das cargas ou das correntes elétricas em cada Fase dos circuitos elétricos de uma instalação elétrica devem ser aproximadamente iguais. Isto é denominado “Equilíbrio de Fases”. Como é difícil ter valores iguais, a diferença recomendável entre as fases de maior e menor potência é de, no máximo, 10%.
O procedimento para divisão dos circuitos de uma instalação elétrica entre fases (exceto monofásico) é ilustrado a partir do exemplo anterior. Considerando a carga instalada de 22300 VA, deseja-se, para este caso, que cada uma das três fases que compõem o alimentador desta instalação seja responsável pelo fornecimento de 1/3 da carga. Isto é,
São inúmeras combinações possíveis entre os circuitos de 1 a 9 de forma a obter valores de potência/fase próximos ao desejado. Uma das alternativas é dada pela seguinte divisão:
A diferença percentual entre as fases de maior potência (A ou B) e a de menor potência (C) é 2,7%, dentro do recomendado para que haja equilíbrio de fases.

Dimensionamento do Alimentador

O Alimentador é definido como o conjunto constituído pelos condutores, eletrodutos e acessórios, instalados a partir do ramal de entrada, passando pelas caixas de derivação até as caixas de medição até o quadro de distribuição de circuitos. O procedimento para o dimensionamento do alimentador é o mesmo que aquele utilizado para o dimensionamento dos circuitos
Para o exemplo anterior, utilizando a carga demandada, determina-se a potência que flui em cada uma das fases (neste caso, 3).

Diagrama Unifilar

A construção do diagrama unifilar das ligações, a partir do ramal de entrada até o quadro de distribuição, é de fundamental importância na elaboração do projeto elétrico da instalação elétrica. Utilizando a simbologia recomendada pela NBR5444, o diagrama unifilar para o exemplo anterior é ilustrado na figura a seguir.

14 Instalações Elétricas em Edificações Coletivas

Define-se como Edificação Coletiva, toda e qualquer construção, reconhecida pelos poderes públicos, constituída por duas ou mais unidades consumidoras, cujas áreas comuns, com consumo de energia, sejam juridicamente de responsabilidade do condomínio.

Os projetos de instalações elétricas em edificações de uso coletivo estão submetidos aos critérios definidos pela norma NBR 5410, bem como à norma ND-5.2 da CEMIG, para o caso de projetos no estado de Minas Gerais.

Definições

Os termos técnicos utilizados nesta Norma estão definidos nas NBR 5460, 5463 e 5473 e são complementadas pelas seguintes:

Consumidor

É a pessoa física ou jurídica, ou comunhão de fato ou de direito legalmente representada, que solicitar à CEMIG o fornecimento de energia elétrica e assumir expressamente a responsabilidade pelo pagamento das contas e pelas demais obrigações regulamentares e contratuais.

Unidade Consumidora

São as instalações de um único consumidor, caracterizada pela entrega de energia elétrica em um só ponto, com medição individualizada.

Edificações de Uso Coletivo

É toda e qualquer construção, reconhecida pelos poderes públicos, constituída por duas ou mais unidades consumidoras, cujas áreas comuns, com consumo de energia, sejam juridicamente de responsabilidade do condomínio.

Edificações Agrupadas ou Agrupamentos

Conjunto de edificações, reconhecidas pelos poderes públicos, constituído por duas ou mais unidades consumidoras, construídas no mesmo terreno ou em terrenos distintos sem separação física entre eles e juridicamente demarcado pela prefeitura e com área de circulação comum às unidades, sem caracterizar condomínio.

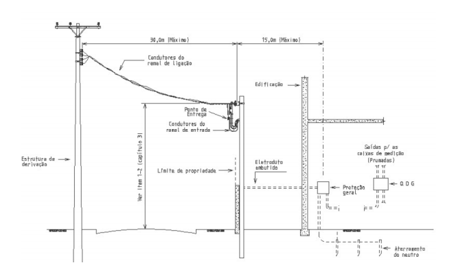
Limite de Propriedade

São as demarcações que separam a propriedade do consumidor da via pública e dos terrenos adjacentes de propriedade de terceiros, no alinhamento designado pelos poderes públicos.

Ponto de Entrega

É o ponto até o qual a concessionária se obriga a fornecer energia elétrica, com participação nos investimentos necessários, bem como, responsabilizando-se pela execução dos serviços de operação e de manutenção do sistema, não sendo necessariamente o ponto de medição.

Entrada de serviço

É o conjunto constituído pelos condutores, equipamentos e acessórios instalados entre o ponto de derivação da rede secundária da CEMIG e a medição, inclusive. A entrada de serviço abrange, portanto, o ramal de ligação e o padrão de entrada das unidades consumidoras.

Ramal de ligação

É o conjunto de condutores e acessórios instalados pela CEMIG entre o ponto de derivação da rede secundária e o ponto de entrega.

Ramal de Entrada

É o conjunto de condutores e acessórios instalados pelos consumidores entre o ponto de entrega e a proteção geral ou quadro de distribuição geral (QDG).

Padrão de Entrada

É a instalação compreendendo o ramal de entrada, poste ou pontalete particular, caixas, dispositivos de proteção, aterramento e ferragens, de responsabilidade dos consumidores, preparada de forma a permitir a ligação das unidades consumidoras à rede da CEMIG.

Alimentador Principal ou Prumada

É a continuação ou desmembramento do ramal da entrada, constituído pelos condutores, eletrodutos e acessórios, instalados a partir da proteção geral ou do quadro de distribuição geral (QDG) até as caixas de medição ou de derivação.

Alimentador Secundário

É a ramificação do alimentador principal, constituído pelos condutores, eletrodutos e acessórios, instalados a partir das caixas de derivação até as caixas de medição.

Ramal de Derivação

É o conjunto de condutores e acessórios instalados a partir do alimentador secundário até a medição de cada unidade consumidora

Ramal Interno

É o conjunto de condutores e acessórios instalados internamente nas unidades consumidoras, a partir de suas medições individualizadas.

Medição Direta

É a medição de energia efetuada através de medidores conectados diretamente aos condutores do ramal de entrada.

Medição Indireta

É a medição de energia efetuada com auxílio de transformadores de corrente.

Quadro de Distribuição Geral (QDG)

É o quadro, painel ou caixa modular, dotado de barramentos, destinados a instalação da proteção geral e dos demais dispositivos de proteção dos circuitos projetados (alimentadores).

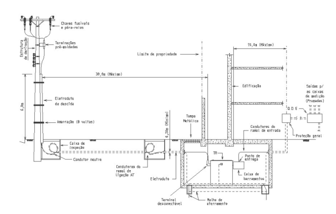
Caixa de Inspeção

É o compartimento enterrado, com dimensões insuficientes para pessoas trabalharem em seu interior, intercalada em uma ou mais linhas de dutos convergentes.

Chave de Aferição

É um dispositivo que possibilita a retirada do medidor do circuito, abrindo o seu circuito de potencial, sem interromper o fornecimento, ao mesmo tempo que coloca em curto circuito o secundário dos transformadores de corrente.

Carga instalada

É a somatória das potências nominais dos equipamentos elétricos de uma unidade consumidora que, após a conclusão dos trabalhados de instalação, estão em condições de entrar em funcionamento.

Demanda

É a média das potências elétricas instantâneas solicitadas por uma unidade consumidora, durante um período especificado.

Câmara

É a parte do padrão de entrada, constituída por um compartimento que pode ser total ou parcialmente enterrado, para instalação de equipamentos subterrâneos da CEMIG.

Câmara Transformadora

É a câmara onde já estão instalados, os transformadores e equipamentos de proteção da Rede de distribuição CEMIG, que lhes são diretamente associados.

15 Classificação das Edificações

Os critérios de atendimento às edificações de uso coletivo e agrupamentos são definidos em função da demanda total utilizada para o dimensionamento dos componentes da entrada de serviço coletiva.

Edificações de Uso Coletivo com Demanda igual ou inferior a 95kVA

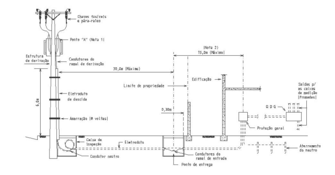
As edificações de uso coletivo que se enquadrarem nesta faixa, devem ser atendidas através de ramal de ligação aéreo, trifásico, de baixa tensão, conforme ilustrado pela figura a seguir, com ponto de entrega situado no poste particular ou na armação secundária fixada na parede da edificação.

Se por razões técnicas, relativas à rede de distribuição, houver impossibilidade de atendimento através de ramal aéreo, a CEMIG deve instalar o ramal de ligação subterrâneo, sem ônus para o consumidor com o ponto de entrega situado na caixa de inspeção instalada no limite da via pública com a edificação.

Entretanto, caso o atendimento através de ramal subterrâneo seja exigido pelas unidades consumidoras da edificação por razões estéticas ou por razões de outra natureza, todo o ônus decorrente da instalação deste ramal (instalação inicial, manutenção e eventuais modificações futuras, inclusive os custos decorrentes de alterações na rede de distribuição, bem como a obtenção da autorização do Poder Público para execução de obras no passeio e via pública) correrá por conta dos consumidores, sendo o ponto de entrega localizado na conexão do ramal com a rede secundária.

Edificações de Uso Coletivo com Demanda entre 95 e 327kVA

As edificações de uso coletivo que se enquadrarem nesta faixa devem ser atendidas por ramal de ligação subterrâneo, trifásico, de baixa tensão, conforme ilustrado pela figura abaixo, com o ponto de entrega situado na caixa de inspeção instalada no limite da via pública com a edificação.

Edificações de Uso Coletivo com Demanda entre 327 e 1500kVA

As edificações de uso coletivo que se enquadram nesta faixa devem ser atendidas através de ramal de ligação subterrâneo, trifásico, em alta tensão, para alimentação(s) do(s) transformador(es) da CEMIG instalados em câmara construída pelos consumidores, dentro dos limites de propriedade, conforme ilustrado pela figura seguinte.

Neste caso, o ponto de entrega situar-se-á nos bornes secundários do transformador.

Edificações de Uso Coletivo com Demanda Superior a 1500kVA

Para estas edificações, será necessário projeto especial da CEMIG para definição do tipo de atendimento aplicável

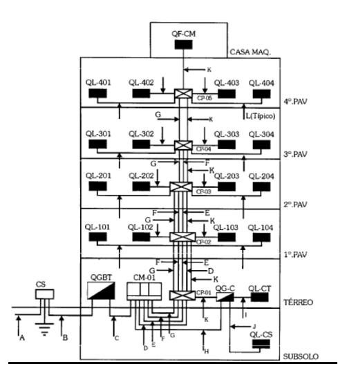
Prumada Elétrica

A prumada elétrica, ou Distribuição Vertical, é um desenho esquemático (sem escala) que visa representar a instalação no plano vertical.

Ela mostra a interligação de toda a instalação contendo, basicamente:

* Quadro de entrada de energia

* Alimentador geral de baixa tensão

* Quadro geral de baixa tensão

* Centros de medição

* Caixas de passagem

* Alimentadores dos quadros de distribuição parcial.
Permite a compreensão clara das interligações existentes entre os diversos pavimentos e setores da instalação.

Cálculo da Demanda

O dimensionamento dos componentes de entrada de serviço (ramais de ligação e de entrada, alimentadores) das edificações de uso coletivo e dos agrupamentos (não previstos na Tabela 3 na ND-5.2), deve ser feito pela demanda da edificação.
Na determinação desta demanda, o engenheiro responsável pelo projeto elétrico, pode adotar o critério que julgar conveniente, desde que o mesmo não apresente valores de demanda inferiores aos calculados pelo critério estabelecido na ND-5.2.
A demanda total, D, pode ser determinada por meio da seguinte equação:
As previsões de aumento de carga devem ser consideradas no cálculo da demanda. No Anexo A da ND-5.2 são apresentados exemplos típicos de dimensionamentos da proteção geral e das proteções das unidades consumidoras.

16 Tabela 6

17 Tabela 7

Caso a proteção geral das edificações de uso coletivo seja menor ou igual a uma das proteções da unidade consumidora, deverá ser tomado um valor de corrente nominal imediatamente acima do maior valor de proteção das unidades consumidoras (considerando o critério de coordenação e seletividade da proteção).
A critério do engenheiro projetista, as proteções dimensionadas devem ser verificadas pelo critério da coordenação/seletividade, mesmo que a proteção geral tenha valor de corrente nominal superior as demais. Em função deste estudo a proteção geral pode ser redimensionada, implicando assim em alteração na faixa de atendimento.
Nas edificações de uso coletivo somente às unidades consumidoras residenciais é aplicável o RTD– 27 (cálculo de demanda em função da área e da quantidade de apartamentos). Às unidades consumidoras não residenciais e ao condomínio é aplicável o processo tradicional que considera os grupos de carga e os respectivos fatores de demanda, função do total da carga ou da quantidade de equipamentos de cada grupo.
Em edificações de uso coletivo com grupos de apartamentos de áreas diferentes, o cálculo da demanda por área / nº de apartamentos pode ser efetuado de duas formas:
* Considerando isoladamente cada conjunto de apartamentos e somando as demandas dos vários conjuntos (desde que nenhum dos conjuntos tenha menos que 4 apartamentos, já que o RD – 27 só é válido para o número de apartamentos superior a 3);
* Considerando a média ponderada das áreas envolvidas e aplicando o fator de multiplicação correspondente ao total de apartamentos em conjunto com a demanda relativa a área média obtida.
O cálculo da proteção das unidades consumidoras deverá ser como a seguir (baseado na ND-5.1):
* Unidades consumidoras com carga instalada até 13kW (tipo A): proteção monofásica, em função da carga instalada.
* Unidades consumidoras com carga instalada entre 13,1kW e 20,0kW (tipo B): proteção bifásica em função da carga instalada.
* Unidades consumidoras com carga instalada superior a 20,0kW e inferior a 75kW (tipo C): proteção trifásica em função da demanda provável, calculada considerando a demanda referente a iluminação e tomadas, aparelhos condicionadores de ar, aparelhos de aquecimento e de motores elétricos, tanto para unidades consumidoras residenciais como para as comerciais.
Após a determinação da demanda, é necessário realizar o dimensionamento da entrada de serviço (metodologia análoga àquela utilizada para o dimensionamento do alimentador em unidades de uso individual).
As tabelas 1, 2, localizadas no Anexo A das notas de aula, são utilizadas no auxílio do dimensionamento.

18 Fator de Demanda

Para unidades não residenciais, o fator de demanda para cargas de iluminação e tomadas de uso geral é definido pela Tabela 8 da ND-5.2. Uma cópia desta está colocada a seguir.

TABELA 8

Os fatores de demanda para tomadas de uso específico em unidades não residenciais são os mesmos utilizados para unidades residenciais.

Exemplo de cálculo de demanda – Edifício com unidades residenciais e comerciais.

5) Tipo de fornecimento às Unidades Consumidoras.
De acordo com a ND-5.1, tem-se que:

Condomínio:

Carga instalada = 24,68KW – fornecimento trifásico.

Iluminação e tomadas (Tabela 8):

Carga = 0,90 + 1,20 / 0,85 + 2,50 / 0,85 = 5,25kVA – fator de demanda = 1.

Chuveiro elétrico (TUE):

1 chuveiro - carga = 4,4kVA – fator de demanda = 1.

Motores (Tabela 12 da ND-5.2):

Carga = 1 x 3,93 + 2 x 4,54kVA = 13,1kVA.

Apartamento:

Carga Instalada = 22,60KW - fornecimento trifásico (proteção dimensionada pela demanda em kVA).

Iluminação e tomadas

Carga = 1,20 + (3,00 + 2,40) / 0,85kVA = 7,55kVA – fator de demanda = 0,57.

Chuveiro elétrico

Carga = 13,20kVA, 3 chuveiros – fator de demanda = 0,84.

Ar Condicionado

Carga = 2 x 1650kVA = 3,3kVA – fator de demanda – 1.

Loja:

Carga instalada = 2,4kW – fornecimento monofásico (proteção dimensionada pela carga instalada).
A demanda será, neste caso (ver Tabelas 8 e 9), igual a carga instalada, pois iluminação e tomadas (Tabela 7) – fator de demanda = 1
Ar condicionado (Tabela 9), 1 aparelho – fator de demanda = 1.
6) Calculo da Demanda Total
D = (1,4 x f x a) + Dc + DL
D = (1,4 x 15,88 x 3,10) + 22,66 + 10 x 2,74 = 68,92 + 22,66 + 27,40kVA
D = 118,98kVA
A entrada de serviço deve ser dimensionada pela faixa de 114,1 a 145,0kVA (item 11 da Tabela 2), o que resulta:
Proteção geral: 2 disjuntores tripolares de 200A.
Pela tabela que descreve o tipo de entrada para edificações de uso individual (ND-5.1):
7) Proteção das Prumadas
* Prumada 1 (10 lojas com carga instalada de 2,4kW, cada).
Por se tratar de unidades consumidoras monofásicas, considera-se a carga instalada igual à demanda; assim, para 10 lojas, tem-se:

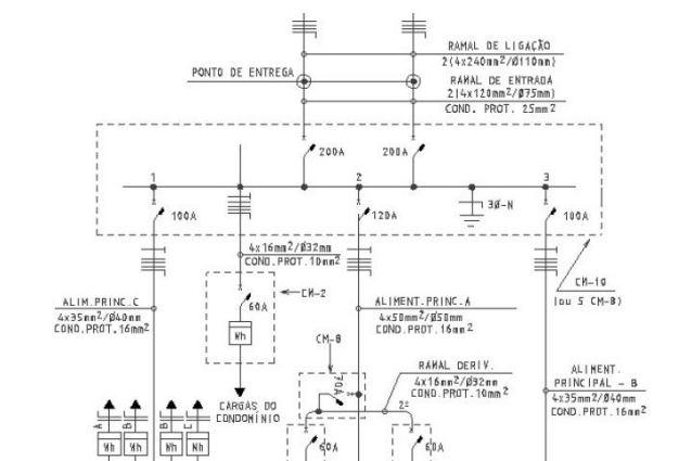
19 Diagrama Unifilar

O diagrama unifilar da instalação do exemplo está desenhado a seguir:

20 Anexos

TABELA 1 – DIMENSIONAMENTO DA ENTRADA DE SERVIÇO DE EDIFICAÇÕES DE USO COLETIVO ATENDIDAS POR REDES SECUNDÁRIAS TRIFÁSICAS (127/220V) - RAMAL DE LIGAÇÃO AÉREO E PROTEÇÃO COM DISJUNTOR

TABELA 2 – DIMENSIONAMENTO DA ENTRADA DE SERVIÇO DE EDIFICAÇÕES DE USO COLETIVO ATENDIDAS POR REDES SECUNDÁRIAS TRIFÁSICAS (127/220V) - RAMAL DE LIGAÇÃO SUBTERRÂNEO E PROTEÇÃO COM DISJUNTOR