Manutenção Automotiva

Básico em Elétrica de Automóveis

1 ELETRICIDADE VEICULAR

Cerca de 1000 metros de fio unem os componentes elétricos num automóvel atual. Todos os fios da instalação, à exceção das ligações à massa, à bateria e aos cabos de alta tensão da ignição, apresentam cores diversas, que correspondem a um código de identificação. Na maioria dos automóveis, o código está normalizado a fim de permitir reconhecer rapidamente os diferentes circuitos ao efetuar-se qualquer reparação.

A bateria atua como reservatório de energia que fornece ao sistema quando o motor está parado; quando trabalha a um regime superior da marcha lenta, o alternador supre todas as necessidades de energia do automóvel e carrega a bateria. Para manter o motor do automóvel em funcionamento são apenas solicitados alguns elementos do sistema elétrico; os restantes fazem funcionar as luzes, limpadores de para brisas e outros acessórios.

Alguns destes, como a buzina, por exemplo, são considerados obrigatórios por lei, sendo muitos outros considerados extras. Instalação dos diferentes circuitos – A corrente do sistema elétrico de um automóvel é fornecida pela bateria – quando o motor não esta funcionando – e pelo gerador, normalmente um dínamo que foi substituído por um alternador, que fornece a corrente necessária para o número, sempre crescente, de acessórios elétricos que os automóveis modernos incluem.

Sempre que o motor estiver parado, toda a corrente utilizada tem a voltagem (tensão) da bateria (normalmente 12 volts). Com o alternador em funcionamento, a corrente é utilizada aproximadamente à tensão de 14,8 volts, exceto a que é fornecida às velas de ignição, que é elevada para mais de 30 000 volts por meio de sistema da ignição.

Uma das principais funções do sistema elétrico consiste em produzir a faísca, que permite a explosão, nos cilindros, da mistura comprimida a gasolina e o ar, além de tornar possível o arranque do motor térmico por meio do motor de arranque. O sistema elétrico de um veículo está dividido em circuitos, cada um dos quais com diferentes funções básicas e comandos. São eles o circuito de ignição, o circuito de arranque, o circuito da carga da bateria, o circuito das luzes e os circuitos acessórios, por vezes, comandado pelo interruptor da ignição e, na maior parte dos casos, protegidos por um fusível.

Um fusível fundido (queimado) indica, quase sempre, que há uma avaria em qualquer outro ponto que não seja o próprio fusível, tal como sobrecarga de um circuito (partindo-se do principio de que foi utilizado o fusível adequado). Os componentes elétricos de um automóvel estão ligados através de interruptores a um dos lados da bateria, estando o outro lado ligado à carroceria ou ao chassi, isto é, à massa. Deste modo, o circuito de qualquer componente completa-se através da carroceria que desempenha naquele a função de um fio, o do retorno à massa.

Este processo de ligação à massa não só economiza cerca de 30 metros de fio de cobre, mas também reduz a possibilidade de interrupção no circuito e simplifica a localização de avaria e a instalação de extras. Recorre-se a fios de diferentes diâmetros para possibilitar a passagem da corrente necessária, sem causar aquecimento do fio.

Assim, na ligação entre o motor de arranque e a bateria, por exemplo, utiliza-se um fio de diâmetro muito maior que as dos restantes fios, porque a corrente que o atravessa chega a atingir de 300 a 400 A. Nos esquemas elétricos, as cores dos fios são normalmente indicadas por meio de letras.

2 Como funcionam os fios, fusíveis e conectores.

Vasta quantidade de componentes com fios, fusíveis e conectores são encontrados em todos os dispositivos elétricos, especialmente em carros. Muitas características, que esperamos que nossos carros possuam, são possíveis devido a esses elementos, que tiveram um significativo aumento de confiabilidade nos últimos anos.

Junto com o aumento da confiabilidade, a complexidade dos sistemas de fiação dos carros também aumentou. Os carros possuem agora literalmente milhares de circuitos. Neste artigo, veremos alguns componentes importantes na fiação dos carros, começando pelo fio. Depois falaremos de fusíveis e conectores e veremos como todos eles trabalham juntos.

Fio

A fiação do carro é responsável por distribuir energia da bateria para os dispositivos localizados por todo o carro. Ela também tem que transmitir dados em um barramento de dados, bem como uma variedade de sinais analógicos e digitais de interruptores e sensores.

Isso significa que existem diferentes tipos de fios nos carros. Os que transmitem sinais de interruptores e sensores conduzem pequenas correntes, já aqueles que fornecem energia para grandes motores elétricos, conduzem correntes elevadas. Se muita corrente passar por um fio, ele pode superaquecer e derreter. A quantidade de corrente que cada fio suporta depende do seu comprimento, composição, tamanho e de como ele está agrupado.

Vamos observar rapidamente como cada uma dessas propriedades afeta a capacidade de condução de corrente do fio:

• Comprimento - cada tipo de fio possui uma certa quantidade de resistência por metro; quanto mais longo for, maior sua resistência. Se a resistência for muito alta, boa parte da energia que flui pelo fio será transformada em calor. Essencialmente, o aumento da temperatura limita a capacidade de condução de corrente do fio, já que uma temperatura muito elevada pode derreter o isolante;

• Composição - o fio automotivo é normalmente composto de cabos de cobre de boa qualidade. Normalmente, quanto melhor a qualidade dos cabos, menor a resistência e maior a corrente que o fio pode conduzir. O tipo de cobre utilizado também tem efeito na sua resistência;

• Bitola do fio - a bitola ou ou diâmetro do fio, também determina qual a sua resistência. Quanto maior a bitola, ou seja, o diâmetro do fio, menor a sua resistência;

• Agrupamento - a forma como um fio está agrupado afeta sua capacidade de dissipar calor. Se o fio estiver em um maço com outros 50 fios, pode conduzir muito menos corrente do que se fosse o único fio no maço.

Você pode perceber como é importante escolher o fio correto. O trabalho torna-se ainda mais difícil devido ao número de fios em um carro, que continuam aumentando a cada ano à medida que novas funções são adicionadas mesmo aos modelos mais básicos.

Fusíveis

A principal função de um fusível é proteger a fiação. Os fusíveis devem ter características e localização adequada para proteger o fio em que eles estão conectados. Caso um dispositivo, como o rádio do seu carro, drene uma corrente excessiva e queime o fusível, o rádio provavelmente já está danificado. O fusível está ali para proteger o fio, que seria muito mais difícil de repor do que o rádio.

A maioria dos carros possui dois painéis de fusíveis. Um no compartimento do motor, que comporta os fusíveis para dispositivos como ventoinhas, a bomba do freio antitravamento (ABS) e a unidade de controle do motor. Outro painel de fusível, normalmente localizado no painel de instrumentos próximo aos joelhos do motorista, comporta os fusíveis para os dispositivos e interruptores localizados nos compartimentos dos passageiros.

Painel de fusíveis do compartimento do motor

Vimos na última seção como o aumento de calor no fio depende da resistência e da quantidade de corrente que flui por ela. Os fusíveis são apenas um tipo especial de fio dentro de um conector independente. A maioria dos fusíveis de automóvel possui duas lâminas condutoras para conexão e uma capa plástica que contém o condutor (que se abrirá, caso a corrente exceda certo valor). Existem também alguns fusíveis na fiação do carro, chamados elos fusíveis.

O condutor, no interior do fusível, é feito de um metal similar ao estanho. Ele possui um ponto de fusão menor do que o fio protegido. O tamanho do condutor é calibrado muito cuidadosamente para que quando a corrente estabelecida for atingida, calor suficiente seja gerado para derretê-lo e abrir o circuito. Quando um fusível queima, deve ser substituído por outro, da mesma amperagem, antes que o circuito volte a funcionar.

Verificando os fusíveis

A maneira infalível de examinar um fusível é tirá-lo de seu receptáculo e conectar um verificador de continuidade os seus dois terminais (lâminas). Mas se você fizer isso enquanto o fusível estiver encaixado, poderá haver continuidade por um caminho que não seja o fusível. Os dois lados do fio, por exemplo, podem estar aterrados quando você verifica o fusível. Normalmente, é possível dizer se um fusível está queimado só observando-o.

Conectores

Atualmente, os conectores têm uma função muito importante nos carros. Sem eles, seria praticamente impossível construir ou prover sua assistência técnica. Toda vez que um maço de fios passa ou se conecta a um componente do carro, que pode ser removido, é necessário um conector para permitir a remoção. Um único conector pode ter mais de 100 fios.

Os conectores são essenciais nos carros atuais. Sem eles, seria praticamente impossível fabricá-los ou executar serviços neles. Quando um maço de fios passa por ou são ligados a um componente do carro que precisa ser retirado, é preciso haver um conector para permitir a remoção. Um único conector pode ter mais de 100 fios. No passado, conectores não-confiáveis já foram fonte de inúmeros problemas elétricos.

É preciso que eles sejam à prova d'água (conectores modernos possuem uma série de vedações para evitar a entrada de umidade), à prova de corrosão e forneçam um bom contato elétrico para o veículo.

O conector na imagem abaixo é um conector de oito pinos (conecta oito fios uns aos outros)

Para realizar essa conexão, há um total de 23 partes separadas. As partes principais são:

1.Capa
2.Pinos e soquetes
3.Pino/soquete de retenção
4.Vedações

Capa

É uma peça complexa que possui um formato complicado. Há um clipe de travamento na parte externa que mantém as duas metades do conector juntas. Há orifícios para os pinos e ganchos especiais que travam os pinos no lugar, assim que inseridos. Existem numerosos rasgos para prender as vedações e manter tudo conectado firmemente. Todas essas características são moldadas na peça quando ela é fabricada.

Os pinos e soquetes

São responsáveis pelo contato elétrico (condução de corrente) de uma metade do conector à outra. Eles são fabricados com muita precisão a fim de se encaixarem com a pressão suficiente para garantir uma boa conexão e, ao mesmo tempo, não tornar a conexão e a desconexão muito difíceis.

Os pinos são fixados aos fios utilizando uma ferramenta especial para essa fixação. Parte do pino se enrola ao redor do fio desencapado, enquanto a outra parte se prende à capa. Isso torna mais difícil separar o fio do pino.

O retentor do pino/soquete

O retentor do pino/soquete é uma peça de plástico que se move da frente para dentro do conector. Ele se posiciona no sentido contrário aos ganchos de travamento de plástico, de forma que estes se soltem. Essa peça torna praticamente impossível que os pinos e soquetes se soltem sozinhos.

As vedações

As vedações impedem que a água entre nos conectores quando eles estiverem travados juntos. Cada conector possui uma vedação de borracha através do qual cada um dos fios passa. Essa vedação se encaixa firmemente na parte de trás do conector. Cada conector possui uma vedação para evitar que a água entre no espaço entre eles quando conectados.

3 MAPAS ELÉTRICOS

O esquema elétrico é a representação detalhada de um diagrama de circuito que, através da representação clara dos percursos individuais da corrente.

Sabe-se que um circuito elétrico habitualmente se compõe de elementos essenciais e acessórios, tais como: fonte, condutores, dispositivos de proteção, dispositivos de comandos e um ou mais consumidores. Isso significa que cada um desses elementos deve figurar simbolicamente no projeto elétrico (diagrama elétrico).

Método de elaboração (Desenho)

Um projeto elétrico somente é legível e claro quando é traçado em um espaço suficiente e a disposição dos elementos respeita as convenções e normas ditadas pela indústria automotiva. Essas normas dizem respeito ao desenho, disposição e representação simbólica dos elementos.

Habitualmente os projetos elétricos a serem elaborados em oficina são simples, raramente contém instruções ou explicações de símbolos. O desenho de um projeto elétrico (diagrama elétrico) não é uma tarefa cotidiana. Apelamos a eles na hora de instalar aparelhos opcionais ou no momento de traçar isoladamente o circuito de um elemento, a partir de um projeto geral. No entanto, a elaboração de projetos constitui um meio eficaz de aprender a interpretar diagramas, sendo a interpretação de diagramas uma tarefa cotidiana.

A- Identifica o Nº do diagrama elétrico

B - ►Existência de mais de uma página/◄ Última página

C – Número da página

D – Indica a continuidade do circuito em outra página

E – Indica o borne do componente na peça

F – Identifica o local a ser encaixado na central

G - Identifica o conector de encaixe na central elétrica

H – Título do diagrama elétrico

I – Indica o circuito não utilizado na página

J- Indica o circuito interno da central de elétrica

L – Indica aposição do componente na central elétrica

M – Representa a central de distribuição elétrica

N – Identificação dos bornes gravados na central elétrica

A – Cabo elétrico

B – Identifica a cor no cabo elétrico

C – interrupção do cabo elétrico

D – Identifica o chicote (vide H)

E – Indica massa na própria carcaça

F – Indicação de ponto massa

G – Grupo de reparo

H – Relação de chicotes utilizados nessa página

I – Representação esquemática do componente

J – Conector de 7 polos ligado no borne 4

K - Conector de 2 polos ligado no borne 1

L – Clipe de união

M – interrupção para evitar o cruzamento de cabos e indica continuação

N – Código das cores dos cabos

4 Interpretação dos diagramas elétricos

Os números inscritos em quadradinhos identificam as interrupções efetuadas para evitar cruzamento dos cabos elétricos e indicam o número do circuito em que o cabo continua. Localizado o número do circuito na parte inferior do diagrama, outro quadradinho na mesma direção indica o número do circuito onde houve a interrupção.

 

Os códigos c1, c2, c3..., c20 apresentados no esquema indicam a quantidade de bornes/polos que os conectores possuem.

Exemplos:
c1 – conector simples 1 borne (pólo)
c1a – conector simples 1 borne (pólo)
c2 – conector duplo 2 bornes (pólos)c ...c20 – conector com 20 pólos

As letras colocadas a direita dos números servem simplesmente para diferenciar um conector do outro, e após a barra, está indicado o borne

Quase todos os componentes elétricos são identificados ao lado do borne de ligação, com números / letras para facilitar na montagem. Nos esquemas elétricos eles aparecem no meio do cabo, próximo ao componente. Alguns conectores possuem gravados ao lado dos bornes (pólos), números / letras que indicam as posições de montagem dos cabos elétricos. No esquema elétrico, os números / letras que estão gravados no conector também aparecem indicados logo após o código do conector.

Exemplo

Quando um componente estiver ligado à massa por uma única linha, significa que a massa do componente é feita em sua própria carcaça.

 

Em alguns componentes os terminais são identificados através de números / letras, como por exemplo: 30, 56, 56a, 56b... Tais números aparecem no esquema elétrico para indicar que a ligação no cabo elétrico pertence a um determinado circuito ou linha.

 

5 Representação simbólica dos elementos

Condutor

Sabe-se que os condutores transportam corrente elétrica da fonte até o consumidor e que o retorno se efetua habitualmente pela massa. A maior parte dos condutores elétricos dos automóveis é constituída de um grande número de pequenos fios de cobre enrolados conjuntamente. Esse tipo de condutor, chamado fio tipo cabinho ou simplesmente cabo, tem a vantagem de ser muito flexível. A flexibilidade dos condutores evita rupturas oriundas das vibrações.

Um revestimento isolante, geralmente em plástico (polivinil, neoprene, etc...) resistente à abrasão, aos agentes químicos, e a temperaturas elevadas protege os contatos entre os fios e à massa. Com a finalidade de facilitar a identificação, os isolantes lisos são de diversas cores, às vezes possuem ranhuras, pontos ou listras de diversas cores.

Num projeto, cada circuito é identificado por um número e cada condutor por uma cor. O número precede ou sucede o código de cor, de acordo com o fabricante. Quando duas abreviações seguem, a primeira designa a cor de base do isolante e a segunda, a cor das listras (R/W : isolante vermelho [red] com listras brancas [white]) ou pontos (R/W D : isolante vermelho [red] e pontos [dots] brancos [white]). As abreviações dos códigos das cores e os números dos circuitos são dados em todos os bons diagramas elétricos.

Os condutores devem possuir um calibre ou uma secção correspondente à intensidade da corrente que elas transportam. As secções dos condutores são regulamentadas por duas normas: American Wire Gage (AWG) e métrica. No caso da norma AWG, em automóvel, as secções são do calibre 0 ao calibre 20. Quanto menor o número do calibre, mais grossa é a secção do fio.

Quanto à classificação métrica, o número se reporta diretamente à secção nominal do condutor expressa em milímetros quadrados (mm2).

 

Na hora da escolha dos condutores, os fabricantes devem também considerar o comprimento total do circuito. Mesmo que pouco, a resistência interna do fio aumenta com o comprimento. A figura abaixo mostra a relação entre o comprimento, o calibre e a intensidade de corrente que circula em um condutor. Além de provocar um aquecimento excessivo, causado pela colisão entre os elétrons e átomos, um condutor com secção inferior às exigências do circuito cria uma excessiva queda de tensão. Essa queda de tensão cria resistências parasitas e prejudica o bom funcionamento do sistema. Os calibres dados na tabela abaixo são estabelecidos em função do condutor na linha de alimentação positiva. A queda de tensão devido ao retorno pela massa não é considerado. Para os condutores de massa isolados, é necessário levar em conta as linhas de ida e volta na hora de determinar o comprimento do condutor

ÁBACO PARA CÁLCULO DE CORRENTE E CABOS

6 Bateria de acumuladores

Um dos elementos mais importantes do circuito elétrico de um veículo é, sem dúvida, a bateria de acumuladores. Nós a encontramos em todos os veículos e, consequentemente em vários projetos elétricos. A figura abaixo mostra as representações esquemática e real da bateria.

7 Dispositivos de proteção

Os circuitos elétricos sempre possuem ao menos um dispositivo encarregado de protegê-lo contra as sobrecargas. Os principais dispositivos de proteção são os fusíveis, os fios fusíveis e os disjuntores.

Fusíveis

Os fusíveis são componentes de proteção do circuito contra a sobrecarga de corrente elétrica, feitos de um fio ou tira fina de material dentro de um receptáculo de vidro ou plástico e se apresentam normalmente em três formas: tubular, pino ou cartucho.

Nos três casos o elemento fusível é constituído por uma lâmina de liga de chumbo que tem a propriedade de fundir-se em uma temperatura relativamente baixa. A inserção da lâmina em um tubo de vidro ou caixa plástica elimina qualquer risco de incêndio na eventualidade de uma sobrecarga provocar a fusão da lâmina.

 

Os fabricantes empregam três formatos de fusíveis do tipo pino, hoje em dia: mini, normal e maxi. Os fusíveis são concebidos para resistir a diferentes intensidades, identificadas através de um código de cor normalizado. A figura abaixo mostra os principais modelos de fusíveis empregados nos automóveis.

Antigamente os fusíveis eram agrupados num porta-fusível sob o painel, denominado por alguns fabricantes de centrais elétricas. O aumento da utilização de acessórios elétricos e a multiplicação de circuitos eletrônicos forçaram os fabricantes atuais a aumentar os dispositivos de proteção. Os automóveis modernos possuem pelo menos duas caixas de portas-fusíveis. Uma situada na cabine e outra sob o capô. A segunda é denominada caixa de distribuição de potência (Power distribuition).

Além dos fusíveis, existem também os disjuntores e relés. Daí a necessidade de compreender bem os diagramas elétricos para identificar rapidamente os fusíveis. Como mostra a figura abaixo, a representação simbólica de um fusível – independente do tipo – contém sempre a capacidade em ampères e, quase sempre, o número de sua localização na caixa de porta-fusíveis.

• Fio fusível

Os fios fusíveis são outro tipo de dispositivo de proteção contra as sobrecargas de corrente elétrica. Sempre posicionados no começo do circuito, são constituídos de um fio de calibre inferior em quatro unidades AWG (American Wire Gage) ao fio condutor do circuito que eles protegem. Por exemplo: um circuito constituído de fio calibre AWG 12 é protegido por um fio fusível de calibre AWG 16.

Para resistir a temperaturas extremas sem se inflamar, o isolante dos fios fusíveis possui características específicas. Os materiais utilizados são normalmente o hypalon ou o silicone. A distinção entre esses dois materiais se efetua observando o isolante.

 

O isolante de hypalon é de cor única ou sólida. O isolante de silicone é normalmente branco e envolto por cobertura de cor diferente. Um fio isolado com silicone pode substituir um de hypalon, o contrário é impossível. Para garantir a proteção esperada, o comprimento de um fio fusível nunca excede 228mm (9 pol).

De acordo com o fabricante, a junção do fio fusível ao fio que ele protegesse faz de maneira permanente, por meio de uma conexão. A figura abaixo mostra dois meios empregados pelos fabricantes para identificar o calibre dos fios fusíveis. No primeiro, o número é inscrito num bloco moldado solidário ao fio e no segundo é utilizado um código de cores. A representação gráfica do fio fusível é, habitualmente, a mesma de um fio convencional, salvo que a menção “fio-fusível” (fuse-link) acompanha o traçado.

A resistência à combustão do isolante do fio fusível dificulta a detecção visual de sua queima. Essa detecção se faz exercendo-se uma tração no fio que se torna elástico após a queima.

Disjuntores

Os disjuntores são utilizados para proteger circuitos expostos a sobrecargas momentâneas. Têm a capacidade de recolocar o circuito em tensão sem substituir nenhuma peça após o desligamento, o que os distingue de outros tipos de dispositivos de proteção. O rearme do circuito se efetua manual ou automaticamente, de acordo com o disjuntor. No disjuntor térmico elemento sensível é uma lâmina constituída pela superposição de dois metais com coeficientes de dilatação diferentes (estrutura bi metálica). A elevação da temperatura, em função da corrente excessiva, provoca um alongamento mais intenso no metal de maior dilatação. A ação entre os dois metais deforma a lâmina e ocasiona a abertura dos contatos.

A circulação de eletricidade é interrompida, a lâmina esfria, fecha os contatos novamente e o ciclo recomeça até nova sobrecarga de corrente.

A título de exemplo, imagine um disjuntor calibrado em função dos faróis originais. A substituição desses faróis por outros mais potentes demanda uma intensidade superior, o que sobrecarrega o disjuntor. A sobrecarga aquece-o, abrindo o circuito após certo tempo. Após um período de resfriamento, o disjuntor restabelece o contato e os faróis se acendem novamente. Os disjuntores de rearme automático protegem, sobretudo, os circuitos que necessitam de um rápido restabelecimento de corrente, como circuito de faróis e de limpadores de para-brisa. Os disjuntores de rearme manual servem para proteger os aparelhos submetidos a intensas flutuações de corrente. A figura abaixo mostra o aspecto real e a representação simbólica de diversos disjuntores.

Há alguns anos os fabricantes recorrem a disjuntores de coeficiente positivo de temperatura (PTC). Esse tipo de disjuntor possui a propriedade de aumentar sua resistência interna quando uma corrente excessiva o atravessa. A resistência elevada limita a corrente e protege o circuito. Disjuntores desse tipo protegem, principalmente, os motores do sistema elétrico de levantamento dos vidros das portas.

8 Dispositivos de comando

Interruptores simples

Todos os circuitos elétricos são comandados por meio de interruptores. A diversidade de circuitos exige a existência de diferentes interruptores, que se distinguem, sobretudo, por sua capacidade, seu número de pólos e seu número de direções. O interruptor simples, unipolar e unidirecional serve somente para fechar e abrir um circuito. Quando o interruptor está fechado acorrente elétrica passa. Ele oferece apenas duas posições: ligado e desligado. Esse tipo de interruptor não responde as exigências de circuitos mais complexos.

Os projetistas utilizam, então, os demais interruptores representados na figura acima. O traço pontilhado unindo os dois contatos móveis (interruptor bipolar) indica a presença de uma ligação mecânica determinando que o deslocamento de um seja obrigatoriamente acompanhado pelo movimento do outro.

Interruptores momentâneos

Os interruptores momentâneos, comumente chamados de pushbutton,agem somente enquanto uma pressão contínua se exerce sobre seus botões de comendo. Esses interruptores se dividem em duas categorias: normalmente abertos (N.A) e normalmente fechados (N.F.). Os da primeira categoria só conduzem a corrente quando uma pressão é exercida sobre o botão. O interruptor de esguicho elétrico do para-brisa pertence a essa categoria. Os da segunda categoria funcionam de maneira inversa. Os diagramas em inglês utilizam as abreviações N.O. paranormally open (normalmente aberto) e N.C. para normallyclosed (normalmente fechado).

Interruptores multipolares de posições múltiplas

Às vezes os interruptores são integrados em um conjunto formado interruptores multipolares de posições múltiplas. A figura abaixo mostra um interruptor de iluminação formado pela agregação de vários elementos diferentes, três interruptores, dois disjuntores e um reostato. O termo “comutador” serve também para designar um interruptor multifuncional, que pode comandar diversas funções, por exemplo, a chave de ignição e partida.

Conectores

Os terminais se encaixam nos conectores. Um único conector pode oferecer suporte a um único terminal ou a vários, sendo denominado conector múltiplo. Existem vários tipos de conectores que são empregados de maneira distinta, conforme a sua aplicação. Os seguintes critérios determinam sua escolha:

• Segurança da conexão e dos cabos;
• Separação segura entre os circuitos de corrente;
• Mínima resistência de conexão para cada circuito;
• Resistência à água;
• Contato elétrico seguro ao conectar e desconectar.

Os manuais de reparos editados pelos fabricantes, geralmente, contêm informações e/ou imagens que permitem a localização dos conectores no veículo. A título de exemplo, observe a tabela abaixo.

Outros símbolos

Além dos elementos essenciais apresentados até agora, os diagramas elétricos contém vários outros componentes representados por símbolos. O conhecimento desses símbolos facilita o desenho e a consulta de projetos elétricos.

 

9 CIRCUITOS DE ILUMINAÇÃO

Todos os veículos possuem um sistema de iluminação, essencial à direção noturna e um sistema de sinalização obrigatório para circular com segurança. Para ser capaz de realizar a manutenção e a reparação no sistema de iluminação é necessário conhecer as características dos diferentes tipos de fontes luminosas (lâmpadas) desse circuito.

Lâmpadas incandescentes

Construção e funcionamento

Apesar da diversidade das lâmpadas existentes no mercado, elas possuem em comum os seguintes elementos: bulbo, filamento, base e terminais de conexão.

O filamento, normalmente fabricado em tungstênio, é levado a incandescência pela passagem de corrente e transforma-se na fonte luminosa. A incandescência é o estado de um corpo que, levado a alta temperatura (porém abaixo do ponto de fusão), torna-se luminoso. Para evitar a oxidação rápida e a destruição do filamento devido a alta temperatura, o bulbo é montado a vácuo ou enchido com um gás inerte como o nitrogênio, o argônio ou xênon. As lâmpadas com gás inerte são mais eficientes que as montadas a vácuo.

Como a fonte de calor vem da circulação da eletricidade, as lâmpadas devem ter pelo menos dois terminais conectados a cada uma das extremidades do filamento (Fig A). Normalmente, uma das extremidades do filamento ligado à parede da base, tem papel de terminal. Algumas lâmpadas têm dois filamentos de intensidade luminosa diferente. Elas têm três terminais, um comum conectado à base e um no início de cada filamento (Fig C). Outras lâmpadas, com um filamento, possuem dois terminais isolados situados na extremidade da base. Essa montagem permite controlar a lâmpada pela linha positiva ou pela linha negativa do circuito.

 

Além de ligar eletricamente a lâmpada ao circuito, a base serve para fixa-lo em um receptáculo. Para evitar confusão entre as lâmpadas, os fabricantes adotam bases com formas e diâmetros diferentes. Os principais meios adotados para fixar a base no receptáculo são: a montagem tipo baioneta através de guias (emperre e gire), a montagem com rosca, a montagem com rosca, para empurrar e a tubular (Fessontype).

A posição assimétrica dos terminais guias da base com baioneta dois pólos das lâmpadas com dois filamentos de intensidade luminosa diferente, força a conexão de um determinado filamento a um circuito específico. Como exemplo, esta medida assegura a conexão do filamento mais potente ao circuito dos piscas e o mais fraco ao circuito de meia luz. Uma substância, resistente à alta temperatura, fixa a base feita com liga de cobre ao bulbo.

Tradicionalmente as bases eram metálicas, entretanto, há alguns anos vários fabricantes de lâmpadas usam bases plásticas (PlasticWedge)ou tubo em vidro (Wedge). O uso do plástico evita a corrosão no receptáculo e reduz a temperatura da base. As lâmpadas em vidro – sem base – têm dois fios que emergem do bulbo e prolongam as extremidades dos filamentos. Dobrados contra o bulbo são os terminais. Além de reduzir o espaço ocupado esta disposição facilita a montagem já que basta uma pressão para inserir no receptáculo.

Quando as lâmpadas estão montadas num circuito impresso, elas são inseridas num adaptador específico. O adaptador é inserido por rotação na placa rígida do circuito impresso. As lâmpadas de vidro são frequentemente usadas em locais pouco ventilados, pois resistem a temperaturas que podem chegar a 230ºC. Nessa temperatura a substância que cola a base no bulbo e a soldagem dos terminais derretem.

Além da forma da base e da quantidade de filamentos as lâmpadas são classificadas segundo a potência em Watts, a intensidade em ampères (para uma determinada tensão nominal) e o fluxo luminoso. A potência em Watts e a intensidade em ampères são semelhantes às unidades apresentadas durante o estudo dos princípios de eletricidade. A unidade de medida para o fluxo luminoso é a “candela” (Candlepower) ou o “lúmen”. Como a candela servia para a iluminação antes da invenção da lâmpada incandescente, a medição era realizada segundo essa referência.

A unidade correspondente aproximadamente à iluminação de uma candela observada na horizontal em uma determinada distância. Para converter as candelas em lúmens, basta multiplicar por 12,57. Assim, 12,57 lúmens equivalem a uma candela. A tensão (em volt) é um dado importante para as lâmpadas incandescentes: como por exemplo, uma queda de tensão de 2 volts reduz a iluminação em 2 elevado a 3,4 lúmens.

Para facilitar a conversão os fabricantes identificam as lâmpadas segundo características idênticas por um número específico homologado pelo American National Standards Institute (ANSI). Essas características incluem a forma do bulbo, as dimensões e as posições dos filamentos em relação à base. Como exemplo, uma lâmpada nº 1157 possui dois filamentos ( um de 32 candelas e o segundo de três candelas), uma base com dois pólos (D.C. Index) e o diâmetro do bulbo é de 1 polegada. O diâmetro e a forma do bulbo são expressos por um código formado por uma letra e um número. A letra significa a forma e o número corresponde á quantidade aproximada de 1/8 polegadas. Como por exemplo, o código S-8 designa um bulbo de forma esférica e um diâmetro de 8x1/8 po = 1 polegada.

Tubo néon

Alguns fabricantes usam tubo néon como fonte luminosa para a meia luz dianteira, traseira e para a luz de freio dos automóveis. A superioridade do tubo néon na luz de freio é que ela pode iluminar mais rápida (aproximadamente 198 milésimos de segundo) que uma lâmpada incandescente. Para uma velocidade de 97 Km/h, esse 198 milésimos de segundo dão ao motorista que vem atrás a possibilidade de diminuir a distância de parada em 5,25 metros em média, o que reduz os riscos de colisão traseira.

Outras vantagens ligadas ao uso do tubo néon são: maior vida útil, menor consumo de eletricidade e menor espaço ocupado, pois a difusão de iluminação é realizada sem a necessidade de recorrer a um refletor profundo. O tubo de néon convencional deve, entretanto, ser modificado para funcionar com uma corrente contínua. A intensidade luminosa permanece constante para tensões que variam de 9 a 16 volts.

Dependendo das necessidades dos desiners, o tubo néon pode apresentar diferentes formas para se adaptar à lanterna. Dependendo da necessidade de sua posição de montagem, eles podem apresentar iluminação vermelha ou laranja.

Diodo emissor de luz (LED)

O diodo emissor de luz (LED) é usado para luz de advertência tanto no painel de instrumentos como nos diversos interruptores. Vários fabricantes os usam como fonte luminosa para a terceira luz de freio na tampa do porta-malas ou no aerofólio. O diodo eletroluminescente está alojado num espaço reduzido e resiste melhor que o filamento da lâmpada incandescente ao choque durante ao fechamento da tampa. Além disso, o tempo entre o momento em que o pedal de freio é acionado e sua iluminação é menor do que o de uma lâmpada incandescente.

O diodo emissor de luz, identificado comumente como DIODO LED, representado pelo símbolo apresentado na figura 1. Os diodos LED são encontrados com as mais diversas formas e dimensões. A figura 2 apresenta alguns tipos construtivos de diodos LED.

O catodo (lado negativo) de um diodo LED pode ser identificado por um “corte” na base do encapsulamento (fig. 3).

Fibra ótica

Às vezes os fabricantes utilizam fibra ótica para iluminar locais de difícil acesso a partir de uma fonte luminosa. A fibra ótica não produz luz, ela serve somente para transportá-la. A localização da fonte luminosa é normalmente prevista para facilitar a troca da lâmpada.

Então, é importante consultar o manual do fabricante para evitar retirar inutilmente elementos localizados próximo ao local iluminado enquanto a fonte pode estar situada mais longe. A flexibilidade da fibra ótica permite inseri-la em locais inacessíveis às lâmpadas clássicas e criar efeitos luminosos interessantes. Uma fibra ótica plástica é formada por um núcleo em polimetacrilato de metila, de forma cilíndrica com alto índice de refração e uma capa ótica de índice menor. A transmissão dos raios luminosos na fibra é feita segundo o princípio de reflexão total, ou seja, o raio se reflete do núcleo a capa. A reparação de uma fibra ótica cortada é feita com um material especial e não por uma emenda clássica.

Lâmpadas halogenas.

As lâmpadas halogenas têm os mesmos elementos que as lâmpadas incandescentes mencionadas até agora. A diferença está na pressão interna maior e do gás inerte contido no bulbo que é criptônio misturado a um halogênio (iodo, bromo ou flúor). A pressão do gás dentro do bulbo é de três a quatro vezes superior à pressão atmosférica, o que pode provocar a explosão do bulbo e a projeção de estilhaços de vidro se ele aquecer demais ou sofrer uma pancada.

 

Os fabricantes devem limitar a temperatura do filamento, pois a vaporização do tungstênio escurece o interior do bulbo e reduz a vida útil do filamento. Graças à presença do halogênio, a ação do calor exalado pelo filamento, provoca dentro do bulbo, um ciclo halogênio que regenera o filamento. As fases desse ciclo são:

• A alta temperatura vaporiza parcialmente o filamento, e os átomos de tungstênio se dirigem à parte do bulbo onde a temperatura é de 400 a 600ºC;

• Nessas temperaturas, a combinação dos átomos do halogênio com o tungstênio produz iodeto de tungstênio;

• As moléculas de iodeto de tungstênio circulam por convecção dentro do bulbo até o momento em que encontram o filamento;

• Em contato com o filamento, devido à alta temperatura (superior a 2000ºC), as moléculas de iodeto de tungstênio se fracionam e os átomos de tungstênio se acumulam no filamento. Os átomos de halogênio se misturam novamente aos átomos de tungstênio e o ciclo recomeça.

O ciclo halogênio permite a circulação de uma corrente maior no filamento da lâmpada sem reduzir sua vida útil; o ciclo atinge então uma temperatura superior, o que aumenta o fluxo luminoso. A eficiência luminosa das lâmpadas halogenas é de 22 a 26 lúmen/watt enquanto a das lâmpadas incandescentes é de 10 a 18 lúmen/watt. Além disso, a vida útil das lâmpadas halogenas excede a das lâmpadas não halogenas, e o bulbo permanece claro, pois o tungstênio vaporizado se acumula novamente no filamento.

Para que os bulbos suportem as temperaturas elevadas sem amolecer, são produzidos em quartz ou em vicors. Esses dois elementos são mais permeáveis a luz que o vidro, e consequentemente mais sensíveis à sujeira, o que exige precauções durante a manipulação deste tipo de bulbo. Eles são submetidos a temperaturas muito elevadas, assim a dilatação da parte suja será diferente da dilatação da parte limpa, o que pode provocar o rompimento do bulbo.

Dependendo do continente de origem do projeto do veículo, Europa ou América, a forma da base e a disposição dos terminais das lâmpadas halogenas são diferentes. A base das lâmpadas europeias tem base plástica com anel o´ring. As lâmpadas halogenas são usadas em faróis de serviço e faróis auxiliares ou luzes de neblina.

 

Circuito de ré

As luzes de ré, de cor branca, acendem automaticamente quando a marcha a ré é engatada para iluminar a traseira do veículo. Essas lâmpadas são protegidas por um fusível sob tensão, somente quando o circuito da chave de ignição está fechado (ON). O interruptor unipolar unidirecional das lâmpadas de ré está montado na transmissão automática, normalmente perto do seletor de funções, ou na caixa de câmbio manual.

10 Circuito do farol e luzes de posição

Faróis

Dirigir à noite com segurança exige um sistema de iluminação potente para iluminar o chão e bem orientado para reduzir o risco de ofuscar a quem vem em sentido contrário. Para responder a essa necessidade, todos os carros devem obrigatoriamente possuir um sistema de iluminação com luzes alta e baixa. A potência e a orientação dos faróis é objeto de uma lei regida pelos órgãos regulamentadores de trânsito.

Desde a invenção do automóvel, vários dispositivos foram adotados. Nessa parte você aprenderá a conhecer os faróis selados e os blocos óticos.

Faróis selados (SealedBeam)

Antes da modificação da regulamentação de 1983, a iluminação obrigatoriamente era feita com faróis selados (SealedBeam). Essa regulamentação fixou as dimensões e a quantidade de faróis que um fabricante deve instalar nos veículos novos. A popularidade dos faróis selados diminuiu gradualmente e hoje está em desuso.

Normalmente, um farol selado é feito por uma caixa de vidro hermético, dentro da qual há um ou dois filamentos de tungstênio. A caixa montada à vácuo ou à gás inerte, combina os papéis de lente e de refletor. De fato, na presença de oxigênio, o filamento aquecido se deterioraria em alguns instantes, pois sua temperatura ultrapassa 2000ºC. Quando o filamento do farol selado queima, deve-se trocar toda a unidade.

A conexão dos faróis selados no circuito é feita por terminais machos cuja forma e a disposição, são regulamentadas. Como o conjunto é fabricado com vidro, um conector serve para ligar à massa e os outros, os filamentos aos circuitos.

Refletores

A superfície interna de forma parabólica é coberta com uma fina camada de prata ou de alumínio polido que reflete a luz. A forma parabólica dos refletores concentra os raios luminosos e os projeta paralelamente no eixo do farol. Muitos faróis selados têm luz alta e luz baixa; a orientação diferente dos feixes provém da posição do filamento no centro do refletor parabólico. Podemos encontrar os dois filamentos colocados um em cima do outro ou paralelos. A luz baixa é colocada acima da linha de centro, levemente descentralizada para a esquerda. Essa posição do filamento de luz baixa dirige quase todos os raios para baixo em direção ao chão com um leve desvio para a direita.

Lente

Você já deve ter observado o aspecto particular apresentado por uma lente de farol selado. A superfície interna da lente tem prisma ou estrias. Os prismas desviam uniformemente os raios refletidos, e as estrias desviam progressivamente os raios em duas direções. A forma e a disposição destas figuras são frutos de longos trabalhos de pesquisa. O conjunto dos desenhos específicos gravados na lente orienta os raios refletidos para o lado e para baixo a fim de reduzir o ofuscamento, sem perda de luminosidade. Uma técnica semelhante é usada no desenho das lentes que cobrem a meia luz. A lente de todos os faróis selados possui obrigatoriamente três saliências, elas servem de referência para a montagem de aparelhos de regulagem dos faróis. A tendência atual é no sentido de uma redução geral do peso favorecida pelo uso de materiais plásticos para a lente e para o refletor.

Blocos óticos

Progressivamente, a partir de 1983, fabricantes trocaram os faróis selados por conjuntos chamados blocos óticos. Eles são concebidos especificamente para se adaptar a um modelo específico de automóvel. A forma se adapta à carroceria, o que permite melhorar a aerodinâmica dos carros. A fonte luminosa dos blocos óticos é uma lâmpada halogena com um ou dois filamentos. A base dessas lâmpadas possui uma guia flagelada que permite situar o filamento num ponto específico do refletor.

A lente de alguns blocos óticos é completamente transparente, isso é possível porque os refletores são concebidos para um veículo específico e usam refletores assimétricos. A lente dos blocos óticos possuem referências para o processo de alinhamento dos faróis; uma medida horizontal e uma medida vertical, por exemplo, 21H-29V, que serve como referência para a regulagem dos adaptadores da regulagem de faróis (regloscópio). Os blocos óticos sem saliência possuem níveis para regular diretamente a orientação correta dos faróis.

11 Funcionamento do circuito

O bom funcionamento dos faróis é essencial para a segurança dos motoristas, pois permite a eles beneficiarem-se de boa visibilidade na estrada durante a direção noturna. As luzes de presença permitem ao motorista perceber a existência de outro veículo. Para as conexões dos cabos do circuito elétrico sejam facilmente identificadas, são utilizadas normas para designação de bornes, como por exemplo, a norma europeia DIN 72552. Na tabela abaixo estão representados os códigos utilizados para a designação dos bornes do sistema de iluminação automotiva.

Em determinada época, o circuito de faróis de todos os veículos tinham os mesmos elementos conectados de maneira idêntica. Porém, ocorreram tantas mudanças que a descrição de um circuito norte-americano ou asiático não pode ser usada como modelo para todo mercado mundial. Como mencionado, o circuito de faróis é objeto de uma regulamentação específica e todos os automóveis devem obrigatoriamente luz alta e luz baixa.

A luz está baixa quando o feixe está abaixado na estrada e desviado para a direita do veículo.

 

A direção do feixe evita ofuscar os motoristas em sentido oposto e garante uma boa visão da beira da estrada e das placas de sinalização de trânsito. A luz está alta quando o feixe está projetado mais longe na estrada e no eixo do veículo. Os elementos essenciais desse circuito são os faróis e as lâmpadas (apresentadas no capítulo anterior), o interruptor de iluminação, o comutador de luz baixa, os relés, os dispositivos de proteção e os módulos eletrônicos.

Interruptor do farol

O interruptor do farol, tipo multipolar e multiposição, é o centro de controle desse circuito. Chama-se “multipolar”, pois ele comanda habitualmente mais de um circuito e “multiposição” porque permite selecionar duas posições ou mais. O interruptor do farol, de vários carros, comanda somente a iluminação externa. O controle da luz do teto e da intensidade da iluminação do instrumento combinado é assegurado por outros comutadores. Em vários modelos de veículos recentes, toda a corrente que circula nos filamentos dos faróis não atravessa mais o interruptor do farol; ele serve para comutar um relé. Então é importante estudar cada esquema do circuito de faróis para conhecer as especificidades de cada um dos modelos ou das marcas de veículo.

Chave comutadora de luz alta e baixa

A chave comutadora de luz alta e baixa é um interruptor do tipo unipolar bidirecional comandado manualmente e situado na extremidade ou em direção ao centro da coluna de direção. Quando ele está montado na extremidade, seu comando é realizado diretamente pelo manípulo em outra posição, sendo uma haste que transmite o movimento da alavanca ao comutador. O terminal de entrada está ligado ao interruptor do farole dois outros alimentam a luz alta e baixa. Um fio liga o circuito da luz alta à uma lâmpada de advertência de cor azul no painel de instrumentos.

12 CIRCUITOS DE SINALIZAÇÃO

Todos os carros possuem obrigatoriamente três circuitos de sinalização: direção, advertência e parada (stop). Esses circuitos servem para avisar aos outros usuários da estrada as intensões e as manobras do motorista do veículo. O bom funcionamento dos indicadores direcionais e alerta é essencial para uma direção segura. O departamento de trânsito rege a quantidade, a cor, a disposição e a cadência do pisca. Esses circuitos têm vários elementos comuns. Alimentam as mesmas lâmpadas; entretanto, cada um tem seu próprio interruptor e, dependendo dos circuitos, um relé de pisca comum ou um por circuito.

 

Relé de pisca

Os relés de pisca são dispositivos que transformam a corrente contínua da bateria em corrente intermitente (pulsante). Normalmente, funcionam segundo três princípios: termostático, magnético ou eletrônico. No dispositivo termostático, é a deformação de uma haste bimetálica pelo calor que comanda a abertura ou o fechamento de um contato. O calor gerado depende diretamente da intensidade da corrente que circula nas lâmpadas do circuito.

No dispositivo magnético, um relé é o elemento principal desta central; a ação do condensador anula os campos magnéticos da bobina e provoca a abertura dos contatos. Enfim, os dispositivos eletrônicos, que funcionam sem nenhuma peça móvel, contam com a interação de dois transistores para fechar e abrir o circuito. Além disso, são insensíveis à grandes variações de temperatura e pressão.

Interruptor dos indicadores direcionais e alerta

O interruptor dos indicadores direcionais está sempre na extremidade da coluna de direção e, contém frequentemente, o de alerta. Todavia, alguns fabricantes usam um interruptor totalmente independente para o circuito do alerta. A cada dia, mais carros possuem interruptores multifuncionais, o interruptor da coluna de direção do pisca acumula então diferentes tarefas. O interruptor do pisca possui um dispositivo mecânico encarregado de desligar automaticamente o circuito após a curva.

O contato entre o came do interruptor e um came solidário do volante aciona o mecanismo e traz a alavanca de volta à sua posição neutra. Esse dispositivo só funciona após um grande deslocamento do volante. Em função desta condição, alguns fabricantes integram um circuito eletrônico que desarmam automaticamente o pisca, após um quilômetro de funcionamento sem interrupção.

13 Diagrama do circuito da luz de freio

As luzes de freio têm um papel muito importante no que diz respeito à segurança de direção. São comandados por um interruptor fixado na pedaleira, na extremidade do pedal de freio ou diretamente no tubo do cilindro-mestre. A regulagem desse interruptor é particularmente importante, pois deve comandar o acendimento das luzes de freio assim que o pedal de freio é encostado. O menor espaço de tempo no acendimento das luzes de freio reduz o tempo de reação do motorista que está atrás e aumenta os riscos de colisão. Esse interruptor unipolar está sempre sob tensão, também serve para transmitir um sinal ao regulador de velocidade (cruisecontrol) ou ao sistema ABS.

Na grande maioria dos veículos, as lâmpadas de freio estão combinadas com as luzes de presença. Reconhecem-se os veículos dessa categoria pela presença de uma lente de cor âmbar.

Diagrama do circuito das luzes direcionais e alerta

• Indicadores de direção (Setas)

Em posição neutra, o circuito entre o relé do pisca (pino 49a) e as lâmpadas dianteiras e traseiras está aberto. A linha 49 do relé do pisca está sempre alimentada quando o comutador de ignição está ligado ou em partida. No deslocamento da chave de seta para sinalizar uma curva à esquerda, por exemplo, o deslocamento de contatos no interior estabelece um circuito entre o terminal ligado ao pino 49a do relé e a saída L (left) das lâmpadas dianteira esquerda, traseira esquerda e a lâmpada de advertência do instrumento combinado. As lâmpadas do lado esquerdo piscam enquanto o interruptor permanecer nesta posição.

• Pisca-alerta Comandado

por um botão específico, esta função faz piscar simultaneamente as lâmpadas dianteiras e traseiras do veículo. Esse botão estabelece, simultaneamente, o contato entre o terminal ligado ao pino 49a do relé e as saídas L (left) e R (right) da chave de seta. As lâmpadas do lado direito e esquerdo piscam enquanto o botão do alerta estiver nesta posição e uma lâmpada de advertência distinta ou então a das setas indicam ao motorista o acionamento do alerta.

Diagramas elétricos

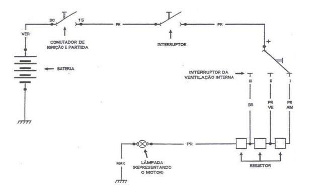
Circuito de ventilação interna

Manutenção do motor de partida

Apesar da longa durabilidade, esse componente requer manutenção, pois pode sofrer danos externos e desgastes de uso. Veja quais são os principais problemas e como corrigi-los. O motor de partida ou motor de arranque, como também é conhecido, tem o objetivo de colocar em funcionamento o motor de combustão de um veículo, que não possui força própria para começar a girar. Ele é acionado eletricamente com ajuda da bateria, transformando a energia elétrica em energia mecânica, impulsionando o motor para a partida e garantindo um torque inicial elevado, já que neste momento existe resistência ao movimento, por causa da compressão e atrito do pistão, biela, árvore de manivelas, mancais, viscosidade do óleo e temperatura do motor. As resistências saindo maiores quando o motor está frio.

É formado, basicamente, por uma carcaça de aço em formato cilíndrico, com mancais nas extremidades que apóiam o induzido - um conjunto de lâminas cilíndricas que giram e têm ranhuras axiais. No mancal, do lado do coletor, está localizado o porta-escovas. As escovas são tensionadas por molas especiais contra os coletores do induzido, transmitindo a corrente elétrica. Na parte externa do mancal está o pinhão, empurrado por um garfo ao comando da chave magnética. A diferença entre os motores de partidas para motores ciclo Otto e Diesel é a capacidade (potência). "Para acionar o motor de um caminhão é necessário muito mais potência do motor de partida do que o motor de um carro. Em geral, veículos com maior taxa de compressão precisam de maior potência na hora de dar a partida".

Funcionamento

1° Estágio
- Posição de repouso
- Motor de partida sem corrente
- A mola da chave magnética mantém a ponte de contato na posição de repouso

2° Estágio
Estágio de ligação 1: Chave de partida é acionada. A bobina de atracamento, a bobina de retenção da chave magnética, a bobina de campo e o induzido recebem corrente elétrica.

- O induzido começa a girar lentamente e o pinhão engrena na cremalheira

2° Estágio A -

Estágio de ligação 2: A ponte de contato da chave magnética liga imediatamente a bobina de campo e o induzido. -
O pinhão procura engrenar-se.

3° Estágio
- Alavanca de comando na posição final. Pinhão engrenado.
- A ponte de contato liga imediatamente a bobina de campo principal. - O motor de partida tem torque total e o motor do veículo é acionado.

14 Manutenção

Por sua concepção e funcionamento, o motor de arranque não apresenta danos, principalmente em veículos novos. "É um componente que funciona somente na hora da partida e depois não trabalha mais, em compensação é o maior consumidor de bateria, já que trabalha sem a ajuda do alternador". Uma dica para seu cliente é que tome cuidado na hora da partida, não esquecendo de voltar a chave à posição inicial e não forçar se o carro não pegar. Passar mais de 10 segundos forçando o 2ª estágio da chave na ignição gera muito esforço e superaquecimento, favorecendo a queima do induzido e seu campo. Outro erro do proprietário é acionar a chave quando o motor já está ligado. Isso gera sobre rotação, trazendo danos para todo o conjunto. Batidas ou pancadas na carcaça causam avarias e mau contato

Como detectar os defeitos

Se o motor não pegar ao dar a partida, o reparador deve checar outros itens como: bobina, combustível, ignição, enfim, problemas na linha de combustível e de ignição do veículo, que são os mais comuns de ocorrerem. O mais importante é que saiba detectar se o problema é realmente no componente. "Na manutenção, a maioria dos possíveis defeitos são causados por ataques externos ou de uso inadequado por parte de alguns condutores". Um motor de partida utilizado na aplicação correta pode ser substituído por outra marca, mas os componentes internos devem ser do mesmo fabricante. Existem casos onde é possível usar uma peça remanufaturada da própria fábrica.