Eletrônica básica

Eletrônica Básica

1 Materiais semicondutores

O termo semicondutor sugere algo entre os condutores e os isolantes, pois o prefixo “semi” é aplicado a algo no meio, entre dois limites. A propriedade atribuída aos semicondutores que define sua relação com isolantes e condutores é a condutividade elétrica, que é a capacidade de conduzir cargas elétricas (corrente elétrica) quando submetido à uma diferença de potencial elétrico (tensão elétrica). A resistência que um material apresenta ao fluxo de uma corrente elétrica (resistividade elétrica) é inversamente proporcional à sua condutividade elétrica. Enfim, um semicondutor é um material que possui valores típicos de condutividade elétrica e resistividade elétrica numa faixa entre os extremos definidos por materiais considerados isolantes e um condutores.

Apesar de se conhecer bastante o comportamento dos condutores e dos isolantes, as características dos materiais semicondutores como Germânio e Silício são relativamente novas. Em eletrônica estes dois materiais têm recebido a maior parcela de atenção no desenvolvimento de dispositivos a semicondutores. Nos últimos anos o uso do Silício tem aumentado muito, principalmente na fabricação de chips para microprocessadores.

Algumas das qualidades raras do Germânio e do Silício são devidas às suas estruturas atômicas. Os átomos de ambos os materiais formam um modelo bem definido que se repete por natureza. Um modelo completo é chamado cristal e o arranjo repetitivo dos átomos, de estrutura cristalina. Examinando a estrutura do átomo em si pode-se notar como ela afeta as características do material. Quando se analisa a estrutura do Silício e do Germânio observa-se que os dois possuem quatro elétrons na última camada (camada de valência).

O potencial necessário para remover qualquer elétron da camada de valência é menor que o potencial para remover qualquer outro elétron da estrutura. Em um cristal de Silício ou Germânio puro estão ligados a quatro outros átomos vizinhos, conforme figura abaixo (cristal de Silício). Tanto o Silício como o Germânio são denominados átomos tetravalentes, pois os dois possuem quatro elétrons na camada de valência.

O tipo de ligação química que ocorre entre átomos de semicondutores é a ligação covalente. Na ligação covalente não há doação de elétrons de um átomo para o outro, como ocorre na ligação entre átomos de Sódio e de Cloro, que forma o sal (ligação iônica). As ligações covalentes são mais fracas que as ligações iônicas, o que favorece a liberação de elétrons livres, necessários para a circulação de corrente elétrica. A necessidade de se quebrar ligações entre átomos de semicondutores para a liberação de elétrons, mesmo que sejam ligações fracas (covalentes), é uma situação bem menos favorável à circulação de corrente elétrica do que em condutores, onde a liberação de elétrons ocorre com muito mais facilidade.

É possível que materiais semicondutores absorvam, a partir de fontes externas, energia suficiente para quebrar ligações covalentes, o que aumenta o número de elétrons livres e diminui a resistividade elétrica do material. Assim sendo, os semicondutores puros têm uma variação muito grande de sua resistividade com a variação da temperatura, luz ou qualquer outro tipo de energia irradiante e quanto maior for a temperatura maior será o numero de elétrons livres na camada de valência e nos metais isto acontece ao contrário.

Materiais intrínsecos e materiais extrínsecos

Quando um material semicondutor é totalmente puro, ele é chamado de material intrínseco e quando ele possui alguma impureza ele é chamado de material extrínseco. Os materiais extrínsecos possuem impurezas adicionadas de propósito, o que altera a sua estrutura atômica, alterando sua resistividade. Os materiais extrínsecos podem ser do tipo N ou do tipo P.

2 Material extrínseco tipo p

Quando se adiciona uma impureza do tipo trivalente (três elétrons de valência), como o Boro, Gálio e o Índio, ao cristal puro de um material semicondutor, o material resultante passa a ter um número insuficiente de elétrons para completar as ligações covalentes. A vaga resultante é chamada de lacuna e é representada por um pequeno circulo ou sinal positivo, devido a ausência de carga negativa. Como a vaga resultante aceita facilmente um elétron livre, as impurezas acrescentadas são átomos receptores ou aceitadores. As lacunas são chamadas portadores majoritários de um material do tipo P, pois elas tendem a absorver elétrons livres, o que acaba definindo um número muito maior de lacunas que de elétrons livres no material do tipo P. Os elétrons livres eventualmente presentes em um material do tipo P são denominados portadores minoritários de carga.

3 Material extrínseco tipo n

O material tipo N é feito através da adição de átomos que possuem cinco elétrons na camada de valência (pentavalentes) como o Antimônio, Arsênico e o Fósforo. Com o acréscimo destes átomos ao material intrínseco o material resultante terá um elétron livre para cada átomo de material dopante. As impurezas com cinco elétrons na camada de valência são chamadas de impurezas doadoras. No material do tipo N, os portadores majoritários de carga são os elétrons (maior número), e os minoritários são as lacunas, o contrário do que ocorre para o material do tipo P.

4 Diodos

Junção pn

Quando se juntam em uma única pastilha dois materiais extrínsecos um do tipo P e outro do tipo N forma-se uma junção PN comumente chamado de diodo. No instante de formação o lado P tem muitas lacunas (falta de elétrons) e o lado N tem excesso de elétrons. Devido à força de repulsão que ocorrem entre cargas semelhantes, os elétrons em excesso migram do lado N para o lado P de forma a ocupar as lacunas deste material. Esta migração não é infinita pois os elétrons ocupam as lacunas do material P próximo a região de contato formando uma zona de átomos com ligações covalentes estabilizadas (não possuindo elétrons livres ou lacunas). Esta região de certa estabilidade é chamada de camada de depleção.

Barreira de potencial

Além de certo ponto, a camada de depleção atua como uma barreira impedindo a difusão de elétrons livres através da junção. A intensidade da camada de depleção aumenta até que seja estabelecida uma estabilidade de movimento de elétrons através da camada de depleção. A diferença de potencial através da camada de depleção é conhecida por barreira de potencial, que para o Silício é de 0,7 V e para o Germânio é de 0,3 V.

Junção pn polarizada diretamente

Na polarização direta de uma junção PN, o positivo da fonte é ligado ao material tipo P e o negativo é ligado ao material tipo N. Quando isto acontece o terminal negativo repele os elétrons livres do material N em direção a junção, que por terem energia adicional podem atravessar a junção e encontrar as lacunas do lado P. Conforme os elétrons encontram as lacunas eles se recombinam com as lacunas sucessivamente, continuando a se deslocar para a esquerda através das lacunas até atingirem a extremidade esquerda do material P, quando então deixam o cristal e fluem para o pólo positivo da fonte.

Junção pn polarizada reversamente

Quando se liga o pólo positivo da bateria ao lado N diz-se que a junção está reversamente polarizada. Quando isto acontece os elétrons livres do lado N se afastam da junção em direção ao pólo positivo da bateria; as lacunas da região P também se afastam da região de junção, aumentando a largura da camada de depleção. Com o aumento da tensão reversa aplicada sobre a junção, mais larga se torna a camada de depleção. A camada só pára de aumentar quando a tensão sobre a camada de depleção for igual a tensão da fonte. O aumento da camada de depleção não é infinito pois na maior parte das vezes ela se rompe destruindo o componente. Somente alguns tipos de diodos especiais podem conduzir reversamente polarizados sem que haja danificação da junção. Quando polarizada reversamente, uma junção PN possui uma corrente de fuga na sentido reverso produzido pelos portadores minoritários. Os diodos de silício possuem esta corrente muito menor que os diodos de germânio, por isto o Silício tem uso preferencial.

Tensão de ruptura

Se a tensão reversa for aumentada haverá um valor chamado de tensão de ruptura em que o diodo retificador (feito para só conduzir em um sentido) passa a conduzir intensamente no sentido reverso. Isto ocorre devido à liberação progressiva de elétrons de valência causada pela corrente de fuga. Este movimento chega a um ponto em que passa a existir uma avalanche de elétrons em direção ao pólo positivo destruindo o componente. Diodos comerciais para retificação quase sempre possui tensão reversa acima de 50 V. (VRRM - tensão reversa repetitiva máxima).

Diodo ideal

O diodo semicondutor é utilizado em uma gama muito grande de aplicações em sistemas de eletrônica atualmente. O caso mais clássico é em circuitos retificadores (conversores de tensão CA em tensão CC). O diodo ideal é um componente ilustrativo que serve para entender com facilidade o funcionamento de um diodo real. No gráfico abaixo, no lado esquerdo da curva ocorre a polarização reversa da junção. Supõe-se que quando operando na lado direito da curva o diodo conduza intensamente, quando operando do lado esquerdo ele não conduza, idealmente não possuindo corrente reversa.

Diodo real

O diodo real é bem diferente do diodo ideal pois apresenta uma queda de tensão quando polarizado diretamente, além de uma corrente de fuga no quando polarizado no sentido reverso.
A corrente de fuga possui tipicamente baixo valor e depende muito da temperatura, necessitando por isto que se tome cuidados especiais quando for utilizar retificadores (diodos). Existe ainda uma tensão reversa máxima que se pode aplicar sem destruir o diodo pelo efeito de avalanche, representado pelo aumento repentino da corrente de fuga.

5 Retificadores monofásicos

A maioria dos circuitos eletrônicos necessita de uma tensão de alimentação em corrente contínua para trabalhar adequadamente. Como a tensão residencial e industrial são do tipo alternada, deve-se converter tensão alternada (CA) em tensão contínua (CC), que é a função básica dos circuitos retificadores.

A onda senoidal

A tensão de alimentação residencial e industrial é uma onda senoidal de baixa frequência, o que permite uma grande eficiência e praticidade na geração, transmissão e distribuição de energia elétrica. Uma onda senoidal é um sinal periódico, pois possui um ciclo, ou período, de variação que se repete indefinidamente. Podemos representar os valores que uma onda senoidal apresenta ao longo de um ciclo pelo seguinte gráfico.

Tensão de pico

Os valores de pico positivo ou negativo de uma senoide é o máximo valor que a onda alcança durante a excursão dos semiciclos positivo ou negativo.

Valor de pico a pico (VPP)

O valor de pico a pico de qualquer sinal é a diferença entre seu valor máximo e o seu valor mínimo. O valor de pico a pico de uma senoide é o dobro do valor de pico PP VP V = 2

Valor médio (VM)

O valor médio de um sinal periódico é igual à média aritmética de todos os valores que este sinal assumiu em um ciclo. Como as senoides apresentam simetria perfeita em seus valores negativos e positivos, seu valor médio é nulo.

Valor eficaz( VEF ou VRMS )

Quando uma tensão senoidal é aplicada a um resistor ela força a circulação de uma corrente também senoidal sobre o resistor. O produto da tensão instantânea pela corrente dá a potência instantânea. Como o resistor dissipa uma quantidade de calor médio constante a temperatura se comporta como se o resistor estivesse sendo alimentado por uma tensão contínua. O valor eficaz de uma onda senoidal é igual ao valor contínuo que produz a mesma quantidade de calor que a onda senoidal EF RMS VP V = V = 0,707

Transformadores

São equipamentos elétricos que tem a função de transformar grandezas elétricas, além de fornecer isolamento elétrico entre seus enrolamentos. Como os valores de tensões utilizados na maioria das vezes em eletrônica é inferior ao valor de distribuição das concessionárias de energia, faz-se o uso de transformadores com fim de reduzir o valor da tensão da rede.
A relação fundamental de um transformador é a relação de transformação α, que especifica em quantas vezes foi alterada a tesão do secundário em relação à do primário. O funcionamento de um transformador ideal pode ser entendido pelas seguintes relações entre tensão, corrente e potência a seguir. Nestas relações, V1, I1, e P1 são respectivamente tensão, corrente e potência elétricas no primário do transformador (enrolamento ligado à rede) e V2, I2, e P2 definidas da mesma forma para o secundário do transformador (enrolamento ligado à carga):

Retificador monofásico de meia onda

É o retificador mais simples que existe, e sua aplicação está restrita a baixa potência servindo apenas para uso em pequenas fontes de alimentação, tensão de referência, etc. Seu uso é muito restrito devido ao retificador possuir uma tensão média baixa e um alto nível de ondulação na tensão na carga (ripple).
Este circuito é composto só por um diodo que conduz somente em um semiciclo positivo da tensão de entrada.

Formas de onda das tensões

Equações características

As seguintes equações definem os principais parâmetros de projeto de um retificador monofásico de meia onda

Tensão média na carga ( VMRL )

É a tensão que aparece aplicada sobre a carga. Sendo contínua (unidirecional), deve ser medida com voltímetro na escala CC. Seu valor pode ser calculado por qualquer uma das seguintes equações:

Tensão reversa no diodo ( PIV )

É a tensão que aparece sobre o diodo quando ele está reversamente polarizado.PIV = VMAXin

Corrente média no diodo (IMRL)

No retificador de meia-onda, a corrente média no diodo é igual à da carga, pois ambos formam um circuito série.

Frequência de ondulação da tensão na carga (fond)

No retificador de meia-onda, a forma de onda da tensão na carga é contínua e pulsante, possuindo a mesma freqüência da rede.

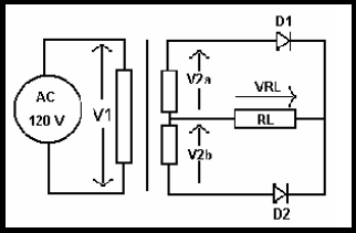
Retificador monofásico de onda completa com tomada central

É o retificador mais usado para baixas tensões e baixas potências. Utiliza somente dois diodos, porém necessita de um transformador especial que causa uma defasagem de cento e oitenta graus nas tensões de saída. Este retificador apresenta um inconveniente que é a elevada tensão reversa sobre os diodos, mas seu uso é disseminado em eletrônica geral de baixas tensões.

Circuito elétrico

Funcionamento

No semiciclo positivo o diodo D1 está polarizado diretamente e entra em condução permitindo a circulação da corrente pela carga. Neste mesmo semiciclo o diodo D2 está polarizado reversamente, devido à tensão V2b estar negativa com referência à tomada central do transformador. Quando o diodo estiver polarizado reversamente deve-se notar que a tensão a que ele fica submetido é diferença entre V2a e V2b. No semiciclo negativo (quando a tensão V2a fica negativa) o diodo D1 fica reversamente polarizado, portanto, agora é ele que esta submetido a tensão das duas fases. O diodo D2 estará diretamente polarizado, permitindo assim a circulação de corrente pela carga. Pode-se notar que a corrente da carga hora é fornecida por um diodo, hora é fornecida por outro diodo.

Comportamento do retificador

Formas de ondas das tensões no circuito

Tensão média na carga (VMRL)

Tensão reversa nos diodos (PIV)

Corrente média na carga (IMRL)

Corrente média nos diodos (IMD)

Em retificadores de onda completa, os diodos se alternam no fornecimento de corrente para a carga, portanto, a corrente média dos diodos não é mais igual à corrente de carga, como nos retificadores monofásicos de meia onda.

Frequência de ondulação da tensão na carga (fond)

A forma de onda da tensão na carga possui período de repetição (ciclo) de apenas metade do período da tensão da rede. Neste caso:

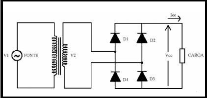
Retificador monofásico de onda completa em ponte

Dos retificadores monofásicos é o mais utilizado em aplicações onde existem tensões elevadas e maiores correntes. Utiliza um número maior de diodos, não sendo necessário o uso do transformador com tomada central.

6 Circuito elétrico

Funcionamento

No semiciclo positivo (parte superior do transformador positiva) os diodos D1e D3 estão polarizados diretamente, permitindo assim que a corrente flua através da carga. Os diodos D2 e D4 estão polarizados reversamente, porém com somente a tenção máxima de entrada, o que é uma grande vantagem deste circuito sobre o com tomada central. No semiciclo negativo (parte inferior do transformador com tensão positiva) os diodos D2 e D4 estão polarizados diretamente e é por ai que a corrente flui através da carga. Neste momento os diodos D1e D3 é que estarão reversos e com a tensão máxima de entrada. Como cada par de diodos funciona em um semiciclo a corrente média na carga é o dobro da corrente média nos diodos, assim como no circuito retificador com tomada central.

Forma de onda das tensões e correntes no circuito

Tensão média na carga (VMRL)

Corrente média na carga (IMRL)

Corrente média nos diodos (IMD)

Frequência de ondulação da tensão na carga (fond)

7 Filtros capacitivos para retificadores

Após a retificação, a tensão aplicada à carga, apesar de unidirecional, possui ainda uma ondulação bastante acentuada, dificultando o seu aproveitamento em circuitos eletrônicos. Para que ela se torne mais uniforme é necessário o uso de algum tipo de filtro. O filtro mais utilizado é o filtro capacitivo que reduz muito a ondulação da tensão, tornando assim o retificador aceitável para a maioria das aplicações

Funcionamento

Quando acontece o primeiro semiciclo, o capacitor se carrega através dos diodos D1 e D3 até o valor de pico da tensão de entrada. Quando a tensão retificada diminui os capacitores começam a descarregar, alimentando a carga. No outro semiciclo o capacitor será carregado por D2 e D4 até o valor de pico, novamente quando a tensão começa a reduzir o capacitor passa a fornecer corrente para a carga. N
Mesmo utilizando um filtro, existe um pequena ondulação de tensão que tende a aumentar com o aumento da corrente da carga. Esta ondulação define o fator de ripple do circuito, de forma que quanto maior é a ondulação, maior o fator de ripple. Outro parâmetro importante é a tensão de ripple ΔVC , que é a variação de tensão observada na saída do filtro quando este alimenta uma carga. Em geral, deve-se projetar uma fonte de alimentação que forneça uma tensão com a mínima variação possível.
Considerando que a carga consome uma corrente média IMRL aproximadamente constante, e que a variação de tensão máxima desejada no capacitor seja ΔVCMAX, podemos calcular o capacitor da seguinte forma:
Pode-se definir uma relação prática para o valor mínimo do capacitor com relação a IMRL:
C ≥ 1000μF/A

8 Diodo zener

O diodo zener é um diodo construído especialmente para trabalhar polarizado reversamente, conduzindo na região de ruptura. Abaixo são mostradas a curva característica do diodo zener e sua simbologia.
O diodo zener quando polarizado diretamente funciona como um diodo comum, mas ou contrário de um diodo convencional, ele suporta a condução de corrente em tensões reversas próximas à tensão de ruptura. A sua principal aplicação é a de conseguir uma tensão estável (tensão de ruptura), independente da corrente que o atravessa. No circuito ele está em série com um resistor limitador de corrente e sua polarização normalmente é reversa. Graficamente é possível obter a corrente elétrica sob o zener com o uso de reta de carga.

Corrente máxima do zener

Exemplo:

Se um diodo zener de 12 V tem uma especificação de potência máxima de 400 mW, Qual será a corrente máxima permitida?
Este zener suporta uma corrente máxima reversa de 33,3 mA.

Corrente mínima do zener

A corrente mínima define o ponto aproximado em que o diodo começa a sair da região de ruptura em direção à região de corte, onde não há condução de corrente. Quando o diodo entra na região de corte, sua tensão cai com relação ao valor da tensão de ruptura VZ. Considera-se a corrente mínima do zener como sendo de 10 a 20% do valor da corrente máxima do zener. Considerando uma proporção de 15%, temos a expressão abaixo:

Regulador de tensão com zener

A corrente do zener, quando calculada com base em sua potência, é o máximo valor que ela pode atingir, mas quando calculada em um circuito como o acima, utiliza-se um valor de Iz menor que o máximo valor calculado. Fazendo assim, o diodo trabalha com um valor de corrente inferior ao máximo, evitando aquecimento excessivo na junção.

Exemplo:

Considerando um diodo cuja tensão zener seja de 12 V e cuja potência seja 500 mW, sendo a fonte de alimentação de 18 V, pode-se calcular o valor da resistência em série com o diodo.
O valor de Rz deve ser superior a RZMIN para que o diodo não se danifique devido a ser submetido a uma corrente superior à sua corrente máxima IZMAX.
O valor adotado para Rz geralmente é o valor comercial de resistência mais próximo da média entre RZMIN e RZMAX, para que se opere o mais longe possível das situações de sobrecarga e corte do diodo zener.
Este foi o método de projeto de um regulador considerando uma tensão de entrada constante. Caso a tensão de entrada varie, calcula-se RZMIN e RZMAX da seguinte forma:
Segundo as expressões acima, podemos concluir que o aumento da tensão de entrada Vi provoca sobrecarga no diodo zener, e que a diminuição de Vi tende a levar o diodo para a região de corte.

9 Transistores bipolares de junção I

Um transistor é um componente eletrônico ativo que é formado por duas junções PN. São geralmente feitos de Silício e neste caso, como os diodos, possuem nas junções PN uma barreira de potencial de 0,7 V. Possui três terminais chamados de coletor, base e emissor.
Conforme se vê no desenho abaixo a região de emissor é fortemente dopada, e a região de base é fracamente dopada. Já a região de coletor apresenta uma dopagem mediana. A região de coletor é muito maior que as outras regiões devido ao fato de ser nesta região que se dissipa todo calor gerado durante o funcionamento do transistor. A região de base é muito fina e durante o processo de formação de junção PN emissor / base a camada de depleção se aprofunda mais na região de base principalmente devido ao fato desta região ser fracamente dopada. O mesmo ocorre na formação da junção entre coletor / base, porém com menor intensidade.

Polarizando o transitor

Por ser um componente ativo, o transistor precisa obrigatoriamente ser alimentado por fontes externas para que possa ser utilizado. Os circuitos de polarização de transistores mais comuns são formados por fontes de tensão e resistores para de limitação da corrente. A polarização do transistor é definida pela relação entre as correntes de base, emissor e coletor. Há diversas configurações possíveis.

Polarização direta

Na polarização direta:
VBE = 0,7 V
VCB > 0,7 V

Polarização reversa

Quando se polariza as junções reversamente como na figura acima as junções se comportam como diodos comuns sofrendo uma alargamento da largura das camadas de depleções, expansão esta limitada somente pelas características das junções. A junção BE normalmente é capaz de suportar tensões de até 30 V. Já a junção BC suporta tensões de até mais ou menos 300 V.

Polarização direta-reversa

Polarizando o transistor da forma acima nota-se que existe uma corrente circulando de E para B, pequena devido ao fato da base ser pouco dopada (poucas lacunas disponíveis para recombinação). Como a junção CB está reversamente polarizada, era de se supor que não houvesse corrente de coletor. A corrente de coletor se forma quando a base recebe elétrons em grande número do emissor, que é fortemente dopado. Já que a base (região P) é fracamente dopada, fica rapidamente estabilizada em número de lacunas e elétrons com a recombinação proporcionada pelos elétrons fornecidos pelo emissor. Sendo a base muito estreita e estando estabilizada em número de lacunas e elétrons, há uma tendência dos elétrons em excesso, fornecidos pelo emissor, atravessarem a junção BC, atraídos pelo potencial positivo da fonte ligada ao coletor. Isso faz com que apareça uma corrente muito forte de emissor para coletor, o que é fácil de entender devido ao fato das fontes VBE e VCB estarem ligadas em série, forçando assim a circulação de corrente de E para C. Nos transistores cerca de 95% da corrente injetada no emissor fluem em direção ao coletor, e apenas 5% da corrente de emissor flui em direção á base. A relação entre a corrente de coletor e a corrente de emissor é conhecida por αCC.

Alfa CC (αCC)

Exemplo:

Um transistor tem uma corrente de coletor (IC) de 4,1 mA e uma corrente de emissor (IE) de 5mA. Pede-se determinar qual sua αCC. Quanto mais próximo o αCC for próximo de “1”,mais fina será a região de base.

Circuito de polarização emissor comum (EC)

É a forma mais utilizada de se polarizar um transistor. O emissor esta cheio de elétrons livres (material tipo N). Quando VBE for maior do que 0,7 V, o emissor injeta elétrons na base. A base fina é levemente dopada dando a quase todos os elétrons oriundos do emissor o poder de se difundir através da camada de depleção do coletor.

Beta CC (βCC)

A relação entre a corrente de coletor e a corrente de base é chamada de βCC e é muito utilizado nos cálculos de polarização de transistores em todas as regiões de operação.
Um exemplo claro da utilidade do βCC é a determinação da corrente de base de um transistor, quando pelo coletor flui uma determinada corrente.

Exemplo:

Se em um transistor se mede uma corrente de coletor de 5 mA qual deverá ser sua corrente de base se seu βCC = 100.

Simbologia dos transistores

Existem dois tipos de transistores bipolares, um estudado anteriormente chamado de NPN e outro chamado de PNP; os dois funcionam de maneira análoga, porém um com correntes ao contrário do outro. Este estudo será baseado sempre nos transistores NPN .
Observando os símbolos acima deve-se lembrar que:
1 - A corrente de emissor sempre será a corrente de base mais a corrente de coletor.
2 - A corrente de coletor é aproximadamente igual a corrente de emissor.
3 - A corrente de base é sempre muito menor que a corrente de coletor ou corrente de emissor.

Regiões de operação de um transistor

Os transistores operam em duas regiões distintas, uma chamada de fonte de corrente (região linear) e outra chamada de região de corte/saturação.

Região de corte / saturação

É a região de operação de transistor onde ele atua como uma chave elétrica, ligado e desligado, nesta região a corrente de base é bastante alta e a do coletor também, é a região onde o transistor sofre menos aquecimento e onde a tensão entre coletor e emissor é menor. (aproximadamente 0 V).
Na região de ruptura a tensão entre coletor e emissor fica muito elevada causando a destruição do componente, devendo ser evitada; já na região linear o transistor se comporta como uma fonte de corrente controlada, é uma região utilizada para amplificação e como a tensão VCE é muito elevada há uma geração de calor no transistor bastante elevada.

Especificações dos transistores

Como existem muitos tipos de transistores existem especificações de forma a se poder distinguir os vários tipos. A grande maioria dos dados de um transistor são relativos as tensões reversas aplicadas entre seus eletrodos; as principais são:
VCEO : é a máxima tensão que se pode aplicar de coletor para emissor com a base aberta

10 Transistores bipolares de junção II

VEBO : é a máxima tensão que se pode aplicar entre emissor e base com o coletor aberto

ICMAX : é a máxima corrente contínua que pode circular pelo coletor sem destruir o componente.

PD : é a potência que pode dissipar um transistor e é calculada por:

O transistor operando como chave

Quando o transistor está operando como chave (região de corte / saturação) só existe duas situações possíveis de corrente de coletor: Total ,quando saturado e zero quando comutado (aberto). Quando saturado a base se encontra energizada e a tensão VCE é baixa (1 ou menos volt), é quando o transistor dissipa menos calor ,nesta situação a corrente de base é relativamente alta em comparação a operação na região linear. Em geral se considera a corrente de base dez vezes menor que a corrente de base; isto supondo o corte e saturação ocorrendo em baixas freqüências. Com esta regra pode-se dizer que:

Transistor operando na região linear

Quando se necessita de uma corrente constante independente de variações de tensão da fonte ou do ganho de corrente do transistor (βCC), a melhor região de operação é a linear devido a possibilidade de se estabelecer parâmetros firmes de operação.

Curvas de ganho de corrente (βCC X IC)

O ganho de corrente de um transistor é a relação entre a corrente de coletor e a corrente de base, este ganho é variável com a temperatura e com variações de corrente de coletor. Observando o gráfico abaixo nota-se que com o aumento da corrente de coletor o ganho varia; e existe também uma variação de ganho em uma relação que pode chegar a 3:1 com a variação da temperatura, mantendo-se firme a corrente de coletor.

Curvas Características de Coletor

Um transistor é um componente que se comporta como uma fonte de constante controlada, a melhor forma de se fazer isto é utilizando o circuito abaixo.

Mantendo-se a corrente de base constante e variando IC se consegue levantar as curvas de coletor, de forma que com a variação de VCC, a corrente de coletor é constante para uma corrente de base.

O transistor como fonte de corrente

Quando se necessita de um transistor com corrente de coletor constante (fonte de corrente) a melhor solução é o uso na região linear (ativa). O circuito mais utilizado é a configuração emissor comum com um resistor de emissor como abaixo. Neste circuito a corrente de emissor é amarrada a tensão de base, o que garante que mesmo com a variação do βCC com a temperatura ou outro motivo qualquer a corrente de coletor permanecerá constante.

Circuito Elétrico

Circuitos de polarização de transistores

Quando um transistor tem que trabalhar na região linear é necessário utilizar algum circuito polarizador de base para colocar o transistor na região linear. Os processos mais comuns de polarização de base são:

1 - Polarização com realimentação de emissor

2 - Polarização com realimentação de coletor

3 - Polarização por divisor de tensão

Polarização com realimentação de emissor

Neste processo de realimentação tenta-se reduzir a variação da corrente de coletor devido a variação de βcc através da redução da tensão de base; ou seja com o aumento da tensão de emissor a tensão de base tende a reduzir-se , e conseqüentemente a corrente de base reduzindo assim a corrente de coletor. Este processo só é utilizado em sistemas econômicos, pois as compensações da corrente de coletor são muito pequenas.

Circuito Elétrico

Polarização por realimentação de coletor

É um tipo de polarização com melhor performance que o anterior, porem ainda apresenta uma certa variação na corrente de coletor; mas muito menor que a realimentação de emissor. Seu funcionamento acontece quando a corrente IC tende a aumentar, a tensão sobre a resistência de base aumenta reduzindo assim a corrente de coletor. Isto acontece devido o redução da tensão entre o coletor e o emissor, o que faz com aconteça uma redução da corrente de base.

Circuito Elétrico

11 Transistores bipolares de junção III

Polarização por divisor de tensão na base

Neste processo a tensão de base é firme e como uma fonte de corrente a corrente de coletor é constante, devido a não dependência do βCC. É o processo mais utilizado devido ao fato da corrente de coletor não sofrer variação pode-se trocar um transistor danificado por outro do mesmo tipo sem necessitar de ajuste devido a diferença de βCC de um transistor para outro.

Circuito Elétrico

12 Fontes de alimentação reguladas

Quando se precisa de uma alimentação com um valor estável é necessário se utilizar circuitos as vezes complexos, para se conseguir uma boa regulação de tensão.
Diagrama em blocos de uma fonte estabilizada:
A – O transformador normalmente serve para isolar e abaixar a tensão da rede a níveis eletrônicos (5 a 48 V).
B – Os diodos retificadores convertem tensão A. C. em tensão D. C. , pulsante
C – O filtro capacitivo proporciona um “alisamento” da tensão pulsante
D – O circuito estabilizador ajusta a tensão de saída ao nível desejado

Principais tipos de circuitos estabilizadores de tensão

1 – Regulador com diodos zener
2 – Regulador integrado de tensão
3 – Regulador integrado de tensão acionando transistores de potência

Regulador utilizando diodos zener

É um circuito de relativa estabilidade para alimentação em pequenas potências. Atualmente são pouco utilizados.

Circuito Elétrico

Neste circuito o transistor Q1 atua como um amplificador de corrente, tornando a fonte com maior capacidade de corrente que um regulador com só um zener e um resistor. O zener é a referência de tensão para o transistor e a tensão de saída é estável devido a relação:
VRL = VBEQ1 – VZ
Como VBEQ1 é constante (0,7 V) e VZ Também, então VOUT também o é.

Exemplo:

Dimensionar um regulador pilotado por diodo zener para uma tensão de saída de 12 V com capacidade de corrente máxima de 0,5 A. Considerar a tensão de entrada de 18V com variação de +/- 10%, utilizar um diodo de 13 V e de 0,5 W.
Se compararmos o regulador série com um regulador RZ simples, a corrente de base do transistor equivale à corrente de carga:
IBQ1 = IRL (regulador RZ)
Observando o gráfico acima observa-se que para uma corrente de 0,5 ampere temos um βCC (hFE) de 90,ou seja a corrente de base é 90 vezes menor que a corrente de coletor.
Cálculo do resistor máximo para RZ (RZMAX) (corrente de carga máxima e tensão de entrada mínima: zener perto da região de corte).

13 Reguladores integrados de tensão

Atualmente existem no mercado reguladores de tensão bastante versáteis, com proteções contra curto na saída, sobre corrente,temperatura, sendo assim praticamente indestrutíveis, e as duas únicas forma de se destruir um regulador deste tipo é com sobre tensão de entrada e tensão de saída maior que a de entrada. Existem umas infinidades de tipo de invólucros diferentes,mas atualmente são muito popular os reguladores de três terminais. Os reguladores integrados podem ser de dois tipos; negativos e positivos alem de poderem ser fixos ou flutuantes. Os positivos mais comuns são os da família 78xx (7805,7809,7812,7815,7818,7824) que são fixos. Os variáveis ou flutuantes positivos são os 317 (LM 317 T, LM 317 K , LM 350). Todos os reguladores acima são positivos,porem apresentam a característica de possuir apenas três terminais.
Os reguladores negativos são também de três terminais e os tipos mais comuns são: A família 79xx (7905,7909,7912,7915,7918,7924) que são fixos, e os flutuantes são da família 337 (LM 337 T).

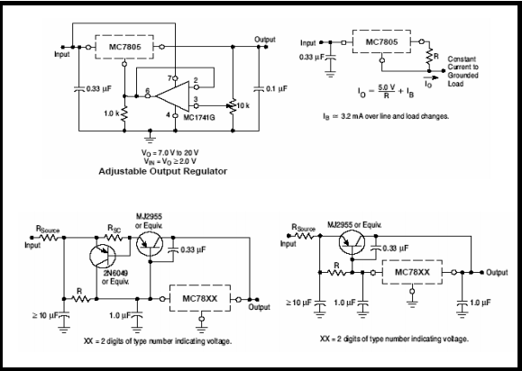
Aplicações típicas dos reguladores integrados

14 Apêndice

Transistores

Diodos zener

Diodos retificadores

15 Referências bibliográficas

Robert Boylestad; Louis Nashelky. Dispositivos Eletrônicos e Teoria de Circuitos Terceira edição Prentice/Hall do Brasil
Eng.Antônio M.Vicari Cipelli;Eng. Waldir João Sandrini.Teoria e Desenvolvimento de Projeos de Circuitos Eletrônicos Oitava Edição . Livros Érika Editora ltda.
Albert Paul Malvino;Eletrônica; Vol. 1 ; 1986; MAKRON Books do Brasil.