Motores III

Mecânica de motores de 4 tempos

1 Tipos de subsistemas de refrigeração

Existem dois tipos comuns de subsistemas de arrefecimento: o “arrefecimento a ar” e o “arrefecimento a água”: bombeia-se um agente refrigerador líquido através do circuito de arrefecimento do bloco do motor. Existem alguns motores com arrefecimento direto ou arrefecimento forçado a ar.

Nesses motores, o calor é expelido diretamente do motor pelo ar que o circunda. Se, por algum motivo, acontecer uma falha no sistema de arrefecimento do motor, ocorrerá um superaquecimento e, com isso, as peças do motor se dilatarão excessivamente, causando vários tipos de anomalias, principalmente o desgaste excessivo com maior rapidez.

Sabemos que os elementos naturais, ar e água, são excelentes dissipadores de calor e que com mecanismos simples e econômicos esses elementos conseguem trocar o calor com o meio exterior com facilidade.

Arrefecimento a ar

Esse método apresenta uma grande simplicidade de execução e de manutenção. Os cilindros do motor (às vezes, também, o cárter) possuem aletas que aumentam a superfície de contato com o ar, permitindo melhor troca de calor com o meio.

Nos sistemas de ventilação natural, é o deslocamento do veículo que provoca a circulação de ar em volta dos cilindros, como nas motocicletas, por exemplo. A eficácia da refrigeração depende, portanto, da velocidade de deslocamento do veículo, será suficiente para velocidades normais e altas, porém, insuficiente quando o veiculo estiver parado ou a plena potência.

Os sistemas de ventilação forçada são compostos por um ventilador ou por uma turbina acionada pelo motor. Essa solução é necessária sempre que os cilindros do motor localizam-se no interior do veículo. O ar recalcado pelo ventilador é conduzido por tubulações até às proximidades dos cilindros e dos cabeçotes. Em seguida, o ar sai para a atmosfera.

A ventilação forçada permite uma refrigeração suficiente em todas as condições de funcionamento do motor. Contudo, em condições climáticas desfavoráveis (frio), a ventilação é excessiva, e a refrigeração tende a levar o motor a funcionar a uma temperatura muito baixa.Se corrige esse defeito pelo emprego de um obturador que limita a quantidade de ar aspirado. Este obturador pode ser acionado por um comando manual ou por um dispositivo termostático situado na corrente de ar quente que sai do motor.

 O comando por termostato é automático, sendo colocado de modo a ser atingido pelo ar quente que vem dos cilindros. O calor provoca a dilatação do termostato que, por um comando mecânico, abre o obturador situado à entrada do ventilador.

Para controlar a temperatura de funcionamento de um motor de refrigeração a ar, coloca-se um termostato sobre o cárter ou no óleo de lubrificação.

De um modo geral, a refrigeração a ar faz com que o motor funcione a temperaturas muito variáveis.A ajustagem dos pistões, segmentos e válvulas exige folgas de dilatação suficientes e um óleo lubrificante de excelente qualidade.

Figura 42 - Refrigeração a ar nos motores

Arrefecimento a água

A água é utilizada como condutor de calor entre o motor e o ar atmosférico. O forte calor específico da água permite obter uma excelente refrigeração pelo simples contato com o exterior dos cilindros e do cabeçote. Desse fato, resulta uma maior estabilização da temperatura do motor e, consequentemente, condições de funcionamento mais regulares.

O arrefecimento a água compreende os seguintes elementos básicos:

  • Bomba centrífuga de baixa pressão e alta vazão que recalca a água do radiador para o bloco do motor.
  • Válvula termostática que atua como um dispositivo automático que permite normalizar rapidamente a temperatura do motor e a estabilização ideal de funcionamento do motor.
  • Radiador cujo elemento de refrigeração tem a forma de um favo, tubular ou com tiras; a parte superior do radiador possui sempre uma saída de segurança chamada “registro”. Essa saída limita a pressão na circulação quando, por aquecimento, o volume do líquido aumenta.
  • Ventilador, que se destina a provocar uma intensa circulação de ar através do elemento de refrigeração do radiador.
  • Câmara de água em volta dos cilindros, dos assentos das válvulas e dos cabeçotes. Essa câmara possui na sua parte inferior uma entrada de água fria e na parte superior uma saída de água quente; frequentemente, coloca-se um bujão de esvaziamento no local mais baixo da câmara de água.

Se costuma colocar o ventilador e a bomba (Figura 43) sobre o mesmo eixo, a meia altura do sistema de refrigeração.Portanto,a bomba atua apenas como o acelerador de circulação.

Figura 43 - Detalhe da bomba d’água do motor

A tendência natural de circulação da água chamada de efeito termossifão, ocorre naturalmente. Quando é aquecida, fica mais leve e por si só procura o ponto mais alto do motor, subindo do bloco para o cabeçote, e em seguida, para o radiador (trocador de calor) por meio das mangueiras.

A bomba d’água é responsável pelo auxílio nesta circulação de água em todo o sistema de arrefecimento do motor. Seu acionamento é realizado pela árvore de manivelas por intermédio de correia ou engrenagens.

Sistema de circulação forçada por bomba

A circulação por bomba é mais rápida, resultando numa menor diferença de temperatura nas extremidades do radiador e menos riscos de congelamento no inverno. Contudo, quando se aciona o motor, a água fria entra imediatamente em circulação, e o aquecimento do motor é mais lento.

Figura 44 - Esquema do arrefecimento por termossifão

A utilização, nesse caso, de um termostato ou de válvula termostática, freia e até interrompe a circulação de água, se a sua temperatura não for superior a 80ºC.

O termostato é, frequentemente, completado por uma passagem auxiliar que, no caso de estar fechado, permite que a água que sai do motor volte ao bloco de cilindros sem ter que passar pelo radiador. Assim, o aquecimento do motor é acelerado.

Em um motor de combustão interna, a refrigeração a água mantém uma temperatura de funcionamento mais regular que a refrigeração a ar. A temperatura das paredes do cilindro não ultrapassa a 120ºC.

Válvula termostática

A válvula termostática é um dispositivo automático, que tem a função de normalizar rapidamente a temperatura do motor e permitir a sua estabilização ideal durante todo o tempo de funcionamento, independentemente da carga do motor ou de fatores externos.

Quando a água do arrefecimento está fria, a válvula termostática impede sua circulação pela colmeia do radiador, permitindo somente sua circulação pelo interior do bloco e cabeçote do motor através da passagem de derivação para a bomba d’água, conforme apresenta a Figura 45.

Figura 45 - Esquema de funcionamento da válvula termostática – fechada

Antes, porém, de a água de arrefecimento atingir a temperatura ideal, a válvula termostática permanece semiaberta, permitindo a passagem da água para o radiador e, ao mesmo tempo, diretamente para o bloco através da passagem de derivação para a bomba d’água, evitando-se dessa forma que aconteça um choque térmico no bloco do motor.

Atingida a temperatura normal de funcionamento para o motor, a válvula termostática abre a passagem para o radiador e fecha a passagem de derivação para a bomba d’água (Figura 46). Esta abertura se processa gradativamente, bem como o fechamento da derivação, evitando com isso variações bruscas de temperatura.

Figura 46 - Esquema de funcionamento da válvula termostática – aberta

Verificação de funcionamento

o procedimento de ensaio das condições funcionais da válvula termostática consiste em submetê-la a banho com água aquecida, observando-se que para diferentes valores de temperatura a válvula abre ou fecha seu registro, conforme mostra a Figura 47.

Figura 47 - Esquema de verificação do funcionamento da válvula termostática

2 Radiador

É o reservatório do fluido de arrefecimento, composto de aletas, conhecidas por colméias, que formam uma grande superfície de dissipação do calor (Figura 48).

Figura 48 - Radiador e seus componentes

Outros elementos importantes do subsistema de arrefecimento é o tanque de expansão que atua como um reservatório incorporado ao sistema de arrefecimento cuja finalidade é de receber o volume de água proveniente da expansão pelo aquecimento e de reintegrar este fluido ao sistema, quando da contração do volume pelo seu resfriamento.

A tampa do radiador, a qual tem a função de pressurizar a água do sistema de arrefecimento para:

  • Retardar o ponto de ebulição (ponto de fervura).
  • Reduzir as perdas pela evaporação.
  • Evitar o fenômeno da cavitação.

A tampa do radiador possui dois elementos de válvulas. Um maior e outro menor: o maior limita a pressão formada pelo aquecimento da água, e o menor localizado no centro da tampa, limita a depressão que se forma com o esfriamento da água (exemplo: uma parada prolongada do motor após um período de funcionamento).

Figura 49 - Tampa do radiador

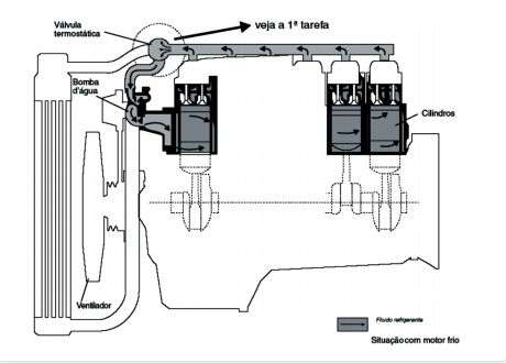
As Figuras 50 e 51 apresentam o esquema de circulação do fluido de arrefecimento nas condições de temperatura do motor e os elementos funcionais que operam o sistema nas duas tarefas as quais a válvula termostática se propõe.

1ª tarefa – inicia-se com o funcionamento do motor, quando a válvula termostática encontra-se fechada, na condição de motor frio.

2ª tarefa – quando a válvula termostática encontra-se aberta, promovendo a refrigeração do motor em operação.

Figura 50 - Movimento do fluído refrigerante com motor frio

Figura 51: Movimento do fluido refrigerante com motor quente

Ventilador

É um componente importante que faz parte do radiador. Sua atuação é de manter o fluxo de ar em forma espiral, forçando a passagem desse ar impulsionado pelas pás através das aletas do radiador, acelerando o processo de troca de calor.

O acionamento pode ser através de polia e correia com sincronismo do virabrequim ou motor elétrico independente.

Figura 52:Ventilador

Anticongelantes

Para evitar que no inverno a água congele, junta-se a ela álcool ou glicerina pura. O álcool dilui-se facilmente; a mistura permanece homogênea, mas como o álcool se evapora mais facilmente que a água, deve-se verificar a sua proporção periodicamente.

A resistência ao frio depende da quantidade de álcool ou de glicerina que se adiciona à água.

O acionamento de um motor cuja temperatura está baixa, próxima de 0ºC, apresenta certas dificuldades e alguns perigos. Se não houver lubrificação, o metal mais frágil poderá sofrer, sob o efeito de choques, um começo de ruptura pelo atrito frio (molas de válvulas, etc.).

Sistema de lubrificação

As peças móveis do motor submetidas ao atrito geram calor e desgastes, necessitando continuamente de lubrificantes entre as superfícies de contato. O calor e desgaste gerados provocam temperaturas elevadas que podem fundir as peças uma nas outras.

A primeira função dos lubrificantes, os óleos minerais ou sintéticos, é o de lubrificar esses componentes, ou seja, manter uma película de óleo lubrificante entre essas peças para dissipar o calor, vedar, limpar, reduzir o ruído do motor e remover as partículas geradas pelo desgaste nos locais de atrito, mantendo-as em suspensão.

Figura 53 - Esquema de circulação do óleo lubrificante

  • Em função das exigências dos óleos lubrificantes, bem como seus incrementos determina-se o período de troca, pois cada vez mais são utilizados óleos sintéticos ou semissintéticos e de aditivação.
  • Os aditivos são classificados de acordo com as funções que desempenham:
  • Antioxidantes – agem quimicamente com o oxigênio, evitando a oxidação dos metais.
  •  Detergentes – reduzem a formação de placas e depósitos.
  •  Dispersantes – impedem a aglomeração de borras.
  •  Viscosidades maiores – proporcionam menor sensibilidade às mudanças de temperatura.
  •  Inibidores da corrosão ou anticorrosivos – reduzem o desenvolvimento de substâncias ácidas.
  • Antiespumantes – reduzem a espessura das bolhas de espuma, eliminando-as.
  • Modificadores de fricção ou antidesgastantes – formam uma camada de proteção nas superfícies metálicas.

O sistema de lubrificação é composto por uma bomba que succiona o óleo do reservatório, pelo cárter, através do elemento pescador que o bombeia para a galeria principal do motor. Em motores turboalimentados, o óleo passa pelo trocador de calor onde é resfriado e direcionado aos filtros. Após a passagem pelos elementos filtrantes é encaminhado às demais partes do motor: mancais, cabeçote, balancins, etc.

Figura 54 - Esquema de lubrificação do motor

A bomba de óleo do motor faz circular sob pressão o óleo lubrificante, levando-o para todos os pontos que requerem lubrificação, através de galerias existentes no bloco e cabeçote do motor. Os cilindros são lubrificados pelo óleo que extravasa dos colos das bielas e mancais.

As hastes das válvulas, as articulações esféricas das varetas de acionamento dos balancins, os tuchos, as engrenagens da distribuição também são lubrificados pelo óleo vazado dos mancais, os quais são lubrificados sob pressão.

O sistema de lubrificação insere o lubrificante entre as partes metálicas móveis do motor, para diminuir o atrito e dilatações excessivas entre elas.

Figura 55 - Galerias do óleo lubrificante

A lubrificação protege os componentes contra corrosão e melhora a vedação entre os pistões e os cilindros, além de refrigerar as superfícies em contato.Todo óleo destinado à lubrificação do motor é forçado a passar por um sistema de filtragem no qual são retidas as partículas existentes.Em casos de obstrução do elemento filtrante do tipo cartucho de papel especial, uma válvula de segurança intercalada no circuito abre-se e permite a passagem do óleo para lubrificar o motor, porém com óleo não filtrado.

Figura 56 - Esquema de funcionamento do filtro de óleo lubrificante

Figura 57 - Diagrama básico de lubrificação

O filtro de óleo é posicionado após a saída da bomba de óleo, para que as impurezas sejam retidas pelo elemento filtrante antes da passagem do óleo lubrificante para o motor.

3 Composição dos filtros do óleo lubrificante

O filtro do óleo é constituído de carcaça e papel especial. A carcaça é fabricada em chapa de aço, oferecendo grande resistência a pressões internas.

Já o papel especial é tratado, resinado, corrugado e plissado homogeneamente, proporcionando alta efi ciência na retenção dos contaminantes e baixa restrição ao fluxo do óleo.

Figura 58 - Detalhe do elemento filtrante

Os filtros lubrificantes precisam atender às funções de reter todos os contaminantes que possam causar danos ao perfeito funcionamento do motor, mantendo as características de estrutura do óleo, uniformidade de circulação e eficiência no período de uso pelo motor e oferecendo proteção máxima para os motores.

Os contaminantes contidos no sistema de lubrificação, principalmente os abrasivos (metais), provenientes do atrito das partes móveis do motor e da decomposição química que permanecem em suspensão no óleo lubrificante e do carbono resultante da queima do combustível que causa o desgaste prematuro, reduzindo a vida útil do motor.

Trocador de calor

O trocador de calor ou intercambiador de calor é um dispositivo que permite manter o óleo lubrificante na temperatura ideal de trabalho, independentemente da carga do motor ou de fatores externos.Fluindo por um sistema de canais em contato com o circuito de água do sistema de arrefecimento, o óleo lubrificante é aquecido rapidamente nas partidas e arrefecido durante o serviço contínuo.

Figura 59 - Esquema de arrefecimento do óleo lubrificante

Sistemas de lubrificação tradicionais

Os sistemas de lubrificação tradicionais admitem as seguintes características inerentes ao seu projeto:

a) Salpico:A bomba de óleo alimenta as cubas colocadas perto da passagem de cada biela; estas são munidas de uma colher (pescador) que apanha o óleo que passa pela cuba; por inércia, o óleo penetra em seguida na biela e lubrifica o moente.Os mancais são diretamente alimentados por tubos que saem do coletor principal. Com a lubrificação por salpico, a pressão fornecida pela bomba é pouco elevada, de 0,1 a 0,4 kg/cm². O manômetro é graduado em metros de coluna de água (1 a 4 mca). Para facilitar a lubrificação, bielas e mancais devem possuir grandes ranhuras de circulação.

b) Pressão:O virabrequim possui condutos especiais. O óleo chega aos mancais sob pressão, e daí é canalizado até aos moentes para lubrificar as bielas. Os mancais e as bielas não possuem ranhuras de lubrificação, exceto algumas câmaras de óleo curtas que não desembocam no exterior. A pressão de lubrificação é de 1 a 3 kg/cm².

Essa pressão impulsiona o óleo como uma cunha entre as superfícies a lubrificar, realizando o atrito fluido. Frequentemente, a cabeça da biela é munida de um pequeno orifício dirigido ao cilindro e destinado a lubrificar o pistão. Em alguns casos, uma canalização ao longo da biela permite, igualmente, assegurar uma melhor lubrificação do eixo do pistão.

c) Projeção: Esta disposição compreende a lubrificação sob pressão de todos os mancais e a lubrificação das bielas por um jato de óleo. Cada biela tem uma colher.A rotação contra o jato intensifica a penetração de óleo no interior da biela. Por outro lado, o jato de óleo sobre toda a cabeça da biela favorece a sua refrigeração. A pressão de lubrificação é de 1 a 3 kg/cm². Nos motores de pouca cilindrada, a lubrificação por projeção é simplificada. O virabrequim aciona uma roda munida de palhetas. Esta roda está semissubmersa no óleo do cárter e sua orientação faz com que ela projete o óleo diretamente sobre a biela e no cilindro.

d) Mistura:O óleo é misturado com o combustível e penetra no motor proporcionalmente ao seu consumo. Esse sistema de lubrificação não é apropriado aos motores a 2 tempos que funcionam com pré-compressão no cárter. A proporção do lubrificante em relação ao combustível é, geralmente, de 5%. Uma quantidade mais elevada leva a um entupimento das câmaras de explosão e de escape, assim como a um empobrecimento da carburação.

e) Cárter seco : Neste sistema de lubrificação, o óleo é contido num reservatório independente. Uma bomba leva o óleo do reservatório ao motor, introduzindo-o com pressão nos elementos a lubrificar. Uma segunda bomba, chamada bomba de retorno, aspira o óleo que tende a acumular-se no fundo do cárter e remete-o ao reservatório.

Seja qual for o sistema, a lubrificação dos cilindros é assegurada, unicamente, pelo óleo projetado pelas bielas em rotação. Quando se põe o motor frio em funcionamento, o óleo circula com dificuldade, e a lubrificação dos cilindros é insuficiente, por isso justifica o aquecimento do motor em baixa rotação.

Em motores de lubrificação sob pressão, não circula nenhum óleo nos primeiros minutos de funcionamento. O salpico e a projeção efetuam com maior rapidez essa lubrificação dos cilindros.

Além das questões relativas à lubrificação, a circulação de óleo deve garantir a refrigeração das bielas e do virabrequim. Partindo do reservatório com aproximadamente 50ºC, o óleo, em aquecimento pleno do motor, atinge de 80 a 120ºC quando passa pelas bielas.

Em motores novos ou ajustados, as folgas estão no seu mínimo. O óleo circula com mais difi culdade e, portanto, refrigera mal as peças, havendo maior risco de gripagem ou de fusão do metal antifricção por falta de lubrificação.

Figura 60 - Esquema de lubrificação dos motores

Atritos – no sistema de lubrificação

Quando duas superfícies de contato se deslocam uma em relação à outra, ocorre o fenômeno de atrito que pode ser classificado segundo três tipos:

Atrito seco – em que as superfícies estão em contato sem a interposição de lubrificante.

Atrito úmido – em que uma pequena película de lubrificante favorece a fricção sem impedir que as superfícies entrem em contato pela crista das suas rugosidades.

Atrito líquido – em que a película de lubrificante é contínua e homogênea, impedindo, assim, que as duas superfícies entrem em contato.

Todas as peças em movimento de um motor de combustão interna devem ser lubrificadas de modo a permitirem um atrito líquido (desgaste mínimo).Contudo, na prática, não é exatamente este o resultado que se alcança. Sob a pressão das peças, o óleo é expulso, a película desgasta-se e as superfícies entram em contato acontecendo o atrito úmido.

A passagem do atrito líquido ao atrito úmido é tanto mais fácil quanto maiores forem as pressões e as temperaturas e quanto pior for a qualidade do óleo lubrificante

4 Óleos lubrificantes

Os óleos destinados à lubrificação dos motores de combustão interna devem possuir certo número de qualidades perfeitamente determinadas.

Os óleos lubrificantes dos motores podem ser constituídos de uma base mineral ou sintética com a adição de aditivos. Sob o ponto de vista prático, eles são caracterizados principalmente pela sua viscosidade, seu ponto de combustão e seu ponto de congelamento.

A viscosidade caracteriza particularidades de escoamento do óleo. Pode-se medir por diferentes métodos, fazendo parte de cada um deles um sistema de unidades.O método Engler é o mais comumente utilizado. O escoamento de certa quantidade de óleo por um orifício de pequeno diâmetro é comparado ao escoamento de uma mesma quantidade de água.

A relação dos tempos de escoamento é obtida em graus Engler, relativa à viscosidade do óleo. Por exemplo, um escoamento seis vezes mais lento que o da água é designado por 6° Engler.

Pode-se exprimir a viscosidade por centistock (1/100 de stock). É a viscosidade física absoluta do lubrificante, isto é, a resistência real do deslocamento das suas moléculas, umas em relação às outras.

Se determina a viscosidade medindo a força necessária para fazer deslocar de 1 cm, no seio do lubrificante, uma superfície de 1 cm², à velocidade de 1 cm/seg. Para se fazer essa medida ,se usa,também , a massa específica do lubrificante utilizado.

O método de medição da viscosidade pode ser utilizado para todos os lubrificantes, desde os óleos mais líquidos ás graxas mais consistentes.A viscosidade de um óleo se modifica com a temperatura. Quanto mais quente está o óleo, menor é a viscosidade.

A principal qualidade de um óleo deve ser a de que a sua viscosidade seja ainda suficiente para assegurar um atrito líquido a temperaturas de funcionamento das peças do motor de 80 a 150°C. Com um óleo de qualidade inferior, a viscosidade diminui a tal ponto, que o motor só trabalha a atritos úmidos (desgaste rápido).

O ponto de combustão é a temperatura em que o óleo emite vapores suscetíveis de serem inflamados. Ele deve ser o mais elevado possível, de modo a evitar as fugas por vaporização ao contato com as partes inferiores do pistão do motor quente.A temperatura de combustão é, geralmente, superior a 220°C para os óleos finos e ultrapassa 250°C para os óleos espessos.

O ponto de congelamento é a temperatura em que o óleo não escorre mais de uma proveta quando esta é inclinada.O ponto de congelamento deve ser o mais baixo possível, de modo a facilitar que o motor entre em movimento depois de tempo prolongado sob temperaturas muito baixas.

As diferentes estruturas moleculares dos óleos lhe dão algumas qualidades particulares que influenciam o seu comportamento no motor. A qualidade de aderir a superfícies metálicas é denominada de adesividade.Essa qualidade favorece a formação de uma película lubrificante e se mantém contínua, mesmo em presença de cargas fortes. Em alguns casos, a adesividade e a viscosidade são paralelas.

A uma viscosidade mais elevada corresponde uma maior adesividade. Mas, a uma viscosidade igual, a adesividade pode ser diferente, conforme a estrutura molecular de cada lubrificante.

De modo geral, os óleos destinados aos motores de combustão interna são de origem mineral. Esses óleos possuem uma grande estabilidade química, contudo, o seu poder lubrificante diminui rapidamente acima dos 120°C.

O uso de óleos lubrificantes de origem vegetal, principalmente extraído do rícino (mamona), assegura melhor lubrificação a temperaturas elevadas, mas a sua estabilidade química é pequena, dando origem ao aparecimento de ácidos orgânicos não aconselháveis às partes internas do motor.

Atualmente, adicionam-se elementos químicos apropriados, como os aditivos, que podem melhorar a qualidade dos óleos no momento da sua utilização.

Os aditivos podem ser diretamente adicionados ao óleo na sua fabricação. Nesse caso, recebem o nome de óleos aditivos, designados comumente por óleos HD (Heavy Duty).Os óleos HD são vendidos no mercado sob várias designações, dependendo da proporção de aditivos que eles contêm.

O aperfeiçoamento progressivo dos óleos minerais destinados aos motores de combustão interna deu origem ao aparecimento de óleos de todas as estações ou de multiviscosos. Esses óleos são, em geral, formados por vários óleos de base com estruturas moleculares diferentes, aos quais foram adicionados os aditivos habituais dos óleos HD.

Classificação geral dos óleos

Por muito tempo os óleos foram classificados apenas sob o aspecto da sua viscosidade, medida à temperatura de 50ºC (323 K). O Quadro a seguir especifica as designações, os grupos S.A.E. (Society of Automotive Engineering) e as viscosidades correspondentes.

Quadro - Classificação geral dos óleos lubrificantes

Na atualidade, tende-se classificar os óleos conforme o gênero de trabalho exigido do motor, isto é, conforme a espécie de serviço a que este é submetido, conforme se observa na Figura 4.55, que corresponde ao sistema de classificação de tipos de óleos.

Figura 61 - Sistema de classificação de tipos de óleos

Particularidades dos óleos aditivos

Como a composição dos óleos aditivos varia conforme o fabricante é fundamental não misturar óleos HD de proveniências diferentes, a fim de evitar o comprometimento de sua estabilidade.

Por outro lado, o poder detergente confere ao óleo uma propriedade de penetração muito grande. Essa propriedade faz com que seja mais difícil efetuar a vedação do motor e provoca mais facilmente a subida de óleo nas câmaras de combustão, o que pode resultar num pequeno aumento de consumo de lubrificante.

Num motor usado, a introdução de óleo aditivo origina a dissolução dos depósitos. Os elementos móveis e, em particular, os anéis de compressão trabalham mais livremente. Desse fato resulta uma melhoria da compressão e da potência, mas frequentemente a marcha do motor é um pouco mais ruidosa.

 

A introdução de um óleo aditivo altamente detergente em um motor que anteriormente já funcionou com óleo comum apresenta certos riscos. O óleo aditivo provoca o desprendimento dos depósitos de carvão internos. Esses depósitos, de volume apreciável, não se dissolvem totalmente no óleo, acumulando-se no fundo do cárter, nos fi ltros e nos condutos de lubrifi cação onde sua presença pode criar graves incidentes.

Óleos multiviscosos

Os óleos multiviscosos abrangem uma categoria de lubrifi cantes atuais que apresentam uma pequena variação de viscosidade em relação às variações da sua temperatura. A frio, por exemplo, um óleo multiviscoso possui a mesma viscosidade de óleos comuns S.A.E. 10, enquanto a quente, sua viscosidade é idêntica a dos óleos grupo S.A.E. 30.Obtém-se essa característica por meio de uma mistura apropriada de vários óleos de base.

Os óleos multiviscosos asseguram uma lubrificação correta em todas as condições de funcionamento do motor e independem das condições climáticas. São munidos de aditivos habituais dos óleos H.D. e requerem as mesmas precauções quanto a sua utilização.As vantagens principais que apresentam são as de assegurar excelentes condições para partida a frio, uma lubrificação imediata no momento do acionamento, conservando um poder lubrificante a alta temperatura.

5 Sistema elétrico

O sistema elétrico dos motores é composto pela bateria que se comporta como um acumulador de energia elétrica, considerada o principal elemento desse sistema; motor de partida ou arranque, é o componente que tem a função de iniciar o movimento do motor; alternador, que transforma parte da energia produzida pelo motor em energia elétrica para atender à demanda de consumo dos dispositivos elétricos consumidores e manter a carga da bateria;cabos condutores, que interligam eletricamente os componentes do sistema elétrico; quadro de fusíveis, que se caracteriza por garantir que cargas elétricas excessivas não danifiquem os componentes e acessórios consumidores; dispositivos elétricos consumidores, que possuem funções múltiplas (dependendo da aplicação podem ser enquadrados como sensores eletrônicos que atuam, principalmente, como variadores de potência, registradores de consumo, monitores de funções: pressão, temperatura, ajustes, etc., como também, dizem respeito aos faróis, lanternas, buzina, sinalizadores, controladores e monitoramento eletrônicos).

Figura 62 - Bateria

Sistema de partida dos motores de combustão interna

No momento do acionamento da chave, a bateria emite sinal ao motor de partida ou motor de arranque. Um pinhão na extremidade do motor de partida desliza sobre a cremalheira do volante do motor, iniciando-se o funcionamento do motor.Através de polias e correia o motor faz funcionar o gerador (alternador) que, por sua vez, mantém a carga da bateria estável.

Figura 63 - Esquema da rede elétrica do motor

Motor do ciclo Otto – ignição por centelha

Para se obter a centelha de ignição no momento exato em que deverá ocorrer a combustão da mistura ar mais combustível, os motores de ciclo Otto dispõem de um sistema de ignição composto por:

  • Bateria – que transforma energia química em energia elétrica e armazena a energia elétrica gerada pelo alternador.
  • Chave de ignição – interrompe ou não a passagem da corrente elétrica para a bobina.
  •  Bobina de ignição – possui um circuito primário e um secundária que, a partir de uma baixa tensão, geralmente 12 V, induz uma alta tensão, da ordem de 20.000 V, que será distribuída para as velas de ignição. 
  • Distribuidor – recebe a alta tensão da bobina e a distribui através do
    motor para os cilindros (velas de ignição).
  • Vela de ignição – emite a centelha elétrica na cabeça do pistão no momento da combustão. 
  • Ignição elétrica – transforma a corrente contínua (CC) em corrente alternada (CA). 

Figura 64 - Esquema de distribuição de energia ao motor

Motor do ciclo Diesel – ignição por compressão

O motor do ciclo Diesel se diferencia dos demais pelo simples fato de não apresentar vela de ignição e distribuidor de energia, o que reduz significativamente o uso do acionamento elétrico. Entretanto, os demais componentes são importantes e necessários para o bom funcionamento do motor.