Manutenção de Forno Microondas

Conserto de Eletrodomésticos

1 Formo Microondas:

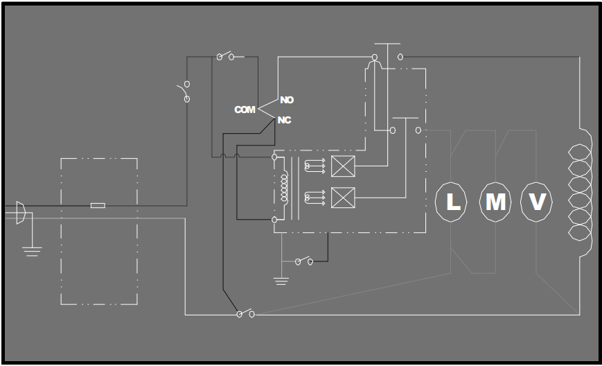
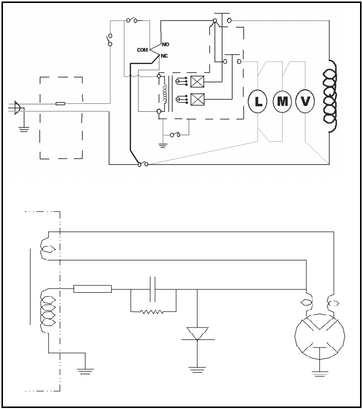
2 FONTE DE ALTA TENSÃO (A.T.):

A função deste circuito é fornecer a tensão de 4.000 V para o magnetron emitir as ondas. É formado por um transformador grande ("trafão") que aumenta a tensão da rede de 110 para 2.000 V, um diodo retificador de alta tensão e um capacitor de filtro com isolação de mais de 2.000 V. Estes dois componentes transformam a alta tensão em contínua e dobram para 4.000 V. Abaixo vemos o esquema do circuito de alta tensão dos fornos microondas:

O transformador tem um primário para 110 ou 220 V (dependendo do modelo de forno) e dois secundários, um de 2.000 V e outro de 3 V. O capacitor de filtro tem um resistor embutido para descarregá-lo assim que o forno é desligado.

Funcionamento da fonte de A.T.:

  • Quando o terminal de cima do secundário fica positivo, o diodo conduz e carrega o capacitor com - 2.000 V. Quando o terminal de cima fica negativo, o diodo não conduz e a carga do capacitor (- 2.000 V) se soma com a tensão do secundário (- 2.000 V), resultando numa tensão contínua de - 4.000 V aplicada no filamento-catodo do magnetron.Abaixo falaremos sobre os componentes deste circuito e a forma de testá-los:

3 COMO CONSERTAR O CIRCUITO DE A.T. DE UM FORNO MICROONDAS:

4 CONSERTOS NOS CIRCUITOS DE PROTEÇÃO E ALIMENTAÇÃO DO FORNO:

5 Atividades práticas:

  • Desmontar os microondas atentamente observando todos os mecanismos;
  • Testar todos os componentes desconectados (magnetron, transformador, travas de segurança,ventilador ,motor do prato, lâmpada);
  • Testar painel de controle desconectado;
  • Montar o aparelho usando o circuito elétrico ;
  • Verificar a montagem correta com o multímetro e circuito eletrônico; 
  • Testar painel de controle desconectado;
  • Ligar aparelho e aquecer água.